Chapter1_Before_Service.pdf - 第18页
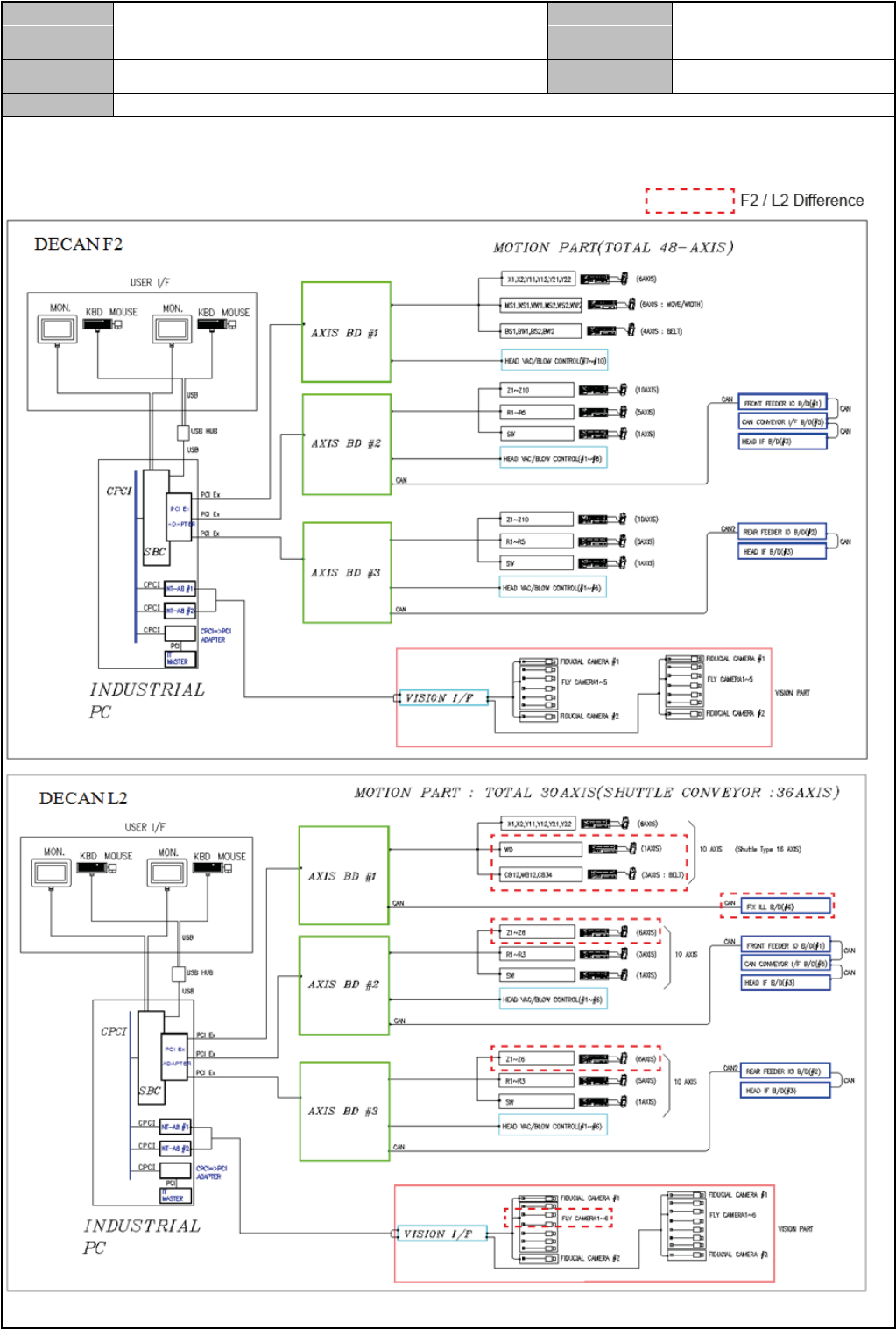
Model DECAN Series Company SAMSUNG TECHWIN Module 1. 设备概述 V ersion 01 Tit le 控制图 Page 1-16 Note [ 控制图 ]

Model
DECAN Series
Company
SAMSUNG TECHWIN
Module
1. 设备概述
Version
01
Title
气动图
Page
1-15
Note
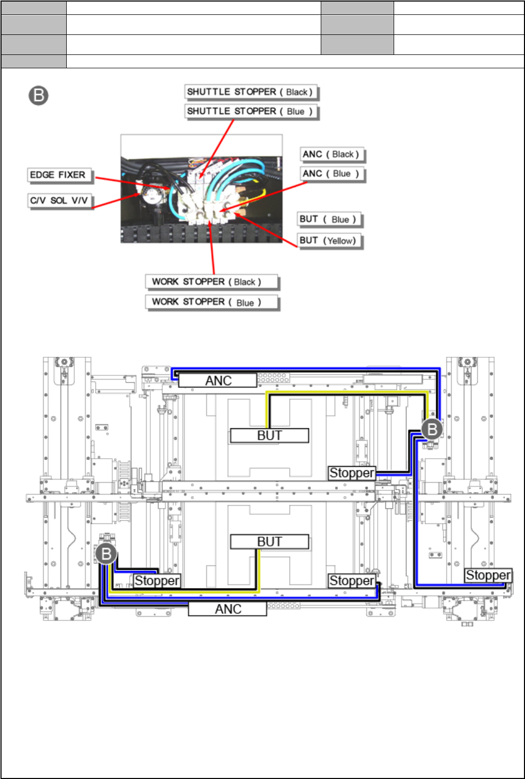
Conveyor 气动图

Model
DECAN Series
Company
SAMSUNG TECHWIN
Module
1. 设备概述
Version
01
Title
控制图
Page
1-16
Note
[控制图]

Model
DECAN Series
Company
SAMSUNG TECHWIN
Module
1. 设备概述
Version
01
Title
FLY CAMERA照明(F2)
Page
1-17
Note
[FLY CAMERA 照明(F2)]
Spec
Function Component inspection
Mega
Camera Type Analog 1360 x 1040 pixel, C-mount
Configuration FOV 24 mm x 5EA
Illumination
Light source LED
Light adjustment 16 Level
Light control Programmable, 3type
(Outer light, Side light, Coaxial light)
零件处理范围
- 以 2:1 识别零件和相机
-零件大小:0402 ~ □16mm