RS-1_RS-1-XL_RS-1R-Rev15.pdf - 第240页
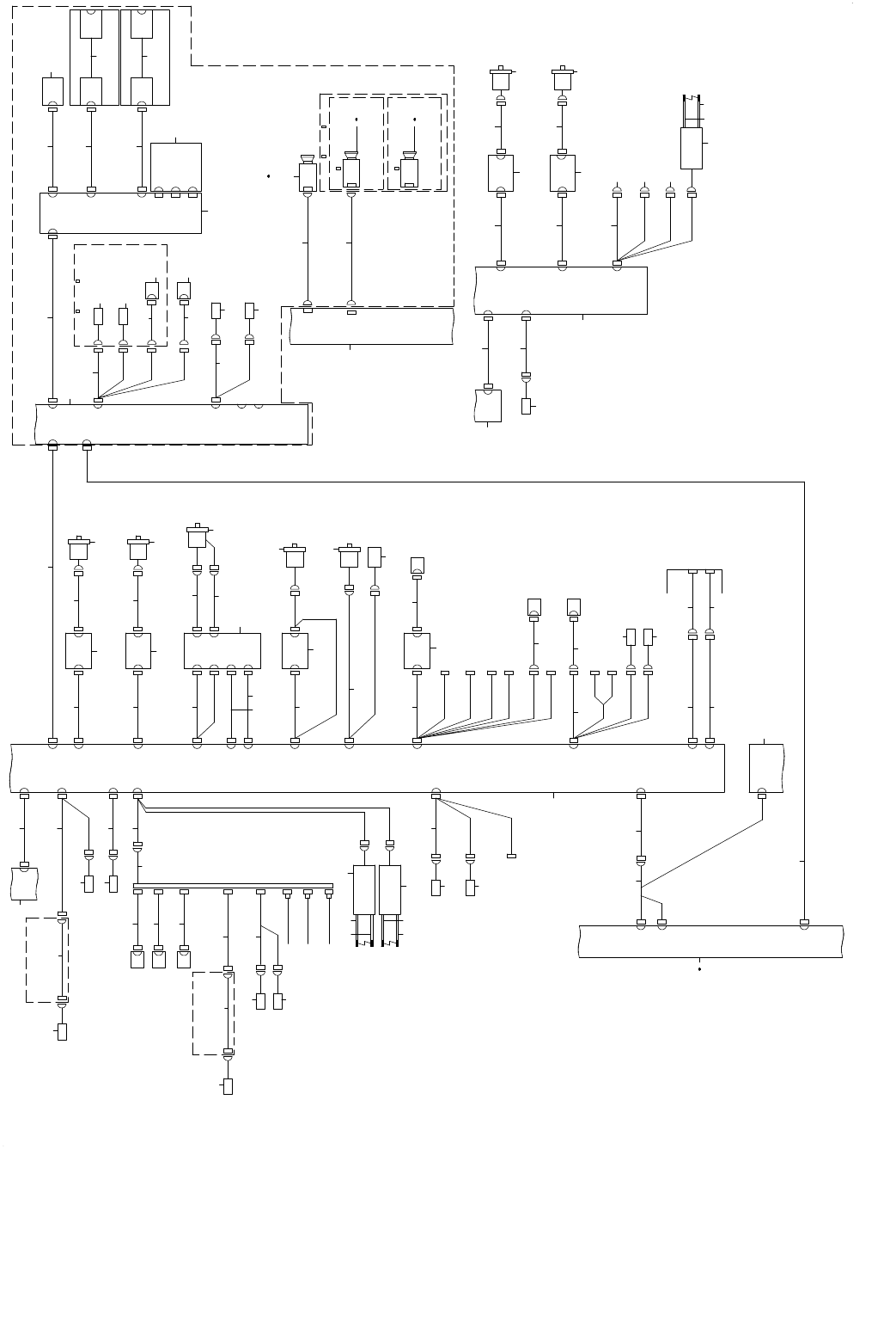
- 233 - 117.SYSTEM D IAGRAM (4) SYSTEM DIAGRA M(4) 㸦㹄㹐㹍㹌㹒ࠉ㹑㹇㹂㹃㸧 㸦㹀㸿㹁㹉ࠉ㹑㹇㹂㹃㸧 㹁㹍㹓㹒 㹑㹋㹃㹋㸿 㹇㹂㹊㹃 㹂㹇㹐 㹁㹌㸯㸯㸱 㸮 㹁㹌㸱㸮 㸱㸫㸰㹂 㹍㹊ࠉ㹋㹍㹒㹍 㹐 㹍㹊ࠉ㹂㹐 㹇㹔㹃㹐㸦㸰㹎㹆 㸿㹑㹃㸧 㸦㹄㹐㹍㹌㹒ࠉ㹑㹇㹂㹃㸧 㸲㸫㸯㸿 㹁㹍㹌㹔㹃㹗㹍㹐ࠉ㹎㹁㹀ࠉ㸦㹊㸧 㸦㹀㸿㹁㹉ࠉ㹑㹇㹂㹃㸧 㹁㹍㹓㹒ࠉ㹑 㹃㹌㹑㹍㹐 㸿㹋㹎 㹁㹌㸯㸯㸰㸷 㹁㹌㸰㸷 …

- 232 -
NOTE( 注記 ) #01....FOR EN(OPTIONAL PARTS) EN 用(オプション部品)
REF.NO NOTE PART NO D E S C R I P T I O N
品 名
Qty
1 401-28871 IO CONTROL PCB ASM
IOコントロール基板組
1
2 401-29323 IO-R BKR SERIAL CABLE ASM
IO−R BKRシリアルケーブル組
1
3 401-28872 SAFETY PCB ASM
セーフティー基板組
1
4 401-82246 R BKR-SF CABLE ASM
R BKR−SF ケーブル組
1
5 401-82245 SF-YR TOP SENSOR RELAY CABLE ASM
SF−YR トップセンサ中継ケーブル組
1
6 401-65028 XY LMT SENSOR ASM
XY LMTセンサ組
1
7 400-02254 COVER OPEN SW CABLE ASM
カバーオープンスイッチケーブル組
1
8 401-46405 COVER LOCK SV ASM
カバーロックSV組
1
9 401-29010 MINI SIGNAL TOWER CABLE ASM(OP)
ミニシグナルタワーケーブル組
1
10 401-82268 MTS I/F CABLE ASM
MTS I/Fケーブル組
1
11 401-84212 MTS I/F CABLE2 ASM
MTS I/Fケーブル2組
1
12 401-29336 MTS I/F BR CABLE ASM
MTS I/Fブラケットケーブル組
1
13 401-28875 CONVEYOR PCB ASM
搬送基板組
1
14 EZ-1755690-11 RELAY POWER (RJ1S-CLD-D24)
リレーパワー (RJ1S−CLD−D24)
1
15 EZ-1755691-11 SOCKET RELAY (SJ1S-05B)
ソケットリレー(SJ1S−05B)
1
16 401-83536 POWER SUPPLY UNIT B ASM
電源ユニットB組
1
17
#01
401-87824 POWER SUPPLY UNIT B ASM_EN
電源ユニットB組_EN
1
18 EZ-1755690-11 RELAY POWER (RJ1S-CLD-D24)
リレーパワー (RJ1S−CLD−D24)
1
19 EZ-1755691-11 SOCKET RELAY (SJ1S-05B)
ソケットリレー(SJ1S−05B)
1
20 401-28876 E BANK RELAY PCB ASM
Eバンクリレー基板組
1
21 401-29247 F EBKR FG CABLE ASM
F EBKR FGケーブル組
1
22 401-82296 EBKR-OUT LOADER SERIAL CABLE ASM2
EBKR−OUT ローダシリアルケーブル組2
1
23 401-82248 R BKR EU TOP PWR CABLE ASM
R BKR EU トップ電源ケーブル組
1
24 401-83349 NZL-UP SV CABLE ASM
NZL−UP SVケーブル組
1
25 401-82226 CN B4/B5-CN1341/1441 CABLE ASM
CN B4/B5−CN1341/1441ケーブル組
1
26 401-84380 CN1307/1407 - CN1344/1444 CABLE ASM
CN1307/1407 − CN1344/1444ケーブル組
1
27 401-84107 CN1443/1444 - RL4_6/10 CABLE ASM
CN1443/1444 − RL4_6/10ケーブル組
1
28 HB-0018100-00 RELAY
リレー
1
29 HB-0004800-10 RELAY
リレ− ソケット
1
30 HB-0002100-10 RELAY HOLOER PYC-A1
リレ−保持金具
1
31 401-85779 BKR-FD FLOAT E CABLE ASM
BKR−FD フロート Eケーブル組
1
32 401-81501 SEPARATE SENSOR RECEIVER ASM
セパレートセンサ_受光組
1
33 401-81502 SEPARATE SENSOR EMISSION ASM
セパレートセンサ_投光組
1
34 401-82265 BKR-FD FLOATLEFT E CABLE ASM
BKR−FD フロートレフト Eケーブル組
1
35 401-82818 BKR-BANK AIR SW RELAY CABLE ASM
BKR−BANK エアスイッチ中継ケーブル組
1
36 401-29082 R BKR-OPSW RELAY CABLE ASM
R BKR−OPSW リレーケーブル組
1
37 401-90601 START SW CABLE ASM
スタートスイッチケーブル組
1
38 401-87771 MPC CABLE ASM(RS-1)
MPC ケーブル組(RS−1)
1
39 401-29025 EMG SW CABLE ASM
EMGスイッチケーブル組
1
40 401-84213 MTS I/F CABLE3 ASM
MTS I/F ケーブル3組
1
41 401-90602 STOP SW CABLE ASM
ストップスイッチケーブル組
1
42 401-29070 BANK UP SENSOR CABLE ASM
バンクアップセンサケーブル組
1
43 401-29069 BKR-BANK AIR SW CABLE ASM
BKR−BANK エアスイッチケーブル組
1
44 PV-0151250-00 MANUAL VALVE
マニュアル バルブ
1
45 401-29023 CONSOLE SW CABLE ASM
コンソールスイッチケーブル組
1
46 HA-0055200-40 SWITCH
スイッチ
1
47 HA-0055200-30 SWITCH
スイッチ
1
48 HA-0055200-1C SWITCH
スイッチ
1
49 HA-0053400-70 SWITCH
スイッチ
1
50 401-29151 R BKR-AIR(N) RELAY CABLE ASM
R BKR−AIR(N)中継ケーブル組
1
51 401-29080 AIR(N) SENSOR CABLE ASM
エア(N) センサケーブル組
1
52 401-82228 E BANK SERIAL CABLE ASM
E バンクシリアルケーブル組
1
53 401-69473 BANK ID PCB (RF) ASM
バンクID基板(RF)組
1
54 401-82213 BANK CABLE (IFS-NX) ASM
バンクケーブル (IFS−NX)組
1
55 401-82211 BANK CABLE (EXT-POW) ASM
バンクケーブル (EXT−POW)組
1
56 400-84835 CUT OPEN SENS ASM
カッターオープンセンサ組
1
57 400-84839 CUT CLOSE SENS ASM
カッタークローズセンサ組
1
58 400-84836 CUT SV CABLE ASM
カッターSVケーブル組
1
59 401-82212 E BANK PCB-E CUTTER IF CABLE ASM
E バンク PCB−E カッターIFケーブル組
1
60 401-83784 ELEC BANK R-SIDE PCB ASM
ELECバンク R−SIDE基板組
1
61 401-82198 BANK CABLE (33_34-EB2 CN3) ASM
バンクケーブル (33_34−EB2 CN3)組
1
62 401-82199 BANK CABLE (35_36-EB2 CN4) ASM
バンクケーブル (35_36−EB2 CN4)組
1
63 401-82200 BANK CABLE (37_38-EB2 CN5) ASM
バンクケーブル (37_38−EB2 CN5)組
1
64 401-82201 BANK CABLE (39_40-EB2 CN6) ASM
バンクケーブル (39_40−EB2 CN6)組
1
65 401-82202 BANK CABLE (41_42-EB2 CN7) ASM
バンクケーブル (41_42−EB2 CN7)組
1
66 401-82203 BANK CABLE (43_44-EB2 CN8) ASM
バンクケーブル (43_44−EB2 CN8)組
1
67 401-82204 BANK CABLE (45_46-EB2 CN9) ASM
バンクケーブル (45_46−EB2 CN9)組
1
68 401-82205 BANK CABLE (47_48-EB2 CN10) ASM
バンクケーブル (47_48−EB2 CN10)組
1
69 401-82206 BANK CABLE (49_50-EB2 CN11) ASM
バンクケーブル (49_50−EB2 CN11)組
1
70 401-82207 BANK CABLE (51_52-EB2 CN12) ASM
バンクケーブル (51_52−EB2 CN12)組
1
71 401-82208 BANK CABLE (53_54-EB2 CN13) ASM
バンクケーブル (53_54−EB2 CN13)組
1
72 401-82209 BANK CABLE (55_56-EB2 CN14) ASM
バンクケーブル (55_56−EB2 CN14)組
1
73 401-82210 CAN JAMPER CABLE ASM
CAN ジャンパーケーブル組
1
74 401-83783 ELEC BANK L-SIDE PCB ASM
ELECバンク L−SIDE基板組
1
75 401-82182 BANK CABLE (1_2-EB1 CN3) ASM
バンクケーブル (1_2−EB1 CN3)組
1
76 401-82183 BANK CABLE (3_4-EB1 CN4) ASM
バンクケーブル (3_4−EB1 CN4)組
1
77 401-82184 BANK CABLE (5_6-EB1 CN5) ASM
バンクケーブル (5_6−EB1 CN5)組
1
78 401-82185 BANK CABLE (7_8-EB1 CN6) ASM
バンクケーブル (7_8−EB1 CN6)組
1
79 401-82186 BANK CABLE (9_10-EB1 CN7) ASM
バンクケーブル (9_10−EB1 CN7)組
1
80 401-82187 BANK CABLE (11_12-EB1 CN8) ASM
バンクケーブル (11_12−EB1 CN8)組
1
81 401-82188 BANK CABLE (13_14-EB1 CN9) ASM
バンクケーブル (13_14−EB1 CN9)組
1
82 401-82189 BANK CABLE (15_16-EB1 CN10) ASM
バンクケーブル (15_16−EB1 CN10)組
1
83 401-82190 BANK CABLE (17_18-EB1 CN11) ASM
バンクケーブル (17_18−EB1 CN11)組
1
84 401-82191 BANK CABLE (19_20-EB1 CN12) ASM
バンクケーブル (19_20−EB1 CN12)組
1
85 401-82192 BANK CABLE (21_22-EB1 CN13) ASM
バンクケーブル (21_22−EB1 CN13)組
1
86 401-82193 BANK CABLE (23_24-EB1 CN14) ASM
バンクケーブル (23_24−EB1 CN14)組
1
87 401-82194 BANK CABLE (25_26-EB1 CN15) ASM
バンクケーブル (25_26−EB1 CN15)組
1
88 401-82195 BANK CABLE (27_28-EB1 CN16) ASM
バンクケーブル (27_28−EB1 CN16)組
1
89 401-82196 BANK CABLE (29_30-EB1 CN17) ASM
バンクケーブル (29_30−EB1 CN17)組
1
90 401-82197 BANK CABLE (31_32-EB1 CN18) ASM
バンクケーブル (31_32−EB1 CN18)組
1
91 401-86335 FEEDER AIR BLOW CABLE ASM
フィーダエアブローケーブル組
1
92 HE-0005700-00 INDICATOR LAMP
ランプ
1
93 401-69048 MPC-CAN
MPC−CAN
1
94 401-29126 HUB-MTS SERIAL WIRE ASM(IS)
HUB−MTS シリアルワイヤー組
1

- 233 -
117.SYSTEM DIAGRAM (4)
SYSTEM DIAGRAM(4)
㸦㹄㹐㹍㹌㹒ࠉ㹑㹇㹂㹃㸧
㸦㹀㸿㹁㹉ࠉ㹑㹇㹂㹃㸧
㹁㹍㹓㹒
㹑㹋㹃㹋㸿
㹇㹂㹊㹃
㹂㹇㹐
㹁㹌㸯㸯㸱㸮
㹁㹌㸱㸮
㸱㸫㸰㹂
㹍㹊ࠉ㹋㹍㹒㹍㹐
㹍㹊ࠉ㹂㹐㹇㹔㹃㹐㸦㸰㹎㹆㸿㹑㹃㸧
㸦㹄㹐㹍㹌㹒ࠉ㹑㹇㹂㹃㸧
㸲㸫㸯㸿
㹁㹍㹌㹔㹃㹗㹍㹐ࠉ㹎㹁㹀ࠉ㸦㹊㸧
㸦㹀㸿㹁㹉ࠉ㹑㹇㹂㹃㸧
㹁㹍㹓㹒ࠉ㹑㹃㹌㹑㹍㹐
㸿㹋㹎
㹁㹌㸯㸯㸰㸷
㹁㹌㸰㸷
㹑㹒㹍㹎ࠉ㹑㹃㹌㹑
㹋㹃㹁㹆㸿㹌㹇㹁㸿㹊
㹑㹒㹍㹎㹎㹃㹐ࠉ㹑㹃㹌㹑㹍㹐
㹁㹌㸴
㹁㹌㸱㸯
㹁㹌㸯㸯㸮㸴 㹁㹌㸯㸯㸳㸰
㹁㹌㸯
㹁㹌㸱
㹁㹌㸯㸯㸳㸱
㹁㹌㸯㸯㸴㸯
㹁㹌㸯㸯㸱㸯
㹁㹌㸯㸯㸳㸮
㹁㹌㸯
㹁㹌㸱
㹁㹌㸯㸯㸰㸶
㹁㹌㸰㸶
㹁㹌㸯㸯㸳㸯
㹁㹊ࠉ㹂㹐㹇㹔㹃㹐㸦㸰㹎㹆㸿㹑㹃㸧
㹁㹌㸯㸯㸴㸮
㹁㹊ࠉ㹋㹍㹒㹍㹐
㹁㹌㸮㸱㸮㸵
㹁㹌㸵
㹇㹍ࠉ㹁㹍㹌㹒㹐㹍㹊ࠉ㹎㹁㹀
㹊㹇㹅㹆㹒ࠉ㹓㹎
㹑㹃㹌㹑㹍㹐
㹊㹇㹅㹆㹒ࠉ㹂㹍㹕㹌
㹑㹃㹌㹑㹍㹐
㹁㹌㸯㸰㸱㸮
㹁㹌㸯㸰㸲㸮
㹁㹌㸰㸮㸮㸷
㹁㹌㸷
㹁㹌㸯㸶
㸲㸫㸲㹁
㹁㹍㹌㹔㹃㹗㹍㹐ࠉ㹎㹁㹀ࠉ㸦㹊㸧
㹊㸭㹐㸫㹑㹒㹍㹎ࠉ㹑㹔
㸱㸫㸯㹂
㹍㹐ࠉ㹋㹍㹒㹍㹐
㹍㹐ࠉ㹂㹐㹇㹔㹃㹐㸦㸰㹎㹆㸿㹑㹃㸧
㹁㹌㸯㸯㸯㸶
㹁㹌㸮㸮㸯㸱
㹁㹌㸯㸱
㹁㹌㸯㸮㸷㸯
㸦㹄㹐㹍㹌㹒ࠉ㹑㹇㹂㹃㸧
㹔㹁㹑ࠉ㹍㹎㹒㹇㹍㹌
㸲㸫㸱㹁
㹊㸫㹑㹒㹍㹎ࠉ㹑㹃㹌㹑
㹑㹒㹍㹎㹎㹃㹐ࠉ㹑㹔
㹊㸫㹑㹒㹍㹎ࠉ㹑㹔
㹁㹌㸱
㹁㹌㸯
㹁㹌㸰
㹇㹎㸫㹖㸯㸯ࠉ㹎㹁㹀
㸱㸫㸯㹂
㹑㹋㹃㹋㸿
㹑㹋㹃㹋㸿
㸳㸫㸱㸿
㸱㸫㸱㸿
㸳㸫㸯㸿
㸰㸫㸯㹂
㸱㸫㸯㸿
㸿㹒㹁ࠉ㹑㹔
㹁㸿㹊ࠉ㹔㸿㹁
㹁㹌㸯㸮㸵㸶㸫㸶ࠉ㹑㹋㹃㹋㸿
㹁㹌㸯㸮㸵㸶㸫㸵ࠉ㹂㹇㹐
㹁㹌㸯㸮㸵㸶㸫㸴ࠉ㹇㹂㹊㹃
㹁㹌㸯㸮㸵㸶㸫㹑㸳
㹁㹌㸯㸮㸵㸶㸫㹑㸲
㹀㹓ࠉ㹁㹌㹅㸦 㹐㸧
㹀㹓ࠉ㹁㹌㹅㸦 㹊㸧
㹁㹌㸯㸮㸵㸶㸫㸰
㹁㹌㸯㸮㸵㸶㸫㸯
㹁㹌㸯㸮㸷㸴
㹁㹌㸯㸮㸷㸳
㹄㹊㹓㹖㹃㹐ࠉ㸰㹎
㹄㹊㹓㹖㹃㹐ࠉ㸲㹎
㹁㹌㸮㸮㸯㸶
㹁㹌㸯㸶
㹑ࠉ㹁㹍㸿㹖㹇㸿㹊
㹊㹇㹅㹆㹒ࠉ㹎㹁㹀
㹁㹌㸲
㹁㹌㸱
㹁㹌㸰
㹁㹌㸯
㹑㹇㹂㹃ࠉ㹁㹌㸯
㹁㹌㸯
㹑㹇㹂㹃ࠉ㹊㹇㹅㹆㹒ࠉ㸿㹑㹋
㹁㹌㸴
㹔㹁㹑ࠉ㹁㹌㸷
㹁㹌㸯
㹑㹇㹂㹃ࠉ㹁㹌㸯
㹁㹌㸯
㹑㹇㹂㹃ࠉ㹊㹇㹅㹆㹒ࠉ㸿㹑㹋
㹁㹌㸳
㹔㹁㹑ࠉ㹁㹌㸷
㹀㸿㹁㹉ࠉ㹁㹌㸯
㹁㹌㸯
㹀㸿㹁㹉ࠉ㹊㹇㹅㹆㹒ࠉ㹎㹁㹀
㹁㹌㸵
㹀㹍㹒㹒㹍㹋ࠉ㹁㹌㸷
㹀㹍㹒㹒㹍㹋ࠉ㹊㹇㹅㹆㹒ࠉ㹎㹁㹀
㹔㹁㹑ࠉ㹁㹌㸯
㹁㹌㸯
㹁㹌㸵
㹁㹌㸯㸯
㹁㹌㸲
㹁㹌㸰㸮㸮㸲
㹊㹇㹅㹆㹒ࠉ㹁㹒㹐㹊ࠉ㹎㹁㹀㸦㹄㸧
㹁㹌㸰㸮㸯㸮
㹁㹌㸯㸮
㹁㹌㸳
㹁㹌㸰㸮㸮㸯
㹁㹌㸯
㹁㹌㸰㸵
㹁㹌㸯㸮㸰㸵
㹁㹌㸯㸴
㹁㹌㸯㸮㸯㸴
㹁㹌㸯㸷
㹁㹌㸯㸮㸯㸷
㹑㹋㹃㹋㸿ࠉ㹐ࠉ㹑㹇㹂㹃
㹑㹋㹃㹋㸿ࠉ㹊ࠉ㹑㹇㹂㹃
㹁㹍㹔㹃㹐
㹁㹌㸰㸴
㹁㹌㸯㸮㸰㸴
㹀㹓ࠉ㹊㹍㹁㹉
㹀㹓ࠉ㹁㹆㸿㹌㹅㹃
㹑㹃㹌㹑㹍㹐㸦㹐㸧
㹁㹌㸯㸮㸵㸲
㹁㹌㸯㸮㸵㸱
㹀㹓ࠉ㹁㹆㸿㹌㹅㹃
㹑㹃㹌㹑㹍㹐㸦㹊㸧
㹁㹌㸰㸳
㹁㹌㸯㸮㸰㸳
㸿㹒㹁ࠉ㹑㹃㹌㹑㹍㹐ࠉ㹁㹊㹍㹑㹃
㹁㹌㸯㸮㸶㸶
㸿㹒㹁ࠉ㹑㹃㹌㹑㹍㹐ࠉ㹍㹎㹃㹌
㹁㹌㸯㸮㸶㸵
㹁㹌㸯㸮㸶㸷
㸿㹒㹁㸯ࠉ㹑㸬㹔㸬
㹁㹌㸰㸲
㹁㹌㸯㸮㸰㸲
㹁㹌㸯㸮㸶㸶
㹁㹌㸯㸮㸶㸵
㹁㹌㸯㸮㸶㸱
㹁㸿㹊ࠉ㹔㸿㹁㹓㹓㹋ࠉ㹑㸬㹔㸬
㹁㹌㸯㸮㸶㸰
㹁㹌㸯
㹁㹌㸰
㹁㹌㸯㸮㸷㸳
㹁㸿㹊ࠉ㹀㹊㹍㹁㹉ࠉ㹎㹁㹀
㹁㹌㸯㸮㸶㸯
㸦㹀㸿㹁㹉ࠉ㹑㹇㹂㹃㸧
㹕㸿㹇㹒ࠉ㹑㹃㹌㹑㹍㹐ࠉ㸯
㸿㹋㹎
㹕㸿㹇㹒㸯
㹕㸿㹇㹒㸰
㹕㸿㹇㹒ࠉ㹑㹃㹌㹑㹍㹐ࠉ㸰
㸿㹋㹎
㹀㹓ࠉ㹎㹇㹌ࠉ㹂㹃㹒㹃㹁㹒ࠉ
㹑㹃㹌㹑㹍㹐㸦㹃㹋㹇㸧
㹁㹌㸲㸲㸱
㹀㹓ࠉ㹎㹇㹌ࠉ㹂㹃㹒㹃㹁㹒ࠉ
㹑㹃㹌㹑㹍㹐㸦㹐㹃㹁㸧
㹁㹌㸲㸲㸲
㹑㹇㹂㹃ࠉ㹑㹃㹌㹑㹍㹐㸦㹊㸧
㹁㹌㸯㸮㸵㸰
㹀㹓ࠉ㹁㹆㸿㹌㹅㹃ࠉ㹑㸬㹔㸬㸦㹐㸧
㹀㹓ࠉ㹁㹆㸿㹌㹅㹃ࠉ㹑㸬㹔㸬㸦㹊㸧
㹁㹌㸯㸲
㹁㹌㸯㸮㸯㸲
㹁㹌㸯㸮㸵㸷
㹁㹌㸱㸮
㹁㹌㸯㸮㸱㸮
㹁㸿㹊ࠉ㹔㸿㹁㹓㹓㹋ࠉ㹑㹃㹌㹑㹍㹐
㹁㹌㸯㸮㸴㸵
㹍㹐㹅ࠉ㹑㹃㹌㹑㹍㹐㸦㹀㹓㸧
㹁㹌㸯㸮㸰㸷
㹁㹌㸰㸷
㹁㹌㸯㸮㸴㸳
㹑㹇㹂㹃ࠉ㹑㹃㹌㹑㹍㹐㸦㹐㸧
㹁㹌㸰
㹁㹌㸯㸮㸮㸰
㹍㹐㹅ࠉ㹑㹃㹌㹑㹍㹐㸦㸿㹕㹁㸧
㹁㹌㸯㸮㸴㸴
㹁㹌㸴㸳㸶
㸿㹕㹁ࠉ㹃㹌㹁㹍㹂㹃㹐
㹁㹌㸲
㹁㹌㸯㸮㸮㸲
㹁㹌㸯㸮㸳㸵
㹁㹌㸯
㹁㹌㸰
㹁㹌㸯㸮㸳㸶
㸳㹎㹆㸿㹑㹃ࠉ㸿㹕㹁ࠉ㹂㹐㹇㹔㹃㹐
㹁㹌㸯㸮㸳㸷
㸿㹕㹁ࠉ㹋㹍㹒㹍㹐
㹀㹓ࠉ㹋㹍㹒㹍㹐
㹁㹌㸯㸮㸴㸱
㹁㹌㸵
㹁㹌㸯㸮㸮㸵
㹁㹌㸯㸯
㹁㹌㸯㸮㸯㸯
㹁㹌㸶
㹁㹌㸯㸮㸮㸶
㹀㹓ࠉ㹑㹃㹐㹔㹍ࠉ㹂㹐㹇㹔㹃㹐
㹁㹌㸳
㹁㹌㸱
㹁㹌㸯㸮㸴㸰
㹁㹌㸯㸮㸴㸰
㹁㹌㸶
㹁㹌㸯㸮㸳㸴
㹁㹌㸯
㹁㹌㸯㸮㸳㸳
㹁㹌㸰
㹁㹌㸯㸮㸳㸲
㹁㹌㸵
㹁㹌㸴
㹁㹌㸱㸯
㹁㹌㸯㸮㸮㸴
㹁㹌㸯㸮㸳㸰
㹁㹌㸯
㹁㹌㸱
㹁㹌㸯㸮㸳㸱
㹁㹌㸯㸮㸴㸯
㹁㹌㸯㸮㸱㸯 㹁㹌㸯㸮㸳㸮
㹁㹌㸯
㹁㹌㸱
㹁㹌㸯㸮㸯㸶
㹁㹌㸯㸶
㹁㹌㸯㸮㸰㸶
㹁㹌㸰㸶
㹁㹌㸯㸮㸳㸯
㹁㹐ࠉ㹂㹐㹇㹔㹃㹐㸦㸰㹎㹆㸿㹑㹃㸧
㹁㹌㸯㸮㸴㸮
㹁㹐ࠉ㹋㹍㹒㹍㹐
㹁㹌㸮㸱㸮㸱
㹁㹌㸮㸮㸯㸴
㹎㹍㹕㹃㹐ࠉ㹑㹓㹎㹎㹊㹗ࠉ㹓㹌㹇㹒ࠉ㹀
㹁㹌㸯㸴
㹁㹌㸱
㹇㹍ࠉ㹁㹍㹌㹒㹐㹍㹊ࠉ㹎㹁㹀
㸯
㸰
㸱
㸲 㸳
㸴
㸵 㸯㸰
㸯㸯
㹑㹀㹊㸯ࠉࠉ
㸫㹎㸿㹌㹃㹊
㹑㹀㹊㸯
㹑㹀㸯
㸶 㸷
㸯㸴 㸯㸵
㹁㹍㹌㹔㹃㹗㹍㹐ࠉ㹎㹁㹀ࠉ㸦㹐㸧
㸱
㸯㸲
㸯㸳
㸯㸶㸯㸷㸰㸮
㸰㸯
㸰㸰
㸰㸯
㸰㸰
㸰㸳
㸰㸳
㸰㸵
㸰㸴
㸱㸮 㸱㸯
㸱㸰
㸶㸯
㸱㸱
㸱㸲
㸱㸳
㸱㸲
㸱㸴
㸱㸶 㸱㸶
㸱㸴
㸱㸵 㸱㸵
㸱㸷 㸱㸷
㸲㸱
㸲㸮
㸲㸴
㸲㸳
㸲㸰
㸲㸲
㸲㸯
㸲㸷 㸳㸯
㸳㸰
㸲㸵
㸳㸮
㸲㸶
㸳㸱
㸳㸳
㸳㸲
㸳㸴
㸳㸶
㸳㸵
㹋ࠉ㹑㹒㹍㹎㹎㹃㹐㹙㹊㹛ࠉ㹑㸬㹔㸬
㸳㸷 㸳㸷
㸴㸮 㸴㸰
㸴㸯 㸴㸯
㸴㸱
㸴㸲
㸴㸳
㸴㸴
㸴㸶 㸴㸶
㸯㸮
㸵㸳
㸵㸴 㸵㸵
㸴㸷
㸵㸮 㸵㸰 㸵㸰
㸵㸲
㸵㸯
㸵㸱 㸵㸱
㸯
㸰㸶
㸰㸷
㸯㸱
㸱㸲
㸱㸴 㸱㸴 㸰㸱
㸱㸶 㸱㸶
㸱㸵㸱㸵
㸱㸷 㸱㸷
㸰㸲㸰㸲㸰㸲
㸰㸳
㸰㸰
㸰㸯
㸰㸴
㹁㸿㹋㹃㹐㸿ࠉࠉ
㹐㹃㹌㹑
㸦㹍㹎㸧ࠉ㹔㹁㹑ࠉࠉ
㸰㸵㹫㹫ࠉ㹭㹰 ࠉ 㸯㸮㹫㹫
㸦㹍㹎㸧ࠉ㹔㹁㹑ࠉࠉ
㸰㸵㹫㹫ࠉ㹭㹰ࠉ 㸯㸮㹫㹫
㹁㹌㸲
㹁㹌㸯
㹁㹌㸲
㹁㹌㸲㸵㸴
㹊㹇㹅㹆㹒ࠉ㹐㹇㹑㹇㹌㹅ࠉ㹑㸬㹔㸬
㹁㹌㸲㸵㸴
㹊㹇㹅㹆㹒ࠉ㹑㹊 㹇㹂㹃ࠉ㹑㸬㹔㸬
㹁㹌㸲㸵㸲
㹁㹌㸲㸵㸳
㹊㹇㹅㹆㹒ࠉ㹍㹎ࠉ㹑㹇㹂㹃ࠉ㹑㹃㹌㹑㹍㹐
㹊㹇㹅㹆㹒ࠉ㹑㹒ࠉ㹑㹇㹂㹃ࠉ㹑㹃㹌㹑㹍㹐
㹀㹓ࠉ㹊㹍㹁㹉
㹁㹌㸯㸮㸵㸶㸫㸱
㹀㹓ࠉ㹊㹍㹁㹉ࠉ㹑㸬㹔㸬
㹁㹌㸯㸮㸵㸰
㹁㹌㸯㸮㸵㸰
㸦㹍㹎㸧ࠉ 㹁㹍㹌㹔㹃㹗㹍㹐 ࠉ
㹃㹖㹒㹃㹌 㹑㹇㹍㹌ࠉ㸯㸳㸮 㹫㹫ࠉ㹭㹰ࠉ㸰 㸳㸮㹫㹫
㹁㹌㸯㸮㸴㸳
㹁㹌㸯㸮㸴㸳
㹊㹇㹅㹆㹒ࠉ 㹑㹔
㹔㹁㹑ࠉ㹑㹔
㹁㹌㸲㸵㸲
㹁㹌㸲㸵㸳
㹁㹌㸰㸮㸮㸳
㸶㸰
㸶㸱
㸦㹍㹎㸧ࠉ㹁㹍㹌㹔㹃㹗㹍㹐ࠉ
㹃㹖㹒㹃㹌㹑㹇㹍㹌ࠉ㸯㸳㸮㹫㹫ࠉ㹭㹰ࠉ㸰㸳㸮㹫㹫
㸶㸰
㹁㹌㸯㸮㸵㸰
㸴㸵
㸴㸵
㸶㸴㸶㸴
㸶㸳㸶㸲
㸵㸳
㸵㸴 㸵㸶
㹔㹁㹑ࠉ㸦 㸰㸵㹫㹫㸧
㸵㸷 㸶㸮
㹔㹁㹑ࠉ㸦 㸯㸮㹫㹫㸧
㹁㸿㹋㹃㹐㸿ࠉࠉ
㹐㹃㹌㹑
㹔㹁㹑ࠉ㹑㹒㸿㹌㹂㸿㹐㹂
㹁㸿㹋㹃㹐㸿ࠉ ࠉ
㹐㹃㹌㹑

- 234 -
NOTE( 注記 ) #01....FOR EN(OPTIONAL PARTS) EN 用(オプション部品)
REF.NO NOTE PART NO D E S C R I P T I O N
品 名
Qty
1 401-28871 IO CONTROL PCB ASM
IOコントロール基板組
1
2 401-82259 IO-R CNV SERIAL CABLE ASM
IO−R CNVシリアルケーブル組
1
3 401-29046 SIDE SENSOR CABLE ASM
サイドセンサケーブル組
1
4 401-29042 AWC/BU ORG SENSOR CABLE ASM
AWC/BU原点センサワイヤー組
1
5 401-29080 AIR(N) SENSOR CABLE ASM
エア(N) センサケーブル組
1
6 401-82336 SIDE(R)/BU-ORG CABLE ASM
SIDE(R)/BU−ORGケーブル組
1
7 401-29256 CONVEYOR(F)-CAL VAC(S/R) CABLE ASM
搬送(F)−CAL VAC(S/R)ケーブル組
1
8 401-29051 BU CHANGE L SV CABLE ASM
BU チェンジ L SV ケーブル組
1
9 401-29052 BU CHANGE R SV CABLE ASM
BU チェンジ R SV ケーブル組
1
10 401-90921 IP-X11 SET GEN ASM(RS-1)
IP−X11 汎用機 セット組図(RS−1)
1
11 400-47908 SBL2 CABLE ASM
センサブロックL2束線組
1
12 401-82337 CNV RELAY CABLE ASM
CNVリレーケーブル組
1
13 401-56968 STOPPER SENSOR ASM
ストッパセンサ組
1
14 401-61237 BU PIN RECEIVE SENS ASM
BUピン受光センサ組
1
15 401-61236 BU PIN EMISSION SENS ASM
BUピン投光センサ組
1
16 401-82338 SIDE SENSOR(L) CABLE ASM
サイドセンサ(L)ケーブル組
1
17 401-82339 BU PIN DETECT SENSOR CABLE ASM
BUピン検出センサケーブル組
1
18 401-29056 CNV AUTO SET1 WIRE ASM
CNV オートセット1 ワイヤー組
1
19 401-29059 CNV AUTO SET2 WIRE ASM
CNV オートセット2 ワイヤー組
1
20 401-29060 CNV AUTO SET3 WIRE ASM
CNV オートセット3 ワイヤー組
1
21 401-82350 FIBER SENSOR
ファイバセンサ
1
22 HD-0010700-30 SENSOR
センサ
1
23 401-82334 CNV AUTO SET CABLE ASM
CNVオートセットケーブル組
1
24 401-82335 SHORT CONNTCTOR ASM
ショートコネクタ組
1
25 401-29061 STOP SENSOR CABLE ASM
ストップセンサケーブル組
1
26 401-29048 BU CHANGE CABLE ASM
BUチェンジケーブル組
1
27 401-82341 BU UNIT SENSOR RELAY CABLE ASM
BU ユニットセンサリレーケーブル組
1
28 401-82333 IO-L CNV SERIAL CABLE ASM
IO−L CNVシリアルケーブル組
1
29 401-82346 STOP SENS CABLE ASM
STOPセンサケーブル組
1
30 401-83536 POWER SUPPLY UNIT B ASM
電源ユニットB組
1
31
#01
401-87824 POWER SUPPLY UNIT B ASM_EN
電源ユニットB組_EN
1
32 401-82329 CNV PWR RLY CABLE ASM
CNV 電源リレーケーブル組
1
33 401-33013 LIGHT CONTROL F POWER ASM
ライトコントロールF 電源ケーブル組
1
34 401-28875 CONVEYOR PCB ASM
搬送基板組
1
35 401-82343 LTCTL SERIAL CABLE ASM
LTCTLシリアルケーブル組
1
36 401-82344 MOTOR DRIVER CABLE ASM
モータドライバケーブル組
1
37 401-54209 2PHASE DRIVER PCB ASM
2相ドライバ基板組
1
38 401-82330 MOTOR CABLE ASM
モータケーブル組
1
39 401-58136 2PHASE STEPPING MOTOR
2相ステッピングモータ
1
40 401-29035 BU AXIS CONTROL CABLE ASM
BU軸 コントロールケーブル組
1
41 401-29636 BU AXIS SERVO AMP
BU軸サーボドライバ
1
42 401-82332 BU MOTOR POWER CABLE ASM
BUモータ電源ケーブル組
1
43 401-29637 BU AXIS SERVO MOTOR
BU軸サーボモータ
1
44 401-82327 BU MOTOR ENCODER CABLE ASM
BUモータエンコーダケーブル組
1
45 401-29036 BU AXIS POWER CABLE ASM
BU軸 電源ケーブル組
1
46 401-82331 BU AXIS ENCODER CABLE ASM
BU軸 エンコーダケーブル組
1
47 401-29039 AWC MOTOR(S)CABLE ASM
AWCモータ(S)ケーブル組
1
48 HM-0013200-00 STEPPING MOTOR
モータドライバ
1
49 401-29040 AWC MOTOR ASM
AWCモータ組
1
50 401-29041 AWC ENC/ORG RELAY(S)CABLE ASM
AWC ENC/ORGリレー(S)ケーブル組
1
51 E9433-729-0A0 BU ENC ASM.
BU ENC組
1
52 401-29002 NEAR SENSOR CABLE ASM
ニアセンサケーブル組
1
53 401-56965 L-STOPPER RELAY CABLE ASM
Lストッパリレーケーブル組
1
54 400-07376 CALBLOCK PCB ASM
CALブロック基板組
1
55 401-29260 CAL-VACUUM SV CABLE ASM
CAL−VACUUM SV ケーブル組
1
56 401-56969 STOPPER SV CABLE ASM
ストッパSVケーブル組
1
57 401-82340 CNV-ATC(F) CABLE ASM
CNV−ATC(F)ケーブル組
1
58 401-29261 ATC SV CABLE ASM
ATC SV ケーブル組
1
59 401-29062 PHOTOMICRO SENSOR ASM
フォトマイクロセンサ組
1
60 401-82342 CNV-SMEMA L RELAY (F) CABLE ASM
CNV−SMEMA L 中継(F)ケーブル組
1
61 401-29031 SMEMA CABLE ASM
スメマケーブル組
1
62 401-29029 CNV-SMEMA R RELAY (F) CABLE ASM
CNV−SMEMA R 中継(F)ケーブル組
1
63 401-32991 LIGHT CONTROL PCB ASM
ライトコントロール基板組
1
64 401-83434 VCS LIGHT CABLE ASM
VCS ライトケーブル組
1
65 401-82347 VCS SENS CABLE ASM
VCSセンサケーブル組
1
66 401-82348 VCS UP-DOWN SENS CABLE ASM
VCS上下センサケーブル組
1
67 400-02148 VCS SV CABLE ASM
VCS SVケーブル組
1
68 401-65028 XY LMT SENSOR ASM
XY LMTセンサ組
1
69 401-80852 BOTTOM LIGHT PCB ASM
ボトムライト基板組
1
70 401-09805 S_BACK LIGHT CABLE ASM
S_バックライトケーブル組
1
71 401-32986 BACK LIGHT PCB ASM
バックライト基板組
1
72 401-33015 SIDE LIGHT CABLE ASM
サイドライトケーブル組
1
73 401-80854 SIDE LIGHT ASM
サイドライト組
1
74 401-80857 COAXIAL LIGHT PCB ASM
コアキシャルライト基板組
1
75 401-33146 CAMERALINK CABLE SS 3M
カメラリンクケーブル SS 3M
1
76 401-33149 VCS CAMERA
VCSカメラ
1
77 401-09807 S_VCS LENS STD
S_VCSレンズSTD
1
78 401-09808 S_VCS LENS OPT
S_VCSレンズOPT
1
79 401-88244 VCS CAMERA
VCSカメラ
1
80 401-88312 VCS3 LENS
VCS3レンズ
1
81 401-82328 CNV PWR CABLE ASM
CNV 電源ケーブル組
1
82 401-50822 IN/OUT SENS RLY CABLE ASM
IN/OUTセンサ中継ケーブル組
1
83 401-29053 BU LOCK SV CABLE ASM
BUロックSVケーブル組
1
84 400-02146 VCS ST SENS ASM
VCS STセンサ組
1
85 400-02147 VCS OP SENS ASM
VCS ENセンサ組
1
86 PV-1502093-00 5-PORT SOLENOID VALVE
5ポート電磁弁
1