SMX-1000 使用说明书(C).pdf - 第129页
1 17 X Y 6-98

6
116
....................................... X Y X·Y
10
................................ X Y
...............................
............................
........................
8
...............................
...............................
...............................

117
X Y
6-98

7
118
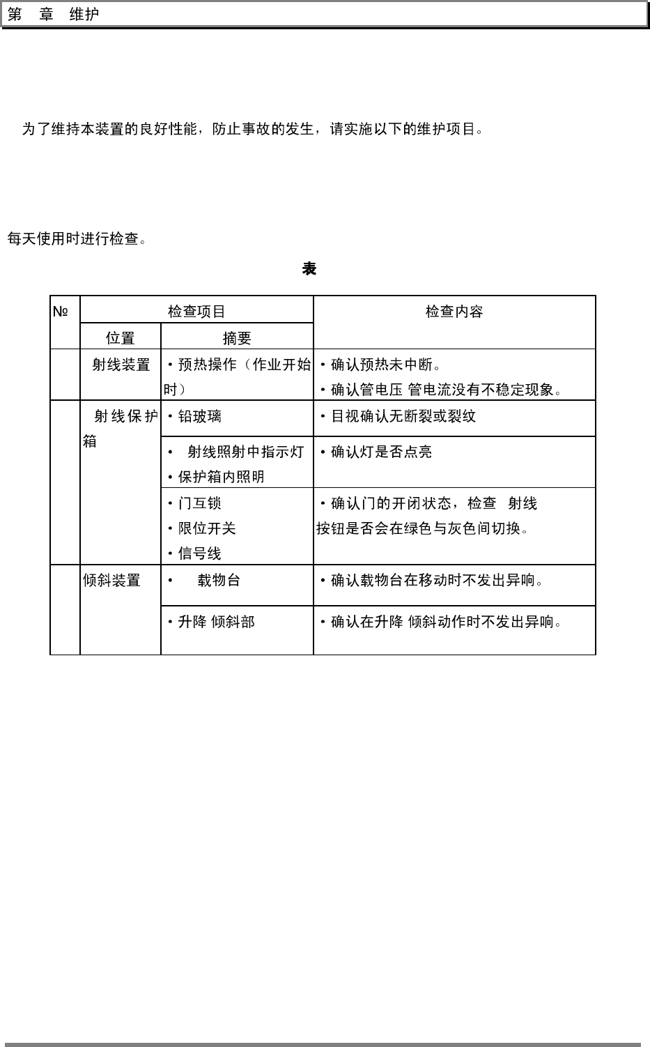
7. 维护
维护维护
维护
7.1. 定期检查
定期检查定期检查
定期检查
7.1.1. 日常检查内容
日常检查内容日常检查内容
日常检查内容
7-1
1
X
/
X
2
X
X ON/OFF
XY 3
/ /