XP243 Level1_V1.0.pdf - 第156页
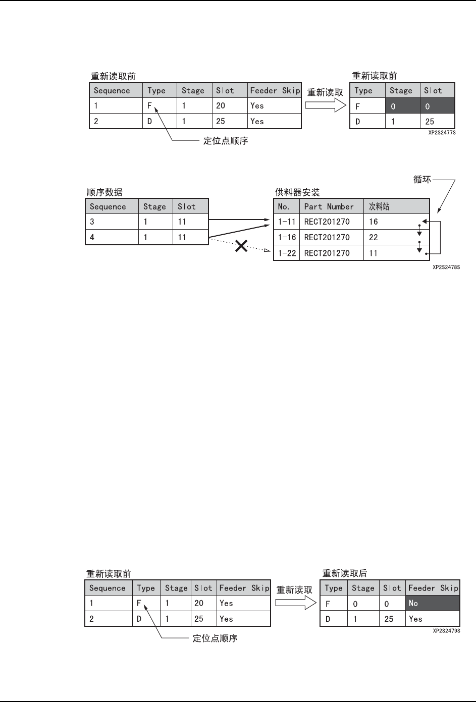
6<6;36 ᪡㋏㒳 ;3((㋏㒳ݠ gկ᭭ᑇৄg᭭キ 1R ᅮԡ⚍乎ᑣⱘկ᭭ᑇৄ g ᭭キ 1R ϡֱᄬ -RE ЁDŽ ᅮԡ⚍᭄ेՓ䆒ᅮկ᭭ᑇৄ g ᭭キ 1Rˈ ֱᄬ -RE Ё䞡ᮄ䇏ܹৢ㹿ߴ䰸DŽ ˄՟˅ 乎ᑣ᭄ⱘ᭭キ 1R ᣛᅮ᭭キᕾ⦃ⱘկ఼᭭ᯊˈ 䇋ϡ㽕ҙҙᣛᅮ᭭キᕾ⦃ݙⱘϔ Ͼ᭭キDŽ ⫼Ϟ䴶ⱘ՟ᄤ䖯㸠䇈ᯢDŽϞ䴶ⱘ՟ᄤЁˈҹ ˄˅ė ˄˅ė …

᪡㋏㒳 6<6;36
;3((㋏㒳ݠ
খ㗗Ϣッষোϔ㟈ⱘ乎ᑣϡᄬѢ )XML)OH[D ⱘ -RE Ёᯊˈᇚᇏᡒࠄⱘ乎ᑣ᭄ߚ䜡ࠄ䖭
ѯᴎ఼ϞˈᇚݙᆍϢᴎ఼Ϟⱘ᭄䖯㸠㕂ᤶDŽ
˄՟˅
⫼Ϟ䴶ⱘ՟ᄤ䖯㸠䇈ᯢDŽ ;3 ᴎ఼Ϟ⫼ッষো Njnjᮄࡴখ㗗 Nj'njⱘ᭄ᑊֱᄬࠄ
)XML)OH[D ⱘ -RE ϞᯊˈッষোЎ Njnjǃখ㗗Ў Nj'njⱘ᭄㹿ᬍݭˈᣛᅮгҢ
;3% বЎ ;3$DŽ
乎ᑣ᭄ⱘখ㗗ҹঞッষো䰸ࡴ乎ᑣ᭄ҹ㤤ϡ㽕বDŽ
বッষোডࠄ -RE ᯊгϢবখ㗗ᯊৠḋDŽ
ˋ

6<6;36 ᪡㋏㒳
;3((㋏㒳ݠ
gկ᭭ᑇৄg᭭キ 1R
ᅮԡ⚍乎ᑣⱘկ᭭ᑇৄg᭭キ 1R ϡֱᄬ -RE ЁDŽᅮԡ⚍᭄ेՓ䆒ᅮկ᭭ᑇৄg᭭キ 1Rˈ
ֱᄬ -RE Ё䞡ᮄ䇏ܹৢ㹿ߴ䰸DŽ
˄՟˅
乎ᑣ᭄ⱘ᭭キ1Rᣛᅮ᭭キᕾ⦃ⱘկ఼᭭ᯊˈ䇋ϡ㽕ҙҙᣛᅮ᭭キᕾ⦃ݙⱘϔϾ᭭キDŽ
⫼Ϟ䴶ⱘ՟ᄤ䖯㸠䇈ᯢDŽϞ䴶ⱘ՟ᄤЁˈҹ ˄˅ė ˄˅ė ˄˅ė ˄˅
ėggg᭭キ䖯㸠ᕾ⦃DŽℸᯊˈ䌈㺙᳝ܗӊ Nj5(&7njⱘ乎ᑣ ˄乎ᑣ 1Rˈ˅䇋
ᖙ乏ᣛᅮЎⳌৠⱘ᭭キো ˄᭭キ 1R˅
ᣛᅮ乎ᑣ 1R ⱘ᭄Ў ǃ乎ᑣ 1R ⱘ᭄Ў ᯊˈֱᄬࠄ -RE Ёᯊߎ⦄᭄Ẕᶹ䫭䇃DŽ
gᅮԡ⚍ৡ
ᅮԡ⚍乎ᑣЁ᳝ᖙ㽕䆒ᅮ Njᅮԡ⚍ৡnjDŽ
ᖙ乏ᇚᄤ⬉䏃ᵓ䏇䖛ᅮԡ⚍乎ᑣⱘ Njᅮԡ⚍ৡnjϢ ˷㓪䕥˹ ˷ᅮԡ⚍˹⬏䴶ⱘᄤ⬉䏃ᵓ
䏇䖛ᅮԡ⚍ⱘ Njᅮԡ⚍ৡnjⳌৠDŽ
gᄤ⬉䏃ᵓ䏇䖛
乎ᑣ᭄ⱘᄤ⬉䏃ᵓোⷕϞ䇋䆒ᅮЎ Njnjҹⱘ᭄ؐDŽᄤ⬉䏃ᵓোⷕЁ䆒ᅮЎ Njnj
ⱘ乎ᑣᰃᣛ⬉䏃ᵓܼԧDŽℸˈᄤ⬉䏃ᵓোⷕЁ䆒ᅮЎ Njnjⱘ乎ᑣ᭄ᯊᇚϡ㛑䆒ᅮЎ
ᄤ⬉䏃ᵓ䏇䖛DŽ
gկ఼᭭䏇䖛
ᅮԡ⚍乎ᑣЁेՓ䆒ᅮկ఼᭭䏇䖛ˈկ᭭ᑇৄg᭭キ 1R ৠḋгϡ㛑ֱᄬ -RE ЁDŽ䖭ѯ
᭄ֱᄬ -RE Ёᑊ䞡ᮄ䇏পᯊˈ᭄㹿ߴ䰸DŽ
˄՟˅
ˋ

᪡㋏㒳 6<6;36
;3((㋏㒳ݠ
g乎ᑣ
;3 ᴎ఼Ϟৃҹᇚ䌈㺙乎ᑣᅮԡ⚍乎ᑣЎϔ㒘䖯㸠ᅮНˈ )XML)OH[D Ϟϡ㛑䕧ܹ㒘
ড়᭄DŽℸˈ㹿䏇䖛ⱘ᭄㚃ᅮ䜡㕂᳔ৢ㹿䇏পDŽ
⫳ѻЁ䗨བᵰᇚᅮԡ⚍乎ᑣ㗙䌈㺙乎ᑣⱘ㒘ড়ҹঞ᳝䏇䖛ⱘ乎ᑣⱘ⫳ѻᑣডࠄ
)XML)OH[D ⱘ -RE Ёˈ䞡ᮄᠻ㸠Ң )XML)OH[D ⱘ -RE Ё䇏পᯊˈ⫳ѻᑣⱘ乎ᑣ㹿বDŽ
᳝ৃ㛑Ӯথ⫳䞡䌈㺙ϡ䌈㺙ˈ䇋⫳ѻЁ䗨ϡ㽕䞡ᮄҢ -RE Ё䇏প⫳ѻᑣDŽ
՟
⫼Ϟ䴶ⱘ՟ᄤ䖯㸠䇈ᯢDŽϔᮺᇚ -RE ֱᄬࠄ )XML)OH[D Ёৢ䞡ᮄ䇏পᯊˈᅮԡ⚍乎ᑣᖙ乏
䜡㕂䌈㺙乎ᑣࠡ䴶DŽℸˈ䏇䖛ⱘ乎ᑣ乎ᑣⱘ᳔ৢDŽৠḋˈ䏇䖛ⱘ䌈㺙乎ᑣ䜡㕂䌈㺙
乎ᑣⱘ᳔ৢDŽ
g乎ᑣⱘߴ䰸
;3 ᴎ఼ϞेՓߴ䰸乎ᑣ᭄гϡ㛑Ң -RE Ёߴ䰸 ˄ҙҙᰃߚ䜡㹿㾷䰸㗠Ꮖ˅DŽˈϔ
ᮺ㹿ߴ䰸ⱘ乎ᑣ᭄ህϡ㛑䞡ᮄ䇏পࠄᴎ఼ϞএDŽབᵰ㽕ᘶϔᮺ㹿ߴ䰸ⱘ᭄ᯊˈ䇋䕧ܹ
ϔ㒘乎ᑣ᭄㗙⫼ )XML)OH[D 䞡ᮄߚ䜡DŽ
⊼ᛣ ϔᮺ ;3 ᴎ఼Ϟߴ䰸ⱘ乎ᑣ᭄⫼ )XML )OH[D 䖯㸠⫳ѻ㒓ᑇ㸵ৢݡ㹿ߚ䜡DŽ㽕Ң
-RE ߴ䰸ᯊˈ䇋⫼ )XML)OH[D 䖯㸠ߴ䰸DŽ
կ఼᭭ᅝ㺙
)XML)OH[D Ϟܗӊৡৃҹ䕧ܹࠄ Ͼᄫヺˈ ;3 ⱘ 9 ҹࠡⱘᴎ఼Ϟা㛑ᇍᑨࠄ
ϾᄫヺDŽབᵰ -RE Ϟ䆒ᅮ ϾᄫヺҹϞⱘܗӊোৢDŽ Ͼᄫヺҹৢ㹿㟡এˈা㛑䆒ᅮ
ϾᄫヺⱘܗӊোৡDŽ )XML)OH[D Ϟ䇋ϡ㽕䆒ᅮ ϾᄫヺҹϞⱘܗӊোৡDŽ9 ҹৢ
ৃҹᇍᑨࠄ ϾᄫヺЎℶDŽ
g6WDWXV)XML)OH[D
)XML )OH[D ⱘկ఼᭭ᅝ㺙ⱘ 6WDWXV ेՓ໘Ѣϡৃ⿏ࡼ ˄)L[HG˅ǃϡৃᨁ䕑 ˄5HVHUYHG˅
;3 )XML)OH[D
᭭キ
1R
㧔᳝ᬜ᭭キো $OW)HHGHU 㧔᳝ᬜ᭭キো
)HHGHU1DPH
≵᳝ᇍᑨ᭄
᭭Ⲭկᑨᮍ
7UD\'LUHFWLRQ
⊼㾷
≵᳝ᇍᑨ᭄
;366E
ৡ⿄ 㣗ೈ᳔ᄫヺ᭄ ৡ⿄ 㣗ೈ᳔ᄫヺ᭄
㧔⽕ℶᄫヺޟ"!
_ޠ㧕
㧔⽕ℶᄫヺޟ̍ޠ㧕
ܗӊো
ᄫヺ
3DUW1XPEHU
ᄫヺ
ޣ㨪9ޤ
ޣ9㨪ޤ
ᄫヺ
ˋ