XP243 Level1_V1.0.pdf - 第278页
6<6;36 ᴎ఼⫳ѻᑣ ;3((㋏㒳ݠ ҹϟ᠔⼎ᣝ䬂ᰃᇍѢԡѢ⬏䴶Ꮊ ջ乚ඳ᠔䗝ᢽⱘ㸠䖯㸠໘⧚˖ 乍Ⳃ䇈ᯢ ᄤ⬉䏃ᵓ 1 R 䆒ᅮᄤ⬉䏃ᵓ 1RDŽ 㸠ⱘᄤ⬉䏃ᵓ 1R ᖙ乏Ў DŽ 㸠ҹৢⱘ 1R ৃ⬅⫼᠋ӏᛣᣛᅮ DŽ ׂℷ䞣 ; 㸠䆒ᅮЎᴀᑣⱘޚⱘ ; തᷛ ⾏ᑣॳ⚍ⱘ䎱⾏ ˈ 㸠ҹৢⱘޚതᷛ ҹ݊⬉䏃ᵓ᠔ⱘതᷛ…

ᴎ఼⫳ѻᑣ 6<6;36
;3((㋏㒳ݠ
ᠽሩ఼
ҹ㽕䖯㸠㓪䕥㗠߯ᓎⱘᑣЎ⸔ˈϔഫ⬉䏃ᵓϞ߯ᓎഫᄤ⬉䏃ᵓ ᳔ ഫ ᯊ
ᠻ㸠ᠽሩ఼ˈᇍ ഫ⬉䏃ᵓⱘᑣ䖯㸠ᠽሩDŽЎ䖭䞠䆒ᅮⱘ᭄ᄬⲬˈ䳔㽕䞡ᮄሩᓔ
ᯊ䇋䞡ᮄ䕧᭄ܹDŽ
ᠽሩᴵӊ
gᴀᑣݙⱘᄤ⬉䏃ᵓ 1R ✻ॳḋҷܹǃϡЎᠽሩⱘᇍ䈵DŽ
gᴀᑣݙⱘᄤ⬉䏃ᵓ 1R াᰃ ⱘᯊփˈህϡ㛑䖯㸠ᠽሩDŽ
gᴀᑣݙⱘᄤ⬉䏃ᵓ 1R ϡЎ ˄䰸এ ˅ˈህϡ㛑䖯㸠ᠽሩDŽ
g 㸠ⱘׂℷ㾦ᑺᖙ乏Ў ᑺDŽབᵰ䆒ᅮЎ ҹᇚ㹿᮴㾚DŽ
gᠽሩ㒧ᵰेՓ䍙䖛⬉䏃ᵓሎᇌгϡᰒ⼎䫭䇃DŽ
ᠽሩ఼⬏䴶ⱘ䜡㕂བϟ᠔⼎DŽ
᪡ᣝ䬂䇈ᯢ
ᇚᴀᑣҢ䆒ᅮⱘᄤ⬉䏃ᵓ᭄ᠽሩࠄᣐᵓᑣDŽ
ᅠ៤ᠽሩৢ䗝ᢽᯊDŽ䇋⹂䅸ᠽሩ㒧ᵰⱘᄬⲬDŽ佪ܜˈ䖯㸠ᠽሩ㒧ᵰᰃ
৺ᄬܹᄬټ఼ⱘ⹂䅸ˈ݊ˈ⹂䅸ᠽሩ㒧ᵰᰃ৺ᄬܹ᭛ӊDŽ
ˋ

6<6;36 ᴎ఼⫳ѻᑣ
;3((㋏㒳ݠ
ҹϟ᠔⼎ᣝ䬂ᰃᇍѢԡѢ⬏䴶Ꮊջ乚ඳ᠔䗝ᢽⱘ㸠䖯㸠໘⧚˖
乍Ⳃ䇈ᯢ
ᄤ⬉䏃ᵓ 1R
䆒ᅮᄤ⬉䏃ᵓ 1RDŽ 㸠ⱘᄤ⬉䏃ᵓ 1R ᖙ乏Ў DŽ 㸠ҹৢⱘ 1R ৃ⬅⫼᠋ӏᛣᣛᅮDŽ
ׂℷ䞣 ;
㸠䆒ᅮЎᴀᑣⱘޚⱘ ; തᷛ ⾏ᑣॳ⚍ⱘ䎱⾏ ˈ 㸠ҹৢⱘޚതᷛ
ҹ݊⬉䏃ᵓ᠔ⱘതᷛ ⾏ 㸠ⱘᑣॳ⚍ⱘ䎱⾏ ᴹᣛᅮDŽ
ׂℷ䞣 <
㸠䆒ᅮЎᴀᑣⱘޚⱘ < തᷛ ⾏ᑣॳ⚍ⱘ䎱⾏ ˈ 㸠ҹৢⱘޚതᷛ
ҹ݊⬉䏃ᵓ᠔ⱘതᷛ ⾏ 㸠ⱘᑣॳ⚍ⱘ䎱⾏ ᴹᣛᅮDŽ
㾦ᑺׂℷ䞣
ᣛᅮЎޚⱘܗӊⱘ㾦ᑺDŽ
ࠊ᠔䗝ᢽ㸠ⱘ᭄ࠄ࠾䌈ᵓϞDŽ
᠔䗝ᢽ㸠Пࠡᦦܹ࠾䌈ᵓϞⱘ᭄DŽ
ߴ䰸᠔䗝ᢽ㸠ᑊᇚ݊ৢ䴶ⱘ㸠㞾ࡼϞ⿏DŽ
䗝ᢽⱘ㸠Пࠡᦦܹ 㸠ᮄᓎ㸠DŽ
㾷䰸᠔᳝ⱘ䗝ᢽDŽ
ᑺ˖ 㓈ᣕᴀᑣⱘ㾦ᑺ
ᑺ˖ ᇍᴀᑣׂℷ ᑺ
ᑺ˖ ᇍᴀᑣׂℷ ᑺ
ᑺ˖ ᇍᴀᑣׂℷ ᑺ
ˋ

ᴎ఼⫳ѻᑣ 6<6;36
;3((㋏㒳ݠ
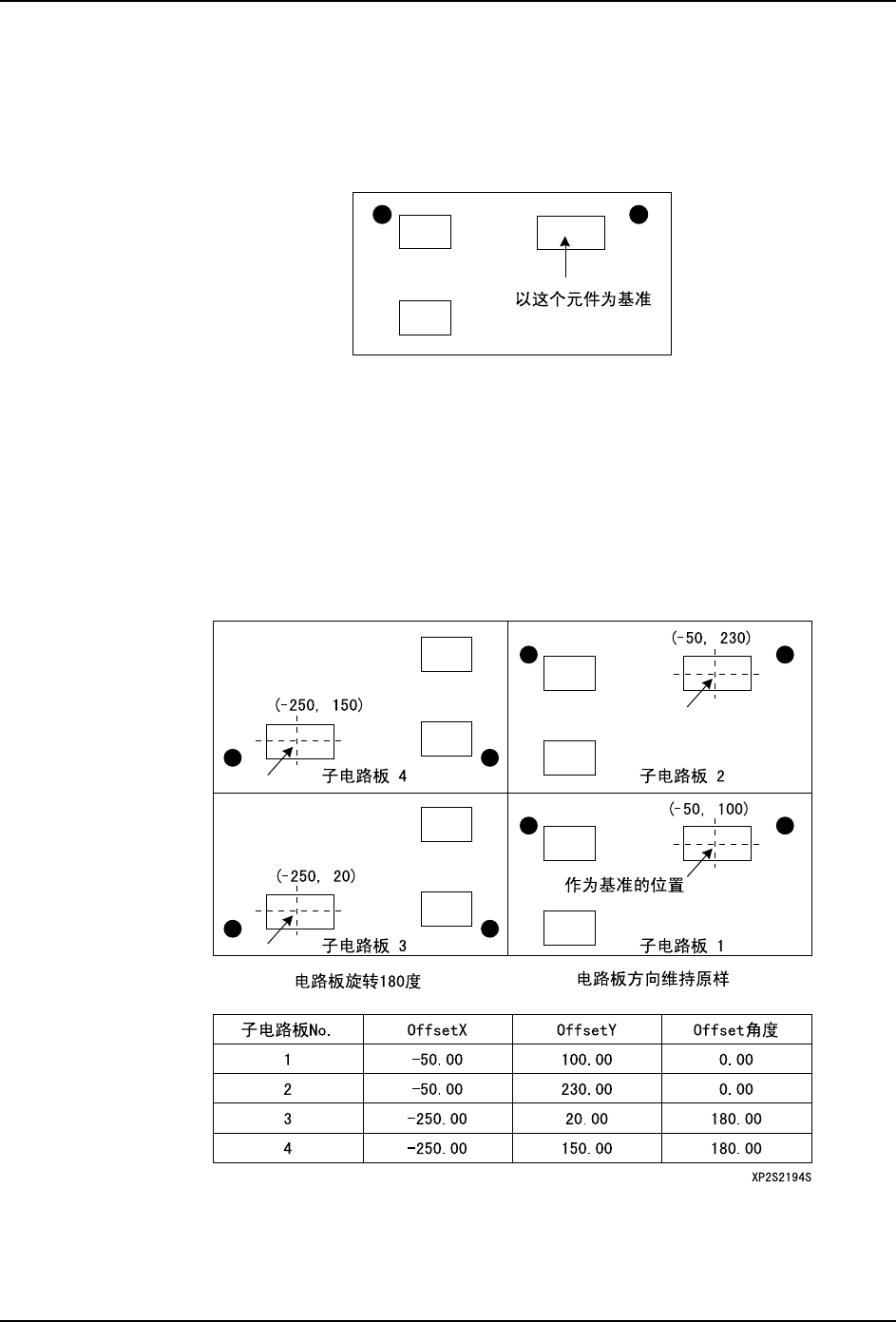
ᠽሩ఼ḋᴀ
ҹϟḋᴀЁˈ⬉䏃ᵓϞᇚᑣᠽሩࠄಯഫᄤ⬉䏃ᵓDŽ
އᅮޚܗӊDŽ㣗՟ЁҹেϞⱘܗӊЎޚDŽ
䆒ᅮЎޚⱘܗӊ໘ѢϾᄤ⬉䏃ᵓⱘҔМԡ㕂DŽǃ⹂ᅮׂℷ㾦ᑺЎᇥDŽ
ᄤ⬉䏃ᵓ ˖ 䕧ܹࠄޚܗӊⱘॳ⚍ⱘ䎱⾏ 2IIVHW;ˈ2IIVHW<DŽ ഫᄤ⬉䏃
ᵓⱘ 2IIVHW 㾦ᑺᖙ乏Ў DŽ
ᄤ⬉䏃ᵓ ˖ 䕧ܹҢॳ⚍ࠄৠϔܗӊⱘ䎱⾏ 2IIVHW;ˈ2IIVHW<DŽ
ᄤ⬉䏃ᵓ ˈ˖ 䕧ܹҢॳ⚍ࠄৠϔܗӊⱘ䎱⾏ 2IIVHW;ˈ2IIVHW<DŽ
ℸˈ⬅Ѣϸഫ⬉䏃ᵓ䛑ᮟ䕀њ ᑺˈ᠔ҹ 2IIVHW 㾦ᑺгᮟ䕀
ᑺDŽ
XP2S2058S
ˋ