TR5SNI_TR5SNJ_TR5SNR_TR5SNX-Rev06.pdf - 第43页
- 40 - NOTE( 注記 ) #01....FOR 5SNI(EN) 5 SNI(EN )用 #02....FOR 5SNR(EN) ,5SNX(E N) 5 SNR(EN ) ,5 SNX(EN)用 REF.NO NOTE PART NO D E S C R I P T I O N 品 名 Qty 1 #02 400-49740 SAFETY RELAY UNIT CABLE ASM セーフティリレイユニッ トケーブル組 1 2…

- 39 -
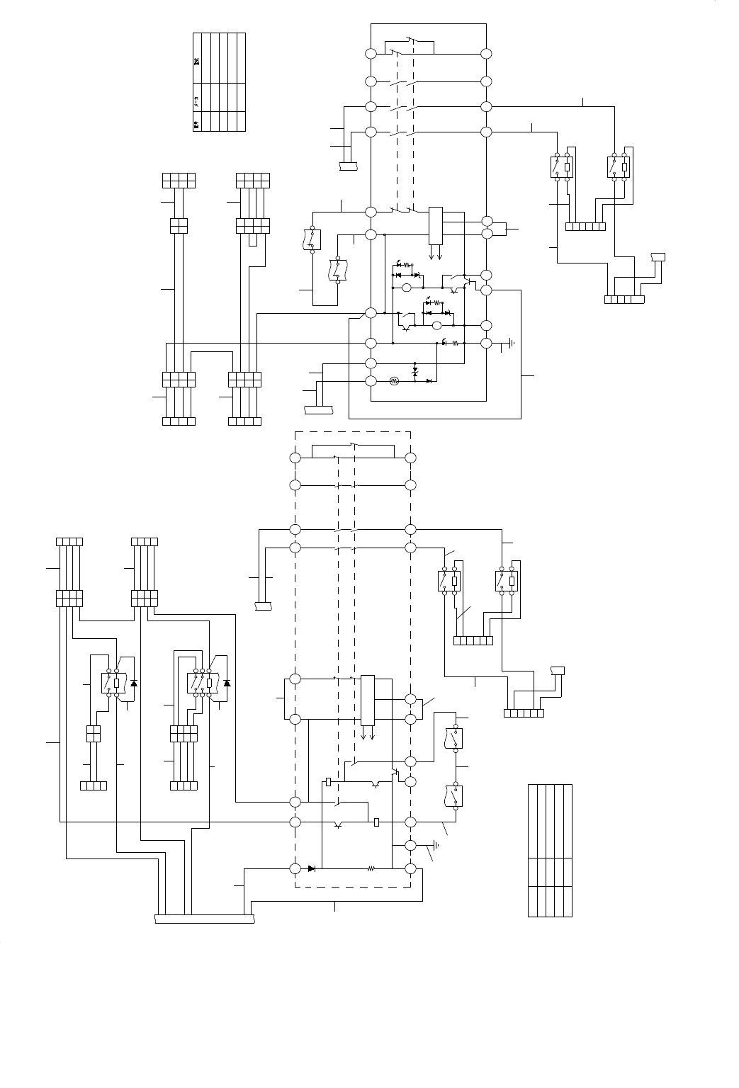
20. WIRING DIAGRAM (8)(FOR EN)
WIRING DIAGRAM(8)(EN 用)
4_5B
(CE)
4_5B
(CE)
4_4B
(CE)
4_4B
(CE)
1_1B
(CE)
CN124CN107-A
CN122
CN072-A
4
3
2
1
MY2 DC24V
MY2 DC24V
G7SA-3A1B DC24V
G7SA-3A1B DC24V
OMRON
OMRON
OMRON
OMRON
RLY16
RLY14
RLY12
RLY10
TYPE
MAKERSIGN
CN067-B
6
5
CN121
CN119
CN107-B
CN072-B
4344
D6
8_2C
2324
RLY10
10
D8
TB2
+
+
8_2C
4344
RLY12
10
1413
8
RLY16
12
1413
8
RLY14
8_2B
RLY10
33 34
8_2A
1_5B
(CE)
CN067-A
TB2
-
-
12
OMRON
G9SA-301
SRLY
41
4234
33
24
23
14
13T32
b
a
BA
Control
Circuit
T31
RLY12
33 34
K1
K2
K2
b
aK1
T23 T22T21PE
T12
A2
T11A1
-
+
-
+
-
+
TB2
1
2
3
4
2
3
1
4
2
3
4
1
1
22
1
1
2
3
4
1
2
3
4
2
4
3
1
2
1
4
33
4
1
2
2
1
4
3
3
4
1
2
4
3
1
2
5
6
1
2
3
4
5
611
12
13
14
15
16
17
19
18
20 21
22
23
24
25
8
7
9
10
128
1
4
1
2
3
4
1
2
3
1
2
4
1
2
3
CN107-A
CN072-A
4
4
4_5B
(CE)
1
2
3
4_5B
(CE)
1
2
3
CN124
CN122
4
1
2
3
1
2
CN121
4
3
1
2
4
3
1
2
CN119
4
3
1
2
4
3
1
2
CN067-B
4
3
RLY16
1413
8
RLY14
1_5B
(CE)
CN067-A
6
2
5
1
12
TB2
+
+
4
3
1
2
CN107-B
4_4B
(CE)
4
3
1
2
CN072-B
4_4B
(CE)
TB2
-
+
22 21
MC2
22 21
MC1
K2
K1
bK2
K2
K1
a
K1
TH
SA
b
a
Control
Circuit
14
BA
T23 T22
T21
PE
A2
13
T32T31T12T11
A1
MY2 DC24V
G9SA-301
OMRONSRLY1
SC-03/G DC24V
SC-03/G DC24V
MY2 DC24V
FUJI
FUJI
OMRON
OMRON
MC2
MC1
RLY16
RLY14
-
1_1B
(CE)
6
5
4
2
3 1413
TB2
SRLY1
423424
413323
-
34
35 37
36 38
28
29
32
33
31
40
39
26
27
30
41
42
43
44

- 40 -
NOTE( 注記 ) #01....FOR 5SNI(EN) 5 SNI(EN)用
#02....FOR 5SNR(EN) ,5SNX(EN) 5 SNR(EN),5 SNX(EN)用
REF.NO NOTE PART NO D E S C R I P T I O N
品 名
Qty
1
#02
400-49740 SAFETY RELAY UNIT CABLE ASM
セーフティリレイユニットケーブル組
1
2
#02
400-49749 RELAY12 I/O CABLE 1 ASM
リレイ12 I/Oケーブル1組
1
3
#02
400-49623 RELAY12 I/O CABLE 2 ASM
リレイ12 I/Oケーブル2組
1
4
#02
400-49622 RELAY12 DRIVE CABLE ASM
リレイ12 ドライブケーブル組
1
5
#02
400-45229 RELAY12 DIODE CABLE ASM
リレイ12 ダイオードケーブル組
1
6
#02
400-49741 DOOR M OPEN SW CABLE ASM
ドアMオープンSWケーブル組
1
7
#02
400-49750 RELAY10 I/O CABLE 1 ASM
リレイ10 I/Oケーブル1組
1
8
#02
400-49744 RELAY10 I/O CABLE 2 ASM
リレイ10 I/Oケーブル2組
1
9
#02
400-45212 RELAY10 DRIVE CABLE ASM
リレイ10 ドライブケーブル組
1
10
#02
400-45211 RELAY10 DIODE CABLE ASM
リレイ10 ダイオードケーブル組
1
11
#02
400-49743 EMERGENCY SW CABLE(REAR,CE) ASM
エマージェンシSWケーブル(リア,CE)組
1
12
#02
400-45218 SRLY POWER CABLE(+) ASM
SRLYパワーケーブル(+)組
1
13
#02
400-45219 SRLY POWER CABLE(-) ASM
SRLYパワーケーブル(−)組
1
14
#02
400-49633 SRLY-FG CABLE ASM
SRLY−FGケーブル組
1
15
#02
400-49635 RELAY12-33 CABLE ASM
リレイ12−33ケーブル組
1
16
#02
400-49639 RELAY12-34 CABLE ASM
リレイ12−34ケーブル組
1
17
#02
400-49641 SRLY-T22 CABLE ASM
SRLY−T22ケーブル組
1
18
#02
400-45226 SRLY-T3 CABLE ASM
SRLY−T3ケーブル組
1
19
#02
400-45225 SRLY-AB CABLE ASM
SRLY−ABケーブル組
1
20
#02
400-49642 SRLY-23 CABLE ASM
SRLY−23ケーブル組
1
21
#02
400-49643 SRLY-13 CABLE ASM
SRLY−13ケーブル組
1
22
#02
400-49747 RELAY14,16 OUTPUT CABLE ASM
リレイ14,16出力ケーブル組
1
23
#02
400-49748 RELAY14,16 DRIVE CABLE ASM
リレイ14,16ドライブケーブル組
1
24
#02
400-49745 SRLY-14 CABLE ASM
SRLY−14ケーブル組
1
25
#02
400-49746 SRLY-24 CABLE ASM
SRLY−24ケーブル組
1
26
#01
400-45220 SRLY-FG CABLE ASM
SRLY−FGケーブル組
1
27
#01
401-13776 SRLY1-T23 CABLE ASM
SRLY1−T23ケーブル組
1
28
#01
401-17274 SRLY POWER CABLE(+) ASM
SRLYパワーケーブル(+)組
1
29
#01
401-17275 SRLY POWER CABLE(-) ASM
SRLYパワーケーブル(−)組
1
30
#01
401-17282 SRLY-AB CABLE ASM
SRLY−ABケーブル組
1
31
#01
401-37842 MC2-21 CABLE ASM
MC2−21ケーブル組
1
32
#01
401-37843 MC1-22 CABLE ASM
MC1−22ケーブル組
1
33
#01
401-37844 SRLY1-T32 CABLE ASM
SRLY1−T32ケーブル組
1
34
#01
401-37846 SAFETY RELAY UNIT CABLE ASM
セーフティリレイユニットケーブル組
1
35
#01
400-49749 RELAY12 I/O CABLE 1 ASM
リレイ12 I/Oケーブル1組
1
36
#01
400-49741 DOOR M OPEN SW CABLE ASM
ドアMオープンSWケーブル組
1
37
#01
400-49750 RELAY10 I/O CABLE 1 ASM
リレイ10 I/Oケーブル1組
1
38
#01
400-49743 EMERGENCY SW CABLE(REAR_CE) ASM
エマージェンシSWケーブル(リア,CE)組
1
39
#01
400-49642 SRLY-23 CABLE ASM
SRLY−23ケーブル組
1
40
#01
400-49643 SRLY-13 CABLE ASM
SRLY−13ケーブル組
1
41
#01
400-49747 RELAY14_16 OUTPUT CABLE ASM
リレイ14,16出力ケーブル組
1
42
#01
400-49748 RELAY14_16 DRIVE CABLE ASM
リレイ14,16ドライブケーブル組
1
43
#01
400-49745 SRLY-14 CABLE ASM
SRLY−14ケーブル組
1
44
#01
400-49746 SRLY-24 CABLE ASM
SRLY−24ケーブル組
1

- 41 -
21. WIRING DIAGRAM (9)
WIRING DIAGRAM(9)
CN154
CN153
GND
ZS_ORG[N]
+5V
SCN10 CN10
6
5
4
3
2
1
6
5
4
3
2
1
1
2
3
1
2
3
DARK:L
STK S POSI SENS.
STK S POSI
GND
OUT
Vcc
ANT M2
4
3
4
3
2
1
2
1
ANT S2
4
3
4
3
2
1
2
1
IS ZS_ORG[N]
IS CG_L_IN[N]
IS DOOR_S_LOCK[N]
IS DOOR_M_LOCK[N]
IS GND
IS +5V
IS ZM_ORG[N]
IS CG_R_IN[N]
IS DOOR_M_LOCK[N]
N.C.
IS GND
IS +5V
SCN152
SCN151
CN152
CN151
ANT S1
GND
IN online
IN position
+5V
4
3
4
3
2
1
2
1
+24V
A_485
+24VRTN
B_485
4
3
2
1
4
3
2
1
IS SCN PCB(replace SCN PCB)
6
5
4
3
2
1
6
5
4
3
2
1
6
5
4
3
2
1
6
5
4
3
2
1
ANT M1
GND
IN online
IN position
+5V
4
3
4
3
2
1
2
1
+24V
A_485
+24VRTN
B_485
4
3
2
1
4
3
2
1
4
3
4
3
2
1
2
1
4
3
4
3
2
1
2
1
50
25
49
24
48
23
47
22
46
21
45
20
44
19
43
18
42
17
41
16
40
15
39
14
38
13
37
12
36
11
35
10
34
9
33
8
32
7
31
6
30
5
29
4
28
3
27
2
26
1
50
49
48
47
46
45
44
43
42
41
40
39
38
37
36
35
34
33
32
31
30
29
28
27
26
25
24
23
22
21
20
19
18
17
16
15
14
13
12
11
10
9
8
7
6
5
4
3
2
1
50
49
48
47
46
45
44
43
42
41
40
39
38
37
36
35
34
33
32
31
30
29
28
27
26
25
24
23
22
21
20
19
18
17
16
15
14
13
12
11
10
9
8
7
6
5
4
3
2
1
50
25
49
24
48
23
47
22
46
21
45
20
44
19
43
18
42
17
41
16
40
15
39
14
38
13
37
12
36
11
35
10
34
9
33
8
32
7
31
6
30
5
29
4
28
3
27
2
26
1
MAIN22
7_3D
B
B
B
B
B
B
B
B
B
B
B
B
B
B
B
B
B
B
B
B
B
B
B
B
B
25
24
23
22
21
20
19
18
17
16
15
14
13
12
11
10
9
8
7
6
5
4
3
2
1
A
A
A
A
A
A
A
A
A
A
A
A
A
A
A
A
A
A
A
A
A
A
A
A
A
Inside of TR5S
25
24
23
22
21
20
19
18
17
16
15
14
13
12
11
10
9
8
7
6
5
4
3
2
1
N.C
N.C
N.C
N.C
N.C
N.C
N.C
N.C
N.C
N.C
I/F +5V
I/F +5V
I/F +5V
I/F +5V
N.C
C_OPEN
MTC_EMG[N]
EMG
POWER_ON[N]
RDY[N]/BSY1
I/F GND
RDY/BSY0[N]
I/F GND
WRITE0[N]
I/F GND
WRITE1[N]
I/F GND
I/F GND
WDATA7
WDATA6
WDATA5
WDATA4
I/F GND
I/F GND
WDATA3
WDATA2
WDATA1
WDATA0
I/F GND
I/F GND
RDATA7
RDATA6
RDATA5
RDATA4
I/F GND
I/F GND
RDATA3
RDATA2
RDATA1
RDATA0
MAIN PCB(8/8)
J04 J010P010 CN22
ALEPH,OJ-657-A14F
SUB STACKER
ANTENNA ARRAY
14MM 20COJISCAN,
MAIN STACKER
ANTENNA ARRAY
14MM 20COJISCAN,
S-I/F
MTC/MTS I/F
S-I/F
20
19
18
17
16
15
14
13
12
11
10
9
8
7
6
5
4
3
2
1
20
19
18
17
16
15
14
13
20
19
18
17
16
15
14
13
12
11
10
9
8
7
6
5
4
3
2
1
12
11
10
9
8
7
6
5
4
3
2
1
CN422
12
11
10
9
8
7
6
5
4
3
2
1
12
11
10
9
8
7
6
5
4
3
2
1
EMG[N]
+24V
CV_OP[N]
+24V
TxD-
TxD+
+24V
RxD-
RxD+
MTC_OPEN[N]
MTC_EMG2[N]
POWER_ON2[N]
CN422
CN154
CN153
4
3
4
3
2
1
2
1
4
3
4
3
2
1
2
1
7_3D
Inside of TR5S
MAIN PCB(8/8)
1
2
3
4
5
6
7
98
10
11