Excellent Modular Component Placer EXCEN Series EXCEN PRO(M)/(D)/(L) Technical Reference.pdf - 第321页
Page +$1:+$ 315 Base - CPU Box, Air Valve, ETC EXCEN PRO(M) EXCEN PRO(D) EXCEN PRO(L) NO. P ART NO. P ART NAME Q'TY Old No. Reference 1 EP02-001 107A HARNESS-MAIN AIR P RESSURE CABLE ASSY 1 EP02-00 0961A Pair parts …

Page
+$1:+$
314
EXCEN PRO(M)
EXCEN PRO(D
)
EXCEN PRO(L)
Base - CPU Box, Air Valve, ETC
KS-31A GTCE 3X1.0sq 4m
KAWASAKI DENSEN
CPUAC
1
W
BN
BU
GNYE
(1.0mm2-3C)
W
1
L11
L31
-A01
CPU BOX
L11
L31
-A02
TRAY_A
4
3
2
1
TRAY_B
4
3
2
1
L21
L31
FG
L11
L31
FG
TO
OPTION 3
TO
OPTION 4
AI 1-6 RD
PHOENIX CONTACT
(0.75mm2-2C)
TO
Main air
valve
L11
L31
P24
IN140
GND
-K321
BASE CONTROL BOARD
TO
Main air
Pressure
SW
-R5001
1R
2R
POWER UNIT
UL2464 2P*24AWG
EP02-000961A
(0.2mm2-2P)
p
-B1100
SMC
ISE30A-C4H-N-M
5
4
3
2
1
DC(+)
O1
N.C
N.C
DC(-)
1
SPHD-001T-P0.5
PAP-05V-S
JST
MAIN-AIR-SW
5
4
3
2
BC-MAIR
3
1
2
JST
PARP-03V
SPA-001T-P0.5
PMS-03V-S
3
2
1
MAIR
CNIOP
6
3
5
2
4
1
+24V
GND
+24V
GND
N,C
FG
6
3
5
2
4
1
PW-CNIOP
JST
YLP-06V SYF-41T-P0.5A
YLS-03V
6
3
5
2
4
1
IO-CN6
MOLEX
5557-06R
5556T
-K322
6
3
5
2
4
1
CN6
+24V
GND
+24V
GND
+24V
GND
(0.75mm2-2P)
EP02-001003A
UL2464-SB 4P*18AWG
I/O 䡝䡝 BOARD
2
1

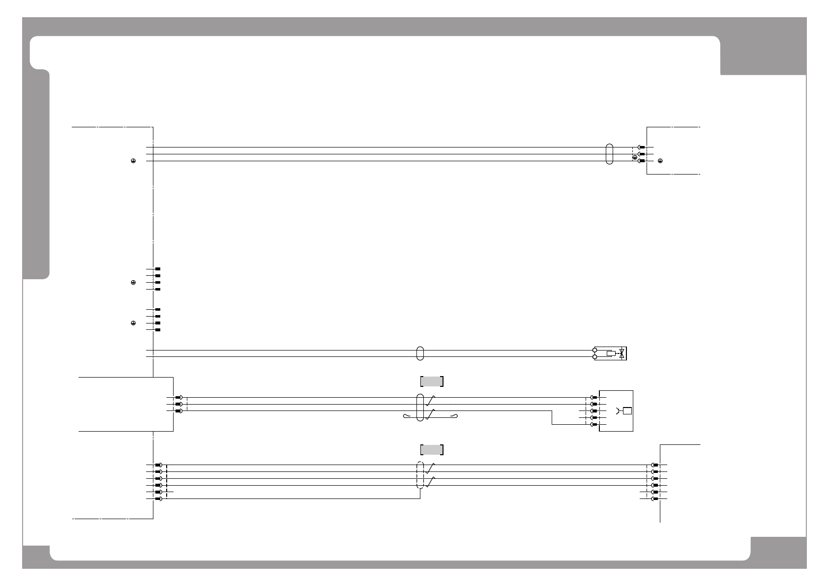
Page
+$1:+$
315
Base - CPU Box, Air Valve, ETC
EXCEN PRO(M)
EXCEN PRO(D)
EXCEN PRO(L)
NO. PART NO. PART NAME Q'TY Old No. Reference
1 EP02-001107A HARNESS-MAIN AIR PRESSURE CABLE ASSY 1 EP02-000961A Pair parts : TE07-900094 + EP02-000961A
Pair parts : AM03-007638A + EP02-001107A
2 EP02-001003A HARNESS-IO BOARD POWER CABLE ASSY 1

Page
+$1:+$
316
EXCEN PRO(M)
EXCEN PRO(D
)
EXCEN PRO(L)
Base - Pump, FAN, ETC
-A02
L11
L21
L31
L21
L31
P24
IN043
GND
-K321
BASE CONTROL BOARD
PUMP
COOLING
FAN
POWER UNIT
M
3~
-G201
ORION
KHF08-VH-01
VACUUM
PUMP
n
SANYO DENNKI
FM
-G102
9GL1224H1JO1
RD
YE
BK
n
SANYO DENNKI
FM
-G103
9GL1224H1JO1
RD
YE
BK
1.5SQ/M4
PUMP-U
PUMP-V
PUMP-W
1.5SQ/M6
PUMP-E
G111
SANYO_DENKI
489-086-L21
KIV 1.5SQ,GRN/YEL
GREEN/YEL
BLACK
SKY-BLUE
BROWN
CCTF 4C*1.5SQ
EP02-001537A
P24
IN040
GND
P24
IN042
GND
UL2464 2P*24AWG
EP02-001311A
(0.2mm2-2P)
UL2464 2P*24AWG
EP02-000962A
(0.2m2-2P)
UL2464 2P*24AWG
EP02-000963B
(0.2mm2-2P)
1䡞䡢
109-642-11
BK
YE
BN
-G111
FM
SANYO_DENNKI
n
Front
Driver
COOLING
FAN
Rear
Driver
COOLING
FAN
RDV-FAN
4
3
2
1
MOLEX
43020-0001
43031-0001
FDV-FAN
4
3
2
1
MOLEX
43020-0400
43031-0001
43030-0001
43025-0400
MOLEX
1
2
3
4
FAN
43030-0001
43025-0400
MOLEX
1
2
3
4
FAN
3
2
1
PUMP-FAN
JST
YLR-03VSYM-01T-P0.5A
YLS-03V
PUMP-FAN
3
1
2
JST
YLP-03V
SYF-01T-P0.5A
YLS-03V
3
2
1
FANA
3
2
1
FANC
3
2
1
FAND
BC-FANA
3
1
2
JST
PARP-03V
SPA-001T-P0.5
PMS-03V-S
BC-FANC
3
1
2
JST
PARP-03V
SPA-001T-P0.5
PMS-03V-S
BC-FAND
3
1
2
JST
PARP-03V
SPA-001T-P0.5
PMS-03V-S
RFD-PWR
6
5
4
3
2
1
MOLEX
43020-0600
43031-0001
FFD-PWR
6
5
4
3
2
1
MOLEX
43020-0600
43031-0001
AM03-009835A
J90834437A
AM03-004805A
PUMP
B3
A3
B2
B1
A2
A1
B3
A3
B2
B1
A2
A1
PW-PUMP
JST
F32FMS-06V-KXX
BF3F-71T-P2.0
1
1
2
3
4
6
6
5