SM471_TRM(Ver5.9_CS16.18).pdf - 第72页
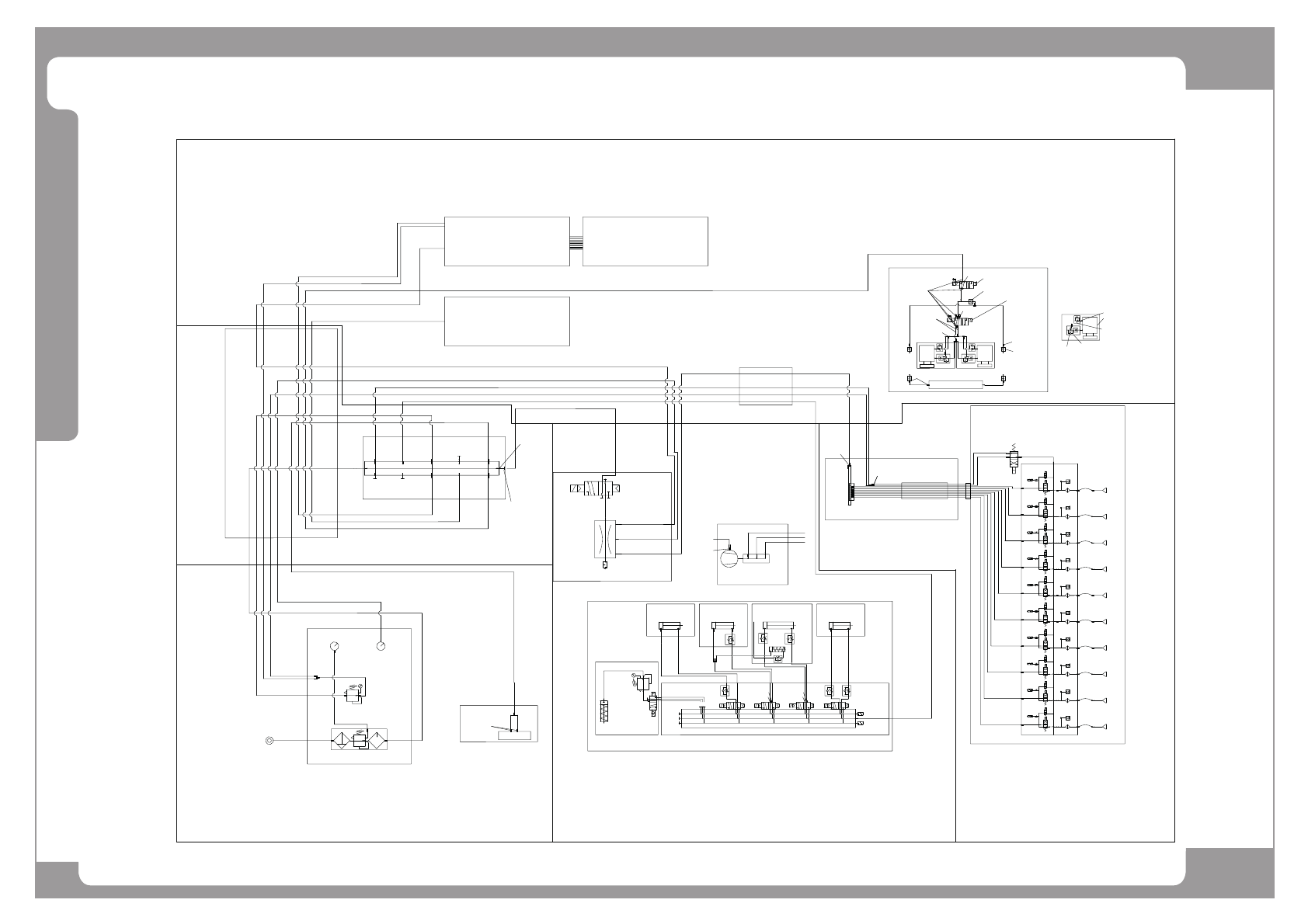
Page HANWHA TECHWIN 68 SM471 Air Ass’y (1/6) C D B A E Front HEAD Air Module REAR CONVEYOR ASSY Rear HEAD Air Module Y CABLE DUCT ASSY HP09-000007 KM1 1-0 8-12-1 0 MAI N MANIFOLD ASS'Y VACUUM GENERA TOR (AIR OPTION)…

Page
HANWHA TECHWIN
67
SM471

Page
HANWHA TECHWIN
68
SM471
Air Ass’y (1/6)
C
D
B
A
E
Front HEAD Air Module
REAR CONVEYOR ASSY
Rear HEAD Air Module
Y CABLE DUCT ASSY
HP09-000007
KM1
1-0
8-12-1
0
MAI
N MANIFOLD ASS'Y
VACUUM GENERATOR (AIR OPTION)
1
3
2
(A)
4
(B)
2
3
(R)
1
(P)
1
3
2
(A)
4
(B)
2
3
(R)
1
(P)
1
3
2
(A)
4
(B)
2
3
(R)
1
(P)
1
3
2
(A)
4
(B)
2
3
(R)
1
(P)
1
3
2
(A)
4
(B)
2
3
(R)
1
(P)
1
3
2
(A)
4
(B)
2
3
(R)
1
(P)
1
3
2
(A)
4
(B)
2
3
(R)
1
(P)
1
3
2
(A)
4
(B)
2
3
(R)
1
(P)
1
3
2
(A)
4
(B)
2
3
(R)
1
(P)
1
3
2
(A)
4
(B)
2
3
(R)
1
(P)
SUPPLY BLOW
∅4
(A)
4
(B)
2
3
(R)
1
(P)
BLOW
∅4
0.1MPa
OVER BLOW
∅4
0.5MPa
VACUUM GENERATOR (AIR OPTION)
FRONT AIR PANEL ASS'Y
Fee
der Base (DC)
4-H
P06-9
0001
8
KQ2
U06
-00
HP03-001008
CQ2B12-30D
HP03-900015
WTS10*30-RS2
HP03-900013
CM2C32-50-XC3BB
HP06-900010
M-5H
LH-4
HP06-900047
SQL04-M5
2-H
P06-9
0005
6
KQ2
L04-0
1
HP06-900263
M-5H
-4
FRONT
FEEDER BASE ASS'Y (STANDARD)
REAR
도 STANDARD
일 때, 동일
구
조
Fee
der
Base
VACUUM PUMP (AIR OPTION)
HP09-000127
KM1
1-0
4-08-
10
Y CABLE DUCT ASSY
RIGHT CABLE DUCT ASS'Y
LEF
T CABLE DUCT ASS'Y
초기
진공도달
압 : -93.3 k
Pa 이
하
교체
기준
: -87 k
Pa
VACUUM PUMP (OPTION)
REAR
DOCKING CART ASS'Y (OPTION)
FRONT도 DC OPTION 일 때, 동일 구조
2-H
P03-9
0001
1
AIR
CYLINDER(SMC)
HP0
3-90
001
1
AIR
CYLINDER(SMC)
HP06-900054
KQ2U04-00
3-H
P06-9
0002
7
KQ2L04-M5
FRONT CONVEYOR ASS'Y
HP1
3-00
0037
A
UML-412
BU1
-YL1-BK10
3.7M
12
1
HP06-900282
KQ2R06-08
HP06-900282
KQ2R06-08
2-H
P06-9
0008
9
KQ2
H04
-06
HP06-900282
KQ2R06-08
FC14-900644
PLUG KQ2P-08
HP06-000226
FITTING
KQ2R10-12
(GENERATOR OPTION
일
경우
KQ2P-10 제거하고
배선할
것)
HEAD 10 HEAD 1HEAD 2HEAD 3HEAD 4HEAD 5HEAD 6HEAD 7HEAD 8HEAD 9
HP1
1-000058
P6010-AK-01-LA52SG
HP06-900204
SQ
L10-02S
HP06
-900043
FITTING
KQ2F04-01
TE07-900096
ANAL
OG GAUGE (VACUUM)
GZ46-K-01-C1
HP09-001019
REGULATOR
ARP20-02BG-CJSZ1406
U2-4-12*8
FC14-900644
PLUG KQ2P-08
4-H
P06-9
0002
7
KQ2
L04-
M5
U2-4-
4*2.5
2-H
P06-9
0030
0
KS-4-M5-SA34698KR
U2-4-
4*2.5
U2-4-
4*2.5
5-H
P06-9
0001
4
KQ2
L06-0
1
U2-4-
4*2.5
2-H
P06-9
0029
9
KD-M5
-SA3469
7KR
2-H
P06-9
0004
7
KQ2
L04-
M5
HP1
4-90
0026
K180
-4E1-2
1-DC
24V
HP1
4-90
0026
K180
-4E1-2
1-DC
24V
HP1
4-90
0092
AKH06
-00
2-H
P09-9
0016
2
AN1
01-0
1
HP0
6-90
0018
KQ2
U06
-00
HP0
6-90
0050
SQU
04-0
6-W
3-F
C14-900724
PT 1/8
HP03-900017
BDAS6X5-1A-ZC153A2
HP1
4-00
0718
SOL
ENOID VALVE ASS'Y
SY312
0-05-
CJQZ
1771
U2-4-4*2.5(BLUE)
U2-4-4*2.5(YELLOW)
U2-
4-4*2.5(BLACK)
HP03-900054
ACP1B16-20T-R6224
2-H
P14-9
0008
5
SS4-M5M-A
미터
아웃
HP06-900027
KQ2L04-M5
HP14-900083
AS120
1F-M5
-04
-X214
미터
아
웃
3-KPT
18
HP06-900282
KQ2R06-08
U2-
4-6*4
U2-
4-8*5
U2-4-
8*5
U2-4-6*4
U2-4-4*2.5
HP06-900050
SQU04-06-W
U2-
4-4*2.5
2-H
P06-9
0002
7
KQ2L04-M5
HP06-900282
KQ2R06-08
FC14-9
00641
PLUG KQ2P-10
'a'
'b'
'a'
U2-4-12*8, BLACK
U2-4-6*4, BLACK
U2-
4-6*4, YELLOW
U2-
4-8*5, BLACK
U2-
4-12*10, BLACK
U2-
4-4*2.5, BLACK
U2-
4-6*4, BLACK
U2-4-6*4, YELLOW
U2-4-8*5, BLACK
U2-4-10*6.5, BLACK
U2-4-8*5, BLACK
U2-4-6*4, BLACK
U2-4-6*4, BLACK
U2-4-4*2.5, BLACK
U2-4-12*8, BLACK
U2-4-6*4, YELLOW
U2-4-6*4, YELLOW
U2-4-6*4, YELLOW
U2-4-6*4, BLACK
U2-4-12*8, BLACK
U2-4-6*4
U2-
4-12*8
U2-
4-4*2.5
U2-4-6*4
U2-4-6*4
U2-
4-6*4
U2-4-6*4
U2-4-8*5
U2-
4-6*4
U2-
4-6*4
U2-
4-6*4
U2-
4-12*8
U2-4-8*5
U2-4-6*4
HP06-000457
QSY12-8
U2-4-8*5, BLACK
'b'
'c'
'c'
ADA
PTER M3/4"-F1/2"
ELB
OW FITTING 12-04S
ADA
PTER M3/4"-F1/2"
ELB
OW
FITTING 12-04S
ELB
OW FITTING 04-01S
FC14-900644
PLUG KQ2P-08
HP06-900195
FITTING
SQU06-00-W
HP1
1-000059
VACUUM PUMP
KHA4
00A-
301-
G1
HP06
-000250
KQ2VT12-03S
HP06
-000234 / KQ2R08-12
HP06
-900046 / KQ2R04-08
FC28-000105
STRAIGHT NIPPLE
M3/8-
ID9.5
J67191083A
HOSE BAND 1" W8
HP13
-000042
N2-4-12x9MW, 320mm
HP04-001016
AIR FILTER
AC30-03D-CJSZ2045
U2-
4-12*8
U2-4-12*8
HP09-000150
DIGITAL GAUGE
SPABT-P10-R18-2N-K1-SA
U2-4-4*2.5
HP06-900255
FITTING
KQ2H04-M5
MGPM63-35
-CJJP1685
ASP330F-01-06S
AS220
1F-01-06S
KQ2
L06-
M5
2-PT
18-EF
SS5Y3-2
0-05
2-AN
10-0
1
KQ2
H08
-01S
4-SY31
20-5
MZ-M5
EB
P
EA
SY300
0-26-
9A
2-AS12
11F-M5-04
미
터 인
KQ2L04-M5A
KQ2W04-M5A
A
B
A
B
KQ2L04-M5A
KQ2W04-M5A
A
B
KQ2W04-M5A
A
B
2-AS12
11F-M5-04
미터
인
U2-4-4*2.5(BLUE)
HP14-900088
AS121
1F-M5-04
미터
인
HP06-900255
KQ2H04-M5
U2-
4-4*2.5(BLUE)
U2-
4-4*2.5(BLACK)
U2-
4-4*2.5(BLUE)
U2-4-4*2.5(BLACK)
A
B
HP14-000725
SOLENOID VALVE
SY312
0-5L
Z-CJQZ1876
HP09-900109
REGULATOR
AR10-M5BG
HP03-900044
CQ2B6-2-CJK2341
10-HP04-900036
FILTER VYF44-M-50M
10-HP06-000074
FITTING KQ2S04-M5N
10-HP06-900059
FITTING M-5ALU-4
HP0
9-00
0129
AIR
MO
DULE (SOL)
VQD
1151W-10-CJQZ0012
HP1
4-00
2040
SOL
ENOID VALVE
VQZ
115R-5LO1-C1-PR
6-J1
3010
70
CONNECT FITTING
QC4-4M
HP14-000978
SOLENOID VALVE
VUV
G_L18_M
52
3-DI
N908-G1/4
2-QSL-E-1/4-10
VUV
G-L18-M52-RT-G14-1H2L
U2-4-
6*4
STOPPER ASSY(WORK)
STOPPER ASSY(IN or OUT)
ANC
ASSY
BUT
ASSY
EDG
E FIXER O
PTION (SPECIAL)

Page
HANWHA TECHWIN
69
SM471