5OM-1343-008_w.pdf - 第134页
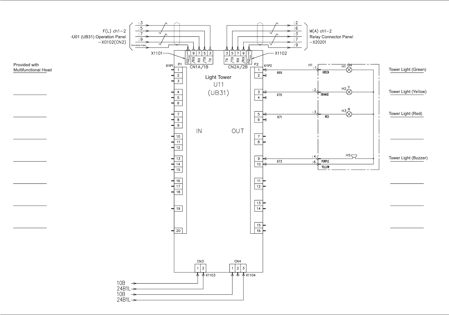
AKFEPED-ID 4-37 0604-003 B(M803WD---2002) UB31 I/O Board (Light T ower) UB31 I/O Board (Light T ower)

AKFEPED-ID
4-360604-003 B(M803WD---2001)
Main Body Cooling Fan Circuit Diagram
Main Body Cooling Fan Circuit Diagram

AKFEPED-ID
4-370604-003 B(M803WD---2002)
UB31 I/O Board (Light Tower)
UB31 I/O Board (Light Tower)

AKFEPED-ID
4-380604-003 F(M803WD---2003)
UA43 Front/Rear I/F Board (L)
UA43 Front/Rear I/F Board (L)