5OM-1343-008_w.pdf - 第171页
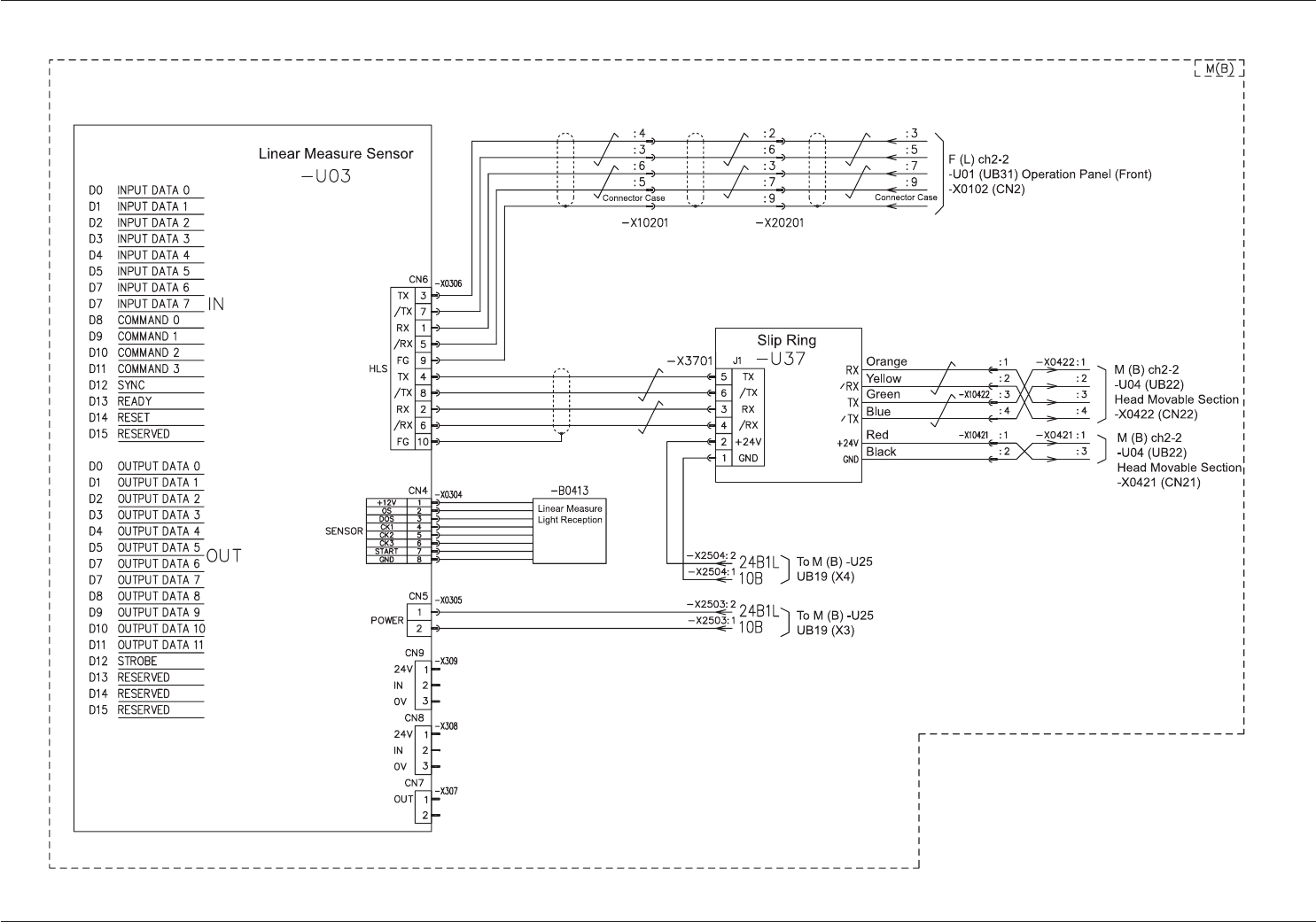
AKFEPED-ID 4-74 0604-003 B(M803WM---2022) Linear Measure Circuit Diagram B Linear Measure Circuit Diagram B

AKFEPED-ID
4-73
Head Motor Circuit Diagram B
Head Motor Circuit Diagram B
0604-003 E(M803WM---2021)

AKFEPED-ID
4-740604-003 B(M803WM---2022)
Linear Measure Circuit Diagram B
Linear Measure Circuit Diagram B

AKFEPED-ID
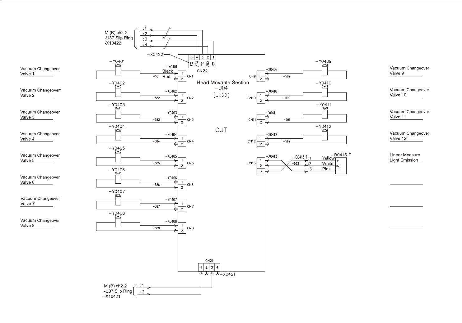
4-750601-002 A(M803WM---2023)
UB22 I/O Board (Head Movable Section) B
UB22 I/O Board (Head Movable Section) B