YG100_cwd_je.pdf - 第36页
Condential & Proprietary H 9 3 3 1 Y G 1 0 0 P AGE 33 Air circuit FES & W -ATS

Condential & Proprietary
H 9 3 3 1
YG100
PAGE
32
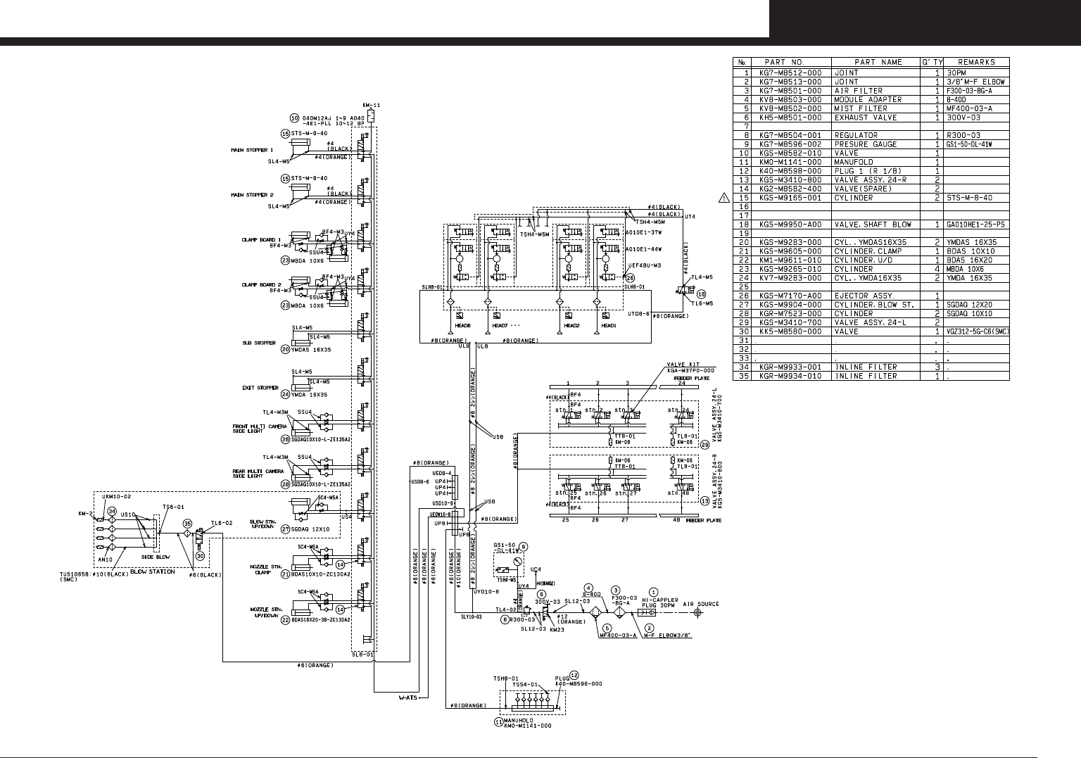
Air circuit (YG100) W-ATS

Condential & Proprietary
H 9 3 3 1
YG100
PAGE
33
Air circuit FES & W-ATS

Condential & Proprietary
PAGE
34
KGS2010
Wiring parts list
No Part No. Part Name Q'ty Remarks
No Part No. Part Name Q'ty Remarks
1
KGA-M55G0-106 LAN CABLE 10M
1
10M
39
KGS-M4899-302 LIGHT 1 ASSY
1
HL11 2100MM
2
KGA-M66X3-021 HNS,RS232C-BCR-F
1
1500MM J876
40
KGS-M4899-402 LIGHT 1 ASSY
1
HL11 2200MM
3
KGA-M66X3-121 HNS,RS232C-BCR-R
1
2700MM J877
41
KGS-M4899-502 LIGHT 1 ASSY
1
HL11 2300MM
4
KGA-M55G0-406 LAN CABLE 30M
1
30M
42
KGS-M4896-011 ERROR LIGHT ASSY
2
HL12,HL13
5
KGA-M55G0-006 LAN CABLE 5M
1
5M
43
KGS-M4897-011 LIGHT,ERROR
1
HL12,HL13
6
KW3-M5150-501 KEYBOARD J
2
A10(F),A11(R)
44
KGS-M3702-300 FES24 CLAMP UNIT IND
1
IND(L/R)
7
KW3-M5150-601 KEYBOARD E
2
A10(F),A11(R)
45
KGS-M5184-302 SEAL,ITEM NO.
1
ITEM SEAL
8
KW3-M5169-043 MOUSE
2
A12(F),A13(R)
46
KGS-M661A-030 HNS,QF-TM11
1
J001
9
KGK-M530H-001 USB FDD
1
A14
47
KJ3-M661A-001 HNS,AC IN 1
1
J001
10
KGA-M55B2-020 BCR,SYMBOL TYPE 5M
1
A43/A44
48
KGS-M661E-000 HNS,TM11-QF31
1
J002
11
KHV-M445E-000 CAP1,2200UF 100V
1
C01
49
K85-M661B-001 HNS,AC IN 2
1
J002
12
K46-M641U-000 PARTS 1-13
7
CHARGE MARK COVER
50
KGS-M661F-002 HNS,QF31-NF11
1
J003
13
KGS-M655E-000 SENSOR
1
CKD TOH/V
51
K85-M661C-010 HNS,AC IN 3
1
J003
14
KGA-M660E-200 HNS,CLI2
1
CLI 2 PLATE
52
KGS-M661G-002 HNS,NF11-KM10
1
J004
15
KGA-M660E-300 HNS,CLI3
1
CLI 3 PLATE
53
K85-M662A-010 HNS,POWER DC24V
1
J004
16
KGA-M660E-400 HNS,CLI4
1
CLI 4 PLATE
54
KGS-M661H-000 HNS,C/R POWER
1
J005
17
KGS-M3D02-100 FES24 CLAMP UNIT CLI
1
CLI(L/R)
55
K85-M661D-010 HNS,XT11 12-KA1
1
J005
18
KGA-M6522-202 SPARE RELAY
1
CONV. I/O BOARD KA1,3,4,6
56
KHV-M664A-000 HNS,GS31-C01
1
J0059
19
KGA-M6522-020 SPARE RELAY SET
1
CONV. I/O BOARD KA8,9
57
KGS-M661J-002 HNS,TM11-QF32
1
J006
20
KV7-M6561-010 POWER SUPPLY1
1
DC24V 300W
58
K85-M661E-000 HNS,KA1-KA2
1
J006
21
KGN-M5810-407 DRIVER BOARD ASSY
1
DYTF
59
KGS-M661K-002 HNS,QF32 XT31-GS31
1
J007
22
KGS-M5541-000 BARCODE LABEL, PP
1
D-YTF
60
K85-M662B-000 HNS,EMG2A
1
J007
23
KK1-M6563-200 FERRITE CORE
1
E5 FDD
61
K85-M662C-001 HNS,START
1
J008
24
KGS-M13L0-000 COVER LIGHT ASSY
1
EL1
62
K85-M661F-001 HNS,MOTOR
1
J009
25
KH1-M6185-002 FAN MOTOR ASSY
2
FAN1,FAN2
63
K85-M662D-000 HNS,EMG
1
J010
26
KJ0-M4187-000 FAN GUARD
4
FAN1,FAN2
64
KHN-M661M-401 HNS,TAP CHANGE 1
10
J010/J019
27
KGA-M6185-101 FAN MOTOR ASSY
2
FAN3,FAN4
65
K85-M663A-010 HNS,GND EARTH
1
J011
28
KGS-M6186-030 FAN MOTOR ASSY
1
FAN5,HEAD/FAN ASSY
66
KHN-M661M-501 HNS,TAP CHANGE 2
1
J020
29
KGS-M4542-300 FES E/L ASSY(NORM)
1
FES20/EMG
67
KGS-M662A-010 HNS,TC11-QF21 XT21
1
J021
30
KGS-M3701-500 SPLICING CARRIAGE
1
FES24
68
K85-M661G-000 HNS,EXT. L2 N2
1
J021
31
KJ3-M6561-A00 POWER SUPPLY ASSY
1
GS11
69
K85-M662G-000 HNS,EXT. +24V
1
J022
32
KJ3-M6561-310 POWER SUPPLY DC24V
1
GS11
70
KGS-M662E-001 HNS,QF21 XT21-GS21
1
J023
33
KV7-M6561-C00 POWER SUPPLY ASSY
1
GS21; DC24V,300W
71
KGS-M662F-011 HNS,TM11-TC11
1
J027
34
KGS-M6561-000 POWER SUPPLY 1
1
GS31; DC48V,600W
72
KGA-M662H-032 HNS,EXT.POWER
1
J028
35
K85-M662E-000 HNS,LAMP DC24V
1
HL01
73
KGS-M663A-000 HNS,I/F-DC24V
1
J041
36
KGS-M4899-002 LIGHT 1 ASSY
1
HL11 1850MM
74
KGS-M663E-001 HNS,I/O POWER
1
J042
37
KGS-M4899-102 LIGHT 1 ASSY
1
HL11 1900MM
75
KGS-M663F-010 HNS,Y-FLEX HEAD PWR
1
J043
38
KGS-M4899-202 LIGHT 1 ASSY
1
HL11 2000MM
76
KGS-M663G-030 HNS,X-FLEX HEAD PWR
1
J044