YG100_cwd_je.pdf - 第37页
Condential & Proprietary P AGE 34 K GS2010 W iring parts list No Part No. Part Name Q'ty Remarks No Part No. Part Name Q'ty Remarks 1 KGA-M55G0-106 LAN CABLE 10M 1 10M 39 KGS-M4899-302 LIGHT 1 ASSY 1 HL1 1…

Condential & Proprietary
H 9 3 3 1
YG100
PAGE
33
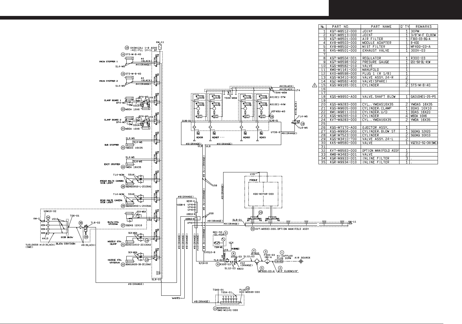
Air circuit FES & W-ATS

Condential & Proprietary
PAGE
34
KGS2010
Wiring parts list
No Part No. Part Name Q'ty Remarks
No Part No. Part Name Q'ty Remarks
1
KGA-M55G0-106 LAN CABLE 10M
1
10M
39
KGS-M4899-302 LIGHT 1 ASSY
1
HL11 2100MM
2
KGA-M66X3-021 HNS,RS232C-BCR-F
1
1500MM J876
40
KGS-M4899-402 LIGHT 1 ASSY
1
HL11 2200MM
3
KGA-M66X3-121 HNS,RS232C-BCR-R
1
2700MM J877
41
KGS-M4899-502 LIGHT 1 ASSY
1
HL11 2300MM
4
KGA-M55G0-406 LAN CABLE 30M
1
30M
42
KGS-M4896-011 ERROR LIGHT ASSY
2
HL12,HL13
5
KGA-M55G0-006 LAN CABLE 5M
1
5M
43
KGS-M4897-011 LIGHT,ERROR
1
HL12,HL13
6
KW3-M5150-501 KEYBOARD J
2
A10(F),A11(R)
44
KGS-M3702-300 FES24 CLAMP UNIT IND
1
IND(L/R)
7
KW3-M5150-601 KEYBOARD E
2
A10(F),A11(R)
45
KGS-M5184-302 SEAL,ITEM NO.
1
ITEM SEAL
8
KW3-M5169-043 MOUSE
2
A12(F),A13(R)
46
KGS-M661A-030 HNS,QF-TM11
1
J001
9
KGK-M530H-001 USB FDD
1
A14
47
KJ3-M661A-001 HNS,AC IN 1
1
J001
10
KGA-M55B2-020 BCR,SYMBOL TYPE 5M
1
A43/A44
48
KGS-M661E-000 HNS,TM11-QF31
1
J002
11
KHV-M445E-000 CAP1,2200UF 100V
1
C01
49
K85-M661B-001 HNS,AC IN 2
1
J002
12
K46-M641U-000 PARTS 1-13
7
CHARGE MARK COVER
50
KGS-M661F-002 HNS,QF31-NF11
1
J003
13
KGS-M655E-000 SENSOR
1
CKD TOH/V
51
K85-M661C-010 HNS,AC IN 3
1
J003
14
KGA-M660E-200 HNS,CLI2
1
CLI 2 PLATE
52
KGS-M661G-002 HNS,NF11-KM10
1
J004
15
KGA-M660E-300 HNS,CLI3
1
CLI 3 PLATE
53
K85-M662A-010 HNS,POWER DC24V
1
J004
16
KGA-M660E-400 HNS,CLI4
1
CLI 4 PLATE
54
KGS-M661H-000 HNS,C/R POWER
1
J005
17
KGS-M3D02-100 FES24 CLAMP UNIT CLI
1
CLI(L/R)
55
K85-M661D-010 HNS,XT11 12-KA1
1
J005
18
KGA-M6522-202 SPARE RELAY
1
CONV. I/O BOARD KA1,3,4,6
56
KHV-M664A-000 HNS,GS31-C01
1
J0059
19
KGA-M6522-020 SPARE RELAY SET
1
CONV. I/O BOARD KA8,9
57
KGS-M661J-002 HNS,TM11-QF32
1
J006
20
KV7-M6561-010 POWER SUPPLY1
1
DC24V 300W
58
K85-M661E-000 HNS,KA1-KA2
1
J006
21
KGN-M5810-407 DRIVER BOARD ASSY
1
DYTF
59
KGS-M661K-002 HNS,QF32 XT31-GS31
1
J007
22
KGS-M5541-000 BARCODE LABEL, PP
1
D-YTF
60
K85-M662B-000 HNS,EMG2A
1
J007
23
KK1-M6563-200 FERRITE CORE
1
E5 FDD
61
K85-M662C-001 HNS,START
1
J008
24
KGS-M13L0-000 COVER LIGHT ASSY
1
EL1
62
K85-M661F-001 HNS,MOTOR
1
J009
25
KH1-M6185-002 FAN MOTOR ASSY
2
FAN1,FAN2
63
K85-M662D-000 HNS,EMG
1
J010
26
KJ0-M4187-000 FAN GUARD
4
FAN1,FAN2
64
KHN-M661M-401 HNS,TAP CHANGE 1
10
J010/J019
27
KGA-M6185-101 FAN MOTOR ASSY
2
FAN3,FAN4
65
K85-M663A-010 HNS,GND EARTH
1
J011
28
KGS-M6186-030 FAN MOTOR ASSY
1
FAN5,HEAD/FAN ASSY
66
KHN-M661M-501 HNS,TAP CHANGE 2
1
J020
29
KGS-M4542-300 FES E/L ASSY(NORM)
1
FES20/EMG
67
KGS-M662A-010 HNS,TC11-QF21 XT21
1
J021
30
KGS-M3701-500 SPLICING CARRIAGE
1
FES24
68
K85-M661G-000 HNS,EXT. L2 N2
1
J021
31
KJ3-M6561-A00 POWER SUPPLY ASSY
1
GS11
69
K85-M662G-000 HNS,EXT. +24V
1
J022
32
KJ3-M6561-310 POWER SUPPLY DC24V
1
GS11
70
KGS-M662E-001 HNS,QF21 XT21-GS21
1
J023
33
KV7-M6561-C00 POWER SUPPLY ASSY
1
GS21; DC24V,300W
71
KGS-M662F-011 HNS,TM11-TC11
1
J027
34
KGS-M6561-000 POWER SUPPLY 1
1
GS31; DC48V,600W
72
KGA-M662H-032 HNS,EXT.POWER
1
J028
35
K85-M662E-000 HNS,LAMP DC24V
1
HL01
73
KGS-M663A-000 HNS,I/F-DC24V
1
J041
36
KGS-M4899-002 LIGHT 1 ASSY
1
HL11 1850MM
74
KGS-M663E-001 HNS,I/O POWER
1
J042
37
KGS-M4899-102 LIGHT 1 ASSY
1
HL11 1900MM
75
KGS-M663F-010 HNS,Y-FLEX HEAD PWR
1
J043
38
KGS-M4899-202 LIGHT 1 ASSY
1
HL11 2000MM
76
KGS-M663G-030 HNS,X-FLEX HEAD PWR
1
J044

Condential & Proprietary
PAGE
35
KGS2010
Wiring parts list
No Part No. Part Name Q'ty Remarks No Part No. Part Name Q'ty Remarks
77
KGS-M663H-001 HNS,CONV.PWR 1
1
J045
115
KGS-M66R2-000 HNS,COVER LIGHT
1
J0852/J884
78
KGS-M663J-000 HNS,CONV.PWR 2
1
J046
116
KGR-M66T8-003 HNS,FDR SPRING
1
J0854/J0866
79
KGS-M663K-001 HNS,CONV.PWR 3
1
J047
117
KGR-M66W9-000 HNS,FDR 24V
1
J0855/J0867
80
KGS-M663L-001 HNS,FAN PWR
1
J048
118
KGS-M66U6-001 HNS,STICK FEEDER
1
J0856/J0885
81
KGS-M663M-001 HNS,LED DRIVER PWR
1
J049
119
KGA-M66X3-021 HNS,RS232C-BCR-F
1
J0876/J0892
82
KGA-M66F2-002 C.CABLE ASSY:L6M
1
J0501
120
KGA-M66X3-121 HNS,RS232C-BCR-R
1
J0877/J0893
83
KGA-M66F4-100 C.CABLE ASSY:L1.7M
1
J0502
121
90K30-2PP015 HNS,EARTH
1
J088/J099
84
KGS-M663R-101 HNS,CN46 +24V
1
J051
122
KGS-M66R1-010 HNS,LIGHT POWER
1
J0883/J0851
85
KGS-M664A-010 HNS,GS31-KM XT31
1
J052
123
KKS-M66U6-000 HNS,STICK FEEDER
1
J0885
86
KGS-M664E-030 HNS,KM-ZM DB
1
J053
124
KJV-M66U6-000 HNS,STICK FEEDER
1
J0885
87
KGS-M664G-000 HNS,KM11A-RESISTOR
1
J054
125
KM0-M536A-010 HNS,PE 70
2
J089,J090
88
KGS-M664F-010 HNS,KM +48V
1
J055
126
KGS-M66W0-001 HNS,INDI.BANK1,4
1
J0901/J0904
89
KGS-M665A-011 HNS,BRAKE
1
J061
127
KGS-M66W1-001 HNS,INDI.BANK2,3
1
J0902/J0903
90
KGT-M665A-000 HNS,CONV. DRIVER
2
J062,J063
128
KGS-M66W4-001 HNS,PWR INDI.
1
J0905
91
KGS-M665E-002 HNS,CONV. MOTOR
2
J064,J065
129
KGS-M66W2-001 HNS,CUNET_INDI.
1
J0906
92
90K30-2KL070 HNS,EARTH
1
J071
130
KGS-M66W5-000 HNS,CUNET_IF-INDI.
1
J0907
93
90K30-5PP160 HNS,EARTH
4
J072/J074,J079
131
KGS-M66W3-000 HNS,CUNET_SHORT
1
J0908
94
90K30-2PP150 HNS,EARTH
3
J075/J077
132
90K30-2RR030 HNS,EARTH
1
J091
95
KV8-M66T2-004 HNS,I/O FEEDER
1
J0755/J0756/J0757/J0758
133
90K30-2RR015 HNS,EARTH
1
J092
96
KV8-M66T2-004 HNS,I/O FEEDER
1
J0755/J0757
134
90K30-2PR080 HNS,EARTH
1
J093
97
KV8-M66T2-004 HNS,I/O FEEDER
1
J0756/J0758
135
90K30-2PP080 HNS,EARTH
2
J094,J095
98
KGS-M66R3-001 HNS,F FES NONSTOP
1
J0771
136
KGS-M668A-001 HNS,I/O A
1
J101
99
KGS-M66R5-002 HNS,F FES NORMAL
1
J0771
137
KGS-M668E-000 HNS,I/O B
1
J102
100
KGS-M66R5-102 HNS,R FES NORMAL
1
J0772
138
KGS-M668F-000 HNS,CN16 I/O
1
J103
101
90K30-2PP100 HNS,EARTH
1
J078
139
KGS-M668G-003 HNS,Y-FLEX I/O A
1
J104
102
90K30-2PP060 HNS,EARTH
1
J080
140
KGS-M668H-010 HNS,X-FLEX I/O A
1
J105
103
90K30-4PP090 HNS,EARTH
1
J081
141
KG2-M669R-113 HNS,BUZZER
1
J109
104
90K30-2PP015 HNS,EARTH
8
J082-J088,J096
142
KGK-M6680-101 HNS,USB-FDD 3M ASSY
1
J110
105
KG2-M536A-220 HNS,PE 150
7
J082-J088,J096
143
KGK-M6680-201 HNS,USB-MEMORY 2M AS
2
J111,J112
106
KGR-M66TB-002 HNS,COM1
1
J0830/J0840
144
KGS-M66A1-001 HNS,SRVA
1
J121
107
KGR-M66TB-201 HNS,COM3
3
J0832,J0833,J0834/J0833,J0834,J0835
145
KGS-M66A2-002 HNS,Y-FLEX SRVA
1
J122
108
KGR-M66TB-201 HNS,COM3
1
J0833/J0834
146
KGS-M66A3-010 HNS,I/O HEAD SRVA
1
J123
109
KGR-M66T9-001 HNS,SET POS1
1
J0835/J0838
147
KGS-M66A4-003 HNS,PI1
1
J124
110
KGR-M66T9-101 HNS,SET POS2
1
J0836
148
KGS-M66A5-000 HNS,PI2
1
J125
111
KGR-M66T9-201 HNS,SET POS3
1
J0837
149
KGS-M66A6-001 HNS,BASE X1P
1
J126
112
KGR-M66X9-001 HNS,TERMINATION
1
J0839
150
KGS-M66A7-000 HNS,Y-FLEX X1P
1
J127
113
KGR-M66T8-003 HNS,FDR SPRING
1
J0848/J0854/J0860/J0866
151
KGS-M66A8-001 HNS,BASE W1P
1
J128
114
KGR-M66W9-000 HNS,FDR 24V
1
J0849/J0855/J0861/J0867
152
KGS-M66A9-001 HNS,BASE PU1P
1
J129