P-199-001e.pdf - 第149页
MODEL TCM-3700-2 0109-001 147 Key N o. P AR T No . P AR T NAME Q’ t y REMA RKS NOTE 6-8 1 630 065 2512 P L A TE 1 739J--01B-1 14 2 630 054 8938 SPR IN G,TORSION 1 739J--01B-1 16 3 630 054 8914 P L A TE 1 739J--01B-1 18 4…

MODEL TCM-3700-2
0109-001
146
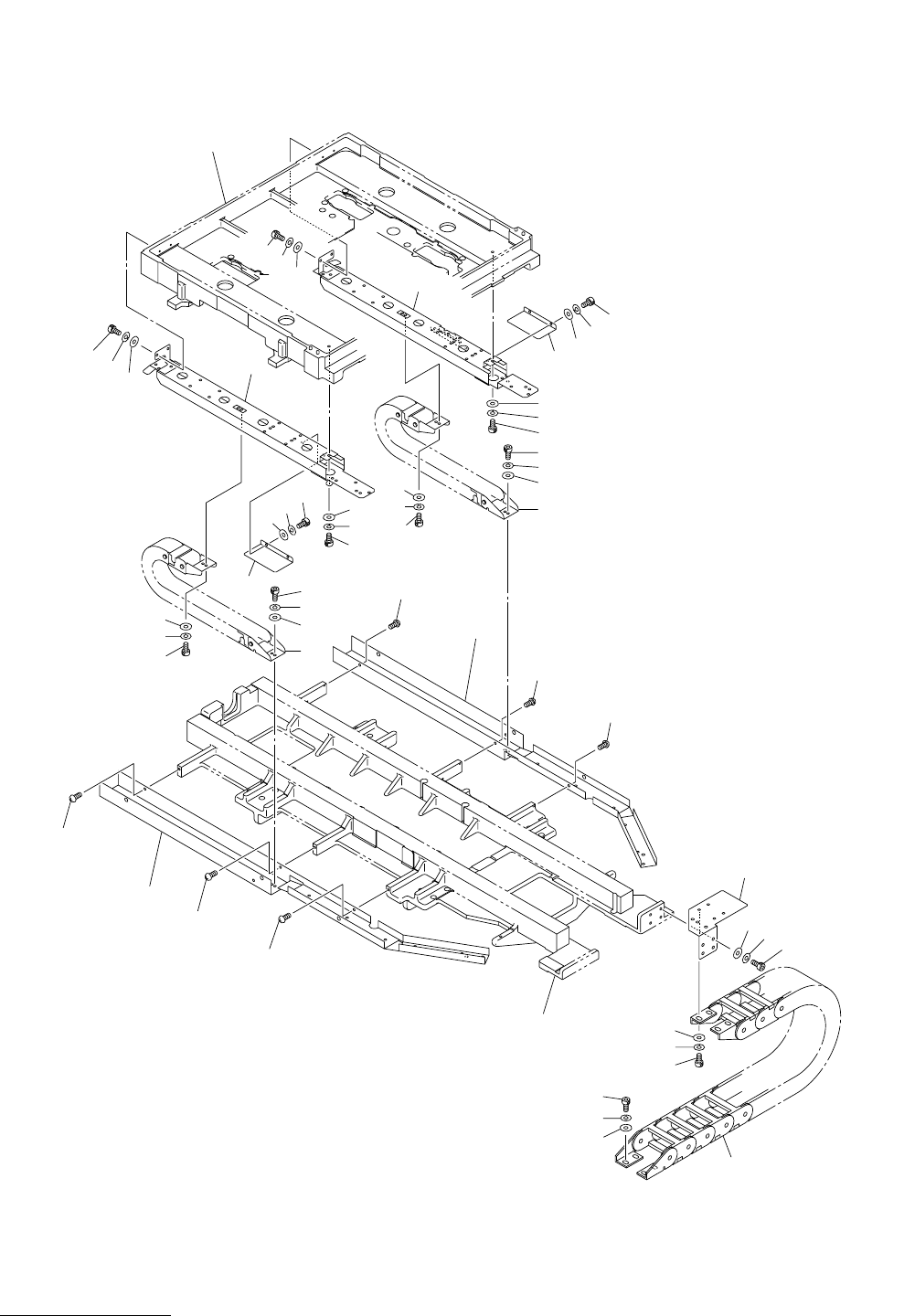
㨄㨅࠹ࡉ࡞ㇱ XY TABLE SECTION
Fig. 6-8 ၮ᧼ᬌࡃ P.C.B. Detector Lever
3
2
1
125
6
7
8
9
10
21
22
23
24
32
31
30
25
26
27
28
29
5
11
12
4
See Fig.6-5
Key No.41
See Fig.6-10
Key No.113
See Fig.6-5
Key No.21
See Fig.6-10
Key No.113
See Fig.6-5
Key No.1
TCM-3700-2
TCM-3700
Fig.6-8

MODEL TCM-3700-2
0109-001
147
Key No. PART No. PART NAME Q’ty REMARKS
NOTE
6-8
1 630 065 2512 PLATE 1 739J--01B-114
2 630 054 8938 SPRING,TORSION 1 739J--01B-116
3 630 054 8914 PLATE 1 739J--01B-118
4 630 000 8883 SET SCREW 1 M3X4 SET
5 630 054 4343 PLATE 1 739J--01B-120
6 630 004 1798 SENSOR,PHOTO 1 PHS56 739J--01H-073
6 -1 630 000 0269 SENSOR,PHOTO(CONNECTOR) 1 739J--01H-075
7 411 088 9005 WASHER F 3X6X0.5 2 FWS3 F
8 411 086 4408 WASHER SPR 3 2 SW3 F
9 411 040 6202 SCR PAN 3X10 2 M3X10 PAN
10 411 141 3902 WASHER V 3X7X0.5 2 FW3
11 411 141 2806 WASHER SPR 3 2 SW3
12 630 000 7510 BOLT,HEX-SCT 2 M3X8
21 630 065 2505 PLATE 1 739J--01B-113
22 630 054 4329 SPRING,TORSION 1 739J--01B-115
23 630 054 4312 PLATE 1 739J--01B-117
24 630 000 8883 SET SCREW 1 M3X4 SET
25 630 063 1425 PLATE 1 739J--01B-119
26 630 004 1798 SENSOR,PHOTO 1 PHS55 739J--01H-073
26 -1 630 000 0269 SENSOR,PHOTO(CONNECTOR) 1 739J--01H-075
27 411 088 9005 WASHER F 3X6X0.5 2 FWS3 F
28 411 086 4408 WASHER SPR 3 2 SW3 F
29 411 040 6202 SCR PAN 3X10 2 M3X10 PAN
30 411 141 3902 WASHER V 3X7X0.5 2 FW3
31 411 141 2806 WASHER SPR 3 2 SW3
32 630 000 7527 BOLT,HEX-SCT 2 M3X10
125 630 076 1948 ASSY,CORD (C35-PHS56-SP) 1

MODEL TCM-3700-2
0109-001
148
9
8
7
3-1
4
5
6
13
31
32
33
34
12
11
10
11
12
13
32
33
34
31
4
8
7
9
3
5
6
11
12
13
2
1
2
2
13
12
11
10
2
2
2
21
22
23
24
27
26
28
28
25
27
26
1-1
See Fig.6-3
Key No.1
See Fig.6-2
Key No.1
TCM-3700-2
Fig.6-9
㨄㨅࠹ࡉ࡞ㇱ XY TABLE SECTION
Fig. 6-9 ㈩✢ᡰᜬㇱ Wiring Support