KE-3010_KE-3020V_KE-3020VR-Rev07.pdf - 第266页
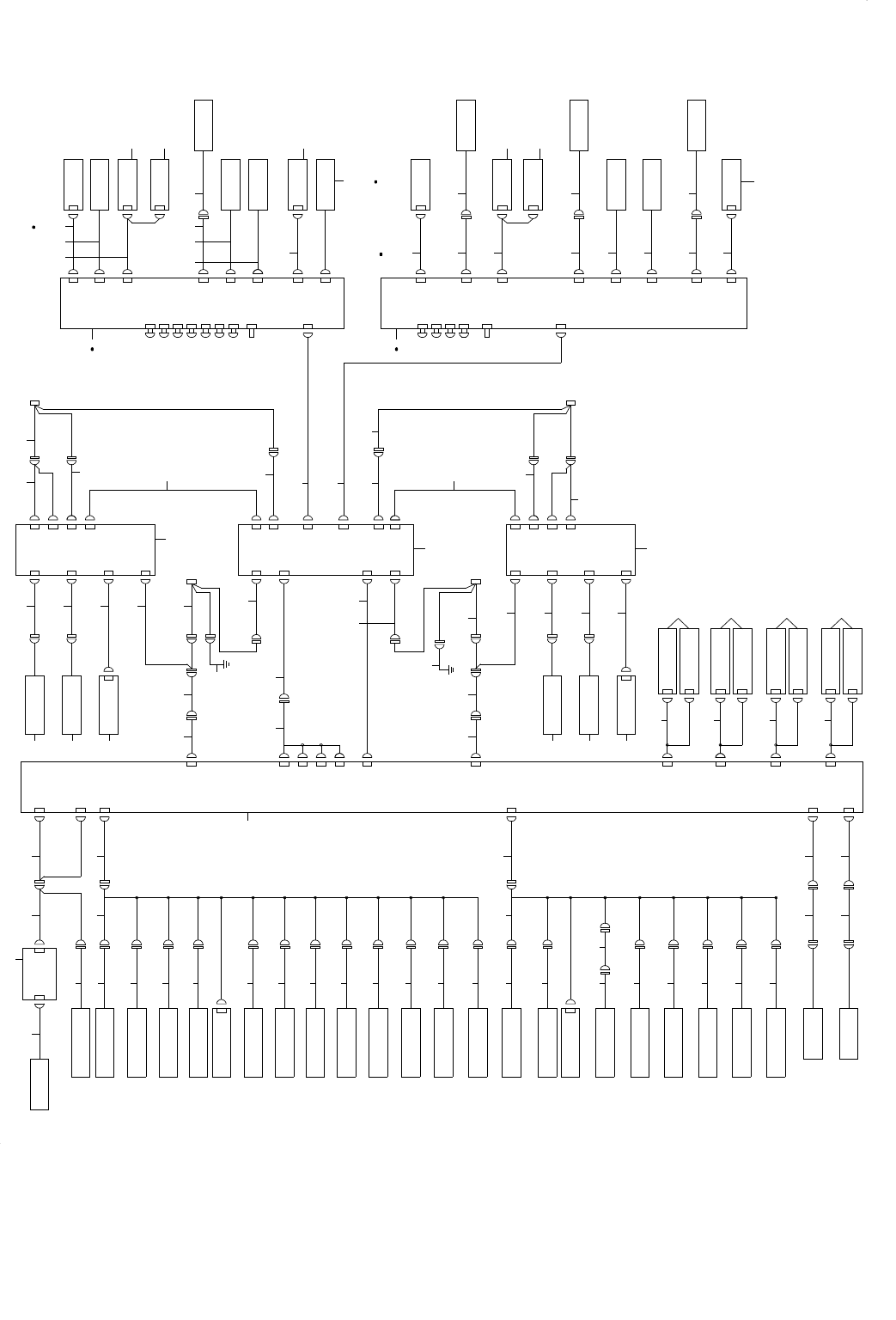
- 257 - 129.SYSTEM DIAGRAM (6)(TYPE XL)(AFTER M/C REV.E) SYSTEM DIAGRA M(6) (XL 仕様) (マシン REV.E 以降) 89 90 99 80 80 87 88 86 80 80 82 97 82 78 74 75 98 96 84 83 95 94 93 91 92 85 84 83 81 79 78 76 77 39 39 68 67 59 58 57 4…

- 256 -
NOTE( 注記 ) #01....FOR EN EN 用
#02....TYPE XL(EN) XL(EN)仕様
#03....UNTIL M/C REV.D マシン REV.D まで
#04....AFTER M/C REV.E マシン REV.E 以降
#05....FOR EN(AFTER M/C REV.E) EN 用(マシン REV.E 以降)
REF.NO NOTE PART NO D E S C R I P T I O N
品 名
Qty
1 400-02125 CAL VCUM SV ASM
CAL VCUM SV組
1
2 400-07376 CALBLOCK PCB ASM
CALBLOCK基板組
1
3 401-09996 CAL BLOCK CABLE ASM
CAL BLOCKケーブル組
1
4 400-47483 FEEDER CAL(F) CABLE ASM
CAL(F)ケーブル組
1
5 400-47560 FEEDER PCB ASM
フィーダ基板組
1
6
#03
400-02126 CAL VACUUM SENSOR ASSY
CALバキュームセンサ組
1
7
#04
401-22811 CAL-VCUM SENSOR ASM
CALバキュームセンサ組
1
8 401-09997 FEEDER SENS CABLE F ASM
フィーダセンスケーブル組(F)
1
9 400-48176 FEEDER SENS RELAY(F) CABLE ASM
フィーダセンサ中継ケーブル(F)組
1
10 401-10017 ATC CLOSE SENS ASM
ATCクローズセンサケーブル組
1
11 401-10001 FD-FLOAT(FF)RECEIVE SENS ASM
フィーダ浮きセンサ(FF)受光組
1
12 401-10003 FD-FLOAT(FR)RECEIVE SENS ASM
フィーダ浮きセンサ(FR)受光組
1
13 401-10013 E-FD-DETECT(F)RECEIVE SENS ASM
電動フィーダ検知センサ(F)受光組
1
14 401-10009 E-FD-FLOAT(F)RECEIVE SENS ASM
電動フィーダ浮きセンサ(F)受光組
1
15 400-92513 DRIVE CYL SENSOR F ASM
ドライブシリンダセンサFケーブル組
1
16 400-92510 ATC SV CABLE ASM
ATC ソレノイドバルブケーブル組
1
17 401-10000 FD-FLOAT(FF)EMISSIN SENS ASM
フィーダ浮きセンサ(FF)投光組
1
18 401-10002 FD-FLOAT(FR)EMISSIN SENS ASM
フィーダ浮きセンサ(FR)投光組
1
19 401-10008 E-FD-FLOAT(F)EMISSIN SENS ASM
電動フィーダ浮きセンサ(F)投光組
1
20 401-10012 E-FD-DETECT(F)EMISSIN SENS ASM
電動フィーダ検知センサ(F)投光組
1
21 401-10005 FD-FLOAT(RF)RECEIVE SENS ASM
フィーダ浮きセンサ(RF)受光組
1
22 401-09998 FEEDER SENS CABLE R ASM
フィーダセンスケーブル組(R)
1
23 400-48177 FEEDER SENS RELAY(R) CABLE ASM
フィーダセンサ中継ケーブル(R)組
1
24 401-10007 FD-FLOAT(RR)RECEIVE SENS ASM
フィーダ浮きセンサ(RR)受光組
1
25 401-10014 REFLEX ARRAY SENSOR ASM
反射型アレイセンサ組
1
26 401-10015 REFLEX ARRAY SENSOR RELAY ASM
反射型アレイ中継センサ組
1
27 401-10011 E-FD-FLOAT(R)RECEIVE SENS ASM
電動フィーダ浮きセンサ(R)受光組
1
28 400-92514 DRIVE CYL SENSOR R ASM
ドライブシリンダセンサRケーブル組
1
29 401-10004 FD-FLOAT(RF)EMISSIN SENS ASM
フィーダ浮きセンサ(RF)投光組
1
30 401-10006 FD-FLOAT(RR)EMISSIN SENS ASM
フィーダ浮きセンサ(RR)投光組
1
31 401-10010 E-FD-FLOAT(R)EMISSIN SENS ASM
電動フィーダ浮きセンサ(R)投光組
1
32 401-23126 AUTO TAPE CUTTER F CABLE ASM
オートテープカッターFケーブル組
1
33 401-23124 FEEDER CUTTER(F) WIRE ASM
フィーダカッターFケーブル組
1
34
#03
401-23127 AUTO TAPE CUTTER R CABLE ASM
オートテープカッターRケーブル組
1
35
#04
401-23128 AUTO TAPE CUTTER CABLE ASM3
オートテープカッターケーブル組3
1
36 400-00574 DRIVE CYLINDER ASSY
ドライブシリンダ組
4
37 400-92511 SWITCH D3DC-3
スイッチD3DC−3
2
38 401-35350 BANK FIXED FR CABLE ASM
バンク固定FRケーブル組
1
39 401-35351 BANK FIXED FL CABLE ASM
バンク固定FLケーブル組
1
40 401-09990 M BANK SWITCH F CABLE ASM
メカバンクスイッチ F ケーブル組
1
41 401-09981 FEEDER IF F CABLE ASM
フィーダ IF F ケーブル組
1
42 401-09986 MECH BANK CONNECTOR F CABLE AS
メカバンクコネクタ F ケーブル組
1
43 401-09985 MECH BANK CABLE ASM
メカバンクケーブル組
1
44 401-09988 M BANK DC PWR CABLE F ASM
メカバンクDC電源 F ケーブル組
1
45 401-09987 BANK PWR CABLE F ASM
バンク電源 F ケーブル組
1
46 400-47481 FEEDER IF RELAY(F) CABLE ASM
フィーダ IF中継ケーブル(F)組
1
47 401-07941 FEEDER IF RELAY-03 CABLE ASM
フィーダ IF リレー−03ケーブル組
1
48 401-11734 ELEC BANK RELAY WIRE ASM
ELEC バンクリレーワイヤ組
1
49 401-13687 ELEC BANK FG WIRE ASM
ELEC バンク FG ワイヤ組
1
50 400-66568 BANK PCB ASM
バンク基板組
2
51 400-47484 FEEDER CAL(R) CABLE ASM
CAL(R)ケーブル組
1
52 401-09983 ETF(F) PWR CABLE ASM
ETF 電源ケーブルF組
1
53 401-09999 FEEDER XY EMG CABLE ASM
フィーダ XY EMGケ−ブル組
1
54 401-09984 ETF(R) PWR CABLE ASM
ETF 電源ケーブルR組
1
55 401-09980 FEEDER PWR CABLE ASM
フィーダ電源ケーブル組
1
56 401-14533 ETF POWER ASM
ETF 電源組
1
57
#03
401-14531 POWER UNIT ASM
電源ユニット組
1
58
#04
401-33955 POWER SUPPLY UNIT ASM
電源ユニット組
1
59
#05
401-33958 POWER SUPPLY UNIT (EN) ASM
電源ユニット(EN)組
1
60 401-10071 OPERATION PWR CABLE(R)ASM
オペレーションリレーケーブル組(R)
1
61 401-09994 M BANK AC PWR CABLE R ASM
メカバンクAC電源 R ケーブル組
1
62 401-09992 BANK PWR CABLE R ASM
バンク電源 R ケーブル組
1
63 401-09985 MECH BANK CABLE ASM
メカバンクケーブル組
1
64 400-47482 FEEDER IF RELAY(R) CABLE ASM
フィーダ IF中継ケーブル(R)組
1
65 401-07942 FEEDER IF RELAY-04 CABLE ASM
フィーダ IF リレー−04 ケーブル組
1
66 401-13687 ELEC BANK FG WIRE ASM
ELEC バンク FG ワイヤ組
1
67 401-11734 ELEC BANK RELAY WIRE ASM
ELEC バンクリレーワイヤ組
1
68 401-09982 FEEDER IF R CABLE ASM
フィーダ IF R ケーブル組
1
69 401-35352 BANK FIXED RL CABLE ASM
バンク固定RLケーブル組
1
70 401-35353 BANK FIXED RR CABLE ASM
バンク固定RRケーブル組
1
71 401-09995 M BANK SWITCH R CABLE ASM
メカバンクスイッチ R ケーブル組
1
72 401-09993 M BANK DC PWR CABLE R ASM
メカバンクDC電源 R ケーブル組
1
73 401-09991 MECH BANK CONNECTOR R CABLE ASM
メカバンクコネクタ R ケーブル組
1
74 401-13653 FPI LED CABLE(FL)ASM
FPI LED ケーブル(FL)組
1
75 E8626-729-0A0 FPI LED BOARD ASM.
FPI LED基板組
2
76 401-13654 FPI LED CABLE(FR)ASM
FPI LED ケーブル(FR)組
1
77 E8626-729-0A0 FPI LED BOARD ASM.
FPI LED基板組
2
78 401-13655 FPI LED CABLE(RR)ASM
FPI LED ケーブル(RR)組
1
79 E8626-729-0A0 FPI LED BOARD ASM.
FPI LED基板組
2
80 401-13656 FPI LED CABLE(RL)ASM
FPI LED ケーブル(RL)組
1
81 E8626-729-0A0 FPI LED BOARD ASM.
FPI LED基板組
2
82 400-92408 OPERATION PCB FRONT10 ASM
オペレーション基板フロント10組
1
83
#01
400-92482 OPERATION PCB FRONT10 ASM(EN)
オペレーション基板フロント10組(EN)
1
84 401-20505 EMG SW(F) ASM
EMG SW(F)組
1
85
#01
401-31989 EMG SW F CABLE ASM (EN)
EMG SW Fケーブル組(EN)
1
86 400-02254 COVER OPEN SW CABLE ASM
カバーオープンSWケーブル組
2
87 401-10074 COVER LOCK SV CABLE F ASM
カバーロックSVケーブルF組
1
88 401-10073 COVER LOCK SV ASM
カバーロックSV組
2
89 401-13676 MINI SIGNAL RLY CABLE F ASM
ミニシグナル RLY ケーブルF組
1
90 400-48055 MINI PATLITE ASM
ミニパトライト組
2
91 400-48035 L FEEDER SW ASM
レフトフィーダSW組
2
92 400-48036 CONSOLE SW ASM
コンソールSW組
2
93 401-10072 CONSOLE SELECT CABLE ASM
コンソール切り換えケーブル組
1
94 400-03281 MOUSE/KEYBOARD SELECTOR
マウス/キーボード切り換え器
1
95 E9649-729-000 HOD ASM.
HOD組
1
96
#01
E9662-729-000 HOD (EN)
HOD(EN)
1
97 400-92481 OPERATION PCB REAR10 ASM
オペレーション基板リア10組
1
98
#01
400-92483 OPERATION PCB REAR10 ASM(EN)
オペレーション基板リア10組(EN)
1
99 401-20506 EMG SW(R) ASM
EMG SW(R)組
1
100
#01
401-31990 EMG SW R CABLE ASM (EN)
EMG SW Rケーブル組(EN)
1
101
#02
401-33944 EMG SW R CABLE ASM (XL_EN)
EMG SW Rケーブル組(XL_EN)
1
102 401-10075 COVER LOCK SV CABLE R ASM
カバーロックSVケーブルR組
1
103 401-10073 COVER LOCK SV ASM
カバーロックSV組
2
104 401-13677 MINI SIGNAL RLY CABLE R ASM
ミニシグナル RLY ケーブルR組
1
105 400-92586 SIGNAL LIGHT RLY CABLE ASM
シグナルライトリレーケーブル組
1
106 400-48045 SIGNAL TOWER LIGHT ASM
シグナルタワーライト組
1
107 401-13675 IONIZER SV CABLE ASM
イオナイザ SV ケーブル組
1
108 400-97605 COVER OPEN RELAY CABLE ASM
カバーオープン中継ケーブル組
1
109 401-10016 ATC OPEN SENS ASM
ATCオープンセンサケーブル組
1
110 401-23125 FEEDER CUTTER(R) WIRE ASM
フィーダカッターRケーブル組
1
111 401-09989 M BANK AC PWR CABLE F ASM
メカバンクAC電源 F ケーブル組
1
112 401-10070 OPERATION PWR CABLE(F)ASM
オペレーションリレーケーブル組(F)
1

- 257 -
129.SYSTEM DIAGRAM(6)(TYPE XL)(AFTER M/C REV.E)
SYSTEM DIAGRAM(6)(XL 仕様)(マシン REV.E 以降)
89 90
99
80
80
87 88
86
8080
82 978278
74
75
9896848395949391 9285
84
83
81
79
78
76 77
39
39
68
67
595857
44
56
41
38
48
50
4945434036
423535
37
53 37
48
49
54
63 64 65 66
423535
73
727169
62
61
55
52
51
47
46
5
4 9 23 3433
3232
3130292827
26
2524
22
212019181716151413121110
8
76
3
1
70 70 70
60
70
CAL
VACUUM SENSOR
ATC OPEN SENS
ATC CLOSE SENS
FEEDER FLOAT
SENS(FF)(REC)
FEEDER FLOAT
SENS(FR)(REC)
BANK UP
SW (F)
ELEC FEED DET
SENS(F)(REC)
ELEC FEED FLOAT
SENS(F)(REC)
DRIVE CYL
SENSOR F ASM
ATC S.V
FEEDER FLOAT
SENS(FF)(EMI)
FEEDER FLOAT
SENS(FR)(EMI)
ELEC FEED FLOAT
SENS(F)(EMI)
FEEDER FLOAT
SENS(RF)(REC)
FEEDER FLOAT
SENS(RR)(REC)
ELECFEEDDET
SENSOR(F)(EMI)
BANK UP
SW (R)
ELEC FEED DET
SENS(R)(REC)
ELEC FEED FLOAT
SENS(R)(REC)
DRIVE CYL
SENSOR R ASM
FEEDER FLOAT
SENS(RF)(EMI)
FEEDER FLOAT
SENS(RR)(EMI)
ELEC FEED FLOAT
SENS(R)(EMI)
ECUTTER(F)
ECUTTER(R)
CN429
CN418
CN2 CN1
CN669
CALF
CN19
CN402
CN403
CN413
CN410
CN417
CN414
CN451
ATC
CN412
CN411
CN415
CN416
CN421
CN422
CN426
CN425
CN450
CN420
CN423
CN424
E-CUTTER
E-CUTTER
CN354
CN354
2
CAL S.V
CAL PCB
CN21
CN422
CN21
CN7
ION SV
SIGNAL LIGHT
KEYCHANGESW
FEEDER SW(R)
(NON-STOP
OPERATION)
NON-STOP
SIGNAL
LIGHT(R)
COVER(R) LOCK SV
COVER(R) LOCK SV
COVER OPEN SW(R)
EMG SW_R
MNLT
4-5A
HOD BOX
MOUSE /KEYBOARD
SELECTOR
KEYCHANGESW
FEEDER SW(F)
(NON-STOP
OPERATION)
NON-STOP
SIGNAL
LIGHT(F)
COVER(F) LOCK SV
COVER(F) LOCK SV
COVER OPEN SW(F)
EMG SW_F
CN20
CN10
2-5C
OPERATION
PCB (R)
CN15
CN22
CN7
CN23
CN8
CN12
CN13
CN1
SW5
SW4
SW2
SW1
CN13
CN1
SW7
SW6
SW5
SW4
SW3
SW2
SW1
CN22
CN7
CN15
CN21
CN24
CN12
CN8
CN23
2-5C
OPERATION
PCB (F)
M-BANK(R)
CN1
CN3
CN2
M-BANK(F)
CN2
CN1
LED PCB(R-LL)
LED PCB(R-LR)
CN24
CN23
CN18
CN17
CN16
CN15
CN21
LED PCB(R-RL)
LED PCB(R-RR)
LED PCB(F-RR)
LED PCB(F-RL)
LED PCB(F-LR)
LED PCB(F-LL)
M-E BANK SW
DRIVE CYLINDER
ASSY
DRIVE CYLINDER
ASSY
BK-RR
BK-RL
CN353
CN351
CN3
BANK PCB (F)
E BANK(R)
CN10
CN9
CN2
CN6
CN5
CN8
CN7
POWER UNIT
E BANK(F)
CN70
CN23
CN67
CN69
CN24
CN65
CN30
CN31
CN66
CN25
CN9
BANK PCB (F)
CN2
CN3
CN10
CN7
CN8
CN5
CN6
CN351
CN353
CN370
BK-FR
BK-FL
CALR
RLY03CN3
CN1
CN31
CN30
CN28
CN27
CN3
M-E BANK SW
DRIVE CYLINDER
ASSY
DRIVE CYLINDER
ASSY
CN19
CN5
CN20
2-5A
FEEDER
PCB
CN4
CN4
CN370
4-4A
CN3

- 258 -
NOTE( 注記 ) #01....FOR EN EN 用
REF.NO NOTE PART NO D E S C R I P T I O N
品 名
Qty
1 400-02125 CAL VCUM SV ASM
CAL VCUM SV組
1
2 400-07376 CALBLOCK PCB ASM
CALブロック基板組
1
3 400-92504 CAL BLOCK CABLE ASM
CALブロックケーブル組
1
4 400-47483 FEEDER CAL(F) CABLE ASM
CAL(F)ケーブル組
1
5 400-47560 FEEDER PCB ASM
フィーダ基板組
1
6 400-02126 CAL VACUUM SENSOR ASSY
CALバキュームセンサ組
1
7 400-92508 ATC OPEN SENS ASM
ATCオープセンサケーブル組
1
8 401-06785 FEEDER SENS CABLE F ASM(XL)
フィーダセンサケーブルF組(XL)
1
9 400-48176 FEEDER SENS RELAY(F) CABLE ASM
フィーダセンサ中継ケーブル(F)組
1
10 400-92509 ATC CLOSE SENS ASM
ATCクローズセンサケーブル組
1
11 401-10001 FD-FLOAT(FF)RECEIVE SENS ASM
フィーダ浮きセンサ(FF)受光組
1
12 401-10003 FD-FLOAT(FR)RECEIVE SENS ASM
フィーダ浮きセンサ(FR)受光組
1
13 401-10013 E-FD-DETECT(F)RECEIVE SENS ASM
電動フィーダ検知センサ(F)受光組
1
14 401-10009 E-FD-FLOAT(F)RECEIVE SENS ASM
電動フィーダ浮きセンサ(F)受光組
1
15 400-92513 DRIVE CYL SENSOR F ASM
ドライブシリンダセンサFケーブル組
1
16 400-92510 ATC SV CABLE ASM
ATC ソレノイドバルブケーブル組
1
17 401-10000 FD-FLOAT(FF)EMISSIN SENS ASM
フィーダ浮きセンサ(FF)投光組
1
18 401-10002 FD-FLOAT(FR)EMISSIN SENS ASM
フィーダ浮きセンサ(FR)投光組
1
19 401-10008 E-FD-FLOAT(F)EMISSIN SENS ASM
電動フィーダ浮きセンサ(F)投光組
1
20 401-10012 E-FD-DETECT(F)EMISSIN SENS ASM
電動フィーダ検知センサ(F)投光組
1
21 401-10005 FD-FLOAT(RF)RECEIVE SENS ASM
フィーダ浮きセンサ(RF)受光組
1
22 401-06786 FEEDER SENS CABLE R ASM(XL)
フィーダセンサケーブルR組(XL)
1
23 400-48177 FEEDER SENS RELAY(R) CABLE ASM
フィーダセンサ中継ケーブル(R)組
1
24 401-10007 FD-FLOAT(RR)RECEIVE SENS ASM
フィーダ浮きセンサ(RR)受光組
1
25 401-10014 REFLEX ARRAY SENSOR ASM
反射型アレイセンサ組
1
26 401-10015 REFLEX ARRAY SENSOR RELAY ASM
反射型アレイ中継センサ組
1
27 401-10011 E-FD-FLOAT(R)RECEIVE SENS ASM
電動フィーダ浮きセンサ(R)受光組
1
28 400-92514 DRIVE CYL SENSOR R ASM
ドライブシリンダセンサRケーブル組
1
29 401-10004 FD-FLOAT(RF)EMISSIN SENS ASM
フィーダ浮きセンサ(RF)投光組
1
30 401-10006 FD-FLOAT(RR)EMISSIN SENS ASM
フィーダ浮きセンサ(RR)投光組
1
31 401-10010 E-FD-FLOAT(R)EMISSIN SENS ASM
電動フィーダ浮きセンサ(R)投光組
1
32 400-92640 AUTO TAPE CUTTER CABLE ASM2
オートテープカッターケブル組2
1
33 400-92639 AUTO TAPE CUTTER CABLE ASM1
オートテープカッターケブル組1
1
34 400-92659 AUTO TAPE CUTTER CABLE ASM7
オートテープカッターケブル組7
1
35 400-00574 DRIVE CYLINDER ASSY
ドライブシリンダ組
4
36 400-02244 BANK FR CABLE ASM
バンク FR ケーブル組
2
37 400-66568 BANK PCB ASM
バンク基板組
1
38 400-92600 MECH BANK CONNECTOR F CABLE ASM
メカバンクコネクタ F ケーブル組
1
39 400-92599 MECH BANK CABLE ASM
メカバンクケーブル組
1
40 400-02243 BANK FL CABLE ASM
バンク FL ケーブル組
1
41 400-92602 M BANK DC PWR CABLE F ASM
メカバンクDC電源 F ケーブル組
1
42 400-92511 SWITCH D3DC-3
スイッチD3DC−3
1
43 400-92604 M BANK SWITCH F CABLE ASM
メカバンクスイッチ F ケーブル組
1
44 400-92601 BANK PWR CABLE F ASM
バンク電源 F ケーブル組
1
45 401-10583 FEEDER IF F CABLE ASM
フィーダ IF F ケーブル組
1
46 400-47481 FEEDER IF RELAY(F) CABLE ASM
フィーダ IF中継ケーブル(F)組
1
47 401-07941 FEEDER IF RELAY-03 CABLE ASM
フィーダ IF RELAY−03ケーブル組
1
48 400-84838 ELEC BANK FG WIRE ASM
ELEC バンクFG束線組
1
49 401-11734 ELEC BANK RELAY WIRE ASM
ELEC バンクリレー束線組
2
50 400-97590 ETF(F) PWR CABLE ASM
ETF(F) 電源ケーブル組
1
51 400-47484 FEEDER CAL(R) CABLE ASM
CAL(R)ケーブル組
1
52 400-92505 FEEDER XY EMG CABLE ASM
フィーダ XY EMGケ−ブル組
1
53 401-18724 POWER UNIT_XL
電源ユニット_XL
1
54 400-92501 FEEDER PWR CABLE (F) ASM
FEEDER 電源ケーブル組(F)
1
55 400-97591 ETF(R) PWR CABLE ASM
ETF(R) 電源ケーブル組
1
56 400-92603 M BANK AC PWR CABLE F ASM
メカバンクAC電源 F ケーブル組
1
57 400-92579 OPERATION PWR CABLE(F)ASM
オペレーション電源ケーブル組(F)
1
58 400-92580 OPERATION PWR CABLE(R)ASM
オペレーション電源ケーブル組(R)
1
59 400-92608 M BANK AC PWR CABLE R ASM
メカバンクAC電源 R ケーブル組
1
60 400-92606 BANK PWR CABLE R ASM
バンク電源 R ケーブル組
1
61 400-47482 FEEDER IF RELAY(R) CABLE ASM
フィーダ IF中継ケーブル(R)組
1
62 401-07942 FEEDER IF RELAY-04 CABLE ASM
フィーダ IF RELAY−04 ケーブル組
1
63 401-10584 FEEDER IF R CABLE ASM
フィーダ IF R ケーブル組
1
64 400-02245 BANK RL CABLE ASM
バンクRLケーブル組
1
65 400-02246 BANK RR CABLE ASM
バンクRRケーブル組
1
66 400-92609 M BANK SWITCH R CABLE ASM
メカバンクスイッチ R ケーブル組
1
67 400-92607 M BANK DC PWR CABLE R ASM
メカバンクDC電源 R ケーブル組
1
68 400-92605 MECH BANK CONNECTOR R CABLE ASM
メカバンクコネクタ R ケーブル組
1
69 400-92533 FPI LED CABLE(FL)ASM
FPI LED FL ケーブル組
1
70 E8626-729-0A0 FPI LED BOARD ASM.
FPI LED基板組
2
71 400-92534 FPI LED CABLE(FR)ASM
FPI LED FR ケーブル組
1
72 400-92535 FPI LED CABLE(RL)ASM
FPI LED RL ケーブル組
1
73 400-92536 FPI LED CABLE(RR)ASM
FPI LED RR ケーブル組
2
74 400-92408 OPERATION PCB FRONT10 ASM
オペレーション基板フロント10組
1
75
#01
400-92482 OPERATION PCB FRONT10 ASM(EN)
オペレーション基板フロント10組(EN)
1
76 401-20505 EMG SW(F) ASM
EMG SW(F)組
1
77
#01
401-31989 EMG SW F CABLE ASM (EN)
EMG SW Fケーブル組(EN)
1
78 400-02254 COVER OPEN SW CABLE ASM
カバーオープンSWケーブル組
2
79 401-10074 COVER LOCK SV CABLE F ASM
カバーロックSVケーブルF組
1
80 401-10073 COVER LOCK SV ASM
カバーロックSV組
2
81 400-92584 MINI SIGNAL RLY CABLE F ASM
ミニパトリレーケーブル組(F)
1
82 400-48055 MINI PATLITE ASM
ミニパトライト組
2
83 400-48035 L FEEDER SW ASM
レフトフィーダSW組
2
84 400-48036 CONSOLE SW ASM
コンソールSW組
2
85 400-47823 CONSOLE SELECT CABLE ASM
コンソール切り換えケーブル組
1
86 400-03281 MOUSE/KEYBOARD SELECTOR
マウス/キーボード切り換え器
1
87 E9649-729-000 HOD ASM.
HOD組
1
88
#01
E9662-729-000 HOD (EN)
HOD(EN)
1
89 400-92481 OPERATION PCB REAR10 ASM
オペレーション基板リア10組
1
90
#01
400-92483 OPERATION PCB REAR10 ASM(EN)
オペレーション基板リア10組(EN)
1
91 401-20506 EMG SW(R) ASM
EMG SW(R)組
1
92
#01
401-33944 EMG SW R CABLE ASM (XL_EN)
EMG SW R ケーブル組 (XL_EN)
1
93 400-97605 COVER OPEN RELAY CABLE ASM
カバーオープン中継ケーブル組
1
94 401-10075 COVER LOCK SV CABLE R ASM
カバーロックSVケーブルR組
2
95 400-92585 MINI SIGNAL RLY CABLE R ASM
ミニパトリレーケーブル組(R)
1
96 400-92586 SIGNAL LIGHT RLY CABLE ASM
シグナルライトリレーケーブル組
1
97 400-48045 SIGNAL TOWER LIGHT ASM
シグナルタワーライト組
1
98 401-13675 IONIZER SV CABLE ASM
イオナイザ SV ケーブル組
1
99 401-13674 IONIZER SV ASM
イオナイザ SV 組
1