CX-1-Rev10PDF.pdf - 第121页
- - RE F .NO N OTE PART NO D E S C R I P T I O N Qty 1 P F-0154010- A 0 AI R FILT ER 1 2 P J-304125 4- 01 ELBOW UNION D=1 2 2 3 B T-1200801- E F TUBE 1.3 4 P J-304120 0- 01 ELBOW D=1 2 1 5 B T-1200801- E F TUBE 1.3 6 B…

- -
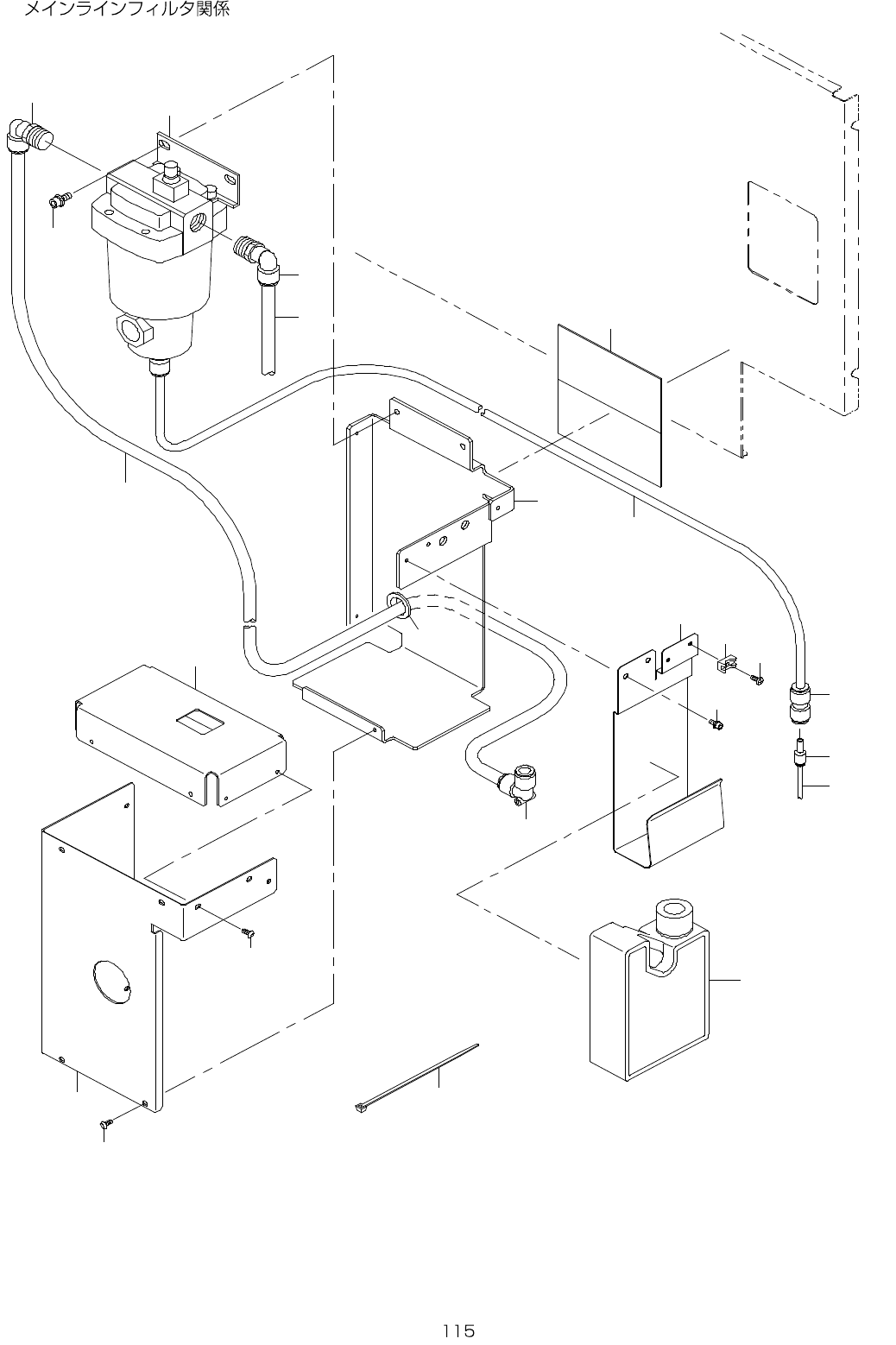
59.MAIN LINE FILTER COMPONENTS
2
2
1
1 5
1 4
1 0
1 6
1 7
2 3
2 2
2 1
2 0
5
7
8
1 3
1 1
9
3
4
6
1 8
1 9
1 2

- -
REF.NO NOTE PART NO D E S C R I P T I O N Qty
1 PF-0154010-A0 AIR FILTER 1
2 PJ-3041254-01 ELBOW UNION D=12 2
3 BT-1200801-EF TUBE 1.3
4 PJ-3041200-01 ELBOW D=12 1
5 BT-1200801-EF TUBE 1.3
6 BT-1000651-EB POLYURETHANE TUBE 0.7
7 PJ-3031000-02 STRAGHT 1
8 PJ-3090400-03 STRAGHT 1
9 BT-0400251-EA TUBE HOSE, BLUE 0.16
10 SL-6061692-TN BOLT 2
11 400-31183 FILTER BRACKET 1
12 HX-0005500-0J RUBBER BUSHING 1
13 E1387-700-000 HOD MAGNET 2
14 400-17146 DRAIN TANK STAY B 1
15 SL-6040892-TN BOLT 2
16 HX-0029400-00 FIXED BASE 1
17 SM-4040601-SC SCREW M4X0.7 L=6 1
18 EA-9500B01-00 CABLE BAND 1
19 400-01632 DRAIN TANK 1
20 400-31184 FILTER COVER U 1
21 SM-3040652-TN SCREW M4 L=6 6
22 400-31185 FILTER COVER B 1
23 SM-3040652-TN SCREW M4 L=6 4

- -
60.FLUXER SUPPLY DEVICE COMPONENTS
6 3
4 6
5 3
5 1
4 7
5 2
4 9
5 0
4 8
4 5
3 7
3 4
3 3
3 8
4 2
3 6
4 3
4 3
4 3
4 3
5 4
5 5
4 0
5 9
6 0
6 1
6 2
5 8
5 6
3 8
3 5
3 8
4 1
3 9
4 4
1 2
2 2
2 9
2 7
1 5
2 2
1 8
1 7
1 8
2 1
2 0
1 9
1 4
2 3
1 3
9
2 8
1 0
2 1
4
5
2
6
3
1
2 4
1 6
3 2
7
8
2 5
2 5
2 6
2 3
2 3
5 7
3 0
1 1
3 0
3 1