CX-1-Rev10PDF.pdf - 第156页
- - 77.S YS T EM DIAGRAM (FMLA H E AD OPT I O N [1/2 ]) 7 - 1 A C N 5 L S 4 - 5 I / O C T R L P C B 6 - 2 C Z 4 - C N 2 A Z 4 - C N 2 B Z 4 - C N 4 Z 4 - C N 3 Z E X T B O A R D 1 2 - 2 B Z S L O T 3 Z B A C K B O A R …

- -
REF.NO NOTE PART NO D E S C R I P T I O N Qty
1 400-02289 COPLA I F CABLE ASM 1
2 400-02288 SYNQPANEL COPLA CABLE ASM 1
3 400-02266 IP X3 PANEL WIRE ASM 1
4 400-02290 COPLA RS232C CABLE ASM 1
5 400-02295 COPLA TOUCH VGA CABLE ASM 1
6 400-03282 MOUSE KEYBOARD SELECTOR 1
7 400-27815 F-232C CABLE ASM 1
8 400-02332 COPLA FG WIRE ASM 1
9 400-02291 COPLA SENSOR POWER CABLE ASM 1
10 E9858-729-0A0 COPLA AC POWER CABLE ASM 1
11 400-02292 COPLA AC POWER RELAY CABLE ASM 1
12 400-02293 COPLA VGA CABLE ASM 1
13 400-02296 COPLA TOUCH VGA EXT CABLE ASM 1
14 400-02253 CHANGE BOX CABLE ASM 1
15 400-26197 ADD CHANGE BOX CABLE ASM 1
16 400-26414 ADD OP RS232C CABLE 2 ASM 1
17 400-26196 ADD OP RS232C CABLE ASM 1
18 400-02302 KEYBOARD CABLE ASM 1
19 400-02301 MOUSE CABLE ASM 1
20 400-02304 R KEYBOARD CABLE ASM 1
21 400-02303 R MOUSE CABLE ASM 1
22 400-02201 FDD MONITOR POWER CABLE ASM 1
23 400-02322 R LCD POWER CABLE ASM 1
24 400-02263 OP 232C CABLE(R)ASM 1
25 400-28018 PANEL-LINK R CABLE 1

- -
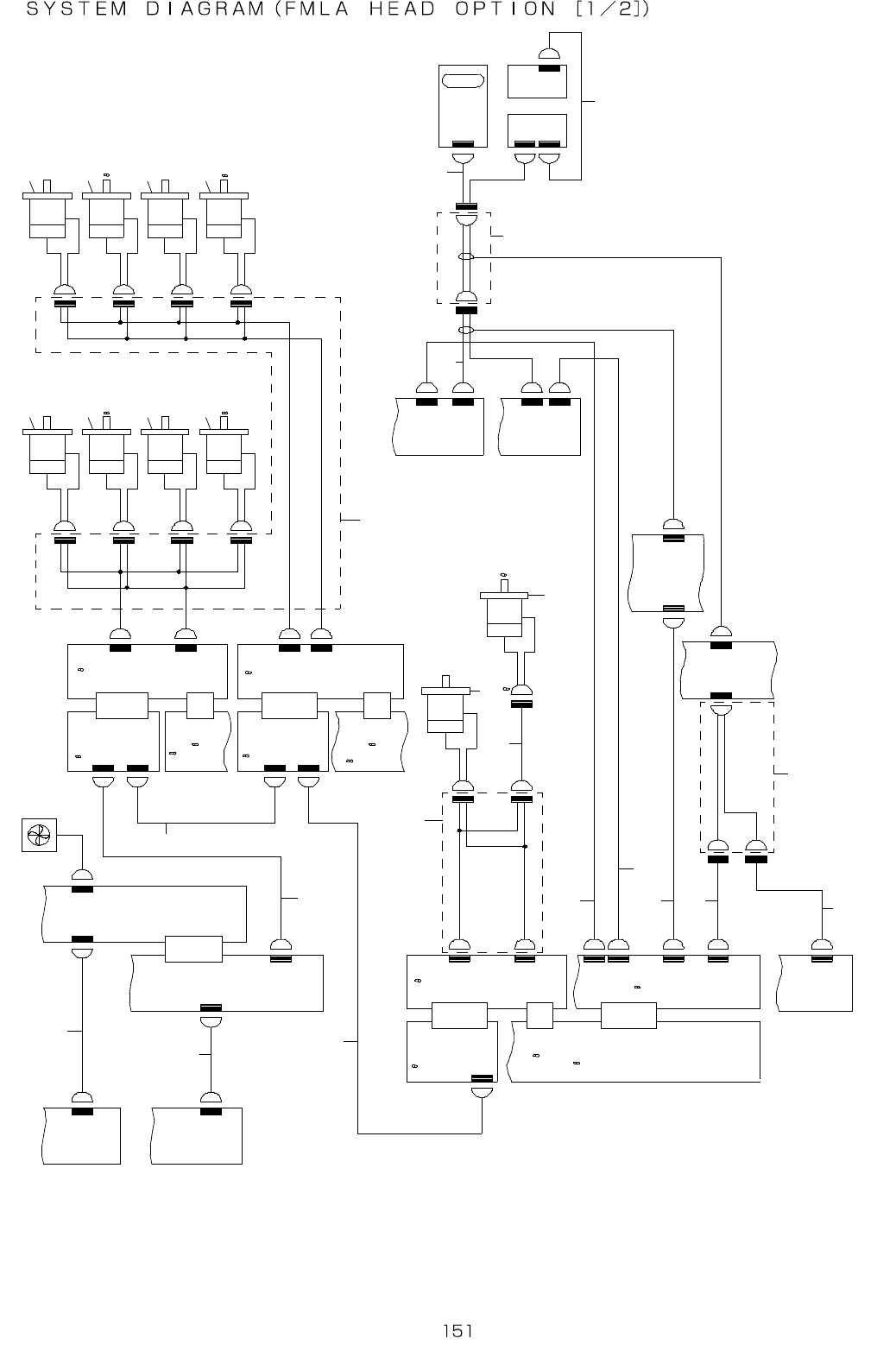
77.SYSTEM DIAGRAM (FMLA HEAD OPTION [1/2])
7 - 1 A
C N 5
L S 4 - 5
I / O C T R L
P C B
6 - 2 C
Z 4 - C N 2 A
Z 4 - C N 2 B
Z 4 - C N 4
Z 4 - C N 3
Z
E X T
B O A R D
1 2 - 2 B
Z
S L O T 3
Z B A C K
B O A R D
Z 2 , Z 3 I N
Z / D R I V E R
R M B P C B
Z T 3
R M B _ I N
Z 1 - C N 2
Z 1 - C N 1
Z /
D R I V E R
( 3 )
C N 2 4 5
X Y C A B L E B E A R H E A D
C N 2 0 2
4 - 2 D
1 3 - 2 A
C N 1
C N 6
H E A D M A I N
P C B
1 1 - 4 C
C N 0 5 7 C N 0 5 9
1 3 - 1 B
C T R L - P W R
P C B
X Y C A B L E B E A R H E A D
C N 2 1 7
C N 2 1 8
Z 5 M O T O R
5 M O T O R
5
M C M ( L )
L A _ S I G
M C M ( R )
L A _ S I G
1 - 3 C
3 - 4 B
M C M ( L )
M C M ( R )
C N 8 4 9
M N L A
L A ( L )
F M L A
L A ( R )
X Y C A B L E B E A R H E A D
C N 8 4 8
2 - 1 C
1 1 - 4 B
C N 1 8
X M P O U T
X M P , X Y
O U T
C N 0 1 8
X M P ( C P C I )
P C B
P O W E R
U N I T
2 - 4 B
X Y R M B
I N
X Y R M B
O U T
X Y J G R M B
Z 1 , Z 2
O U T
1 1 - 1 B
C N 4
C N 1 8
S Y N Q N E T
R E L A Y
P C B
X Y - C N 4
X Y - D R I V E R F A N
1 2 - 2 B
Z
S L O T 1
Z B A C K
B O A R D
Z T 1
R M B _ O U T
Z 2 , Z 3
I N
Z 2 , Z 3
I N
Z T 1
R M B _ I N
Z / D R I V E R
R M B P C B
Z 2 , Z 3
I N
Z 2 , Z 3
I N
Z T 2
R M B _ I N
Z T 2
R M B _ O U T
Z / D R I V E R
R M B P C B
Z B A C K
B O A R D
1 2 - 1 C
1 2 - 2 B
Z
S L O T 2
Z 1 - C N 1
Z 1 - C N 2
Z 1 - C N 2
Z 3 - C N 1
Z /
D R I V E R
( 1 )
Z /
D R I V E R
( 2 )
X Y C A B L E B E A R Z T
C N 2 1 2
C N 2 1 1
C N 2 1 0
C N 2 0 9 C N 2 1 3
C N 2 1 4
C N 2 1 5
C N 2 1 6
Z 1 M O T O R
1 M O T O R
Z 2 M O T O R
2 M O T O R 4 M O T O R
Z 4 M O T O R
3 M O T O R
Z 3 M O T O R
1
2
3
4
5
6
8
1 31 21 0
1 1
1 4
1 5
9
7
1 6 1 7 1 8 1 9
2 0 2 1 2 2 2 3
2 4
2 7
2 5
2 6
2 8

- -
REF.NO NOTE PART NO D E S C R I P T I O N Qty
1 400-02076 SYNQNET PWR CABLE ASM 1
2 400-03262 SYNQNET CABLE 120 ASM 1
3 400-03263 SYNQNET CABLE 20 ASM 1
4 400-03262 SYNQNET CABLE 120 ASM 1
5 400-03263 SYNQNET CABLE 20 ASM 1
6 400-02233 XY BEAR ZT CABLES ASM 1
7 400-03255 IC Z MOTOR 1
8 400-02341 IC THETA RELAY CABLE ASM 1
9 400-03256 IC THETA MOTOR 1
10 400-02258 MCM CABLE(L)ASM 1
11 400-02259 MCM CABLE(R)ASM 1
12 400-02314 ZTHETA PWR CABLE ASM 1
13 400-02072 HEAD I O CABLE ASM 1
14 400-02305 HEAD SP CABLE ASM 1
15 400-31861 XY BEAR HEAD CABLES ASM 1
16 400-03253 Z MOTOR 1
17 400-30981 T AXIS MOTOR CX-1 1
18 400-03253 Z MOTOR 1
19 400-30981 T AXIS MOTOR CX-1 1
20 400-03253 Z MOTOR 1
21 400-30981 T AXIS MOTOR CX-1 1
22 400-03253 Z MOTOR 1
23 400-30981 T AXIS MOTOR CX-1 1
24 400-02298 LA SENSOR CABLE ASM 1
25 400-50546 CONTROL UNIT ADDITIONAL ASM(RHEAD) 1
26 E9345-721-0A0 CABLE ASM. 1
27 400-31861 XY BEAR HEAD CABLES ASM 1
28 400-02233 XY BEAR ZT CABLES ASM 1