2RGTTA000111.pdf - 第44页

4 2 0 1 4 2 0 2 4 2 0 3 4 2 0 4 4 2 0 5 4 2 0 6 4 2 0 7 4 2 0 8 4 2 0 9 4 2 1 0 4 2 1 1 4 2 1 2 4 2 1 3 4 2 1 4 4 2 1 5 4 2 1 6 4 2 1 7 4 2 1 8 4 2 1 9 4 2 2 0 4 2 2 1 4 2 2 2 4 2 2 3 4 2 2 4 4 2 2 5 4 2 2 6 4 2 2 7 4 2 …

100%1 / 89
  
  
  
  
  
  
  
  
  
  
  
  
  
  
  
  
  
  
  
  
  
  
  
  
  
  
  
  
  
NAME PAGE
電気回路線図
CIRCUIT DIAGRAM
52
TYPE
デバイスパレット基板制御回路
DEVICE PALETTE CONTROL CIRCUIT
-
DRAWING No.
T6
2RGTTA000204
  
FUJI SECRET
T2PBPL1
T2PBPL2
4227
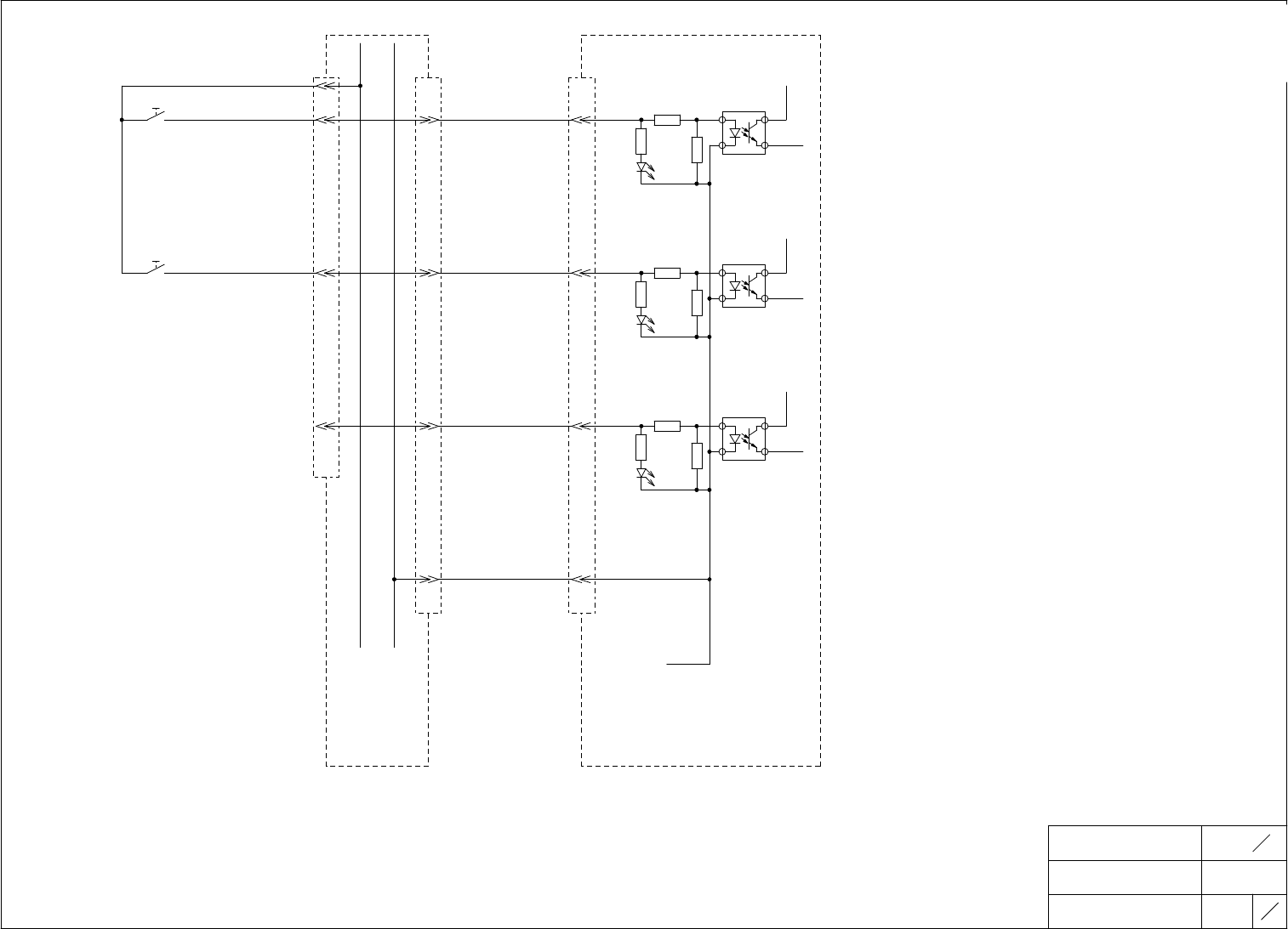
デバイスパレット基板
 
PC
上マガジン完了SW
   
PC
上マガジン供給予約SW
PC
トレイユニット制御基板
   
   
  
  
  
  
  
  
  
  
  
  
  
  
  
  
  
  
  
  
  
  
  
  
  
  
  
  
  
  
  
NAME PAGE
電気回路線図
CIRCUIT DIAGRAM
52
TYPE
デバイスパレット基板制御回路
DEVICE PALETTE CONTROL CIRCUIT
-
DRAWING No.
T6
2RGTTA000204
  
FUJI SECRET
T2PBPL4
T2PBPL5
4126
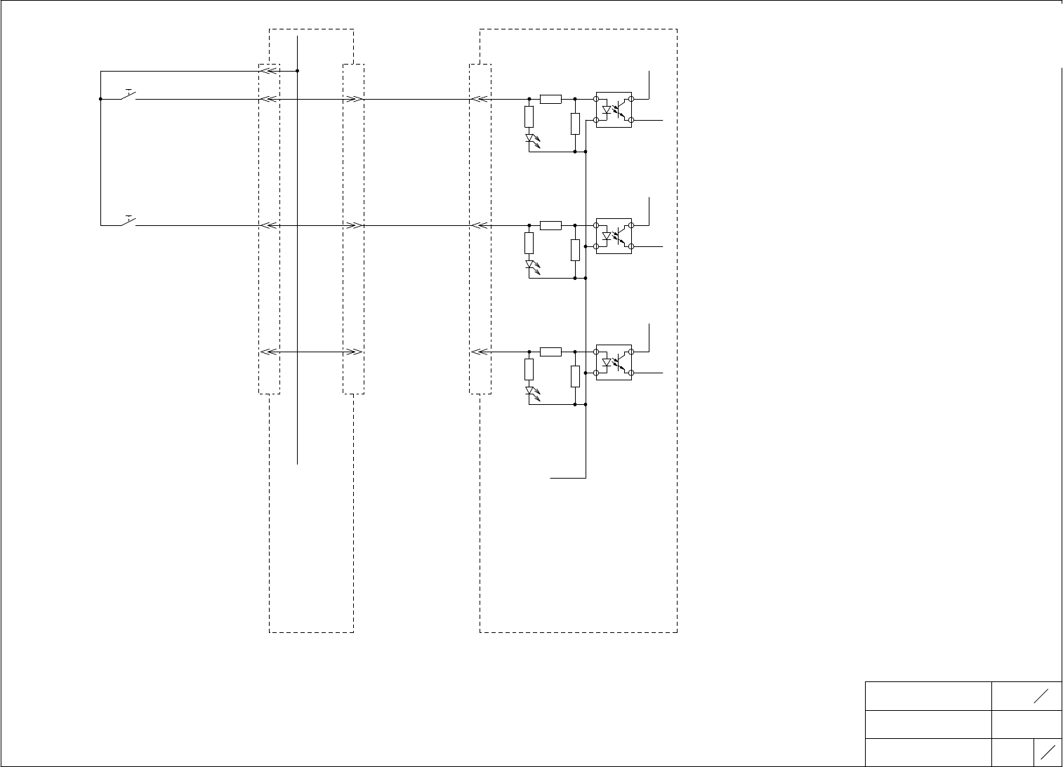
デバイスパレット基板
 
PC
下マガジン完了SW
   
PC
下マガジン供給予約SW
PC
トレイユニット制御基板
   
   
  
  
  
  
  
  
  
  
  
  
  
  
  
  
  
  
  
  
  
  
  
  
  
  
  
  
  
  
  
NAME PAGE
電気回路線図
CIRCUIT DIAGRAM
52
TYPE
N/Gコンベア制御回路
N/G CONV CONTROL CIRCUIT
-
DRAWING No.
T7
2RGTTA000204
  
FUJI SECRET
(T7R1)
1.2k
2425
(T7CR1)
4211
KA1/T7
1011
(T7CR1)
KA1/T7
1019
(T1CR15X)
9 13
2424
KA15X/T1
(T7PBPL1)
(T7PBPL1)
(T7LS1T1)
SQ1T1/T7
(T7LS1R1)
SQ1R1/T7
(T7LS2T1)
SQ2T1/T7
(T7LS2R1)
SQ2R1/T7
4207
(T7LS3)
SQ3/T7
T7F1
0.
1214
1017
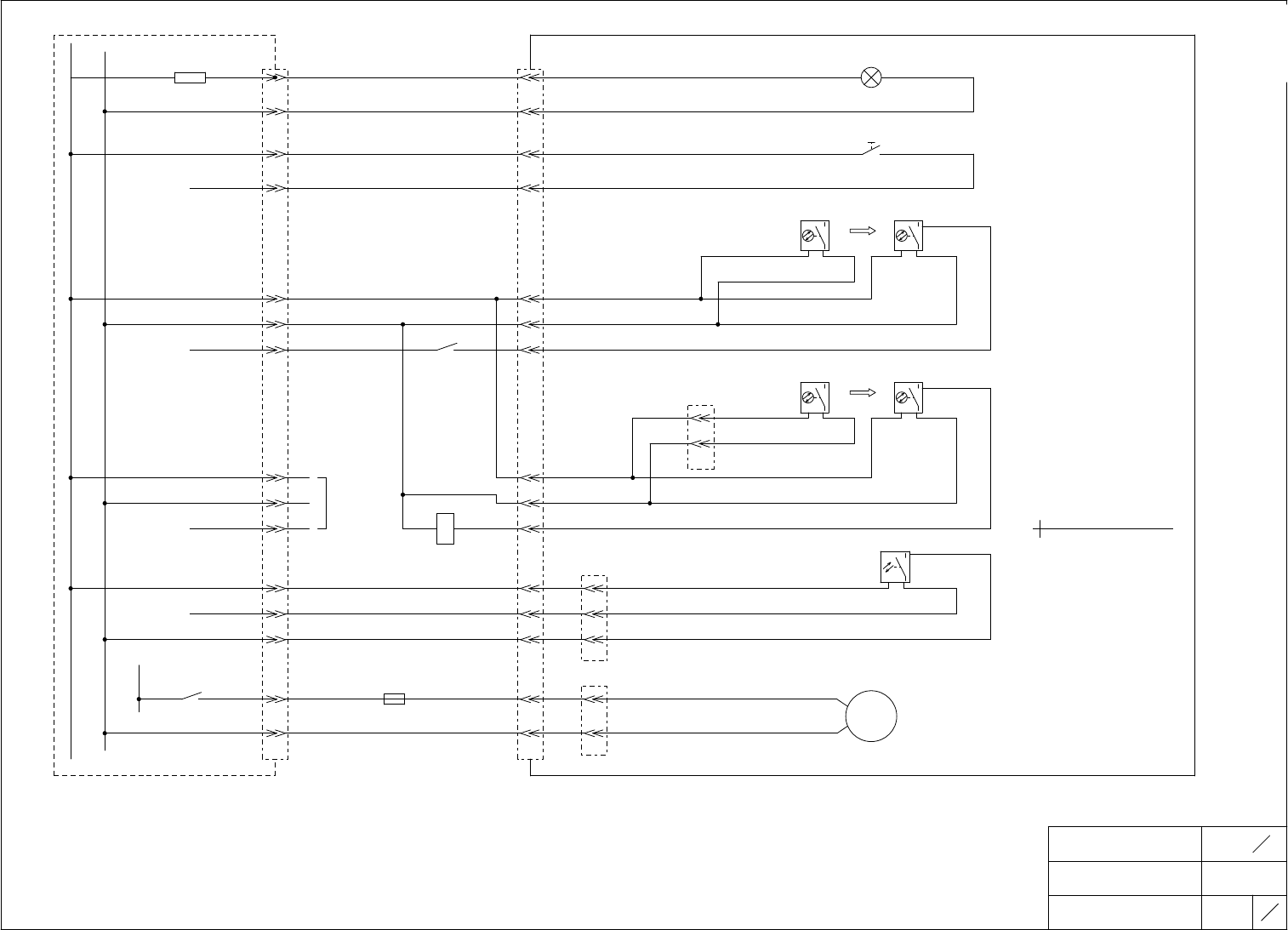
トレイユニット制御基板
   
 
電源入り
 
NGコンベア送り指示
    
 
NGパーツ排出許可
確認(中央)
  
 
NGパーツ排出許可
確認(サイド)
  
NGパーツ排出C/V送り
カウント
    
NGパーツ排出コンベア
モータ