2RGTTA000111.pdf - 第5页
3 0 1 3 0 2 3 0 3 3 0 4 3 0 5 3 0 6 3 0 7 3 0 8 3 0 9 3 1 0 3 1 1 3 1 2 3 1 3 3 1 4 3 1 5 3 1 6 3 1 7 3 1 8 3 1 9 3 2 0 3 2 1 3 2 2 3 2 3 3 2 4 3 2 5 3 2 6 3 2 7 3 2 8 3 2 9 NAME PAGE 電気回路線図 CIRCUIT DIAGRAM 52 3 T I T L …

2 01
2 02
2 03
2 04
2 05
2 06
2 07
2 08
2 09
2 10
2 11
2 12
2 13
2 14
2 1 5
2 16
2 17
2 18
2 19
2 20
2 21
2 22
2 23
2 24
2 25
2 26
2 27
2 28
2 29
NAME PAGE
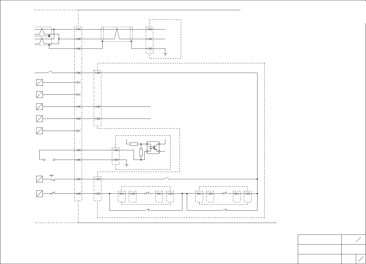
電気回路線図
CIRCUIT DIAGRAM
52
2
TITLE TYPE
総合制御回路
GENERAL CONTROL CIRCUIT
TARY-LT2
DRAWING No.
10
2
T1
2RGTTA000204
2 30
FUJI SECRET
I
O
RX01B
I
O
RX01E
I
O
RX01F
I
O
RX013
I
O
RX014
I
O
X00A
I
O
X001
(M2PB1E)
SB1E/M2
(M2LS1E)
SQ1E/M2
(T1CR4X)
9 13
716
KA4X/T1
(T1CR2-1)
11 13
2413
KA2-1/T1
ADDRESS
2304
ADDRESS
2307
(T1CR1-1)
11 13
2409
KA1-1/T1
(T1LS1E)
31 32
SQ1E/T1
(T1LS2E)
31 32
SQ2E/T1
モジュール
MODULE
トレイユニット
TRAY UNIT
M/C
CN2
-1
-2
-4
-9
-10
-11
-12
-7
-8
-14
+
-
SHIELD
-13
-3
-5
+24VA1 +24VA1A
FRONT:OPEN
REAR:SHORT
-1
-2
-3
-4
-5
TRAY UNIT CONTROL PCB
トレイユニット制御基板
RX01B
(RX04B)
RX01E
(RX04E)
RX01F
(RX04F)
RX013
RX014
K3101
K3102
K3107
K3108
+24VA1A
T1000
T1001
T1002
DEVICE PALLET PCB
デバイスパレット基板
-1
-2
-3
CN3
ユニット接続確認0
UNIT CONNECTION CHECK 0
ユニット接続確認1
UNIT CONNECTION CHECK 1
ユニット接続確認2
UNIT CONNECTION CHECK 2
モジュール非常停止SW
MODULE EMG STOP SW
モジュール正面扉閉じ
MODULE FRONT COVER CLOSE
イベント報告
EVENT REPORT
イベント報告2
EVENT REPORT2
パレット電源入り
+
-
SHIELD
DEVICE PALLET PCB
デバイスパレット基板
-4
CN3
-5
T1015T1003
(T1PCB1)
(T1PCB2)
(T1PCB2)
CNS2
CNS2
-5
CNS11 CNS11
-7 -5
CNS12
-6
CNS12
PC
R
+24V VCC
R
CNT15
-5
CNT15
-7
CNT16
-5
CNT16
-6
PALLET POWER ON

3 01
3 02
3 03
3 04
3 05
3 06
3 07
3 08
3 09
3 10
3 11
3 12
3 13
3 14
3 1 5
3 16
3 17
3 18
3 19
3 20
3 21
3 22
3 23
3 24
3 25
3 26
3 27
3 28
3 29
NAME PAGE
電気回路線図
CIRCUIT DIAGRAM
52
3
TITLE TYPE
総合制御回路
GENERAL CONTROL CIRCUIT
TARY-LT2
DRAWING No.
10
3
T1
2RGTTA000204
3 30
FUJI SECRET
(T1CR3X)
9 13
721
KA3X/T1
(T1CR3X1)
9 13
725
KA3X1/T1
(T1CR16X)
1 16
KA16X/T1
a
b
417
(T1CR16X1)
1 16
KA16X1/T1
a
b
421
モジュール
MODULE
M/C
CN4
-12
トレイユニット非常停止要因
Side1
非常停止要因
TRAY UNIT EMG STOP
-11
-14
トレイユニット非常停止要因
TRAY UNIT EMG STOP
-13
-4
モジュール非常停止要因
セーフティリレーOK
MODULE EMG STOP
-2
D161
R16 PL16
-1
-3
トレイユニット
TRAY UNIT
-6
-7
-8
-9
-10
-11
TRAY UNIT CONTROL PCB
トレイユニット制御基板
GAGA
(X00A)
(X00B)
T1004
T1005
T1006
T1007
T1008
G6A-274P-ST-US
G6A-274P-ST-US
+24VA1
D16
(T1PCB1)
CNS2
-6
-7
-10
UART6
3
2
8
7
5
SD
RD
SG
(T1IF1)
OFFON
PORT
2 SD
485
INIT
3 RD
TEST
4 RS
5 CS
6 -
9 ER
7 SG
8 CD
1 FG
I/Fモジュール
SIDE1
EMG STOP
Side2
非常停止要因
SIDE2
EMG STOP
SAFETY RELAY OK
I/F MODULE

4 01
4 02
4 03
4 04
4 05
4 06
4 07
4 08
4 09
4 10
4 11
4 12
4 13
4 14
4 1 5
4 16
4 17
4 18
4 19
4 20
4 21
4 22
4 23
4 24
4 25
4 26
4 27
4 28
4 29
NAME PAGE
電気回路線図
CIRCUIT DIAGRAM
52
4
TITLE TYPE
総合制御回路
GENERAL CONTROL CIRCUIT
TARY-LT2
DRAWING No.
10
4
T1
2RGTTA000204
4 30
FUJI SECRET
(T1CR11X)
13 9
2405
KA11X/T1
(T1CR16X)
9 13
307
KA16X/T1
(T1CR16X1)
9 13
309
KA16X1/T1
ADDRESS
506
ADDRESS
508
2 1
2 1
(T1CR3X)
4 8
721
KA3X/T1
(T1CR3X1)
4 8
725
KA3X1/T1
R17 PL17
R18 PL18
TRAY UNIT CONTROL PCB
トレイユニット制御基板
GCGC
+24VC2 T1136 T1010
T1011
JP2
JP3
(T1PCB1)
T1137
T1138