JM-50_SPE_JP.pdf - 第47页
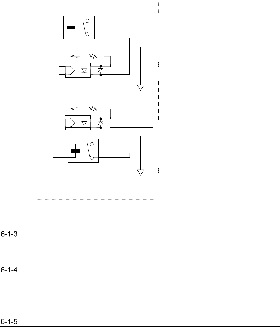
1 1 43 SMEM A GND ( 24V ) + + 24 V _ 3.3K 1/4 W READY OUT + BOA R D A V AILABLE IN + READY OUT - BOA R D A V AILABLE IN - N.C. 1 2 3 4 5 14 READY IN + BOA R D A V AIL…

1 1
42
①USB USB2.0
②14
8
No.
1 READY OUT READY IN
2 READY OUT READY IN GND
3 BOARD AVAILABLE IN BOARD AVAILABLE OUT
4 BOARD AVAILABLE IN
GND
BOARD AVAILABLE OUT
5 N.C. N.C.
6 N.C. N.C.
7 N.C. N.C.
8 N.C. N.C.
9 N.C. N.C.
10 N.C. N.C.
11 N.C. N.C.
12 N.C. N.C.
13 N.C. N.C.
14 N.C. N.C.
◇

1 1
43
SMEMA
GND(24V)
+
+ 24V_
3.3K 1/4W
READY OUT +
BOARD AVAILABLE IN +
READY OUT -
BOARD AVAILABLE IN -
N.C.
1
2
3
4
5
14
READY IN +
BOARD AVAILABLE OUT
+
READY IN -
BOARD AVAILABLE OUT -
N.C.
1
2
3
4
5
14
+ 24V
_
3.3K 1/4W
+
GND
(
24V)
JIS B 8438 10m
USB 2.0 2
DVD/CD-ROM
USB
812

1 1
44
7
7-1
2
7-2
7-3 CE EN
ECEuropean Committee
EC 2006/42/EC
EC EMC 2014/30/EU
EN IS012100: 2010, EN60204-1:2018, EN ISO13849-1:2015
EMC
EN 55011: 2009/A1:2010, EN 61000-6-4:2007/A1:2011, EN 55016-1-2:2014,
EN 55016-2-1:2014, EN 55016-2-3:2010/A1:2010/A2:2014,
EN 61000-6-2: 2005, EN 61000-4-2:2009, EN 61000-4-3:2006/A1:2008/A2:2010,
EN 61000-4-4: 2012, EN 61000-4-5: 2006, EN 61000-4-6: 2009,
EN 61000-4-8: 2010, EN 61000-4-11: 2004/A1:2017