Q4Z4C-E-MPA-69.pdf - 第47页
Ref No. Remarks R 1 Q'ty 2-B 全体 カ バー Whole Cover イラスト No. Part No. 品 名 品番 数量 R 2 パー ツ リ スト Kit No. キ ット 品番 Kit Name キ ット 名称 KXFX0369A00 Part Name 備 考 セクション No . PARTS LIST Section No. R 3 COVER 4 1 KXFB01D3A03 S COV…

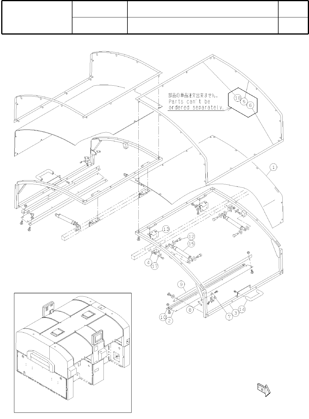
2-B
全体
カバー
Whole Cover
パーツレイアウト
Kit No.
キット
品番
Kit Name
キット
名称
KXFX0369A00
セクション
No
.
PARTS LAYOUT
Section No.
-
-
M23
( KKXFX0369A00-15-2 )

Ref
No.
Remarks
R
1
Q'ty
2-B
全体
カバー
Whole Cover
イラスト
No.
Part No.
品 名品番 数量
R
2
パーツリスト
Kit No.
キット
品番
Kit Name
キット名称
KXFX0369A00
Part Name
備 考
セクション
No
.
PARTS LIST
Section No.
R
3
COVER
4
1 KXFB01D3A03
S
COVER
4
2 KXFB02H3A00
S
FRAME
4
3 N210029978AB
BRACKET
8
4 N210028696AA
COVER
8
5 N610018132AA
S
COVER
4
6 N610018133AA
S
BRACKET
4
7 N210028698AA
S
NUT
4
8 KXFB01DFA00
BRACKET
4
9 N210028717AA
S
COVER
4
10 N210028718AA
S
BOLT
16
12 KXF09KJAA00 MSB10-10
HINGE
8
13 KXF0DKTAA00 B-2-A-11(DA 0DKTA)
PULL
4
14 KXF0A33AA00 UABR20-100
GAS-SPRING
8
15 KXF0A3EAA00
S
KMF50-30
WASHER
8
17 N210028699AA
COVER
4
18 N610025500AA
S
M24
-
-
( KKXFX0369A00-15-2 )

2-C
全体
カバー
Whole Cover
パーツレイアウト
Kit No.
キット
品番
Kit Name
キット
名称
KXFX0369A00
セクション
No
.
PARTS LAYOUT
Section No.
-
-
M25
( KKXFX0369A00-15-3 )