Q4Z4C-E-MPA-69.pdf - 第55页
Ref No. Remarks R 1 Q't y 3-B X 軸 ユニット X-Axis Unit イラスト No. Part No. 品 名 品番 数量 R 2 パーツリスト Kit No . キット品 番 Kit Name キット名称 KXFX0454A00 Part N ame 備 考 セクションNo. PARTS LIST Section No. R 3 HOUSING 1 1 KXFB02PHA01 PLATE 1…

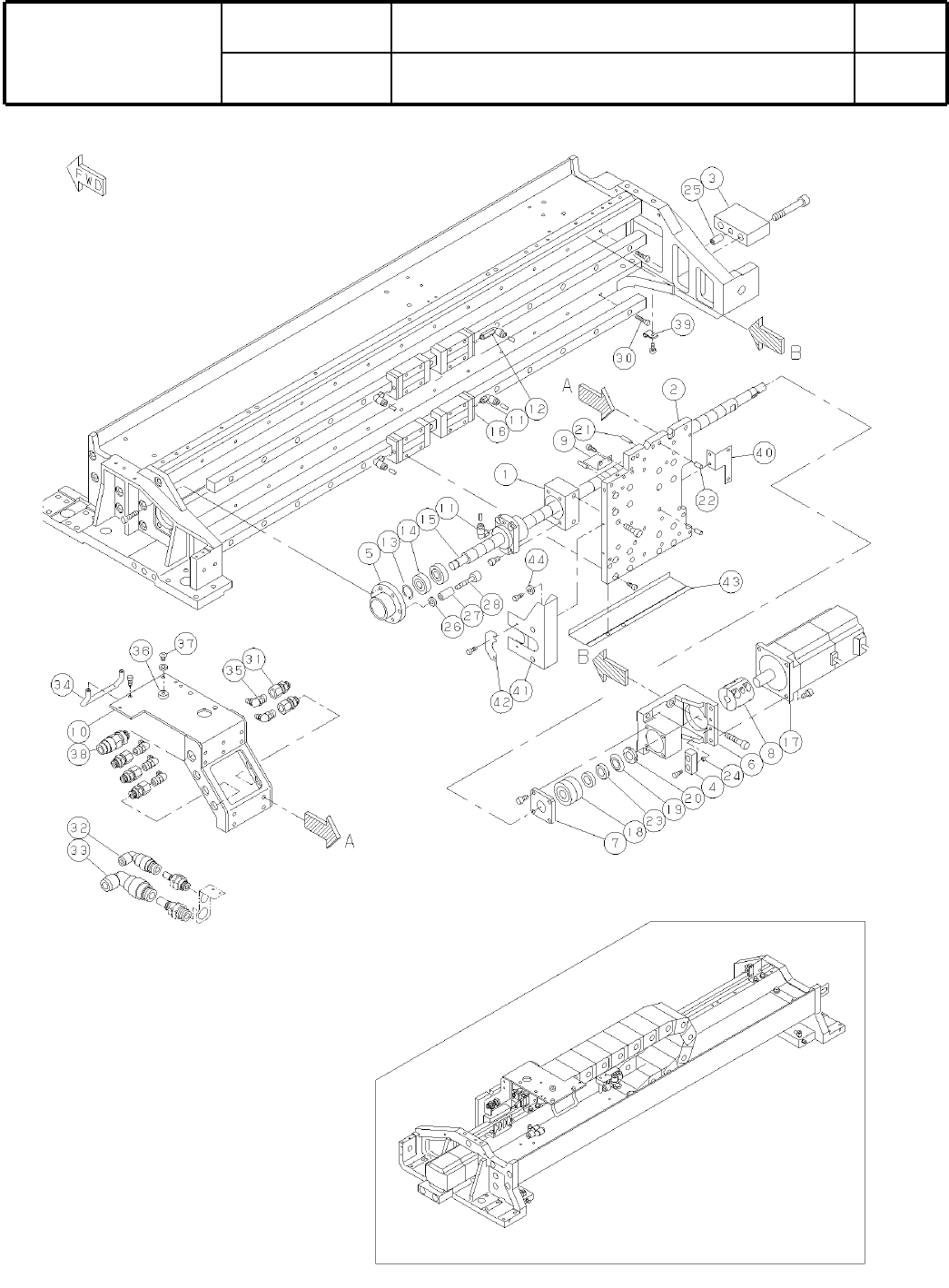
3-B
X
軸
ユニット
X-Axis Unit
パーツレイアウト
Kit No.
キット品
番
Kit Name
キット名称
KXFX0454A00
セクションNo.
PARTS LAYOUT
Section No.
M31

Ref
No.
Remarks
R
1
Q't
y
3-B
X
軸
ユニット
X-Axis Unit
イラスト
No.
Part No.
品 名品番 数量
R
2
パーツリスト
Kit No.
キット品
番
Kit Name
キット名称
KXFX0454A00
Part Name
備 考
セクションNo.
PARTS LIST
Section No.
R
3
HOUSING
1
1 KXFB02PHA01
PLATE
1
2 N210009901AA
STOPPER
1
3 KXFB02PKA00
STOPPER
1
4 KXFB01FRA00
FLANGE
1
5 KXFB02PMA00
BRACKET
1
6 KXFB02PNA00
HOLDER
1
7 KXFB02PPA00
COUPLING
1
8 KXFB02RLA01
DOG
1
9 KXFB02PVA00
BRACKET
1
10 N210029088AB
JOINT
4
11 KXF029JAA00 KJL04-M5
JOINT
1
12 KXF090KAA00 KJW04-M5
C-RING
1
13 KXF04CRAA00 STW-10
BEARING
2
14 KXF00JZAA00 6000ZZ
BALL-SCREW
1
15 N510015479AA W1507-293PSSX-C3Z30(4)
LINEAR-WAY
2
16 N510015478AA LWES15C2R780EB11
MOTOR
1
17 N510005279AA
S
HC-MFS43-S25
BEARING
1
18 KXF0A1QAA00 7201T2DF/GNP5
BEARING-WASHER
1
19 KXF0E3LDA00 AW01
BEARING-NUT
1
20 KXF0E3M2A00 AN01
PIN
2
21 KXF02Y7AA00 MS4-15
PIN
2
22 KXF02YFAA00 MS5-10
WASHER
2
23 KXF0BLBAA00 T20
SPACER
2
24 N510016347AA 3382330-40030
S-PIN
1
25 KXF0CSFAA00 Corrugated spring pin D8X16L
WASHER
1
26 KXF0CSGAA00 WSSB12-6-3
SPACER
1
27 KXF0746AA00 CL-520N
BOLT
1
28 KXF0CJFAA00 UNAH5-30
BOLT
26
30 N510017352AA
Hexagon socket head cap screw M4X18-10.9 A2J (Trivalent)
JOINT
5
31 KXF0CSCAA00 KQ2E04-01
JOINT
1
32 KXF0CSDAA00 KK3S-06L
JOINT
1
33 KXF0CSEAA00 KK4S-10L
PULL
1
34 KXF00RAAA00 A-1075-7
GREASE-NIPPLE
5
35 KXF0CSHAA00 GPB1
SCREW
1
37 N510018283AA
Cross recessed Truss head machine screw M4X8-4.8 A2S (Trivalent)
JOINT
1
38 KXF0CVQAA00 KK3S-06E
CLIP
1
39 KXF031SAA00 NK-3N
BRACKET
1
40 N210009911AA
COVER
1
41 N210088751AA
COVER
1
42 N210059862AA
COVER
1
43 N210059863AA
WASHER
2
44 N510020098AA Thick washer for M3
M32

3-C
X
軸
ユニット
X-Axis Unit
パーツレイアウト
Kit No.
キット品
番
Kit Name
キット名称
KXFX0454A00
セクションNo.
PARTS LAYOUT
Section No.
M33