机械零件 Patrs List.pdf - 第97页
Ref No. Remark s R 1 Q'ty 5-Q 基 板 コンベアR Bo ar d C onveyo r R イラスト No. Part No. 品 名 品番 数量 R 2 パーツリスト Kit N o . キット品 番 Kit Name キット名称 KXFX036KA00 Part Name 備 考 セクションNo. PARTS LIST Section No. R 3 FRAME 1 1 N210022869A…

5-Q
基
板
コンベアR
Board Conveyor R
パーツレイアウト
Ki
t
N
o
.
キット
品番
Kit Name
キット名称
KXFX036KA00
セクションNo.
PARTS LAYOUT
Section No.
--
M77
( KKXFX036KA00-29-17 )

Ref
No.
Remarks
R
1
Q'ty
5-Q
基
板
コンベアR
Board Conveyor R
イラスト
No.
Part No.
品 名品番 数量
R
2
パーツリスト
Kit N
o
.
キット品
番
Kit Name
キット名称
KXFX036KA00
Part Name
備 考
セクションNo.
PARTS LIST
Section No.
R
3
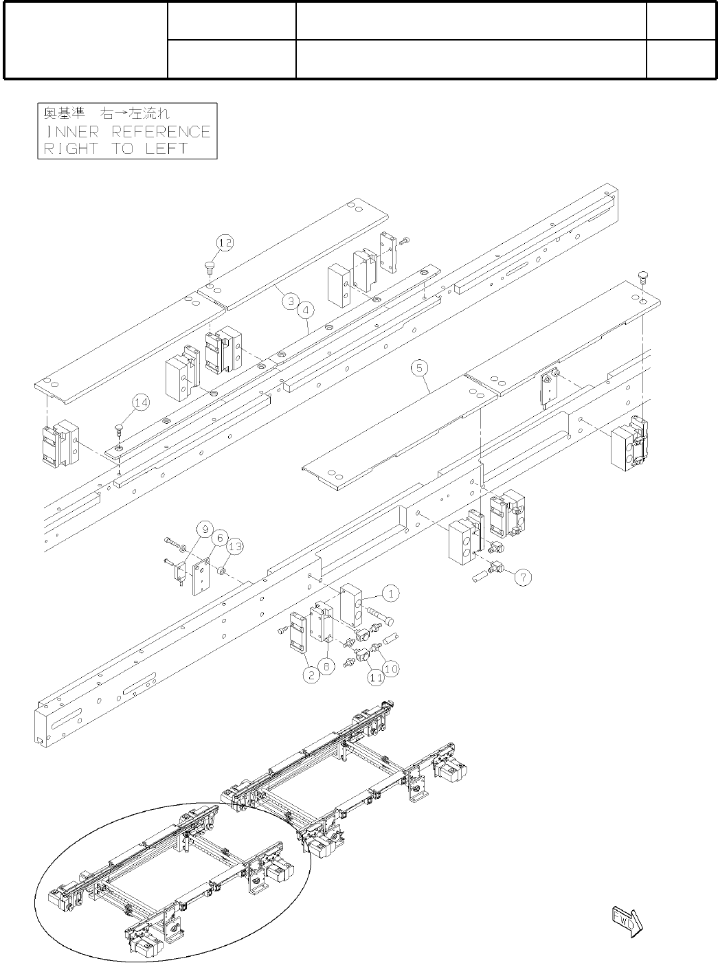
FRAME
1
1 N210022869AB
NUT
1
2 N210020696AA
GUIDE
2
3 KXFB02QMA00
GUIDE
2
4 KXFB02QNA00
GUIDE
1
5 KXFB01J2A00
STOPPER
1
6 N210020697AA
BRACKET
1
7 N210028742AA
BRACKET
1
8 KXFB02KWB00
NUT-PLATE
1
9 KXFB01JGA00
BRACKET
1
10 N210006444AA
PULLEY
2
11 KXF0DG7AA00 18XL037BF(DDA)
SPACER
2
12 N510017038AA 3382330-90160
BEARING
2
13 KXF00JZAA00 6000ZZ
JOINT
24
14 KXF02SZAA00 M-5ALU-4
MOTOR
1
15 KXF07R6AA00
S
KH56KM2-651
COUPLING
1
16 KXF0DWP1A00 MSF-25-D6.35XD8 CM402(DDA)
T-BELT
1
17 KXF0CT4AA00 532-XL-037
JOINT
4
18 KXF02D5AA00 KQS06-M5
JOINT
4
19 KXF0E0GCA00 KJY04-M5
SPEED-CONTROLLER
4
20 KXF05BGAA00 AS1301F-M5-06
SENSOR
2
22 KXF0DSSAA00 E3S-LS3N(DA 0DSSA)
CYLINDER
1
27 KXF0DWWEA00 CJ2B16-35S
JOINT
1
28 KXF02BTAA00 KQL04-M5
COVER
4
29 KXFB02U3A00
BRACKET
1
30 N210005494AA
BOLT
2
31 N510018901AA
Hexagon head bolt Best class M8X120-6g 4T A2J (Trivalent)
BOLT
4
34 KXF0BNYAA00 CBSST4-12
M78
--
( KKXFX036KA00-29-17 )

5-R
基
板
コンベアR
Board Conveyor R
パーツレイアウト
Ki
t
N
o
.
キット
品番
Kit Name
キット名称
KXFX036KA00
セクションNo.
PARTS LAYOUT
Section No.
--
M79
( KKXFX036KA00-29-18 )