EJM6A-E-WDBA-0002-A4.pdf - 第188页

在线预览 EJM6A-E-WDBA-0002-A4.pdf PDF 文档。

100%1 / 310
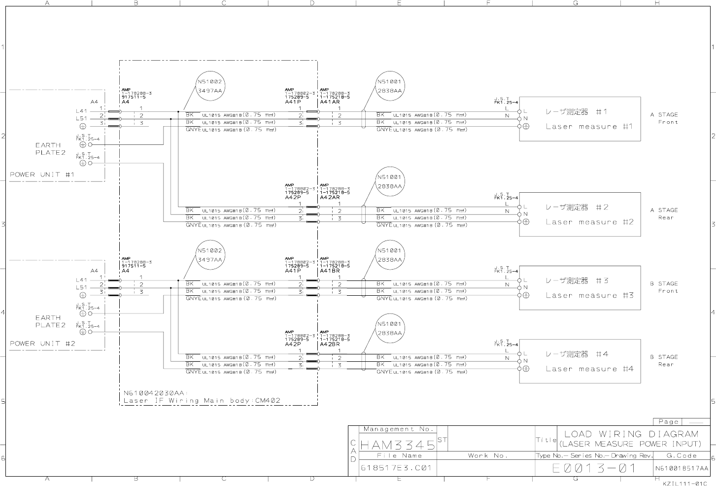
4. OPTION
4-4 LASER I/F WIRING DIAGRAM
EJM6A-E-WDB0A-A00-00