文档中心
/
EJM6A-E-WDBA-0002-A4.pdf
EJM6A-E-WDBA-0002-A4.pdf - 第275页
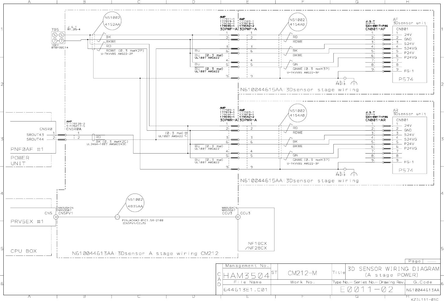
4. OPTION 4-20 3D SENSOR WIRING DI A G RAM EJM6A- E-W DB0A-A00-0 0
目录
100%
显示:宽度
宽度
1 / 310
回到旧版
旧版
?
4. OPTION
4-20 3D SENSOR WIRING DI
A
G
RAM
EJM6A-
E-W
DB0A-A00-0
0
该页面需要启用 JavaScript 才能进行交互式预览。