EJM6A-E-WDBA-0002-A4.pdf - 第247页

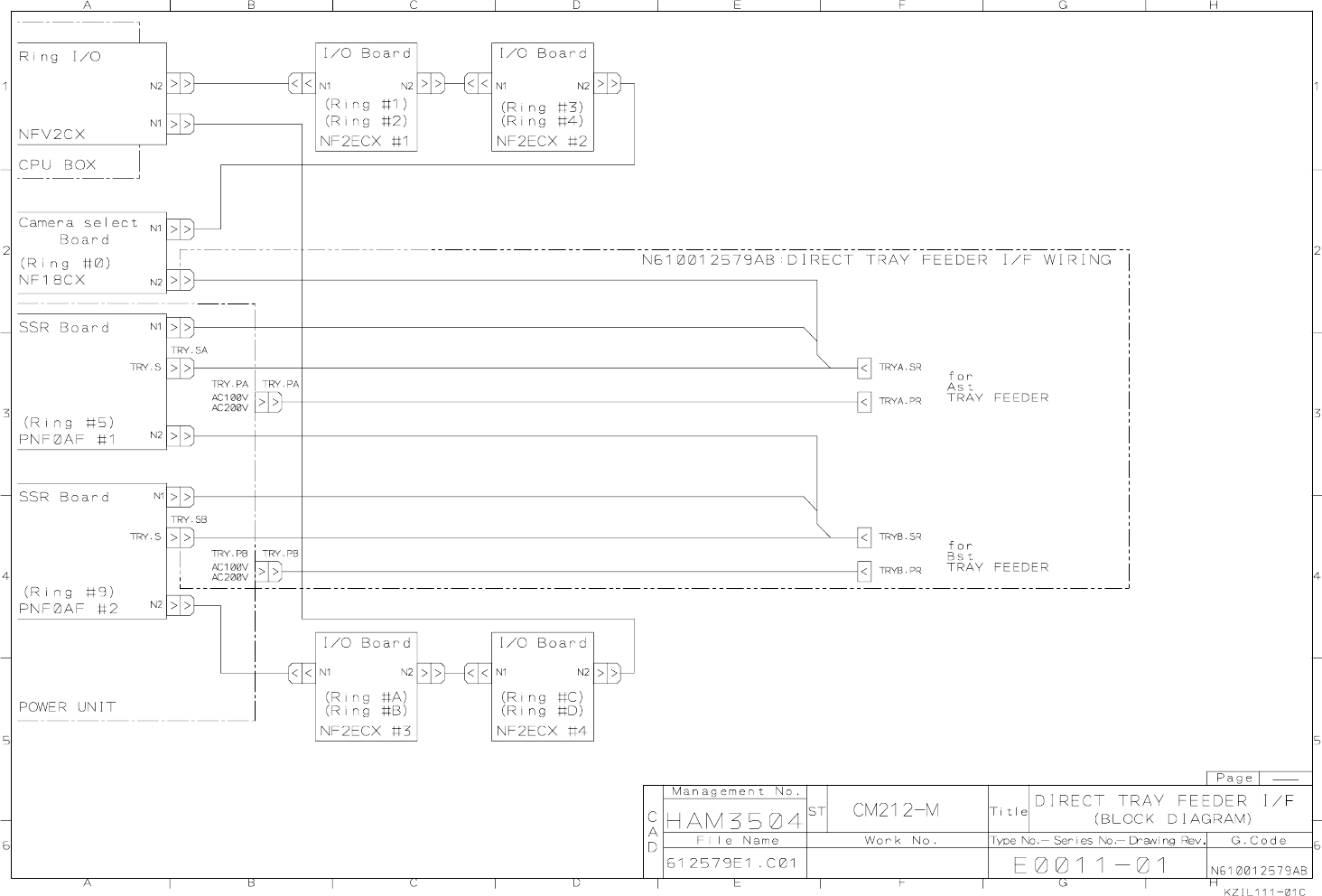
4. OPTION 4-14 DIRECT TRAY FEEDER I/F WIRING DIAGRAM EJM6A- E-W DB0A-A00-0 0

100%1 / 310
1.
= MEMO =
EJM6A-E-WDB0A-A01-00
4. OPTION
4-14 DIRECT TRAY FEEDER I/F
WIRING DIAGRAM
EJM6A-E-WDB0A-A00-00