EJM6A-E-WDBA-0002-A4.pdf - 第287页
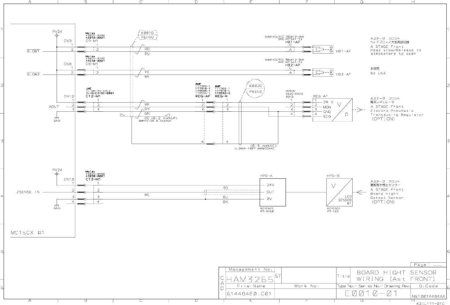
4. OPTION 4-21 BO A RD W A RD ME A SURING UNIT WIRING DIAGRAM EJM6A- E-W DB0A-A00-0 0

1.
= MEMO =
EJM6A-E-WDB0A-A01-00

4. OPTION
4-21 BOARD WARD MEASURING UNIT
WIRING DIAGRAM
EJM6A-E-WDB0A-A00-00

4. OPTION 4-21 BO A RD W A RD ME A SURING UNIT WIRING DIAGRAM EJM6A- E-W DB0A-A00-0 0


