RV-2_RV-2-3D_RV-2-3DH-Rev02.pdf - 第139页
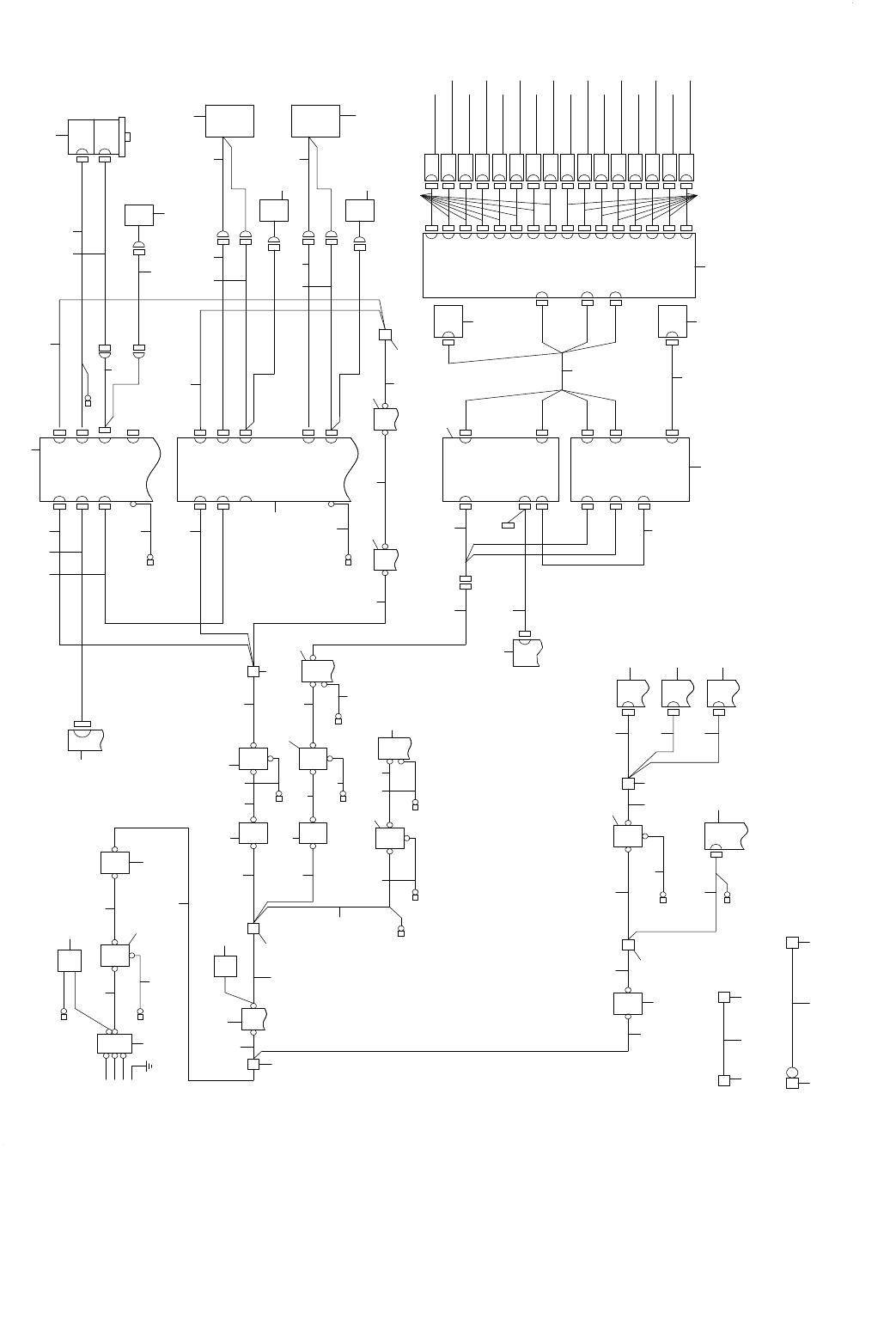
- 128 - REF.NO NOTE PART NO D E S C R I P T I O N 品 名 Qty 1 402-10493 MOTION CONTROLER モーションコントローラー 1 2 401-58461 SURGE ABSORBER WIRE ASM SURGE ABSORBERワイヤー組 1 3 HK-0895500-30 BLOCK TERMINAL 端子台 1 4 401-58342 TB0-NF0 WIR…

- 127 -
64.SYSTEM DIAGRAM(1)
SYSTEM DIAGRAM(1)
㹄㹅
㹁㹌㸳
㹁㹌㸲
㹁㹌㸯
㹁㹌㸱
㹁㹌㸯
㸲㸮
㸯㸮
㸷㸶
㸶㸯
㸷㸷
㸶㸲
㸵㸱
㸲㸯
㸶㸰
㸶㸱
㸶㸴
㹗㸿ࠉ㹑㹃㹐㹔㹍ࠉ㹋㹍㹒㹍㹐
㹗㹀ࠉ㹑㹃㹐㹔㹍ࠉ㹋㹍㹒㹍㹐
㸶㸴
㸵㸶
㸶㸶
㸷㸮㸶㸵
㸶㸳
㸶㸮
㸵㸷
㸵㸵
㸵㸴
㸵㸳
㸵㸲
㸴㸷
㸵㸮
㸵㸯
㸴㸳
㸴㸵
㸯㸮
㸷㸳
㸷㸴
㸶㸷
㸷㸵
㸴㸴
㸴㸱
㸴㸯
㸳㸵
㸳㸶
㸳㸷
㸴㸮 㸴㸰
㸴㸲
㸴㸳
㸲㸶
㸲㸴
㸲㸰
㹁㹖㹎㸫㹇㹄ࠉ㹇㹎ࠉ㹀㹍㸿㹐㹂
㸯
㸳㸳
㸳㸲
㸳㸴
㸳㸱
㸳㸰
㸳㸰
㸱㸶
㸱㸷
㸲㸳㸲㸲㸲㸱
㸳㸯㸳㸮㸲㸷
㸱㸴
㸱㸵
㸿㹔㹐㸱
㸱㸳
㸱㸱
㸱㸯
㸱㸰
㸯㸮
㸰
㸱
㸲
㸳
㸴
㸵
㸶
㸷
㸱㸲
㸯㸳
㸰㸰 㸴㸶
㸰㸰
㸰㸰
㸰㸰
㸰㸰
㸰㸰
㸰㸰
㸰㸰 㸴㸶
㸴㸶
㸴㸶
㸴㸶
㸴㸶
㸴㸶
㸴㸶
㹊㸯
㹊㸰
㹊㸱
㹎㹃
㹇㹌㹎㹓㹒
㹒㹀㸮
㹄㹅
㹑㹎㸯
㹌㹄㸮
㹃㹊㹀㸯
㹄㹅
㹋㹁㸰
㹎㹍㹑㹇㹒㹇㹍㹌
㹀㹍㸿㹐㹂
㸰㸫㸯㹂
㹂㹐㹔㸯
㹁㹌㹎㸰
㹁㹌㸯㸿
㹁㹌㸯㹀
㹁㹌㹎㸯
㹁㹌㹎㸱
㹁㹌㸰
㹁㹌㸶
㸰㸫㸰㹀
㹄㹅
㹄㹅
㹖ࠉ㹑㹃㹐㹔㹍ࠉ㹋㹍㹒㹃㹐
㹑㹁㸿㹊㹃ࠉ㹆㹃㸿㹂㸦㹖㸧
㹄㹅
㹂㹐㹔㸰
㹁㹌㹎㸰
㹁㹌㸯㸿
㹁㹌㸯㹀
㹁㹌㹎㸯
㹁㹌㹎㸱㸿
㹁㹌㹎㸰㸿
㹁㹌㹎㸱㹀
㹁㹌㹎㸰㹀
㸰㸫㸰㹀
㹑㹁㸿㹊㹃ࠉ㹆㹃㸿㹂㸦㹗㸿㸧
㹑㹁㸿㹊㹃ࠉ㹆㹃㸿㹂㸦㹗㹀㸧
㹋㹇㹂ࠉ㹎㹁㹀ࠉ㸯
㹋㹇㹂ࠉ㹎㹁㹀ࠉ㸰
㹋㹇㹂ࠉ㹎㹁㹀ࠉ㸱
㹋㹇㹂ࠉ㹎㹁㹀ࠉ㸲
㹋㹇㹂ࠉ㹎㹁㹀ࠉ㸶
㹋㹇㹂ࠉ㹎㹁㹀ࠉ㸵
㹋㹇㹂ࠉ㹎㹁㹀ࠉ㸴
㹋㹇㹂ࠉ㹎㹁㹀ࠉ㸳
㹊㹍㹕ࠉ㹎㹁㹀ࠉ㸯
㹊㹍㹕ࠉ㹎㹁㹀ࠉ㸰
㹊㹍㹕ࠉ㹎㹁㹀ࠉ㸱
㹊㹍㹕ࠉ㹎㹁㹀ࠉ㸲
㹊㹍㹕ࠉ㹎㹁㹀ࠉ㸳
㹊㹍㹕ࠉ㹎㹁㹀ࠉ㸴
㹊㹍㹕ࠉ㹎㹁㹀ࠉ㸵
㹊㹍㹕ࠉ㹎㹁㹀ࠉ㸶
㹁㹌㸱
㹁㹌㸷
㹁㹌㸶
㹁㹌㸵
㹁㹌㸴
㹁㹌㸳
㹁㹌㸯㸮
㹁㹌㸲
㹁㹌㸰
㹁㹌㸯
㹁㹌㸯㸯
㹁㹌㸯㸰
㹁㹌㸯㸱
㹁㹌㸯㸲
㹁㹌㸯㸳
㹁㹌㸯㸴
㹁㹌㸯㸵
㹁㹌㸯㸶
㹁㹌㸯㸷
㸿㹅㹅ࠉ㹎㹁㹀
㹒㹍㹎ࠉ㹎㹁㹀
㹁㹌㸯
㹒㹀㸳
㹋㹁㸱
㹂㹁㹑ࠉ㹎㹁㹀
㹑㹐㹁ࠉ㹎㹁㹀
㹇㹍㹁ࠉ㹎㹁㹀
㹒㹀㸴
㸿㹔㹐㸯
㹒㹀㸰
㹁㹎㸯
㹄㹅
㹄㹅
㸱㸫㸯㸿
㸰㸫㸯㸿
㸰㸫㸰㸿
㸰㸫㸲㸿
㸰㸫㸰㹀
㸰㸫㸰㹀
㸲㸮㸯㸳㸶㸰㸷㸰
㹃㹎㹇ࠉ㹎㹁㹀
㹁㹌㸱
㹁㹌㸯㸰
㹁㹌㸯
㹒㹀㸶
㹄㹅㸦㹃㸬㹀㸬㸧
㹒㹀㸴
㹒㹀㸷
㹄㹅
㹌㹄㸱
㸿㹔㹐㸳
㹄㹅
㸲㸫㸯㹁
㹑㹉㸯
㸯㸷
㸯㸰
㸱㸮
㸰㸷
㸰㸶
㸯㸮
㹒㹀㸲
㸿㹔㹐㸰
㸰㸫㸰㹁
㸰㸯
㸰㸵
㸯㸮
㸯㸯
㸯㸱
㸯㸮
㸯㸲
㸯㸴 㸰㸱
㸯㸵 㸰㸲
㸰㸴
㸯㸶
㸰㸳
㸰㸮
㹒㹀㸯
㹋㹁㸯
㹒㹀㸱
㹁㹎㸰
㹁㹎㸱
㹄㹅
㹄㹅
㹌㹄㸯
㹌㹄㸰
㹄㹅
㸰㸫㸯㸿
㸵㸰
㹁㹌㸳㸮㸳
㹁㹌㸳㸮㸲
㹁㹌㸳㸮㸱
㹁㹌㸳㸮㸰
㹁㹌㸳㸮㸯
㹊㹂㹀㹑ࠉ㹎㹁㹀
㸷㸲
㹊㹂㹀㹋ࠉ㹎㹁㹀
㸷㸰
㸷㸱
㸷㸯
㸲㸵

- 128 -
REF.NO NOTE PART NO D E S C R I P T I O N
品 名
Qty
1 402-10493 MOTION CONTROLER
モーションコントローラー
1
2 401-58461 SURGE ABSORBER WIRE ASM
SURGE ABSORBERワイヤー組
1
3 HK-0895500-30 BLOCK TERMINAL
端子台
1
4 401-58342 TB0-NF0 WIRE ASM
TB0−NF0ワイヤー組
1
5 401-58344 NF0-E WIRE ASM
NF0−Eワイヤー組
1
6 401-58253 NOISE FILTER
ノイズフィルタ
1
7 401-58343 NF0-ELB1 CABLE ASM
NF0−ELB1ケーブル組
1
8 HA-0068000-00 CIRCUIT PROTECTOR
サーキットプロテクタ
1
9 401-58345 ELB1-TB1 CABLE ASM
ELB1−TB1ケーブル組
1
10 HK-0883500-1A BLOCK TERMINAL
端子台
1
11 401-58346 TB1-MC1 WIRE ASM
TB1−MC1ワイヤー組
1
12 HA-0053000-00 MAGNETIC CONTACTOR
コンタクタ
1
13 HA-0053000-40 MAGNETIC CONTACTOR
サージ吸収ユニット
1
14 401-58347 MC1-TB3 WIRE ASM
MC1−TB3ワイヤー組
1
15 HW-0024501-00 FLAT CABLE
フラットケーブル
1
16 401-58348 TB3-CP2 WIRE ASM
TB3−CP2ワイヤー組
1
17 401-69176 CIRCUIT PROTECTOR
サーキットプロテクタ
1
18 401-58349 CP2-NF1 WIRE ASM
CP2−NF1ワイヤー組
1
19 HN-0038100-0A NOISE FILTER
ノイズフィルタ
1
20 401-58360 NF1-E WIRE ASM
NF1−Eワイヤー組
1
21 401-58350 NF1-TB4 WIRE ASM
NF1−TB4ワイヤー組
1
22 402-14447 LED MID PCB 3DH
照明MID基板 3DH
1
23 401-58361 TB3-CP3 WIRE ASM
TB3−CP3ワイヤー組
1
24 HA-0068800-00 CIRCUIT PROTECTOR
サーキットプロテクタ
1
25 401-58362 CP3-NF2 WIRE ASM
CP3−NF2ワイヤー組
1
26 HN-0039800-00 NOISE FILTER
ノイズフィルタ
1
27 401-58363 NF2-E WIRE ASM
NF2−Eワイヤー組
1
28 401-58364 NF2-AVR2 WIRE ASM
NF2−AVR2ワイヤー組
1
29 HX-0071400-00 POWER SUPPLY
パワーサプライ
1
30 401-58365 AVR2-E WIRE ASM
AVR2−Eワイヤー組
1
31 401-58366 TB-1 CP1 WIRE ASM
TB−1 CP1ワイヤー組
1
32 HA-0068900-0A CIRCUIT PROTECTOR
サーキットプロテクタ
1
33 401-58367 CP1-TB2 WIRE ASM
CP1−TB2ワイヤー組
1
34 HW-0024500-80 FLAT CABLE
フラットケーブル
1
35 401-58368 TB2-AVR1 WIRE ASM
TB2−AVR1ワイヤー組
1
36 401-58528 POWER SUPPLY
スイッチング電源
1
37 401-58369 AVR1-E WIRE ASM
AVR1−Eワイヤー組
1
38 401-58453 TB2-AVR3 CABLE ASM
TB2−AVR3ケーブル組
1
39 402-10494 ATX POWER
ATX電源
1
40 401-58445 AVR1-TB6(1) WIRE ASM
AVR1−TB6(1)ワイヤー組
1
41 401-51131 LED AGG PCB ASM
LED AGG基板組
1
42 402-15310 CXP-IF IP BOARD
コアックスIF画像処理基板
1
43 401-58370 TB6-DCS WIRE ASM
TB6−DCSワイヤー組
1
44 401-58371 TB6-SRC WIRE ASM
TB6−SRCワイヤー組
1
45 401-58372 TB6-IOC WIRE ASM
TB6−IOCワイヤー組
1
46 401-58353 TB4-MC2 WIRE ASM
TB4−MC2ワイヤー組
1
47 401-58397 AVR2-LDB(1) CABLE ASM
AVR2−LDB(1)ケーブル組
1
48 402-12198 3DH GB GPIO CABLE ASM 1
3DH GB GPIOケーブル組1
1
49 401-58508 DCS PCB ASM
DCS基板組
1
50 401-58507 SRC PCB ASM
SRC基板組
1
51 401-58506 IOC PCB ASM
IOC基板組
1
52 HK-0883500-10 BLOCK TERMINAL
ブロックターミナル
1
53 401-58396 F-R TB CABLE ASM
F−R TBケーブル組
1
54 401-57196 GROUND_BAR (FR)
アース バー (FR)
1
55 401-58395 EB-TB8 WIRE ASM
EB−TB8ワイヤー組
1
56 HK-0883500-1B BLOCK TERMINAL
端子台
1
57 401-58351 TB4-DRV1 WIRE ASM
TB4−DRV1ワイヤー組
1
58 401-29627 OPTICAL FIBER CABLE 1M
光ファイバケーブル1M
1
59 401-29628 OPTICAL FIBER CABLE 0.15M
光ファイバケーブル0.15M
1
60 401-58358 DRV1-E WIRE ASM
DRV1−Eワイヤー組
1
61 401-58293 SERVO AMPLIFIER
サーボアンプ
1
62 401-58352 TB4-DRV2 WIRE ASM
TB4−DRV2ワイヤー組
1
63 401-58294 SERVO AMPLIFIER
サーボアンプ
1
64 401-58359 DRV2-E WIRE ASM
DRV2−Eワイヤー組
1
65 HA-0068700-00 MAGNETIC CONTACTOR
電磁開閉器
1
66 401-58354 MC2-MC3 WIRE ASM
MC2−MC3ワイヤー組
1
67 401-58355 MC3-TB5 WIRE ASM
MC3−TB5ワイヤー組
1
68 401-51136 LED LOW PCB ASM
LED LOW基板組
1
69 401-58356 TB5-DRV1 WIRE ASM
TB5−DRV1ワイヤー組
1
70 401-58487 X MOTOR FORK CABLE MARKER ASM
XモータFORKケーブルマーカー組
1
71 401-58357 TB5-DRV2 WIRE ASM
TB5−DRV2ワイヤー組
1
72 402-14868 3DH TB3-NF3 CABLE ASM
3DH TB3−NF3ケーブル組
1
73 402-14098 3DH AVR5-EB WIRE ASM
3DH AVR5−EBワイヤー組
1
74 401-58460 X MOTOR CABLE ASM
Xモータケーブル組
1
75 401-58488 X MOTOR ENC CABLE MARKER ASM
XモータENCケーブルマーカー組
1
76 401-58329 X SCALE CABLE ASM
Xスケールケーブル組
1
77 401-58297 LINER SCALE HEAD
センサーHD
1
78 401-58292 SERVO MOTOR
サーボモーター
1
79 401-58330 DRV2-CNP3A CABLE ASM
DRV2−CNP3Aケーブル組
1
80 401-65131 YA ENC THM CABLE ASM
YA ENC THMケーブル組
1
81 402-12220 NOISE FILTER
ノイズフィルタ
1
82 401-58333 DRV2-CNP3B CABLE ASM
DRV2−CNP3Bケーブル組
1
83 401-65132 YB ENC THM CABLE ASM
YB ENC THMケーブル組
1
84 402-14099 3DH NF3-AVR5 WIRE ASM
3DH NF3−AVR5ワイヤー組
1
85 401-58458 YA LINEAR MTR WIRE ASM
YAリニアMTRワイヤー組
1
86 401-58295 LINEAR MOTOR
リニア可動子
1
87 401-58297 LINER SCALE HEAD
センサーHD
1
88 401-58459 YB LINEAR MTR WIRE ASM
YBリニアMTRワイヤー組
1
89 401-58401 LDBS-EPI WIRE ASM
LDBS−EPIワイヤー組
1
90 401-58297 LINER SCALE HEAD
センサーHD
1
91 401-58456 AVR2-LDB(2) CABLE ASM
AVR2−LDB(2)ケーブル組
1
92 401-51137 LED MASTER PCB ASM
LED マスタ基板組
1
93 401-51155 LED SLAVE PCB ASM
LED SLAVE基板組
1
94 401-58399 LDB M-S WIRE ASM
LDB M−Sワイヤー組
1
95 402-14186 LED TOP PCB 3DH W
照明TOP基板 3DH W
1
96 401-58400 LDB-AGG WIRE ASM
LDB−AGGワイヤー組
1
97 402-16982 LED EPI PCB 3DH
同軸照明基板 3DH
1
98 402-12219 POWER SUPPLY
24V電源
1
99 402-14097 3DH NF3-EB WIRE ASM
3DH NF3−EBワイヤー組
1

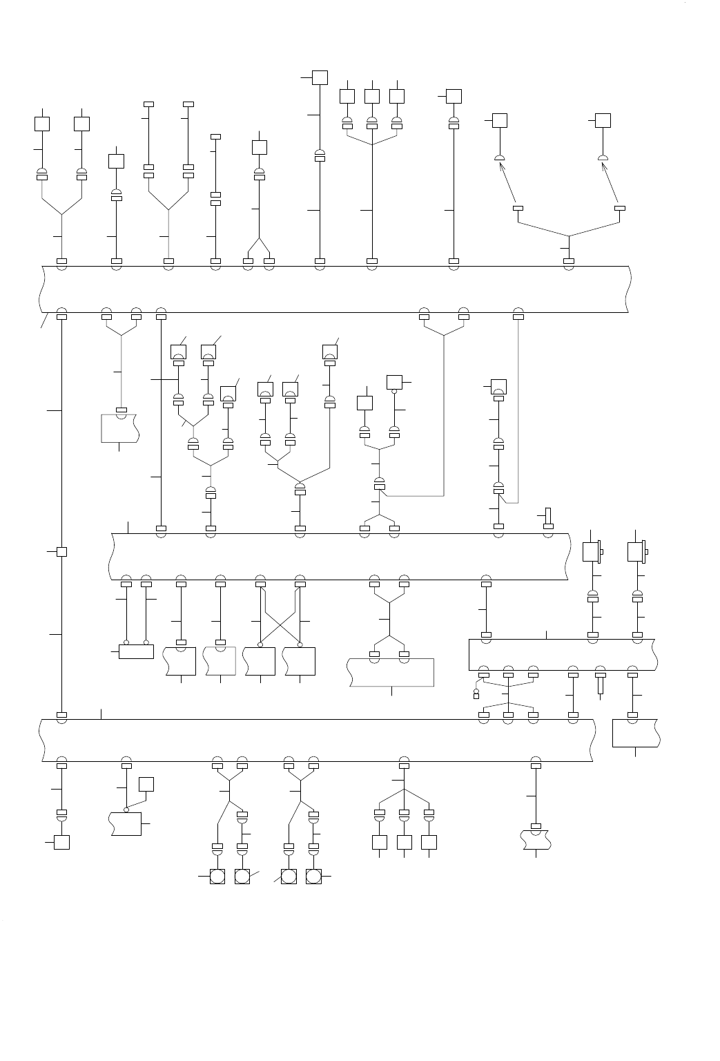
- 129 -
65.SYSTEM DIAGRAM(2)
SYSTEM DIAGRAM(2)
㹀㹍㸿㹐㹂ࠉ㹑㹃㹌㹑㹍㹐ࠉ㹆㹃㸿㹂ࠉ㹐
㹀㹍㸿㹐㹂ࠉ㹑㹃㹌㹑㹍㹐ࠉ㹆㹃㸿㹂ࠉ㹊
㹑㹣㹪㹣㹡㹲㹧㹭㹬ࠉ㹤㹭㹰ࠉ㹊㸫㹐ࠉ㹤㹪㹭㹵
㹑㹣㹪㹣㹡㹲㹧㹭㹬ࠉ㹤㹭㹰ࠉ㹐㸫㹊ࠉ㹤㹪㹭㹵
㸳㸰
㸳㸮
㸲㸴
㸴㸷
㸴㸶
㸴㸲
㸴㸱
㸴㸳
㸴㸮
㸳㸷
㸳㸶
㸳㸲
㸳㸰
㸳㸰
㸳㸰
㸳㸰
㸳㸰
㸲㸷
㸳㸯
㸳㸱
㸲㸳
㸷㸱
㸷㸳 㸳㸳
㸷㸲
㸷㸰
㸷㸯㸷㸮㸶㸷
㸶㸵
㸶㸶㸶㸳
㸶㸴
㸶㸲
㸵㸵
㸵㸳㸵㸱
㸶㸰
㸶㸮㸵㸷
㸵㸲㸵㸰
㸶㸱
㸶㸯㸵㸶㸵㸴㸵㸯
㸷㸴
㸯㸷
㸳㸵
㸴㸰
㸴㸵
㸵㸮
㸴㸴
㸴㸯
㸳㸴
㸲㸶
㸲㸵
㸱㸱
㸲㸱
㸲㸲
㸲㸮
㸲㸯
㸲㸰㸲㸰
㸱㸶
㸱㸵
㸱㸴
㸱㸳
㸱㸲
㸱㸯
㸱㸰
㸱㸮㸱㸮㸰㸵㸰㸳
㸰㸷㸰㸶㸰㸴㸰㸲
㸰㸰㸰㸯
㸰㸱
㸰㸮
㸯㸶
㸯㸵
㸱㸷
㸯㸴
㸯㸳
㸯㸲㸯㸱㸯㸰
㸯㸯
㸶
㸶
㸶
㸶
㸷
㸵㸯㸮
㸴
㸳
㸲
㸱
㸰
㸯
㹎㹍㹕㹃㹐ࠉ㹍㹌ࠉ㹑㹕㹇㹒㹁㹆
㹂㹁㹑ࠉ㹎㹁㹀
㸯㸫㸰㹂
㹋㹁㸯
㸯㸫㸯㹀
㹁㹑㹉㸯
㹄㸿㹌
㹄㸿㹌
㹐㹣㹟㹰ࠉ㹓ࠉ㸯
㹂㹁ࠉ㹄㸿㹌ࠉ㸰
㹐㹣㹟㹰ࠉ㹓ࠉ㸰
㹂㹁ࠉ㹄㸿㹌ࠉ㸱
㸿㹂㹝㹍㹐㹅ࠉ㹑㹃㹌㹑㹍㹐
㸿㹂㹝㹁㹕ࠉ㹑㹃㹌㹑㹍㹐
㸿㹂㹝㹁㹁㹕ࠉ㹑㹃㹌㹑㹍㹐
㹎㹍㹑㹇㹒㹇㹍㹌ࠉ㹀㹍㸿㹐㹂
㸯㸫㸰㸿
㸱㸫㸰㹀
㹋㹍㹒㹆㹃㹐ࠉ㹀㹍㸿㹐㹂
㹄㹅
㹂㹐㹔㸱
㹈㸳
㹈㸴
㹈㸶
㹈㸲
㹈㸯
㹈㸵
㹈㸯㸮
㹈㸷
㸱㸫㸰㸿
㸿㹂ࠉ㹋㹍㹒㹍㹐
㹁㹋ࠉ㹋㹍㹒㹍㹐
㹋㹁㸱
㸿㹔㹐㸰
㸯㸫㸱㹀
㸯㸫㸱㹀
㸯㸫㸲㹀
㹂㹐㹔㸰
㹋㹁㸰
㸯㸫㸱㹀
㸯㸫㸱㸿
㹑㹄㹐㹗
㹂㹐㹔㸯
㹒㹀㸵
㹑㹐㹁ࠉ㹎㹁㹀
㸯㸫㸰㹂
㹇㹍㹁ࠉ㹎㹁㹀
㸯㸫㸰㹂
㹎㹁㹇ࠉ㹇㸭㹍ࠉ㹀㹍㸿㹐㹂
㸱㸫㸯㹀
㹖㹝㹍㹐㹅
㹑㹃㹌㹑㹍㹐
㹖㹝㹁㹁㹕
㹑㹃㹌㹑㹍㹐
㹖㹝㹁㹕ࠉ㹑㹃㹌㹑㹍㹐
㹗㹝㹍㹐㹅ࠉ㹑㹃㹌㹑㹍㹐
㹗㹝㹁㹁㹕ࠉ㹑㹃㹌㹑㹍㹐
㹗㹝㹁㹕
㹑㹃㹌㹑㹍㹐
㹃㹋㹅ࠉ㹑㹕㹇㹒㹁㹆
㹂㹍㹍㹐ࠉ㹑㹕㹇㹒㹁㹆
㹇㸭㹊ࠉ㹑㹕㹇㹒㹁㹆
㸿㹇㹐
㹆㹋
㹎㹍㹕㹃㹐ࠉ㹍㹄㹄ࠉ㹑㹕
㹇㸭㹄ࠉ㹓
㹇㸭㹄ࠉ㹊
㹍㹉㸭㹌㹅
㹑㹔
㹑㹇㹅㹌㸿㹊ࠉ㹒㹍㹕㹃㹐ࠉ㸤
㹀㹓㹘㹘㹃㹐
㹀㹍㸿㹐㹂ࠉ㹑㹃㹌㹑㹍㹐ࠉ㹐
㹀㹍㸿㹐㹂ࠉ㹑㹃㹌㹑㹍㹐ࠉ㹊
㹀㹍㸿㹐㹂ࠉ㹁㹊㸿㹋㹎ࠉ㹓
㸲㸫㸯㹁
㹀㹍㸿㹐㹂ࠉ㹁㹊㸿㹋㹎ࠉ㹓
㹁㹌㸯㸴
㹁㹌㸯㸳
㹄㸿㹌
㹄㸿㹌
㹐㹣㹟㹰ࠉ㹊ࠉ㸯
㹂㹁ࠉ㹄㸿㹌ࠉ㸲
㹐㹣㹟㹰ࠉ㹊ࠉ㸰
㹂㹁ࠉ㹄㸿㹌ࠉ㸳
㹁㹌㸴
㹁㹌㸵
㹁㹌㸶
㹁㹌㸷
㹁㹌㸯㸶
㹁㹌㸯㸵
㹁㹌㸯
㹁㹌㸯㸱
㹁㹌㸰
㹁㹌㸱
㹁㹌㸲
㹁㹌㸯㸮
㹁㹌㸯㸱
㹁㹌㸯
㹁㹌㸰
㹁㹌㸵
㹁㹌㸷
㹁㹌㸯㸴
㹁㹌㸯㸵
㹁㹌㸯㸶
㹁㹌㸶
㹁㹌㸲
㹁㹌㸴
㹁㹌㸯㸯
㹁㹌㸯㸰
㹁㹌㸯㸲
㹁㹌㸯㸳
㹁㹌㸰
㹁㹌㸰㸰
㹁㹌㸰㸱
㹁㹌㸵
㹁㹌㸱
㹁㹌㸲
㹁㹌㸱㸲
㹁㹌㸯㸵
㹁㹌㸳
㹁㹌㸰㸲
㹁㹌㸱㸯
㹁㹌㸶
㹁㹌㸱㸶
㹁㹌㸰㸮
㹁㹌㸴
㹁㹌㸯㸰
㹁㹌㸯㸮
㹈㸱
㸱㸫㸰㹁
㸳㸫㸱㸿
㸲㸫㸱㸿