RV-2_RV-2-3D_RV-2-3DH-Rev02.pdf - 第46页
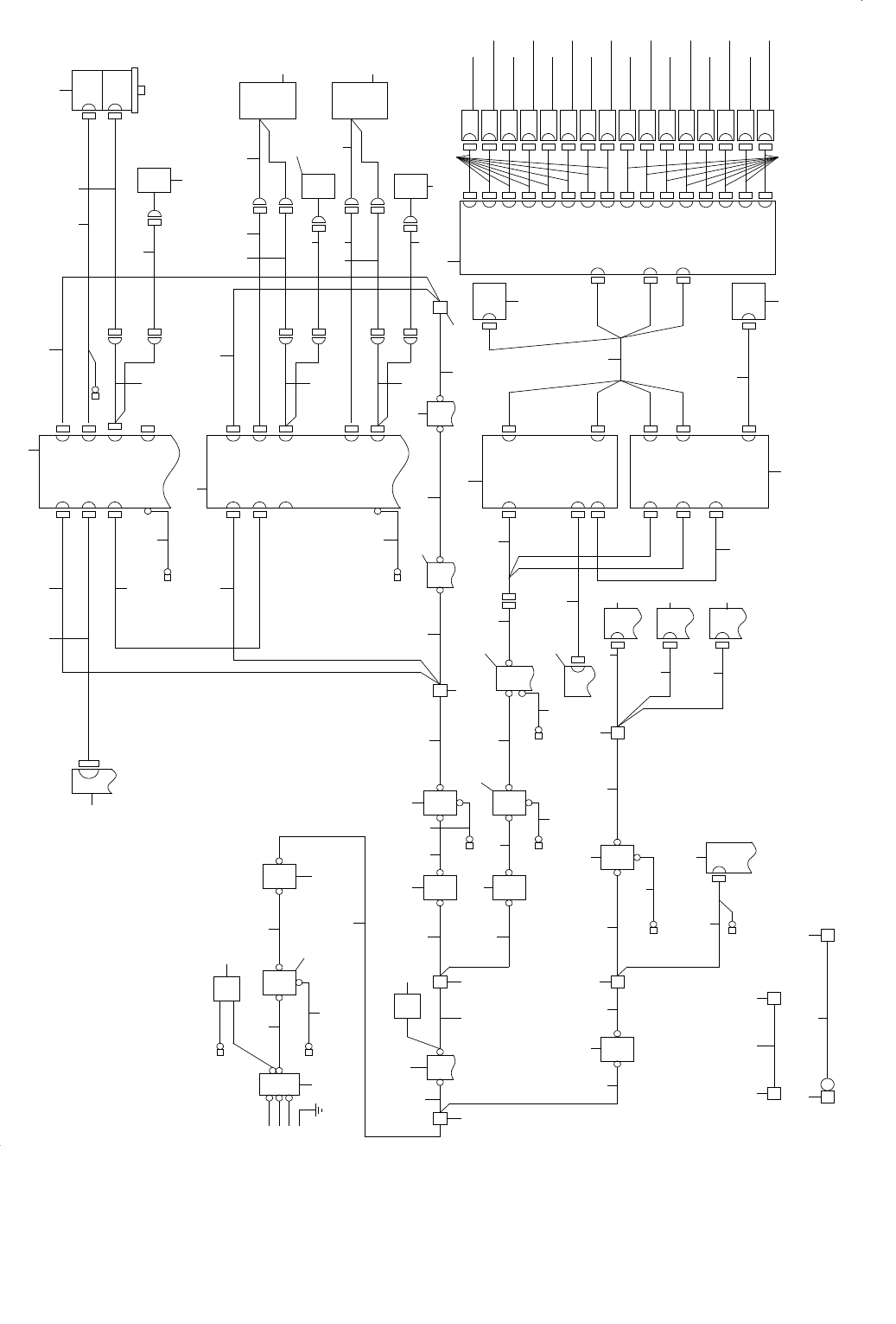
- 39 - 20. SYSTEM DIAGRAM(1) SYSTEM DIAGRA M(1) 2-1 A TB9 TB6 FG(E.B .) TB8 CN1 CN12 CN3 EPI PCB CN50 5 CN50 4 CN50 3 CN502 CN501 CN5 CN4 CN1 CN3 2-2B 2-2B 2-2C 3-2D 2-4 A 2-2A 2-1A 3-1A AVR3 FG FG CP1 TB2 AVR1 TB6 IOC P…

- 38 -
REF.NO NOTE PART NO D E S C R I P T I O N
品 名
Qty
1 401-59175 CALIBRATION JIG ASSY
キャリブレーション治具組
1

- 39 -
20.SYSTEM DIAGRAM(1)
SYSTEM DIAGRAM(1)
2-1A
TB9
TB6
FG(E.B.)
TB8
CN1
CN12
CN3
EPI PCB
CN505
CN504
CN503
CN502
CN501
CN5
CN4
CN1
CN3
2-2B
2-2B
2-2C
3-2D
2-4A
2-2A
2-1A
3-1A
AVR3
FG
FG
CP1
TB2
AVR1
TB6
IOC PCB
SRC PCB
DCS PCB
LCB PCB
LDBS PCB
LDBM PCB
MC3
TB5
CN1
CN2
TOP PCB
AGG PCB
CN19
CN18
CN17
CN16
CN15
CN14
CN13
CN12
CN11
CN1
CN2
CN4
CN10
CN5
CN6
CN7
CN8
CN9
CN3
LOW PCB 8
LOW PCB 7
LOW PCB 6
LOW PCB 5
LOW PCB 4
LOW PCB 3
LOW PCB 2
LOW PCB 1
MID PCB 5
MID PCB 6
MID PCB 7
MID PCB 8
MID PCB 4
MID PCB 3
MID PCB 2
MID PCB 1
SCALE HEAD(YB)
SCALE HEAD(YA)
YB SERVO MOTOR
YA SERVO MOTOR
2-2B
CNP2B
CNP3B
CNP2A
CNP3A
CNP1
CN1B
CN1A
CNP2
DRV2
FG
SCALE HEAD(X)
X SERVO MOTER
FG
FG
2-2B
CN8
CN2
CNP3
CNP1
CN1B
CN1A
CNP2
DRV1
2-1D
BOARD
POSITION
MC2
FG
AVR2
TB4
NF2
NF1
FG
FG
CP3
CP2
TB3
SK1
MC1
TB1
FG
ELB1NF0
SP1
FG
TB0
INPUT
PE
L3
L2
L1
1
2
3
4
5
6
7
8
10
11
12
13
10
14
16 23
17 24
19
26
18
25
27
21 28
10
30
52
52
56
54
53
55
39
38
37
31
32
33
10
35
36
40
10
43
44
45
47
48
91
94
49 50 51
46
9
65
64
57
58
59
60
62
63
61
69
70
71
72
73
67
10
95 97
89
96
93
92
74
75
76
77
78
79
85
81
80
82
83
41
90
88
87
86 86
84
34
15
22 68
22
22
22
22
22
22
22 68
68
68
68
68
68
68
20
29 42
65
66

- 40 -
REF.NO NOTE PART NO D E S C R I P T I O N
品 名
Qty
1 401-58284 MOTION CONTROLER
モーションコントローラー
1
2 401-58461 SURGE ABSORBER WIRE ASM
SURGE ABSORBERワイヤー組
1
3 HK-0895500-30 BLOCK TERMINAL
端子台
1
4 401-58342 TB0-NF0 WIRE ASM
TB0−NF0ワイヤー組
1
5 401-58344 NF0-E WIRE ASM
NF0−Eワイヤー組
1
6 401-58253 NOISE FILTER
ノイズフィルタ
1
7 401-58343 NF0-ELB1 CABLE ASM
NF0−ELB1ケーブル組
1
8 HA-0068000-00 CIRCUIT PROTECTOR
サーキットプロテクタ
1
9 401-58345 ELB1-TB1 CABLE ASM
ELB1−TB1ケーブル組
1
10 HK-0883500-1A BLOCK TERMINAL
端子台
1
11 401-58346 TB1-MC1 WIRE ASM
TB1−MC1ワイヤー組
1
12 HA-0053000-00 MAGNETIC CONTACTOR
コンタクタ
1
13 HA-0053000-40 MAGNETIC CONTACTOR
サージ吸収ユニット
1
14 401-58347 MC1-TB3 WIRE ASM
MC1−TB3ワイヤー組
1
15 HW-0024501-00 FLAT CABLE
フラットケーブル
1
16 401-58348 TB3-CP2 WIRE ASM
TB3−CP2ワイヤー組
1
17 HA-0067100-00 CIRCUIT PROTECTOR
サーキットプロテクタ
1
18 401-58349 CP2-NF1 WIRE ASM
CP2−NF1ワイヤー組
1
19 HN-0038100-0A NOISE FILTER
ノイズフィルタ
1
20 401-58360 NF1-E WIRE ASM
NF1−Eワイヤー組
1
21 401-58350 NF1-TB4 WIRE ASM
NF1−TB4ワイヤー組
1
22 401-51135 LED MID PCB ASM
LED MID基板組
1
23 401-58361 TB3-CP3 WIRE ASM
TB3−CP3ワイヤー組
1
24 HA-0067000-00 CIRCUIT PROTECTOR
サーキットプロテクタ
1
25 401-58362 CP3-NF2 WIRE ASM
CP3−NF2ワイヤー組
1
26 HN-0039800-00 NOISE FILTER
ノイズフィルタ
1
27 401-58363 NF2-E WIRE ASM
NF2−Eワイヤー組
1
28 401-58364 NF2-AVR2 WIRE ASM
NF2−AVR2ワイヤー組
1
29 HX-0071400-00 POWER SUPPLY
パワーサプライ
1
30 401-58365 AVR2-E WIRE ASM
AVR2−Eワイヤー組
1
31 401-58366 TB-1 CP1 WIRE ASM
TB−1 CP1ワイヤー組
1
32 HA-0067100-0A CIRCUIT PROTECTOR
サーキットプロテクタ
1
33 401-58367 CP1-TB2 WIRE ASM
CP1−TB2ワイヤー組
1
34 HW-0024500-80 FLAT CABLE
フラットケーブル
1
35 401-58368 TB2-AVR1 WIRE ASM
TB2−AVR1ワイヤー組
1
36 401-58528 POWER SUPPLY
スイッチング電源
1
37 401-58369 AVR1-E WIRE ASM
AVR1−Eワイヤー組
1
38 401-58453 TB2-AVR3 CABLE ASM
TB2−AVR3ケーブル組
1
39 401-58529 POWER SUPPLY
スイッチング電源
1
40 401-58445 AVR1-TB6(1) WIRE ASM
AVR1−TB6(1)ワイヤー組
1
41 401-51131 LED AGG PCB ASM
LED AGG基板組
1
42 401-58278 ILLUMINATION CONTROL BOARD
照明コントロール基板
1
43 401-58370 TB6-DCS WIRE ASM
TB6−DCSワイヤー組
1
44 401-58371 TB6-SRC WIRE ASM
TB6−SRCワイヤー組
1
45 401-58372 TB6-IOC WIRE ASM
TB6−IOCワイヤー組
1
46 401-58353 TB4-MC2 WIRE ASM
TB4−MC2ワイヤー組
1
47 401-58397 AVR2-LDB(1) CABLE ASM
AVR2−LDB(1)ケーブル組
1
48 401-58398 LCB-LDBM CABLE ASM
LCB−LDBMケーブル組
1
49 401-58508 DCS PCB ASM
DCS基板組
1
50 401-58507 SRC PCB ASM
SRC基板組
1
51 401-58506 IOC PCB ASM
IOC基板組
1
52 HK-0883500-10 BLOCK TERMINAL
ブロックターミナル
1
53 401-58396 F-R TB CABLE ASM
F−R TBケーブル組
1
54 401-57196 GROUND_BAR (FR)
アース バー (FR)
1
55 401-58395 EB-TB8 WIRE ASM
EB−TB8ワイヤー組
1
56 HK-0883500-1B BLOCK TERMINAL
端子台
1
57 401-58351 TB4-DRV1 WIRE ASM
TB4−DRV1ワイヤー組
1
58 401-29627 OPTICAL FIBER CABLE 1M
光ファイバケーブル1M
1
59 401-29628 OPTICAL FIBER CABLE 0.15M
光ファイバケーブル0.15M
1
60 401-58358 DRV1-E WIRE ASM
DRV1−Eワイヤー組
1
61 401-58293 SERVO AMPLIFIER
サーボアンプ
1
62 401-58352 TB4-DRV2 WIRE ASM
TB4−DRV2ワイヤー組
1
63 401-58294 SERVO AMPLIFIER
サーボアンプ
1
64 401-58359 DRV2-E WIRE ASM
DRV2−Eワイヤー組
1
65 HA-0067200-00 MAGNETIC CONTACTOR
電磁開閉器
1
66 401-58354 MC2-MC3 WIRE ASM
MC2−MC3ワイヤー組
1
67 401-58355 MC3-TB5 WIRE ASM
MC3−TB5ワイヤー組
1
68 401-51136 LED LOW PCB ASM
LED LOW基板組
1
69 401-58356 TB5-DRV1 WIRE ASM
TB5−DRV1ワイヤー組
1
70 401-58487 X MOTOR FORK CABLE MARKER ASM
XモータFORKケーブルマーカー組
1
71 401-58357 TB5-DRV2 WIRE ASM
TB5−DRV2ワイヤー組
1
72 401-58489 YA MOTOR CABLE MARKER ASM
YAモータケーブルマーカー組
1
73 401-58490 YB MOTOR CABLE MARKER ASM
YBモータケーブルマーカー組
1
74 401-58460 X MOTOR CABLE ASM
Xモータケーブル組
1
75 401-58488 X MOTOR ENC CABLE MARKER ASM
XモータENCケーブルマーカー組
1
76 401-58329 X SCALE CABLE ASM
Xスケールケーブル組
1
77 401-58298 LINER SCALE X
スケールX
1
78 401-58292 SERVO MOTOR
サーボモーター
1
79 401-58330 DRV2-CNP3A CABLE ASM
DRV2−CNP3Aケーブル組
1
80 401-58332 YA THM CABLE ASM
YA THMケーブル組
1
81 401-58331 YA SCALE CABLE ASM
YAスケールケーブル組
1
82 401-58333 DRV2-CNP3B CABLE ASM
DRV2−CNP3Bケーブル組
1
83 401-58335 YB THM CABLE ASM
YB THMケーブル組
1
84 401-58334 YB SCALE CABLE ASM
YBスケールケーブル組
1
85 401-58458 YA LINEAR MTR WIRE ASM
YAリニアMTRワイヤー組
1
86 401-58295 LINEAR MOTOR
リニア可動子
1
87 401-58299 LINER SCALE Y
スケールY
1
88 401-58459 YB LINEAR MTR WIRE ASM
YBリニアMTRワイヤー組
1
89 401-58401 LDBS-EPI WIRE ASM
LDBS−EPIワイヤー組
1
90 401-58299 LINER SCALE Y
スケールY
1
91 401-58456 AVR2-LDB(2) CABLE ASM
AVR2−LDB(2)ケーブル組
1
92 401-51137 LED MASTER PCB ASM
LED マスタ基板組
1
93 401-51155 LED SLAVE PCB ASM
LED SLAVE基板組
1
94 401-58399 LDB M-S WIRE ASM
LDB M−Sワイヤー組
1
95 401-51134 LED TOP PCB ASM
LED TOP基板組
1
96 401-58400 LDB-AGG WIRE ASM
LDB−AGGワイヤー組
1
97 401-51133 LED EPI PCB ASM
LED EPI基板組
1