RV-2_RV-2-3D_RV-2-3DH-Rev02.pdf - 第143页
- 132 - REF.NO NOTE PART NO D E S C R I P T I O N 品 名 Qty 1 402-10500 MOTHER BOARD マザーボード 1 2 402-10494 ATX POWER ATX電源 1 3 401-58262 RS232C CABLE RS232Cケーブル 1 4 EZ-1838009-11 CABLE ATX POWER (WH-M2424-500) ATX電源ケ−ブル(WH−…

- 131 -
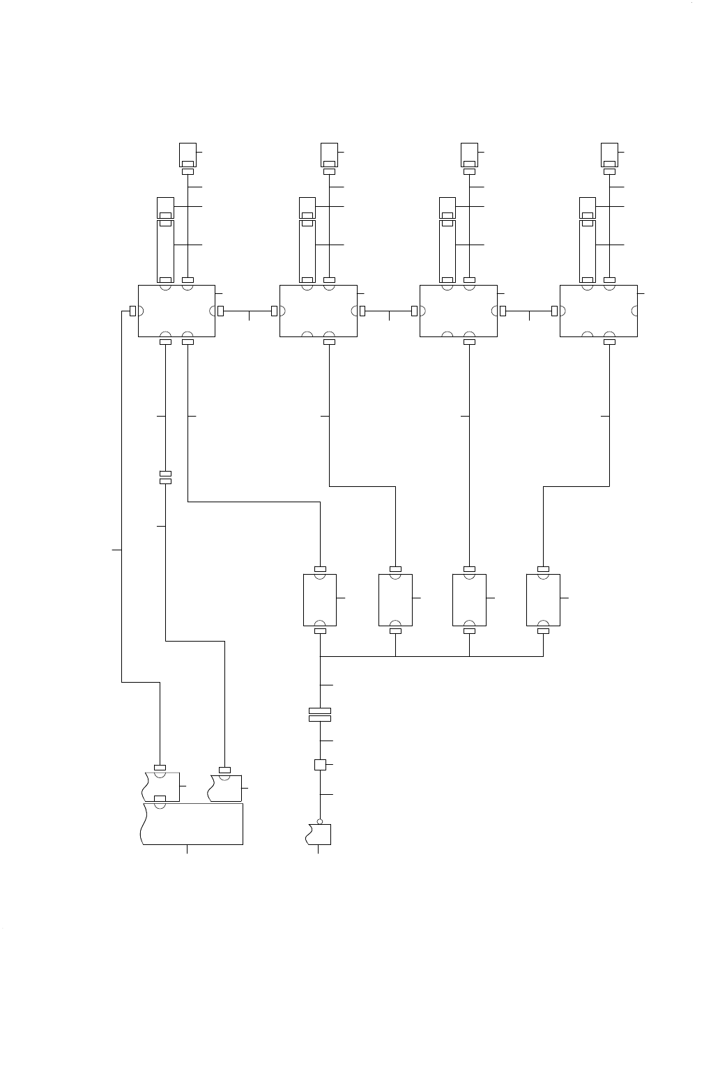
66.SYSTEM DIAGRAM(3)
SYSTEM DIAGRAM(3)
㸲㸫㸯㹀
㸲㸫㸯㸿
㸲㸫㸯㸿
㹔㹅㸿ࠉ㹀㹍㸿㹐㹂
㹁㹖㹎㸫㹇㹄ࠉ㹇㹎
㹀㹍㸿㹐㹂
㹑㹃㹐㹇㸿㹊ࠉ㹎㹍㹐㹒
㸯㸫㸰㹂
㹋㹣㹫㹫㹭㹰㹷
㹓㹑㹀ࠉ㹎㹍㹐㹒
㹊㸿㹌ࠉ㹎㹍㹐㹒
㹊㸿㹌
㹁㹌㸯㸲
㸰㸫㸯㹂
㸲㸮㸰㸮㸷㸷㸳㸱
㹁㹋㹍㹑ࠉ㹁㸿㹋㹃㹐㸿
㹁㹍㹌㹌㹃㹁㹒㹍㹐
ࠉࠉࠉࠉ㹎㸿㹌㹃㹊
㹎㹍㹕㹃㹐ࠉ㹊㹃㹂
㹆㹂㹂ࠉ㹊㹃㹂
㹄㸿㹌
㸰㸫㸱㸿
㸰㸫㸯㹂
㹑㹑㹂
㹋㹣㹫㹫㹭㹰㹷
㹎㹁㹇ࠉ㹇㸭㹍ࠉ㹀㹍㸿㹐㹂
㹎㹍㹑㹇㹒㹇㹍㹌ࠉ㹀㹍㸿㹐㹂
㹋㹣㹫㹫㹭㹰㹷
㹋㹣㹫㹫㹭㹰㹷
㹁㹎㹓
㸰㸫㸯㹂
㹋㹍㹒㹆㹃㹐ࠉ㹀㹍㸿㹐㹂
㹄㸿㹌
㹁㹎㹓ࠉ㹄㸿㹌
㹀㸿㹒
㸿㹔㹐㸱
㸯㸱
㸰㸴
㸲㸰
㸰㸯
㸱㸷
㸱㸵
㸱㸳
㸱㸶
㸱㸴
㸱㸰
㸱㸯
㸰㸷
㸰㸶
㸰㸵
㸰㸮
㸰㸰
㸯㸶
㸯㸷
㸯㸵
㸯㸴
㸯㸳
㸷
㸯㸮
㸯㸮
㸯㸮
㸯㸮
㸯㸯
㸯㸰
㸴
㸵
㸶
㸳
㸲
㸱
㸯
㸰
㸯㸲
㸰㸳
㸱㸱
㸱㸮
㸰㸲
㸰㸱
㹂㹁ࠉ㹄㸿㹌
㹂㹁㹑ࠉ㹎㹁㹀
㹋㹍㹌㹇㹒㹍㹐
㹓㹑㹀ࠉ㹃㹖㹒㹃㹌㹑㹇㹍㹌
㹄㹅 㹄㹅
㸦㹎㸬㹃㸬㸧 㸦㹃㸬㹀㸬㸧
㹄㹅
㸦㹃㸬㹀㸬㸧
㹄㹅
㸦㹖ࠉ㹀㸿㹑㹃㸧
㹄㹅
㸦㹃㸬㹀㸬㸧
㹄㹅
㸦㹁㹍㹌㹒㹐㹍㹊ࠉ㹀㹍㹖㸱㸧
㹄㹅
㸦㹖ࠉ㹀㸿㹑㹃㸧
㹄㹅
㸦㹁㸿㹋㹃㹐㸿ࠉ㹀㸿㹑㹃㸧
㹄㹅
㸦㹋㹍㹌㹇㹒㹍㹐ࠉ㹀㸿㹑㹃㸧
㹄㹅
㸦㹎㸬㹃㸬㸧
㹄㹅
㸦㹁㸿㹋㹃㹐㸿ࠉ㹀㸿㹑㹃㸧
㹄㹅
㸦㹁㸿㹋㹃㹐㸿㸧
㸲㸮
㸱㸲
㸲㸯

- 132 -
REF.NO NOTE PART NO D E S C R I P T I O N
品 名
Qty
1 402-10500 MOTHER BOARD
マザーボード
1
2 402-10494 ATX POWER
ATX電源
1
3 401-58262 RS232C CABLE
RS232Cケーブル
1
4 EZ-1838009-11 CABLE ATX POWER (WH-M2424-500)
ATX電源ケ−ブル(WH−M2424−500)
1
5 EZ-1833193-11 CABLE ATX POWER (WH-V0408-500)
ATX電源ケ−ブル(WH−V0408−500)
1
6 402-10503 CPU FAN
CPU ファン
1
7 EZ-1756676-11 BATTERY (BS10A-H24/2.0L)
バッテリ (BS10A−H24/2.0L)
1
8 EZ-1838010-11 CABLE ATX POWER (WH-PS610-850)
ATX電源ケ−ブル(WH−PS610−850)
1
9 402-10502 CPU
CPU
1
10 402-10501 MEMORY
メモリ
1
11 402-10493 MOTION CONTROLER
モーションコントローラー
1
12 402-10492 IO BOARD
I/Oボード
1
13 401-58259 SATA CABLE
SATAケーブル
1
14 401-58405 C_BASE-CAMERA WIRE ASM
C_BASE−CAMERAワイヤー組
1
15 402-03689 SSD
SSD
1
16 401-58498 LAN EXT CABLE MARKER ASM
LAN EXTケーブルマーカー組
1
17 HK-0896200-80 CONNECTOR
コネクタ
1
18 401-95006 USB3.1 EXTENSION BOARD
USB3.1拡張基板
1
19 401-58491 USB EXT CABLE1 MARKER ASM
USB EXTケーブル1 マーカー組
1
20 401-58492 USB EXT CABLE2 MARKER ASM
USB EXTケーブル2 マーカー組
1
21 401-58478 PC FAN ASM
PC ファン組
1
22 401-67799 USB EXT CABLE3 MARKER
USB EXTケーブル3 マーカー組
1
23 401-58327 PE-EB WIRE ASM
PE−EBワイヤー組
1
24 401-58341 EB-X_BASE WIRE ASM
EB−X_ベースワイヤー組
1
25 401-58455 CB3-PE WIRE ASM
CB3−PEワイヤー組
1
26 402-00183 MONITOR
モニタ
1
27 401-58454 DSUB CABLE ASM
DSUBケーブル組
1
28 401-67801 USB CABLE MONITOR
USBケーブルモニタマーカー組
1
29 401-58322 MONITOR_POW CABLE ASM
モニタ_POWケーブル組
1
30 401-58404 X-CAM BASE WIRE ASM
X−CAMベースワイヤー組
1
31 402-09953 COAX CAMERA
コアックス カメラ
1
32 402-11425 COAX CAMERA CABLE
同軸カメラケーブル
1
33 401-58328 EB-MONITOR BASE WIRE ASM
EB−MONITORベースワイヤー組
1
34 402-14874 VGA BOARD
グラフィックボード
1
35 401-58508 DCS PCB ASM
DCS基板組
1
36 401-58393 MB-DCS CABLE ASM
MB−DCSケーブル組
1
37 401-58479 PC LED ASM
PC LED組
1
38 401-58323 MB-LED CABLE ASM
MB−LEDケーブル組
1
39 402-12197 3DH PC IN(1) WIRE ASM
3DH PC IN(1)ワイヤー組
1
40 402-15310 CXP-IF IP BOARD
コアックスIF画像処理基板
1
41 402-10504 RS-232C PANEL BOARD
RS−232C 2ポート拡張インターフェイス基板
1
42 401-58436 PC_IN(2) WIRE ASM
PC_IN(2)ワイヤー組
1

- 133 -
67.SYSTEM DIAGRAM(4)
SYSTEM DIAGRAM(4)
㸱㸫㸰㹁
㸱㸫㸯㸿
㹁㹌㸴
㹁㹌㸯㸮
㹁㹌㸴
㹁㹌㸯㸮
㹁㹖㹎㸫㹇㹄ࠉ㹇㹎ࠉ㹀㹍㸿㹐㹂
㹒㹀㸯㸯
㹋㹎㹑㸱㹂㸫㹎㹕㹐ࠉ㹎㹁㹀ࠉ㸿㹑㹋
㹁㹌㸰
㹁㹌㸯
㹋㹎㹑㸱㹂㸫㹎㹕㹐ࠉ㹎㹁㹀ࠉ㸿㹑㹋
㹁㹌㸰
㹁㹌㸯
㹋㹎㹑㸱㹂㸫㹎㹕㹐ࠉ㹎㹁㹀ࠉ㸿㹑㹋
㹁㹌㸰
㹁㹌㸯
㹋㹎㹑㸱㹂㸫㹎㹕㹐ࠉ㹎㹁㹀ࠉ㸿㹑㹋
㹁㹌㸰
㹁㹌㸯
㹁㹌㸷
㹁㹌㸳
㹎㹑㸱㹂㹆㸫㹂㹐㹔ࠉ㹎㹁㹀ࠉ㸿㹑㹋
㹁㹌㸰
㹁㹌㸶
㹁㹌㸷
㹁㹌㸳
㹁㹌㸯
㹎㹑㸱㹂㹆㸫㹂㹐㹔ࠉ㹎㹁㹀ࠉ㸿㹑㹋
㹁㹌㸰
㹁㹌㸶
㹁㹌㸷
㹁㹌㸳
㹁㹌㸴
㹁㹌㸯㸮
㹎㹑㸱㹂㹆㸫㹂㹐㹔ࠉ㹎㹁㹀ࠉ㸿㹑㹋
㹁㹌㸰
㹁㹌㸶
㹁㹌㸷
㹁㹌㸳
㹑㹃㹐㹇㸿㹊ࠉ㹎㹍㹐㹒
㹁㹌㸰
㹋㹇㹐㹐㹍㹐ࠉ㸿㹐㹐㸿㹗
㹎㹑㸱㹂㹆㸫㹂㹋㹂ࠉ㹎㹁㹀
㸿㹑㹋
㹁㹌㸯
㹋㹎㹑㸱㹂㸫㹕㹊㹃㹂ࠉ㹎㹁㹀ࠉ㸿㹑㹋
㹁㹌㸯
㹁㹌㸴
㹁㹌㸯㸮
㹎㹑㸱㹂㹆㸫㹂㹐㹔ࠉ㹎㹁㹀ࠉ㸿㹑㹋
㹁㹌㸰
㹁㹌㸶
㸯㸫㸰㹀
㸿㹔㹐㸳
㸱㸫㸰㹁
㹋㹍㹒㹆㹃㹐ࠉ㹀㹍㸿㹐㹂
㸯
㸰
㸱
㸲
㸳
㸴
㸯㸱
㸶
㸯㸮
㸷
㸵
㸯㸯
㸯㸰 㸯㸰 㸯㸰 㸯㸰
㸯㸲 㸯㸴㸯㸳
㸯㸵
㸰㸯
㸰㸮
㸯㸶
㸯㸷
㹋㹎㹑㸱㹂㸫㹕㹊㹃㹂ࠉ㹎㹁㹀ࠉ㸿㹑㹋
㹋㹇㹐㹐㹍㹐ࠉ㸿㹐㹐㸿㹗
㹎㹑㸱㹂㹆㸫㹂㹋㹂ࠉ㹎㹁㹀
㸿㹑㹋
㹁㹌㸰
㹁㹌㸯
㸯㸷
㸯㸶
㸰㸮
㹁㹌㸯
㸰㸯
㹎㹑㸱㹂㹆㸫㹂㹋㹂ࠉ㹎㹁㹀
㸿㹑㹋
㹋㹇㹐㹐㹍㹐ࠉ㸿㹐㹐㸿㹗
㹁㹌㸰
㹁㹌㸯
㸯㸷
㸯㸶
㸰㸮
㹁㹌㸯
㹋㹎㹑㸱㹂㸫㹕㹊㹃㹂ࠉ㹎㹁㹀ࠉ㸿㹑㹋
㸰㸯
㸰㸰 㸰㸰 㸰㸰
㹎㹑㸱㹂㹆㸫㹂㹋㹂ࠉ㹎㹁㹀
㸿㹑㹋
㹋㹇㹐㹐㹍㹐ࠉ㸿㹐㹐㸿㹗
㹁㹌㸰
㹁㹌㸯
㸰㸮
㸯㸶
㸯㸷
㹁㹌㸯
㹋㹎㹑㸱㹂㸫㹕㹊㹃㹂ࠉ㹎㹁㹀ࠉ㸿㹑㹋
㸰㸯
㸯㸵 㸯㸵 㸯㸵