RV-2_RV-2-3D_RV-2-3DH-Rev02.pdf - 第93页
- 84 - REF.NO NOTE PART NO D E S C R I P T I O N 品 名 Qty 1 401-58508 DCS PCB ASM DCS基板組 1 2 401-58309 PON_SW-DCS CABL E ASM PON_SW−DCS ケーブル組 1 3 EZ-1846554- 11 CAB LE SW SW ケ−ブル(ZY1C−SS3961−P−ON) 1 4 401-58373 MC1-DCS WI…

- 83 -
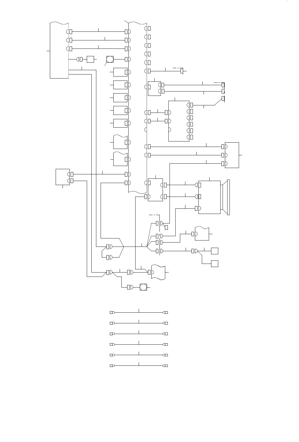
42.SYSTEM DIAGRAM(2)
SYSTEM DIAGRAM(2)
4-3A
5-3A
3-2C
J3
CN10
CN12
CN6
CN20
CN38
CN8
CN31
CN24
CN5
CN17
CN34
CN4
CN3
CN7
CN23
CN22
CN2
CN15
CN14
CN12
CN11
CN6
CN4
CN8
CN18
CN17
CN16
CN9
CN7
CN2
CN1
CN13
CN10
CN4
CN3
CN2
CN13
CN1
CN17
CN18
CN9
CN8
CN7
CN6
DC FAN 5
RearL2
DC FAN 4
Rear L 1
FAN
FAN
CN15
CN16
BOARD CLAMP U
4-1C
BOARD CLAMP U
BOARD SENSOR L
BOARD SENSOR R
SIGNAL TOWER &
BUZZER
SV
OK/NG
I/F L
I/F U
POWER OFF SW
HM
AIR
I/L SW ITCH
DOOR SWITCH
EMG SWITCH
Y_CW
SENSOR
Y_CCW SENSOR
Y_ORG SENSOR
X_CW SENSOR
X_CCW
SENSOR
X_ORG
SENSOR
3-1B
PCI I/O BOARD
1-2D
IOC PCB
1-2D
SRC PCB
TB7
DRV1
SFRY
1-3A
1-3B
MC2
DRV2
1-4B
1-3B
1-3B
AVR2
MC3
CM MOTOR
AD MOTOR
3-2A
J9
J10
J7
J1
J4
J8
J6
J5
DRV3
FG
MOTHER BOARD
3-2B
1-2A
POSITION BOARD
AD_CCW SENSOR
AD_CW SENSOR
AD_ORG SENSOR
DC FAN 3
RearU2
DC FAN 2
Rear U 1
FAN
FAN
CSK1
1-1B
MC1
1-2D
DCS PCB
POWER ON SWITCH
1
2
3
4
5
6
107
9
8
8
8
8
11
12 13 14
15
16
39
17
18
20
23
21 22
24 26 28 29
25 27 30 30
32
31
34
35
36
37
38
42 42
41
40
44
43
33
47
48
56
61
66
70
67
62
57
19
96
71 76 78 81
83
72 74
79 80
82
73 75
77
84
86
85 88
87
89 90 91
92
94
5595
93
45
5351
49
52
52
52
52
52
54
58
59
60
65
63
64
68
69
46
50
52
:Both selection for LONG CONVEYOR Option
Marking Option Only
Selection for R-L flow
Selection for L-R flow
ULTRASONIC SENSOR L
ULTRASONIC SENSOR R
BOARD SENSOR HEAD L
BOARD SENSOR HEAD R
97
98 98
99
Marking Option Only

- 84 -
REF.NO NOTE PART NO D E S C R I P T I O N
品 名
Qty
1 401-58508 DCS PCB ASM
DCS基板組
1
2 401-58309 PON_SW-DCS CABLE ASM
PON_SW−DCS ケーブル組
1
3 EZ-1846554-11 CABLE SW
SW ケ−ブル(ZY1C−SS3961−P−ON)
1
4 401-58373 MC1-DCS WIRE ASM
MC1−DCSワイヤー組
1
5 HA-0053000-00 MAGNETIC CONTACTOR
コンタクタ
1
6 401-58310 REAR_U FAN(1) WIRE ASM
リア_Uファン(1)ワイヤー組
1
7 401-58311 REAR_U FAN(2) WIRE ASM
リア_Uファン(2)ワイヤー組
1
8 401-33768 DC FAN
DCファン
1
9 401-58312 REAR_L FAN(1) WIRE ASM
リア_Lファン(1)ワイヤー組
1
10 401-58313 REAR_L FAN(2) WIRE ASM
リア_Lファン(2)ワイヤー組
1
11 401-58406 AD_SENSOR-DCS CABLE ASM
AD_SENSOR−DCSケーブル組
1
12 401-58462 AD ORG SENSOR CABLE ASM
AD 原点センサーケーブル組
1
13 401-58463 AD CW SENSOR CABLE ASM
AD CWセンサーケーブル組
1
14 401-58464 AD CCW SENSOR CABLE ASM
AD CCWセンサーケーブル組
1
15 401-58314 PB-DCS CABLE ASM
PB−DCSケーブル組
1
16 401-58284 MOTION CONTROLER
モーションコントローラー
1
17 401-58374 DCS-TB7 WIRE ASM
DCS−TB7ワイヤー組
1
18 HK-0883500-10 BLOCK TERMINAL
ブロックターミナル
1
19 401-58385 TB7-IOC WIRE ASM
TB7−IOCワイヤー組
1
20 401-58507 SRC PCB ASM
SRC基板組
1
21 401-58377 SFRY-SRC(1) WIRE ASM
SFRY−SRC(1)ワイヤー組
1
22 401-58378 SFRY-SRC(2) WIRE ASM
SFRY−SRC(2)ワイヤー組
1
23 HB-0015800-0A RELAY
セーフティリレーユニット
1
24 401-58379 DRV1-SRC CABLE ASM
DRV1−SRCケーブル組
1
25 401-58293 SERVO AMPLIFIER
サーボアンプ
1
26 401-58380 DRV2-SRC CABLE ASM
DRV2−SRCケーブル組
1
27 401-58294 SERVO AMPLIFIER
サーボアンプ
1
28 401-58381 MC-SRC(1) WIRE ASM
MC−SRC(1)ワイヤー組
1
29 401-58382 MC-SRC(2) WIRE ASM
MC−SRC(2)ワイヤー組
1
30 HA-0068700-00 MAGNETIC CONTACTOR
電磁開閉器
1
31 401-58383 AVR2-SRC WIRE ASM
AVR2−SRCワイヤー組
1
32 HX-0071400-00 POWER SUPPLY
パワーサプライ
1
33 401-58384 DRV3-SRC CABLE ASM
DRV3−SRCケーブル組
1
34 401-58290 MOTOR CONTROLER
モーターコントローラドライバ
1
35 401-58375 DCS-DRV3(POW) WIRE ASM
DCS−DRV3(POW)ワイヤー組
1
36 401-58376 DCS-DRV3(SIG) WIRE ASM
DCS−DRV3(SIG)ワイヤー組
1
37 401-58431 DRV3 JUMPER WIRE ASM
DRV3 JUMPERワイヤー組
1
38 401-58494 USB CABLEDRV3 MARKER ASM
USB CABLEDRV3マーカー組
1
39 401-58285 MOTHER BOARD
マザーボード
1
40 401-58434 DRV3-AD MOTOR CABLE ASM
DRV3−ADモータケーブル組
1
41 401-58465 AD MOTOR WIRE ASM
ADモータワイヤー組
1
42 HM-0022500-00 STEPPING MOTOR
ステッピングモータ
1
43 401-58435 DRV3-CM MOTOR CABLE ASM
DRV3−CMモータケーブル組
1
44 401-58466 CM MOTOR WIRE ASM
CMモータワイヤー組
1
45 401-58261 IO BOARD
I/Oボード
1
46 401-58386 IOB-IOC CABLE ASM
IOB−IOC ケーブル組
1
47 401-58432 SRC-X_SENSOR(0) CABLE ASM
SRC−X_センサー(0)ケーブル組
1
48 401-58439 SRC-X_SENSOR(1) CABLE ASM
SRC−X_センサー(1)ケーブル組
1
49 401-58387 SRC-IOC WIRE ASM
SRC−IOC ワイヤー組
1
50 401-58336 SRC-X_SENSOR(2) CABLE ASM
SRC−X_センサー(2)ケーブル組
1
51 401-58437 X ORG SENSOR CABLE ASM
X ORG センサーケーブル組
1
52 HD-0032000-00 SENSOR
センサ
1
53 401-58337 X CCW SENSOR CABLE ASM
X CCWセンサーケーブル組
1
54 401-58338 X CW SENSOR ASM
X CW センサー組
1
55 401-58473 BOARD SENSOR HEAD L ASM
ボードセンサーヘッドLセンサー組
1
56 401-58433 SRC-Y_SENSOR(0) CABLE ASM
SRC−Y_センサー(0)ケーブル組
1
57 401-58440 SRC-Y_SENSOR(1) CABLE ASM
SRC−Y_センサー(1)ケーブル組
1
58 401-58438 Y ORG SENSOR CABLE ASM
Y ORG センサーケーブル組
1
59 401-58339 Y CCW SENSOR CABLE ASM
Y CCW センサーケーブル組
1
60 401-58340 Y CW SENSOR ASM
Y CW センサー組
1
61 401-58324 EMG_IL(1) CABLE ASM
EMG_IL(1)ケーブル組
1
62 401-58325 EMG_IL(2) CABLE ASM
EMG_IL(2)ケーブル組
1
63 401-58315 IL_SW WIRE ASM
IL_SW ワイヤー組
1
64 EZ-1846553-11 CABLE EMG
EMG ケ−ブル(ZY1C−SS3961−EMG)
1
65 HA-0067700-00 SWITCH
スイッチ
1
66 401-58316 DS1_SW(1) CABLE ASM
DS1_SW(1)ケーブル組
1
67 401-58326 DS1_SW(2) CABLE ASM
DS1_SW(2)ケーブル組
1
68 401-58317 DS1_SW(3) CABLE ASM
DS1_SW(3)ケーブル組
1
69 HA-0067800-00 SWITCH
スイッチ
1
70 401-58394 SRC-DS2 WIRE ASM
SRC−DS2ワイヤー組
1
71 401-58318 IOC-AIR_HM CABLE ASM
IOC−AIR_HMケーブル組
1
72 401-58457 AIR WIRE ASM
エアワイヤー組
1
73 401-58250 PRESSURE SENSOR
圧力センサー
1
74 401-58319 HM WIRE ASM
HMワイヤー組
1
75 HB-0007800-0B TIMER
タイマー
1
76 401-58320 IOC-POFF CABLE ASM
IOC−POFFケーブル組
1
77 EZ-1846555-11 CABLE SW
SW ケ−ブル(ZY1C−SS3961−P−OFF)
1
78 401-58448 IOC-IF CABLE ASM
IOC−IFケーブル組
1
79 401-58449 IF-U WIRE ASM
IF−Uワイヤー組
1
80 401-58450 IF-L WIRE ASM
IF−Lワイヤー組
1
81 401-58452 IOC-OKNG CABLE ASM
IOC−OKNGケーブル組
1
82 401-58451 IOC-OKNG WIRE ASM
IOC−OKNGワイヤー組
1
83 401-58409 IOC-SV CABLE ASM
IOC−SVケーブル組
1
84 401-58277 MANIFOLD
マニホールド
1
85 401-58321 IOC-ST_BZ CABLE ASM
IOC−ST_BZケーブル組
1
86 401-58467 ST AND BZ WIRE ASM
ST & BZワイヤー組
1
87 HE-0005800-00 INDICATOR LAMP
ランプ
1
88 401-58407 IOC-B_SNSR(1) CABLE ASM
IOC−B_SNSR(1)ケーブル組
1
89 401-58468 BOARD SENSOR R CABLE ASM
ボードセンサーRケーブル組
1
90 401-58469 BOARD SENSOR L CABLE ASM
ボードセンサーLケーブル組
1
91 401-58470 BOARD CLAMP FU ASM
ボードクランプFUセンサー組
1
92 401-58408 IOC-B_SNSR(2) CABLE ASM
IOC−B_SNSR(2)ケーブル組
1
93 401-58471 BOARD CLAMP RU ASM
ボードクランプRUセンサー組
1
94 401-58402 IOC-B_SNSR(3) CABLE ASM
IOC−B_SNSR(3)ケーブル組
1
95 401-58472 BOARD SENSOR HEAD R ASM
ボードセンサーヘッドRセンサー組
1
96 401-58506 IOC PCB ASM
IOC基板組
1
97 401-58548 ULTRASONIC SENSOR ASM R
超音波センサー組R
1
98 401-58547 SENSOR
センサー
1
99 401-58549 ULTRASONIC SENSOR ASM L
超音波センサー組L
1

- 85 -
43.SYSTEM DIAGRAM(3)
SYSTEM DIAGRAM(3)
4-1B
1-2D
(CAMERA)
FG
(CAMERA BASE)
FG
Memmory
USB PORT
LAN PORT
LAN
CN14
(P.E.)
FG
(MONITOR BASE)
FG
(CAMERA BASE)
FG
(X BASE)
FG
(CONTROL BOX3)
FG
(E.B.)
FG
(X BASE)
FG
(E.B.)
FG
(E.B.)(P.E.)
FGFG
2-1D
USB EXTENSION
USB BOARD
MONITOR
FGB
CMOS CAMERA
CONNECTOR
PANEL
DCS PCB
POWER LED
HDD LED
LC2 PCB
DC FAN
FAN
2-3A
2-1D
Memmory
PCI I/O BOARD
POSITION BOARD
Memmory
Memmory
CPU
2-1D
MOTHER BOARD
FAN
CPU FAN
BAT
AVR3
44
45
46
47
25
14
2
1
3
4
5
8
7
6
12
11
10
10
10
10
9
15
16
17
19
23
24
21
18
22
20
27
28
29
30
31
32
33
34
36
38
35
37
39
43
42
41
40
26
13
4-1B
1-3C
SSD