YSM20WR_KMM-000_cwd.pdf - 第29页
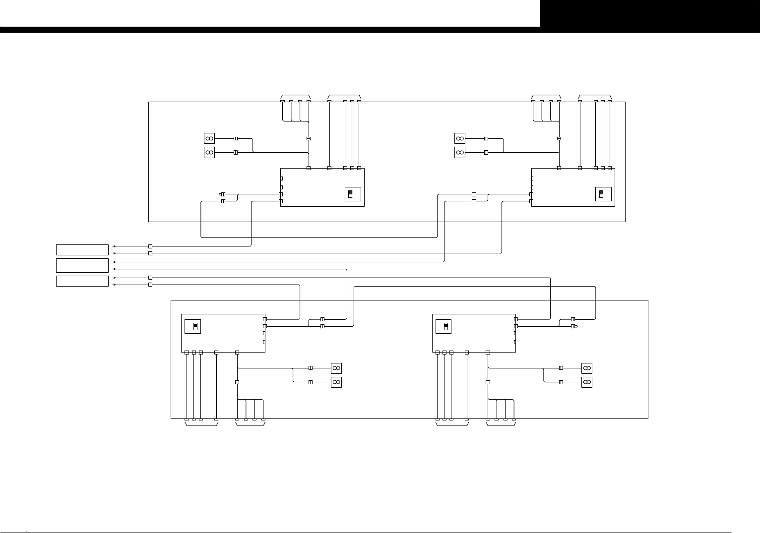
Confidential & P roprietary P A G E CONVEY OR C/R ATHAM ATHAP QF51,X T31 QF43,X T42 CONTROL BOX -1- SRV4 LAN AZABK AZAM AZAP POWER CIRCUIT See Page 2 J0302 J0254 J0103 F1 FE S DI F1 FE S DO F1 FD R EMG I/O B CN3 I/O …

Confidential & Proprietary
PAGE
CN38R
CN37R
CN38L
CN37L
CN37R
CN38R
CN37L
CN38L
N0109104
N0109105
N0108B04
N0108B05
N0110B05
N0110B04
N0111105
N0111104
FAN57
FAN56
FDR FAN R1-1
FDR FAN R1-2
FAN2
FAN1FDR FAN
FDR FAN
FAN52
FAN51
FDR FAN F1-1
FDR FAN F1-2
FDR FAN
FDR FAN
FAN2
FAN1
FAN59
FAN58
FDR FAN R2-1
FDR FAN R2-2
FAN54
FAN53
FDR FAN F2-2
FDR FAN F2-1
J0108
I/O C
J1077
I/O C
I/O C
J1075
J0106
I/O B
J1073
I/O B
I/O B
J1071
J1402
J1302
J1202
J1102
FDR CTRL BOARD ASSY P133
J1301
J1385
J1353
J1352
J1351
CN39
CN35
DI/DO L
CN43L
・
・
・
CN43
CN3
CN2
CN1
ON
OFF
DIP SW(S1)
CN37
CN38
CN42
・
・
・
FDR DO0
FDR CTRL BOARD ASSY P134
FAN1
FAN2
FDR FAN
FDR FAN
J1401
J1485
J1453
J1452
J1451
CN39
CN35
DI/DO R
CN43R FDR DO0
・
・
・
CN43
CN3
CN2
CN1
ON
OFF
DIP SW(S1)
CN37
CN38
CN42
・
・
・
CN39
FDR CTRL BOARD ASSY P132
ON
OFF
DIP SW(S1)
CN42
CN38
CN37
CN39
FDR CTRL BOARD ASSY P131
ON
OFF
DIP SW(S1)
CN42
CN38
CN37
FAN2
FAN1
FDR FAN
FDR FAN
J1201
J1285
J1253
J1252
J1251
CN35
DI/DO R
FDR DO0
・
・
・
CN43R
CN43
・
・
CN3
CN2
CN1
・
J1101
J1185
J1153
J1152
J1151
CN35
DI/DO L
CN43LFDR DO0
・
・
・
CN43
・
・
CN3
CN2
CN1
・
・Multi-stick feeders
・QFP recovery conveyor・ZS feeders
・SS feeders ・Multi-stick feeders
・QFP recovery conveyor・ZS feeders
・SS feeders
・QFP recovery conveyor
・Multi-stick feeders
・QFP recovery conveyor
・Multi-stick feeders・ZS feeders
・SS feeders
・ZS feeders
・SS feeders
・AL feeders・AL feeders
・AL feeders・AL feeders
FRONT FIX70 FEEDER
REAR FIX70 FEEDER
F1 FDR PWR
J1072
QF41,XT41
See Page 2
POWER CIRCUIT
F2 FDR PWR
J0105
J1074J0043
J0042
QF42,XT41
See Page 2
POWER CIRCUIT
R2 FDR PWR
J1078
R1 FDR PWR
J0107
J1076
CONTROL BOX -3-
See Page 10
J0045
J0044
J0103
J0104
I/O
I/O
CR I/O C
CR I/O B
FDR DO1
FDR DI0
FDR DO2
N0108B00
T0108280
T0108281
T0108282
FDR DO1
FDR DI0
FDR DO2
T0108380
T0108381
T0108382
N0109100
FDR DO1
FDR DI0
FDR DO2
N0110B00
FDR DO1
FDR DI0
FDR DO2
T0110280
T0110281
T0110282
N0111100
T0110380
T0110381
T0110382
CC .V 0
25
F
IX70 FEEDER
YSM20WR-2

Confidential & Proprietary
PAGE
CONVEYOR C/R
ATHAM
ATHAP
QF51,XT31
QF43,XT42
CONTROL BOX -1-
SRV4 LAN
AZABK
AZAM
AZAP
POWER CIRCUIT
See Page 2
J0302
J0254
J0103
F1 FES DI
F1 FES DO
F1 FDR EMG
I/O B
CN3
I/O CONVEYOR -1-
FDR EMG
CONTROL BOX -3-
ATS LAN
AZP
AZM
AZBK
ATHP
ATHM
ATS POWER
FDR PWR
EMG
I/O
I/O
See sATS30(KMA)
INTERCONNECTION DIAGRAM
FRONT-1 sATS30
ATHM
ATHP
AZBK
AZM
AZP
FDR PWR
EMG
I/O
I/O
See cATS10(KLX)
INTERCONNECTION DIAGRAM
FRONT-1 cATS10
ATHM
ATHP
AZBK
AZM
ATS I/FATS I/F AZP
FDR PWR
FES DO
PWR FES DI
EMG
I/O
CUNET F1CUNET I/O
J0043
J0043
J0302
J0302
J0254
J0254
J0042
J0302
J0254
J0105
J0103
J0105
F2 FDR PWR
F2 FES DO
F2 FDR PWRF1 FDR PWR
I/O B
F2 FES DI
F2 FDR EMG
I/O B
F2 FES DO
F2 FES DI
F2 FDR EMG
I/O B
I/O B
I/O B
F1 FDR EMG
F1 FES DI
F1 FES DO
J0106
I/O
J0106
I/O
See Page 2
POWER CIRCUIT
QF41,XT41
I/O CONVEYOR -1-
CN3
See Page 2
POWER CIRCUIT
QF41,XT41
I/O CONVEYOR -1-
CN3
See Page 2
POWER CIRCUIT
QF41,XT41
I/O CONVEYOR -1-
FDR EMG
FDR EMGFDR EMG
FRONT-2 FES32 FEEDER
FRONT-2 FES32 FEEDERFRONT-1 FES32 FEEDER
N0109104
N0109105
N0109104
N0109105
N0108B04
N0108B05
RS232C
FAN54
FAN53
FDR FAN F2-2
FDR FAN F2-1
FAN2
FAN1
FDR FAN
FDR FAN
FAN54
FAN53
FDR FAN F2-2
FDR FAN F2-1
FAN2
FAN1
FDR FAN
FDR FAN
FAN52
FAN51
FDR FAN F1-2
FDR FAN F1-1
FAN2
FAN1
FDR FAN
FDR FAN
RS232CRS232C
J1235 RS232C
J1235 RS232CJ1135 RS232C
F1:FES32 FEEDER / F2:FES32 FEEDER
J1123
J1182
J1153
J1152
J1151
・
・
・
J1282
J1253
J1252
J1251
J1223
・
・
・
J1223
J1282
J1253
J1252
J1251
・
・
・
J1122
J1121
J1222
J1221
J1221
J1222J1052
J1051CUNET F1 CONTROL BOX -3-
CN3
CN37
CN42
CN42
CN37
PWR J1054
CN37
CN42
CN42
CN37
PWR PWR F2
FDR CTRL BOARD ASSY P131
CN39
CN43
CN43
CN32
・
・
CN3
CN2
CN1
・
CUNETCN38
CN38
ON
OFF
DIP SW(S1)
FDR DO0
J1053
CN39
CN43
CN43
CN32
・
・
CN3
CN2
CN1
・
CUNETCN38
CN38
FDR CTRL BOARD ASSY P132
ON
OFF
DIP SW(S1)
FDR DO2
FDR DI0
FDR DO1
FDR DO0
J1054
CN37
CN42
CN42
CN37
PWR PWR F2
J1053
CN39
CN43
CN43
CN32
・
・
CN3
CN2
CN1
・
CUNETCN38
CN38
FDR CTRL BOARD ASSY P132
ON
OFF
DIP SW(S1)
FDR DO2
FDR DI0
FDR DO1
FDR DO0
See Page 10
See Page 13
See Page 7,8
See Page 11,12
See Page 13
See Page 13
See Page 10
See Page 13
F1:ATS(Option) / F2:FES32 FEEDER
・ZS feeders
・SS feeders ・Multi-stick feeders
・QFP recovery conveyor ・ZS feeders
・SS feeders ・Multi-stick feeders
・QFP recovery conveyor
・ZS feeders
・SS feeders ・Multi-stick feeders
・QFP recovery conveyor
FRONT-1 sATS30NS
F ATS LAN
INTERCONNECTION DIAGRAM
See sATS30NS(KMH)
・AL feeders
・AL feeders・AL feeders
T0108280
FDR DO1
T0108281
FDR DI0
N0108B00
FDR DO2
T0108282
T0108380
T0108381
T0108382
N0109100
T0108380
T0108381
T0108382
N0109100
I/O CONVEYOR -3-
See Page 15
See Page 15
I/O CONVEYOR -3-
I/O CONVEYOR -3-
See Page 15
See Page 15
I/O CONVEYOR -3-
J0042
See Page 2
POWER CIRCUIT
QF41,XT41
F1 FDR PWR
Disconnected.
F ATS PWR DC24V
F ATS PWR DC48V
J0802
J0807
J0812
J0809
J0805
J1705
J0091
CR I/O B
CR I/O B
AZAP
S4 M2
SRV4 BK
CVD2 CN4
CVE2 CN4
CUNET 2
CUNET 2
PWR 1
PWR 1
CC .V 0
26
F
RONT FES32 FEE DER(SSF)/ATS
YSM20WR-2

Confidential & Proprietary
PAGE
J0045
J0302
J0254
J0045
J0302
J0254
J0044
J0302
J0254
J0104
J0107
J0107
J0302
J0254
J0104
I/O C
R2 FDR PWR
I/O C
R2 FDR EMG
R2 FES DO
R2 FES DI
I/O
J0108
J1057
J1058
J1057
J1058
I/O C
R2 FES DO
R2 FES DI
I/O
J0108
R2 FDR PWR
R2 FDR EMG
R1 FDR PWR
I/O C
I/O C
R1 FDR EMG
R1 FES DI
R1 FES DO
R1 FES DI
R1 FES DO
R1 FDR EMG
I/O C
J1056
J1055
CN3
FDR EMG
CONTROL BOX -3-
See Page 2
POWER CIRCUIT
QF42,XT41
I/O CONVEYOR -1-
See Page 2
POWER CIRCUIT
QF42,XT41
I/O CONVEYOR -1-
FDR EMG FDR EMG
REAR-1 FES32 FEEDERREAR-2 FES32 FEEDER
N0110B05
N0110B04
N0111105
N0111104
FAN59
FAN58
FDR FAN R2-1
FDR FAN R2-2
FDR FAN
FDR FAN
FAN1
FAN2
FAN57
FAN56
FDR FAN R1-1
FDR FAN R1-2
FDR FAN
FDR FAN
FAN1
FAN2
J1435
RS232C
RS232C J1335
RS232C
RS232C
CN38CN38
J1382
J1353
J1352
J1351
J1323
J1322
J1321
FDR CTRL BOARD ASSY P133
CN39
CUNET
PWR
・
・
・
FDR DO2
FDR DI0
FDR DO1
FDR DO0
CN43
CN43
ON
OFF
DIP SW(S1)
CN38
CN1
CN2
CN3
・
・
・
CN32
CN37
CN42
CN37
CN42
CUNET R1
CN3
CONTROL BOX -3-
FDR CTRL BOARD ASSY P134
J1482
J1453
J1452
J1451
J1423
J1422
J1421
CN39
CUNET
PWRPWR R2
・
・
・
FDR DO2
FDR DI0
FDR DO1
FDR DO0
CN43
CN43
ON
OFF
DIP SW(S1)
CN38
CN1
CN2
CN3
・
・
・
CN32
CN37
CN42
CN37
CN42CN3
CUNET R1 CUNET
PWR
AZM
AZP
FDR PWR
FES DO
FES DI
EMG
I/O
I/O
ATHM
ATHP
AZBK
ATS I/FATS I/F
REAR-1 cATS10
INTERCONNECTION DIAGRAM
ATS POWER
ATS LAN
FDR PWR
AZP
AZM
EMG
I/O
I/O
AZBK
ATHP
ATHM
REAR-1 sATS30
FDR PWR
AZM
AZP
EMG
I/O
I/O
ATHM
ATHP
AZBK
See Page 2
POWER CIRCUIT
QF42,XT41
I/O CONVEYOR -1-
CN3
FDR EMG
REAR-2 FES32 FEEDER
N0111105
N0111104
FAN59
FAN58
FDR FAN R2-1
FDR FAN R2-2
FDR FAN
FDR FAN
FAN1
FAN2
J1435
RS232C
RS232C
R1:FES32 FEEDER / R2:FES32 FEEDER
FDR CTRL BOARD ASSY P134
J1482
J1453
J1452
J1451
J1423
J1422
J1421
CN39
CUNET
PWRPWR R2
・
・
・
FDR DO2
FDR DI0
FDR DO1
FDR DO0
CN43
CN43
ON
OFF
DIP SW(S1)
CN38
CN1
CN2
CN3
・
・
・
CN32
CN37
CN42
CN37
CN42
See Page 13
See Page 13
See Page 10
See Page 13
See Page 10
R1:ATS(Option) / R2:FES32 FEEDER
・QFP recovery conveyor
・Multi-stick feeders
・QFP recovery conveyor
・Multi-stick feeders
・QFP recovery conveyor
・Multi-stick feeders
See sATS30NS(KMH)
REAR-1 sATS30NS
・ZS feeders
・SS feeders
・ZS feeders
・SS feeders
・ZS feeders
・SS feeders
・AL feeders
・AL feeders ・AL feeders
INTERCONNECTION DIAGRAM
See sATS30(KMA)
INTERCONNECTION DIAGRAM
See cATS10(KLX)
N0111100
T0110380
T0110381
T0110382
N0111100
T0110380
T0110381
T0110382
N0110B00
T0110280
T0110281
T0110282
CR I/O C
CR I/O C
CUNET 2
CUNET 2
PWR 1
PWR 1
I/O CONVEYOR -3-
See Page 15See Page 15
I/O CONVEYOR -3-
I/O CONVEYOR -3-
See Page 15
See Page 15
I/O CONVEYOR -3-
I/O CONVEYOR -1-
See Page 13
ATHBP
ATHBM
CONVEYOR C/R
CONTROL BOX -1-
AZBP
AZBM
AZBBK
QF52,XT31
QF44,XT42POWER CIRCUIT
See Page 2
See Page 7,8
See Page 11,12
R ATS PWR DC48V
R ATS PWR DC24VJ0092
J0812
J0808
J0803
J0805
J0809
J1707 R ATS LAN
J0044
See Page 2
POWER CIRCUIT
QF42,XT41
R1 FDR PWR
Disconnected.
SRV4 BK
AZBP
CVD2 CN4
CVE2 CN4
CVS2 CN8
S4 M3
CC .V 0
27
R
EAR FES32 FEED ER(SSF)/ATS
YSM20WR-2