NPM-D3.pdf - 第281页
Ref No. Remarks R 1 Q'ty 20-A 交換台車駆動部(後側):NPM-D3 Feeder cart drive unit(rear side):NPM -D3 イラスト No. Part No. 品 名 品 番 数量 R 2 パーツリスト Kit No. キット品番 Kit Name キット名称 N610160990AA Part Nam e 備 考 セク ション No . PARTS LIST Sect…

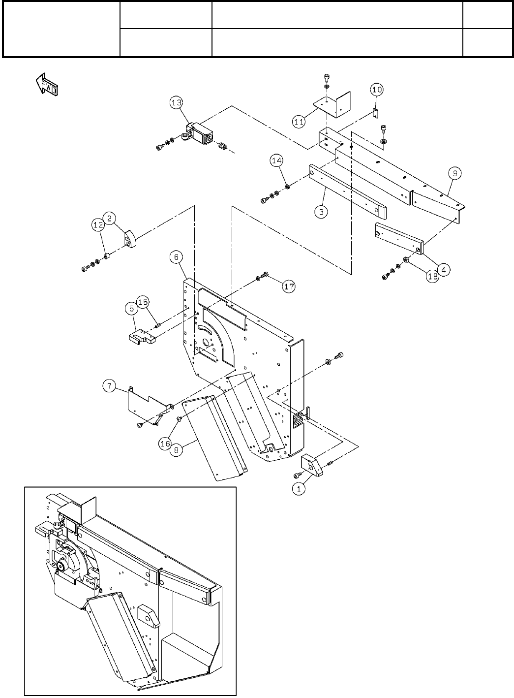
20-A
交換台車駆動部(後側):NPM-D3
Feeder cart drive unit(rear side):NPM-D3
パーツレイアウト
Kit No.
キット品番
Kit Name
キット名称
N610160990AA
セクションNo.
PARTS LAYOUT
Section No.
--
O87
( KN610160990AA-03-1 )

Ref
No.
Remarks R
1
Q'ty
20-A
交換台車駆動部(後側):NPM-D3
Feeder cart drive unit(rear side):NPM-D3
イラスト
No.
Part No.
品 名品 番 数量
R
2
パーツリスト
Kit No.
キット品番
Kit Name
キット名称
N610160990AA
Part Name
備 考
セクションNo.
PARTS LIST
Section No.
R
3
BLOCK
1
1 N210091111AC
GUIDE
1
2 N210093809AC
GUIDE
1
3 N210105774AD
GUIDE
1
4 N210103086AD
GUIDE
1
5 N210103087AC
PLATE
1
6 N210190533AB
COVER
1
7 N210103101AC
COVER
1
8 N210103092AC
BRACKET
1
9 N210191045AA
NUT-PLATE
1
10 N210091006AA
COVER
1
11 N210103094AC
SPACER
2
12 N510038787AA 3382330-50120
SWITCH
1
13 N510040005AA
S
D4N-9122
SPACER
2
14 N510009576AA 3382330-40020
PIN
4
15 KXF0CXHAA00 1017003-40008
SCREW
8
16 N510018280AA
Cross recessed Truss head machine screw M4X6-4.8 A2S (Trivalent)
BOLT
4
17 N510017555AA
SSS 003 Hexagon socket button head screw M6X12-10.9 A2J (Trivalent)
SPACER
2
18 N510020086AA 3382330-40050
O88
--
( KN610160990AA-03-1 )

20-B
交換台車駆動部(後側):NPM-D3
Feeder cart drive unit(rear side):NPM-D3
パーツレイアウト
Kit No.
キット品番
Kit Name
キット名称
N610160990AA
セクションNo.
PARTS LAYOUT
Section No.
--
O89
( KN610160990AA-03-2 )