NPM-D3.pdf - 第469页
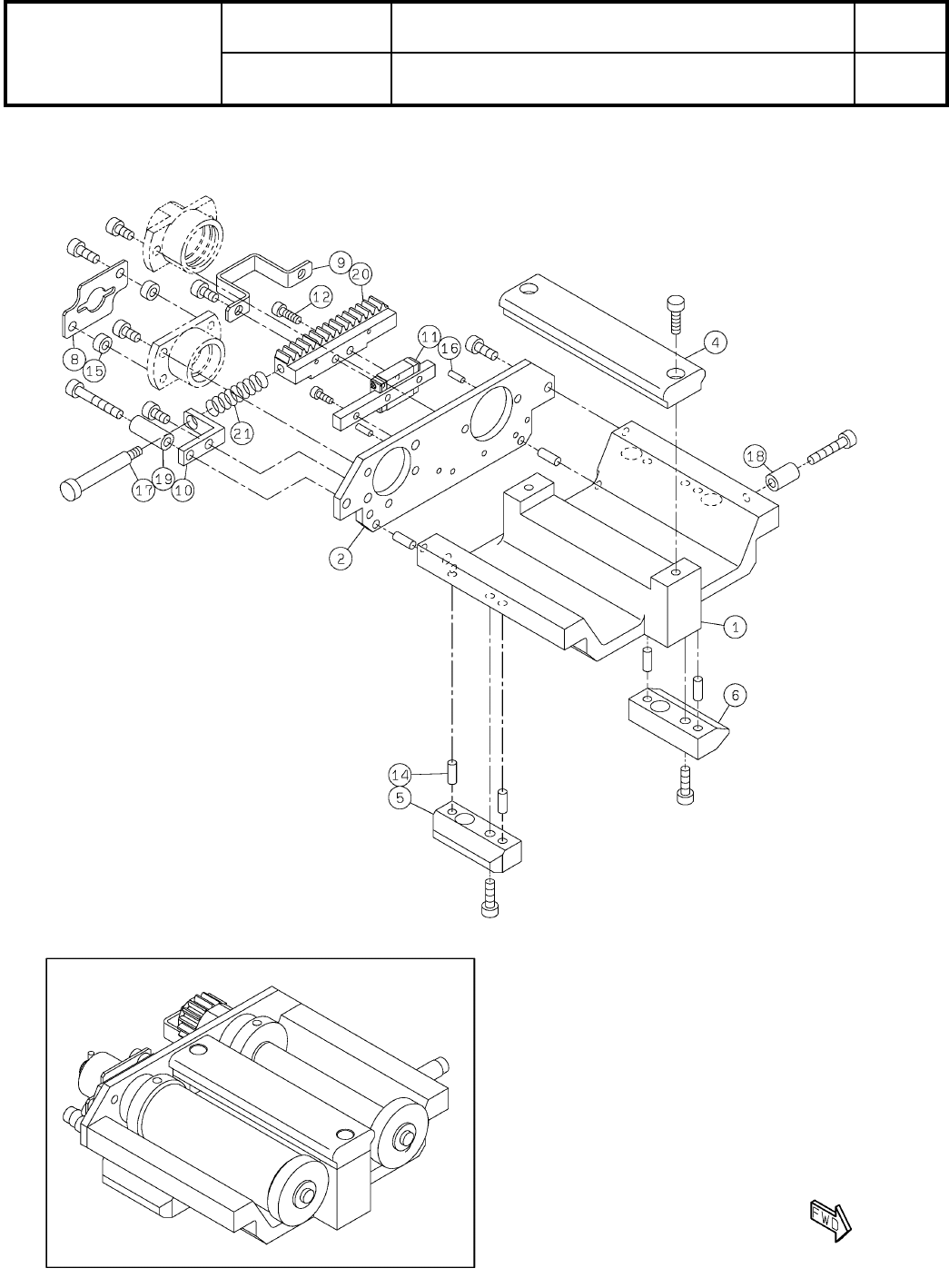
Ref No. Remarks R 1 Q'ty 77 グレイ板 MAST ER JIG イラスト No. Part No. 品 名 品 番 数量 R 2 パーツリスト Kit No. キット品番 Kit Name キット名称 N610106576AA Part Nam e 備 考 セク ション No . PARTS LIST Section No. R 3 PLATE 1 1 N210118661AC O276 - - ( …

77
グレイ板
MASTER JIG
パーツレイアウト
Kit No.
キット品番
Kit Name
キット名称
N610106576AA
セクションNo.
PARTS LAYOUT
Section No.
--
O275
( KN610106576AA-04 )

Ref
No.
Remarks R
1
Q'ty
77
グレイ板
MASTER JIG
イラスト
No.
Part No.
品 名品 番 数量
R
2
パーツリスト
Kit No.
キット品番
Kit Name
キット名称
N610106576AA
Part Name
備 考
セクションNo.
PARTS LIST
Section No.
R
3
PLATE
1
1 N210118661AC
O276
--
( KN610106576AA-04 )

78-A
捨て打ちユニット(塗布ヘッド):NPM
Test Dispense Unit (DISPENSER HEAD):NPM
パーツレイアウト
Kit No.
キット品番
Kit Name
キット名称
N610092665AA
セクションNo.
PARTS LAYOUT
Section No.
--
O277
( KN610092665AA-08-1 )