SM471_TechnicalReference(Eng_Ver1.5).pdf - 第203页
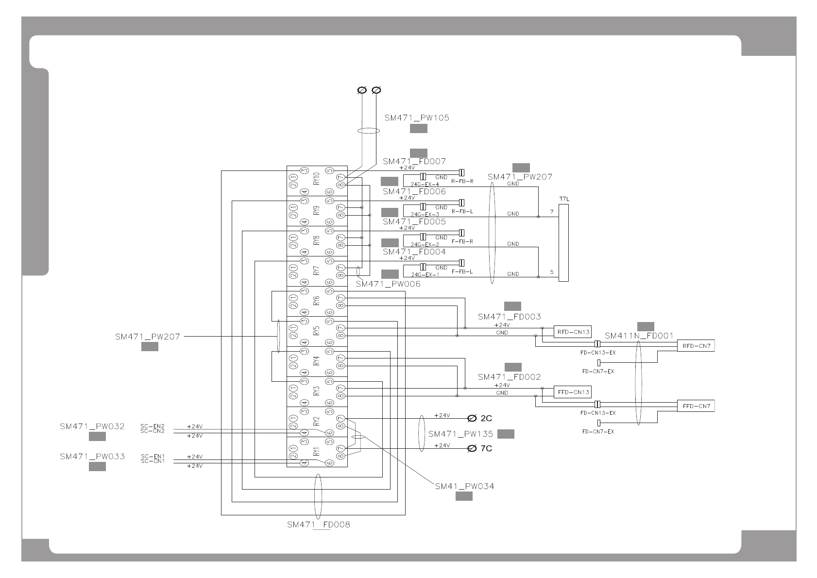
Page SAMSUNG TECHWIN 193 SM471 E lectric Circuit Diagram (7/7) NO. Lev . P ART NO. P ART NAME Q'TY Old No. Supply Supply L T Reference 1 AM03-005721 A CABLE ASSY -AC RELA Y POWER 1 SM471_PW105 2 AM03-005462 A CABLE …

Page
SAMSUNG TECHWIN
192
SM471
Electric Circuit Diagram (7/7)
[1 ]
[2 ]
[3 ]
[4 ]
[5 ]
[6 ]
[4 ]
[7 ]
[8 ]
[9 ]
[1 0 ]
[1 1 ]
[12]
[1 3 ]
[1 4 ]

Page
SAMSUNG TECHWIN
193
SM471
Electric Circuit Diagram (7/7)
NO. Lev. PART NO. PART NAME Q'TY Old No. Supply Supply LT Reference
1 AM03-005721A CABLE ASSY-AC RELAY POWER 1 SM471_PW105
2 AM03-005462A CABLE ASSY-R RIGHT FEEDER BASE PWR 2 SM471_FD007
3 AM03-005479A CABLE ASSY-RY3_RY5_T7L 1 SM471_PW207
4 AM03-005461A CABLE ASSY-R LEFT FEEDER BASE PWR 2 SM471_FD006
5 AM03-005460A CABLE ASSY-F RIGHT FEEDER BASE PWR 2 SM471_FD005
6 AM03-005459A CABLE ASSY-F LEFT FEEDER BASE PWR 2 SM471_FD004
7 AM03-005479A CABLE ASSY-RY3_RY5_T7L 1 SM471_PW207
8 AM03-005506A CABLE ASSY-GENERAL_PW_RELAY 1 SM471-PW032
9 AM03-005507A CABLE ASSY-FEEDER_PW_RELAY 1 SM471-PW033
10 AM03-005458A CABLE ASSY-R FDR PWR RELAY CABLE ASSY 2 SM471_FD003
11 EP02-000588A FEEDER CN7 EXT CABLE ASSY 1 SM411N-FD001
12 AM03-005456A CABLE ASSY-F FDR PWR RELAY CABLE ASSY 2 SM471_FD002
13 AM03-005508A CABLE ASSY-RELAY_PW_SUPPLY 1 SM471-PW135
14 J90834654A RELAY_CONNECT_CABLE_ASSY SM41-PW034 1 SM41-PW034
15 AM03-005463A CABLE ASSY-24V POWER EXT 2 SM471_FD008

Page
SAMSUNG TECHWIN
194
SM471
Articles of Consumption