SME_FEEDER_TRM(Ver3.3_CS16.12).pdf - 第27页
2-3 Prepare 2.1.2. 전원 및 조명 전원 및 조명부에는 전원 공급을 위한 커넥터 , 조명의 밝기를 조절하는 다이얼 , 그 리고 교정 지그와 컴퓨터 간의 통신을 위한 USB 포트가 있습니다 . 1: CAN USB 2: 3: 4: Coaxial 5: Fiducial w CAN 통신용 USB 포트 컴퓨터와 교정 지그 사이 연결하는 U SB 케이블을 위한 통신 포트입니다 . w 주 전원…

2-2
SME Tape Feeder Calibration Jig
2.1.1. X, Y, Z 스테이지
X, Y, Z 스테이지에는 카메라가 조립되어 있으며, 조정 핀을 이용하여 X, Y, Z축 으
로 스테이지를 이동시킬 수 잇습니다.
1: Z
2: Y
3: X
4: Z
5: Y
6: X
w Z축 조정핀
스테이지를 Z축으로 이동시킵니다 .
w Y축 조정핀
스테이지를 Y축으로 이동시킵니다 .
w X축 조정핀
스테이지를 X축으로 이동시킵니다 .
w Z축 고정핀
스테이지의 Z축을 고정시킵니다.
w Y축 고정핀
스테이지의 Y축을 고정시킵니다 .
w X축 고정핀
스테이지의 X축을 고정시킵니다 .
메 모
카메라 및 스테이지를 보호하는 상면커버(Upper Base Cover)가
조립된 상태에서 스테이지 X, Y, Z 축을 조정할 수 있습니다.
X,Y,Z 축 고정핀을 체결할 때에 (-)드라이버를 사용하십시오 .

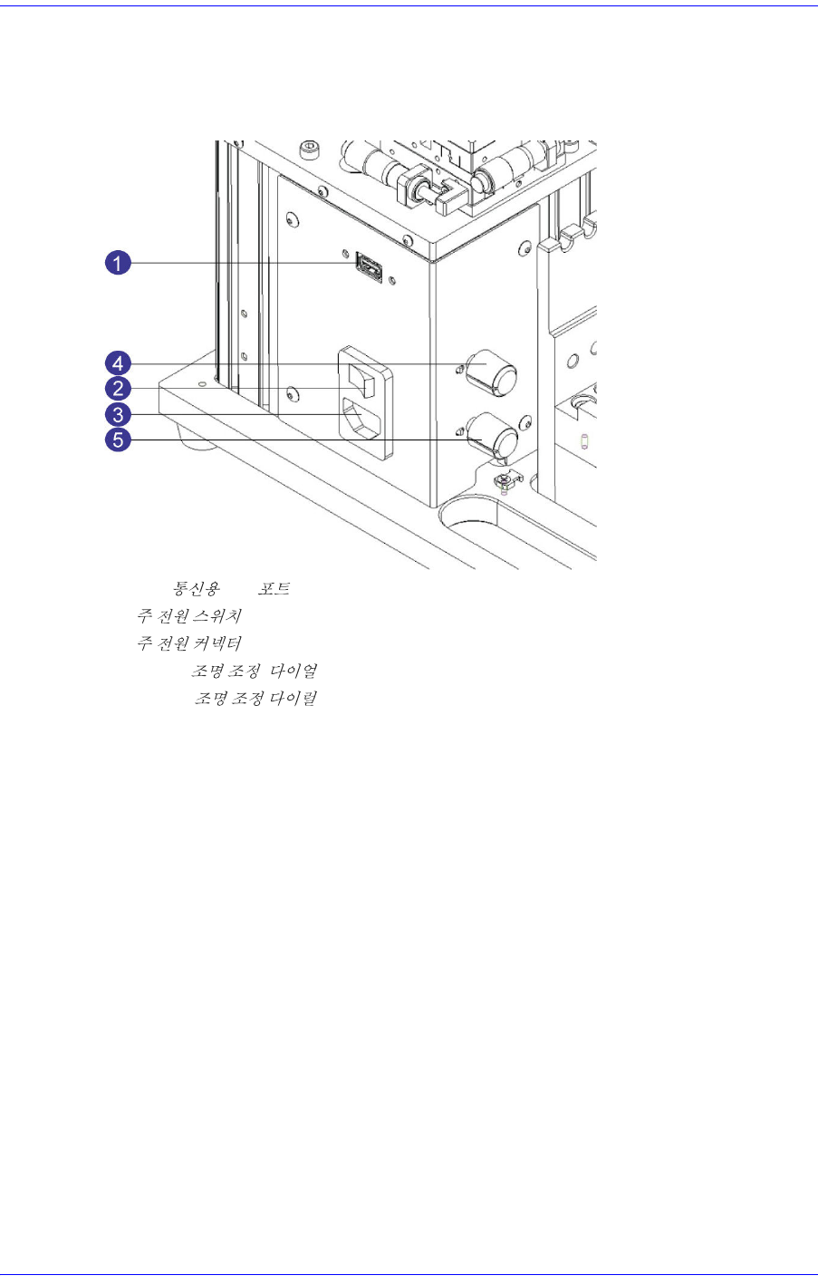
2-3
Prepare
2.1.2. 전원 및 조명
전원 및 조명부에는 전원 공급을 위한 커넥터, 조명의 밝기를 조절하는 다이얼, 그
리고 교정 지그와 컴퓨터 간의 통신을 위한 USB 포트가 있습니다.
1: CAN USB
2:
3:
4: Coaxial
5: Fiducial
w CAN 통신용 USB 포트
컴퓨터와 교정 지그 사이 연결하는 USB 케이블을 위한 통신 포트입니다 .
w 주 전원 스위치
교정 지그의 전원을 끄고 켜는 스위치입니다.
w 주 전원 커넥터
전원 케이블을 연결할 전원 커넥터입니다 .
w Coaxial 조명 조정부
동축 조명의 밝기를 조절하는 다이얼입니다 .
w Fiducial 조명 조정부
피듀셜 조명의 밝기를 조절하는 다이얼입니다.

2-4
SME Tape Feeder Calibration Jig
2.1.3. 피더 베이스
피더 베이스는 테이프 피더가 설치되는 곳으로 슬롯과 연결 커넥터가 있습니다 .
1: 1
2: 2
3:
w 1번 슬롯
마스터 피더 및 교정 대상 피더가 설치되는 슬롯입니다.
w 2번 슬롯
대형 피더를 설치할 때 사용되는 가이드 슬롯입니다.
w 피더베이스 보드
1번 슬롯에 설치된 피더에 전원 및 통신을 제공합니다 .