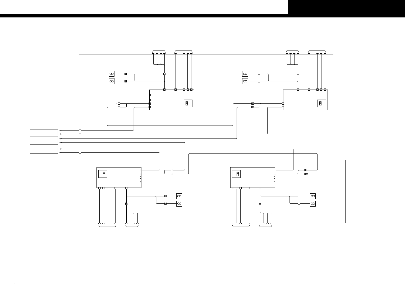
KMK-100-1808 (CWD)YSM20R接线图-1beam.pdf - 第21页
Confidential & P roprietary P A G E J0091 F ATS LAN J1705 F ATS PWR D C24V F ATS PWR D C48V CV C /R2 DRV CV C /R2 ENC CONVEY OR C/R J0805 J0809 ATHAM ATHAP QF51,X T31 QF43,X T42 CONTROL BOX -1- SRV4 BRAKE SRV4 M2 SRV…

Confidential & Proprietary
PAGE
J0045
J0044
J0043
J0042
QF42,XT41
See Page 2
POWER CIRCUIT
R2 FDR PWR
J1078
F1 FDR PWR
J1072
QF41,XT41
See Page 2
POWER CIRCUIT
R1 FDR PWR
J0107
J1076
F2 FDR PWR
J0105
CONTROL BOX -3-
J0103
I/O B
J1074
J0104
I/O C
CN38R
CN37R
CN38L
CN37L
CN37R
CN38R
CN37L
CN38L
N0109104
N0109105
N0108B04
N0108B05
N0110B05
N0110B04
N0111105
N0111104
FAN57
FAN56
FDR FAN R1-1
FDR FAN R1-2
FAN2
FAN1FDR FAN
FDR FAN
FAN52
FAN51
FDR FAN F1-1
FDR FAN F1-2
FDR FAN
FDR FAN
FAN2
FAN1
FAN59
FAN58
FDR FAN R2-1
FDR FAN R2-2
FAN54
FAN53
FDR FAN F2-2
FDR FAN F2-1
I/O
I/O C
J0108
I/O C
J1077
I/O C
I/O C
J1075
I/O B
I/O
J0106
I/O B
J1073
I/O B
I/O B
J1071
J1402
J1302
J1202
J1102
FIX70 REAR FEEDER
FDR CTRL BOARD ASSY P133
J1301
J1385
J1353
J1352
J1351
CN39
CN35
DI/DO L
CN43L
・
・
・
CN43
CN3
CN2
CN1
ON
OFF
DIP SW(S1)
CN37
CN38
CN42
・
・
・
FDR DI0
FDR DO2
FDR DO1
FDR DO0
FDR CTRL BOARD ASSY P134
FAN1
FAN2
FDR FAN
FDR FAN
J1401
J1485
J1453
J1452
J1451
CN39
CN35
DI/DO R
CN43R
FDR DI0
FDR DO2
FDR DO1
FDR DO0
・
・
・
CN43
CN3
CN2
CN1
ON
OFF
DIP SW(S1)
CN37
CN38
CN42
・
・
・
CN39
FDR CTRL BOARD ASSY P132
ON
OFF
DIP SW(S1)
CN42
CN38
CN37
CN39
FDR CTRL BOARD ASSY P131
ON
OFF
DIP SW(S1)
CN42
CN38
CN37
FIX70 FRONT FEEDER
FAN2
FAN1
FDR FAN
FDR FAN
J1201
J1285
J1253
J1252
J1251
CN35
DI/DO R
FDR DO2
FDR DI0
FDR DO1
FDR DO0
・
・
・
CN43R
CN43
・
・
CN3
CN2
CN1
・
J1101
J1185
J1153
J1152
J1151
CN35
DI/DO L
CN43L
FDR DO2
FDR DI0
FDR DO1
FDR DO0
・
・
・
CN43
・
・
CN3
CN2
CN1
・
・Multi-stick feeders
・QFP recovery conveyor・ZS feeders
・SS feeders・Multi-stick feeders
・QFP recovery conveyor・ZS feeders
・SS feeders
・QFP recovery conveyor
・Multi-stick feeders
・ZS feeders
・SS feeders
・QFP recovery conveyor
・Multi-stick feeders
・ZS feeders
・SS feeders
See Page 6
CC.V0
17
FIX70 FEEDER STRUCTURE(SSF)
YSM20R-1

Confidential & Proprietary
PAGE
J0091
F ATS LAN J1705
F ATS PWR DC24V
F ATS PWR DC48V
CV C/R2 DRV
CV C/R2 ENC
CONVEYOR C/R
J0805
J0809ATHAM
ATHAP
QF51,XT31
QF43,XT42
CONTROL BOX -1-
SRV4 BRAKE
SRV4 M2
SRV4 ENC2
SRV4 LAN
J0812
J0807
J0802
AZABK
AZAM
AZAP
POWER CIRCUIT
See Page 2
J0302
J0254
J0103
F1 FES DI
F1 FES DO
F1 FDR EMG
I/O B
CN3
I/O CONVEYOR -1-
I/O CONVEYOR -4-
FDR EMG
CONTROL BOX -3-
I/O B
ATS LAN
AZP
AZM
AZBK
ATHP
ATHM
INTERCONNECTION DIAGRAM
ATS POWER
FDR PWR
EMG
I/O
I/O
See sATS30(KMA)
INTERCONNECTION DIAGRAM
FRONT-1 sATS30
ATHM
ATHP
AZBK
AZM
AZP
FDR PWR
EMG
I/O
I/O
See cATS10(KLX)
INTERCONNECTION DIAGRAM
FRONT-1 cATS10
ATHM
ATHP
AZBK
AZM
ATS I/FATS I/F AZP
FDR PWR
FES DO
PWR F1PWR FES DIJ1052
EMG
I/O
CUNET F1CUNET I/OJ1051
J0043
J0043
J0302
J0302
J0254
J0254
J0042
J0302
J0254
J0105
J0103
J0105
F2 FDR PWR
F2 FES DO
F2 FDR PWRF1 FDR PWR
I/O B
F2 FES DI
F2 FDR EMG
I/O B
F2 FES DO
F2 FES DI
F2 FDR EMG
I/O B
I/O B
I/O B
F1 FDR EMG
F1 FES DI
F1 FES DO
J0106
I/O
J0106
I/O
See Page 2
POWER CIRCUIT
QF41,XT41
I/O CONVEYOR -1-
CN3
See Page 2
POWER CIRCUIT
QF41,XT41
I/O CONVEYOR -1-
CN3
See Page 2
POWER CIRCUIT
QF41,XT41
I/O CONVEYOR -1-
I/O CONVEYOR -4-
I/O CONVEYOR -4- I/O CONVEYOR -4-
FDR EMG
FDR EMGFDR EMG
FRONT-2 FES32 FEEDER
FRONT-2 FES32 FEEDERFRONT-1 FES32 FEEDER
N0109104
N0109105
N0109104
N0109105
N0108B04
N0108B05
RS232C
FAN54
FAN53
FDR FAN F2-2
FDR FAN F2-1
FAN2
FAN1
FDR FAN
FDR FAN
FAN54
FAN53
FDR FAN F2-2
FDR FAN F2-1
FAN2
FAN1
FDR FAN
FDR FAN
FAN52
FAN51
FDR FAN F1-2
FDR FAN F1-1
FAN2
FAN1
FDR FAN
FDR FAN
RS232CRS232C
J1235 RS232C
J1235 RS232CJ1135 RS232C
F1:FES32 FEEDER / F2:FES32 FEEDER
J1123
J1182
J1153
J1152
J1151
・
・
・
J1282
J1253
J1252
J1251
J1223
・
・
・
J1223
J1282
J1253
J1252
J1251
・
・
・
J1122
J1121
J1222
J1221
J1221
J1222J1052
J1051
PWR F1
CUNET F1 CONTROL BOX -3-
I/O B
CN3
CN37
CN42
CN42
CN37
PWR J1054
CN37
CN42
CN42
CN37
PWR PWR F2
FDR CTRL BOARD ASSY P131
CN39
CN43
CN43
CN32
・
・
CN3
CN2
CN1
・
CUNETCN38
CN38
ON
OFF
DIP SW(S1)
FDR DO2
FDR DI0
FDR DO1
FDR DO0
J1053
CN39
CN43
CN43
CN32
・
・
CN3
CN2
CN1
・
CUNETCN38
CN38
FDR CTRL BOARD ASSY P132
ON
OFF
DIP SW(S1) CUNET F2
FDR DO2
FDR DI0
FDR DO1
FDR DO0
J1054
CN37
CN42
CN42
CN37
PWR PWR F2
J1053
CN39
CN43
CN43
CN32
・
・
CN3
CN2
CN1
・
CUNETCN38
CN38
FDR CTRL BOARD ASSY P132
ON
OFF
DIP SW(S1) CUNET F2
FDR DO2
FDR DI0
FDR DO1
FDR DO0
F1:ATS(Option) / F2:FES32 FEEDER
・ZS feeders
・SS feeders ・Multi-stick feeders
・QFP recovery conveyor ・ZS feeders
・SS feeders ・Multi-stick feeders
・QFP recovery conveyor
・ZS feeders
・SS feeders ・Multi-stick feeders
・QFP recovery conveyor
See Page 7
See Page 4
See Page 8
See Page 11
See Page 6
See Page 6
See Page 11
See Page 8
See Page 11
See Page 8
See Page 8
See Page 11
FRONT-1 sATS30NS
See sATS30NS(KMH)
CC.V0
18
FRONT FES32 FEEDER(SSF)/ATS
YSM20R-1

Confidential & Proprietary
PAGE
J0045
J0302
J0254
J0045
J0302
J0254
J0044
J0302
J0254
J0104
J0107
J0107
J0302
J0254
J0104
ATHBP
ATHBM
R ATS LANJ1707
CV C/R2 LAN
CONVEYOR C/R
CV C/R2 DRV
J0809
CV C/R2 ENC
J0805
CONTROL BOX -1-
AZBP
AZBM
AZBBK
SRV4 M3
J0803
J0808
SRV4 ENC2
SRV4 BRAKE
J0812
QF52,XT31
QF44,XT42 J0092 R ATS PWR DC24V
R ATS PWR DC48V
POWER CIRCUIT
See Page 2
I/O C
R2 FDR PWR
I/O C
R2 FDR EMG
R2 FES DO
R2 FES DI
I/O
J0108
J1057
J1058
J1057
J1058
I/O C
R2 FES DO
R2 FES DI
I/O
J0108
R2 FDR PWR
R2 FDR EMG
R1 FDR PWR
I/O C
I/O C
R1 FDR EMG
R1 FES DI
R1 FES DO
R1 FES DI
R1 FES DO
R1 FDR EMG
I/O C
J1056
J1055
CN3
I/O CONVEYOR -1-
I/O CONVEYOR -4-
FDR EMG
I/O C
CONTROL BOX -3-
See Page 2
POWER CIRCUIT
QF42,XT41
I/O CONVEYOR -1-
See Page 2
POWER CIRCUIT
QF42,XT41
I/O CONVEYOR -1-
I/O CONVEYOR -4-I/O CONVEYOR -4-
FDR EMG FDR EMG
REAR-1 FES32 FEEDERREAR-2 FES32 FEEDER
N0110B05
N0110B04
N0111105
N0111104
FAN59
FAN58
FDR FAN R2-1
FDR FAN R2-2
FDR FAN
FDR FAN
FAN1
FAN2
FAN57
FAN56
FDR FAN R1-1
FDR FAN R1-2
FDR FAN
FDR FAN
FAN1
FAN2
J1435
RS232C
RS232C J1335
RS232C
RS232C
CN38CN38
J1382
J1353
J1352
J1351
J1323
J1322
J1321
FDR CTRL BOARD ASSY P133
CN39
CUNET
PWR
・
・
・
FDR DO2
FDR DI0
FDR DO1
FDR DO0
CN43
CN43
ON
OFF
DIP SW(S1)
CN38
CN1
CN2
CN3
・
・
・
CN32
CN37
CN42
CN37
CN42
PWR R1
CUNET R1
CN3
I/O C
CONTROL BOX -3-
FDR CTRL BOARD ASSY P134
J1482
J1453
J1452
J1451
J1423
J1422
J1421
CN39
CUNETCUNET R2
PWRPWR R2
・
・
・
FDR DO2
FDR DI0
FDR DO1
FDR DO0
CN43
CN43
ON
OFF
DIP SW(S1)
CN38
CN1
CN2
CN3
・
・
・
CN32
CN37
CN42
CN37
CN42CN3
CUNET R1 CUNET
PWRPWR R1
INTERCONNECTION DIAGRAM
See cATS10(KLX)J1052
J1051
AZM
AZP
FDR PWR
FES DO
FES DI
EMG
I/O
I/O
ATHM
ATHP
AZBK
ATS I/FATS I/F
REAR-1 cATS10
INTERCONNECTION DIAGRAM
ATS POWER
ATS LAN
FDR PWR
AZP
AZM
EMG
I/O
I/O
AZBK
ATHP
ATHM
REAR-1 sATS30
INTERCONNECTION DIAGRAM
See sATS30(KMA)
FDR PWR
AZM
AZP
EMG
I/O
I/O
ATHM
ATHP
AZBK
See Page 2
POWER CIRCUIT
QF42,XT41
I/O CONVEYOR -1-
CN3
I/O CONVEYOR -4-
FDR EMG
REAR-2 FES32 FEEDER
N0111105
N0111104
FAN59
FAN58
FDR FAN R2-1
FDR FAN R2-2
FDR FAN
FDR FAN
FAN1
FAN2
J1435
RS232C
RS232C
R1:FES32 FEEDER / R2:FES32 FEEDER
FDR CTRL BOARD ASSY P134
J1482
J1453
J1452
J1451
J1423
J1422
J1421
CN39
CUNETCUNET R2
PWRPWR R2
・
・
・
FDR DO2
FDR DI0
FDR DO1
FDR DO0
CN43
CN43
ON
OFF
DIP SW(S1)
CN38
CN1
CN2
CN3
・
・
・
CN32
CN37
CN42
CN37
CN42
R1:ATS(Option) / R2:FES32 FEEDER
・ZS feeders
・SS feeders
・QFP recovery conveyor
・Multi-stick feeders
・ZS feeders
・SS feeders
・QFP recovery conveyor
・Multi-stick feeders
・ZS feeders
・SS feeders
・QFP recovery conveyor
・Multi-stick feeders
See Page 8
See Page 11
See Page 6
See Page 6
See Page 11
See Page 8
See Page 4
See Page 7
See Page 11
See Page 8
See Page 8
See Page 11
REAR-1 sATS30NS
See sATS30NS(KMH)
CC.V0
19
REAR FES32 FEEDER(SSF)/ATS
YSM20R-1