XP-241E-03.pdf - 第75页
XP-241E P ARTS LIST ver03 1 7 - 1 1 7 . エアー配管図( D E P I ) 1 7 . P n e u m a t i c c i r c u i t d i a g r a m ( D E P I ) 1 7 . P n e u m a t i c c i r c u i t d i a g r a m ( D E P I ) 1 7 . エアー配管図( D E P I ) R e f . 3 …

16.カバー(DEAK)
16.Cover(DEAK)
番号 図番 & コード番号 個数 品名 規格 備考
材質
No. Drg.No. & Code No. QTY Description Rating Remarks
Materials
123 H5280A 2
BOLT, HEX SOCKET ボルト 六角穴
M3X20L FE
124 W1010A 2
WASHER, CONICAL ワッシャ 皿
M-3-L FE
125 DEAK3330 1 BKT BKT FE
126 H5289N 2
BOLT, HEX SOCKET ボルト 六角穴
M4X14L FE
127 W1022A 2 WASHER, LOCK ワッシャ スプリング 4M/M FE
128 W1043A 2 WASHER, FLAT ワッシャ 平 4W-4 FE
129 DEAK3340 1 BKT BKT FE
130 N1082A 2
NUT, HEX
ナット 六角
M5 P=1.0 FE
131 W1023A 2 WASHER, LOCK ワッシャ スプリング 5M/M FE
132 W1044A 2 WASHER, FLAT ワッシャ 平 4W-5 FE
133 DEAK3350 1 BKT BKT FE
134 H5289N 2
BOLT, HEX SOCKET ボルト 六角穴
M4X14L FE
135 W1022A 2 WASHER, LOCK ワッシャ スプリング 4M/M FE
136 W1043A 2 WASHER, FLAT ワッシャ 平 4W-4 FE
137 DETR3450 1
NUT
ナット FE
138 K2191A 2 KEY キー OT
139 M1010M 2
MAGNET CATCH マグネットキャッチ TL-76S
OT
140 K5170T 4
SCREW, C/R TRUSS
小ネジ 十穴トラス
M3X6L FE
141 S3019L 2
STOPPER ストッパ
CK-12 . OT
XP-241E PARTS LIST ver03
16 - 5
16.カバー(DEAK)
16.Cover(DEAK)

XP-241E PARTS LIST ver03
17 - 1
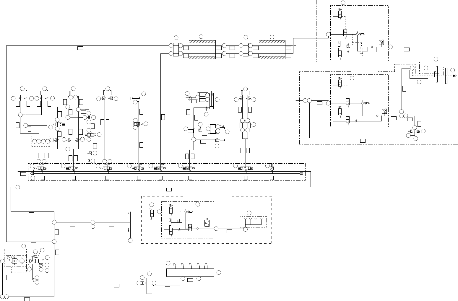
17.エアー配管図(DEPI)
17.Pneumatic circuit diagram(DEPI)
17.Pneumatic circuit diagram(DEPI)
17.エアー配管図(DEPI)
Ref.33-7
Ref.31-1
Ref.31-1
Ref.31-1
Ref.31-1
タテx173.205
真空破壊
パーツピックアップ
R1/4
R1/4
R1/4
R1/4
R1/4
R1/4
R1/4
R1/4
R1/8
R1/8
R1/8
φ10x2
M5
Off
M5
On
M5
Off
M5
On
Down
Up
On
Off
φ10x35
M5
M5
3/8
3/8
2
5Kg/cm
3/8
φ32x40
Off
R1/8
On
R1/8
φ50x150
R1/8
R1/8
R1/8
R1/8
R1/4
φ50x30
R1/8
R1/4
R1/4
R1/8
φ50x30
R1/4
R1/4
R1/8
R1/8
R1/8
R1/4
R1/4
R1/4
R1/4
R1/4
エアーブロー
Parts pick up
Air blow
Parts pick up
vacuum cut
パーツピックアップ
ノズル解除
Nozzle release
IN Station lifter up
INステーションリフター上昇
Parts feed
パーツ送り
R1/8
R1/8
R1/8
R1/4
AD
EC
R1/8
R1/8
φ50x150
φ6
φ6
残テープカッター(Side 1)
51
φ10x2
43
23
17
45
4572
44
64
64
54
61
22
15
56
32
50
52
53
51
55
37
39
21
5058
38
71
11
10
65
73
73
4960
49
44
72
30
30
30
12
30
16
44
44
62
45
45
17 17
17
46
46
48
46
63
48
13
48
28
33
27 29 29
52
54
43
59
59
59
59
26
27
50
51
62
30
42
69
59 59
69
40
42
41
18
52
70
19
56
35
56
56
47
20
57
70
74
34
36
5550
69
5968
67
69
59
31
31
47
30
62
47
50
51
14
66
66
50
28
48
48
48
48
48
12
23 24 25
51
入り
戻り
Waste tape cutter
U6
U5
φ4
φ4
Q2
φ4
Q2
Q1
φ4
Q1
φ4
φ4
Q2
Q1
φ6
φ6
φ6
φ4
Q9
φ6
Q11
φ6
Q9
φ6
φ6
φ6
Q10
φ6
Q9
φ6
Q9
φ8
A1
φ6
φ6
Q8
Q5
φ6
Q6
φ6
Q7
φ4
P2
φ6
P1
φ6
H3
φ6
φ6
U4
φ6
U4
U1
φ6
φ6
U6
U5
φ6
U1
φ6
H2
φ6
H1
φ6
φ6
U6
U5
Q6
Q4
φ4
Q3
φ6
φ6
U1
φ6
U2
U2
φ6
φ6
U3
U3
φ6
φ6
φ6
U2
U4
φ6
U1
φ6
U3
φ8
A1
φ8
φ6
A1
φ8
A1
φ8
A1
φ6
A1
φ6 φ6
U7
U7
φ8
A1
φ8
A1
φ6
φ6
φ6
Q6
φ8
A1
φ6
H3
φ8
A1
φ6
H3
φ8
A1
φ6
H3
φ8
A1
φ6
H3
φ8
A1
φ6
H4
φ8
A1
φ6
H2
φ6
H2
φ8
A1
φ6
H3
φ8
A1
Q10
φ4
φ4
Q1
Q2
7
5
7
6
8
9
1 2 1 1 2
2
A
A
B
B
A
B
A
B
A
B
A
B
3 4
A
B
1
2
3
4 5 6 7 8
φ10
φ10
A1
φ10
A1
A1
φ10
A1
φ6
Q12
φ6
Q13
MAINステーションリフター上昇
MAINステーションストッパ入り
MAINステーションリフター下降
MAIN Station lifter up
MAIN Station lifter down
MAIN Station stopper
ゲージチップバキューム
Gauge chip vacuum
flow conveyor
(Right→Left)
While used Reveres
(右→左)時に追加
コンベア逆流れ
High speed
ascend Lower
High speed
ascend Raise
Low speed
ascend Raise
Low speed
ascend Lower
MFU上昇(Side1)
MFU下降(Side1)
MFU Raise(Side1)
MFU Lower(Side1)
テープカット前進(Side1)
テープカット後退(Side1)
Tape cutter forward(Side1)
Tape cutter retract(Side1)
予備
Spare
Board pick up vacuum(Option)
基板吸着バキューム(オプション)
While used Board
pick up vacuum
使用時
基板吸着バキューム
While not used Board
pick up vacuum
不要時
基板吸着バキューム
208
176
165
175
161
175
161
175
161
183
162
176
167
175
161
13
13
B
A
139
26
x9

17.エアー配管図(DEPI)
17.Pneumatic circuit diagram(DEPI)
番号 図番 & コード番号 個数 品名 規格 備考
材質
No. Drg.No. & Code No. QTY Description Rating Remarks
Materials
1 H1331A 3 VALVE バルブ VQ1101-5 OT
2 H1332A 3 VALVE バルブ VQ1201-5 OT
3 H1333Z 1 VALVE バルブ VQ1301-5 OT
4 H3051E 1
COVER, BLIND
蓋 盲
VVQ1000-10A-1 OT
5 DEPI3010 1 VALVE UNIT バルブ ユニット VV5Q11-08-X956 OT
6 K1086T 1
COUPLER
カプラ 30PM OT
7 H1059T 1
VALVE, BALL
バルブ ボール RP-LL-3/8ロックハンドルツキ OT
8 S5023H 1 SOCKET ソケット 30SH OT
9 H3033F 1 FILTER REGULATOR フィルタレギュレータ C4000-UN-00005 OT
10 K2027R 1
KEY
キー C1000-50 OT
11 H1046A 1
VALVE, STOP
バルブ ストップ A3/8X100 OT
12 H1063G 2
VALVE, MECHANICAL
バルブ メカニカル VM121-01-01 OT
13 H1050K 1 VALVE, CHECK バルブ チェック C250-01-32W OT
14 H1009H 1 GENERATOR, VACUUM 発生器 真空 VP-05HS OT
15 A4001B 1 EJECTOR エジェクタ BDBL10R6-08SA-D-1.0 OT
16 S1053B 1 SILENCER サイレンサ KM-J6 OT
17 H1039A 4
VALVE, THROTTLING
バルブ 絞り
JNC4-M5 OT
18 H10064 1 GENERATOR, VACUUM 発生器 真空 VKBH12W-0608SR01E-B-NK OT
19 H10062 1 GENERATOR, VACUUM 発生器 真空 VKBH12R-0608SR01G-B OT
20 H1124Z 1 VALVE, SOL バルブ SOL VQZ312-5L-C8 OT
21 S5019A 1
SOCKET
ソケット MC05SM OT
22 H1037T 1 VALVE, MANUAL バルブ 手動 HV8-8-2 OT
23 DEQC0760 2 CYLINDER, AIR シリンダ エアー OT
24 S2125T 1
CYLINDER, AIR
シリンダ エアー CQ2D32-40DCM OT
25 S2126L 1
CYLINDER, AIR
シリンダ エアー CXSM10-K6869-35 OT
26 S2088Y 1 CYLINDER, AIR シリンダ エアー FCD-KL-50-150-MOV-H-FL255717 OT
27 S20975 2 CYLINDER, AIR シリンダ エアー CDLQB50-30D-B-F9NL OT
28 K5337G 2 CONTROLLER, SPEED コントローラ スピード AS1201F-M5-04 OT
29 K5342D 2 CONTROLLER, SPEED コントローラ スピード AS2201F-01-06S OT
30 K5340Y 6 CONTROLLER, SPEED コントローラ スピード AS2001F-06 OT
31 K5343C 2 CONTROLLER, SPEED コントローラ スピード AS2201F-02-06S OT
32 DBPP0111 1 PLATE プレート AL
33 DEAJ3052 1 BOX,VACUUM BOX バキューム AL
34 ADEPH8302 1 SHAFT,SPLINE シャフト スプライン OT
35 DEPH3061 1 BKT BKT OT
36 1 NOZZLE ノズル OT
37 DDUZ0040 1 VALVE, CHECK バルブ チェック OT
38 DEUF3110 1 MANIFOLD マニホールド OT
39 DEUF3031 1 BKT BKT FE
XP-241E PARTS LIST ver03
17 - 2
17.エアー配管図(DEPI)
17.Pneumatic circuit diagram(DEPI)