N7202A057B.pdf - 第293页
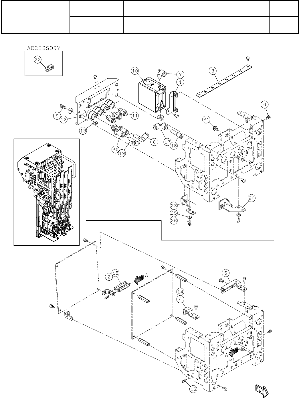
Ref No. Remarks R 1 Q'ty 17-A 4ノズルヘ ッド 4 Nozz le Head イラスト No. Part No. 品 名 品 番 数量 R 2 パーツリスト Kit No. キット品番 Kit Name キット名称 N610167833AA Part Nam e 備 考 セク ショ ンNo . PARTS LIST Section No. R 3 PLATE 1 1 MTKP003181AD W …

17-A
4ノズルヘッド
4 Nozzle Head
パーツレイアウト
Kit No.
キット品番
Kit Name
キット名称
N610167833AA
セクションNo.
PARTS LAYOUT
Section No.
--
O65
( KN610167833AA-09-1 )

Ref
No.
Remarks R
1
Q'ty
17-A
4ノズルヘッド
4 Nozzle Head
イラスト
No.
Part No.
品 名品 番 数量
R
2
パーツリスト
Kit No.
キット品番
Kit Name
キット名称
N610167833AA
Part Name
備 考
セクションNo.
PARTS LIST
Section No.
R
3
PLATE
1
1 MTKP003181AD
WASHER
2
2 N210118728AA
HANDLE
2
3 N210199442AC
COVER
1
4 MTPB001570AA
BAR
1
5 MTPA011928AA
GUIDE-BLOCK
1
6 MTPA003990AB
BRACKET
1
7 N210199429AE
BRACKET
1
8 N210199439AG
COVER
1
9 N210199426AD
COVER
1
10 MTPB002361AA
BOLT
2
11 N510017534AA
SSS 003 Hexagon socket button head screw M4X6-10.9 A2J (Trivalent)
SENSOR
2
12 MTNS000148AA PM-Y65
MANIFOLD
2
13 MTNP000177AA VV3QZ12-X1037V
JOINT
3
14 N510066692AA KQ2L06-99A
BOLT
2
15 N510002011AA SRBS-M4X10
SCREW
14
16 N510045431AA
Cross recessed pan head machine screw with RPW M3X5-4.8 A2S
SPACER
2
17 N510031805AA CB-530E
BOLT
2
18 N510017750AA
Hexagon head bolt Best class M5X45-6g 4T A2J (Trivalent)
FAN
1
19 N510044728AA 109P0424H738
JOINT
1
20 N510066636AA KQ2UD04-06A
BOLT
2
21 MTNK000686AA
SSS 003 Hexagon socket button head screw M3X25-10.9 A2J (Trivalent)
SCREW
4
22 N510018160AA
Cross recessed Countersunk head machine screw M3X6-4.8 A2S (Trivalent
SPACER
4
23 MTNK000242AA ASL-328E
SPACER
1
24 N510062418AA CL-311E
BOLT
1
25 N510028457AA SRBS-M3X16
GROMMET
1
26 MTNK000283AA C-30-NG-79-G-EP-UL
GROMMET
1
27 MTNK000474AA C-30-NG-79-J-EP-UL
BOLT
1
28 N510000323AA
SSS 003 Hexagon socket button head screw M3X6-12.9 SOB
JOINT
1
29 N510066463AA KQ2T06-00A
SPACER
1
30 MTNK000653AA CL-404E
BOLT
1
31 N510017517AA
SSS 003 Hexagon socket button head screw M4X12-10.9 A2J (Trivalent)
BOLT
3
33 N510017536AA
SSS 003 Hexagon socket button head screw M4X8-10.9 A2J (Trivalent)
BOLT
4
34 MTNK000139AA
Ultra Low Head Cap Screw M3X8-8.8 A2J(Trivalent)
SCREW
2
35 N510018279AA
Cross recessed Truss head machine screw M4X6-4.8 A2J (Trivalent)
CLIP
2
36 KXF08EUAA00 NK-4N
O66
--
( KN610167833AA-09-1 )

17-B
4ノズルヘッド
4 Nozzle Head
パーツレイアウト
Kit No.
キット品番
Kit Name
キット名称
N610167833AA
セクションNo.
PARTS LAYOUT
Section No.
--
O67
( KN610167833AA-09-2 )