N7202A057B.pdf - 第93页
Ref No. Remarks R 1 Q'ty 19-B ヘッドオプショ ン駆動ユニット:NPM-DX Head Option Driv ing Unit:NPM-DX イラスト No. Part No. 品 名 品 番 数量 R 2 パーツリスト Kit No. キット品番 Kit Name キット名称 MTKA003681AA Part Nam e 備 考 セク ショ ンNo . PARTS LIST Section N…

19-B
ヘッドオプション駆動ユニット:NPM-DX
Head Option Driving Unit:NPM-DX
パーツレイアウト
Kit No.
キット品番
Kit Name
キット名称
MTKA003681AA
セクションNo.
PARTS LAYOUT
Section No.
--
S63
( KMTKA003681AA-08-2 )

Ref
No.
Remarks R
1
Q'ty
19-B
ヘッドオプション駆動ユニット:NPM-DX
Head Option Driving Unit:NPM-DX
イラスト
No.
Part No.
品 名品 番 数量
R
2
パーツリスト
Kit No.
キット品番
Kit Name
キット名称
MTKA003681AA
Part Name
備 考
セクションNo.
PARTS LIST
Section No.
R
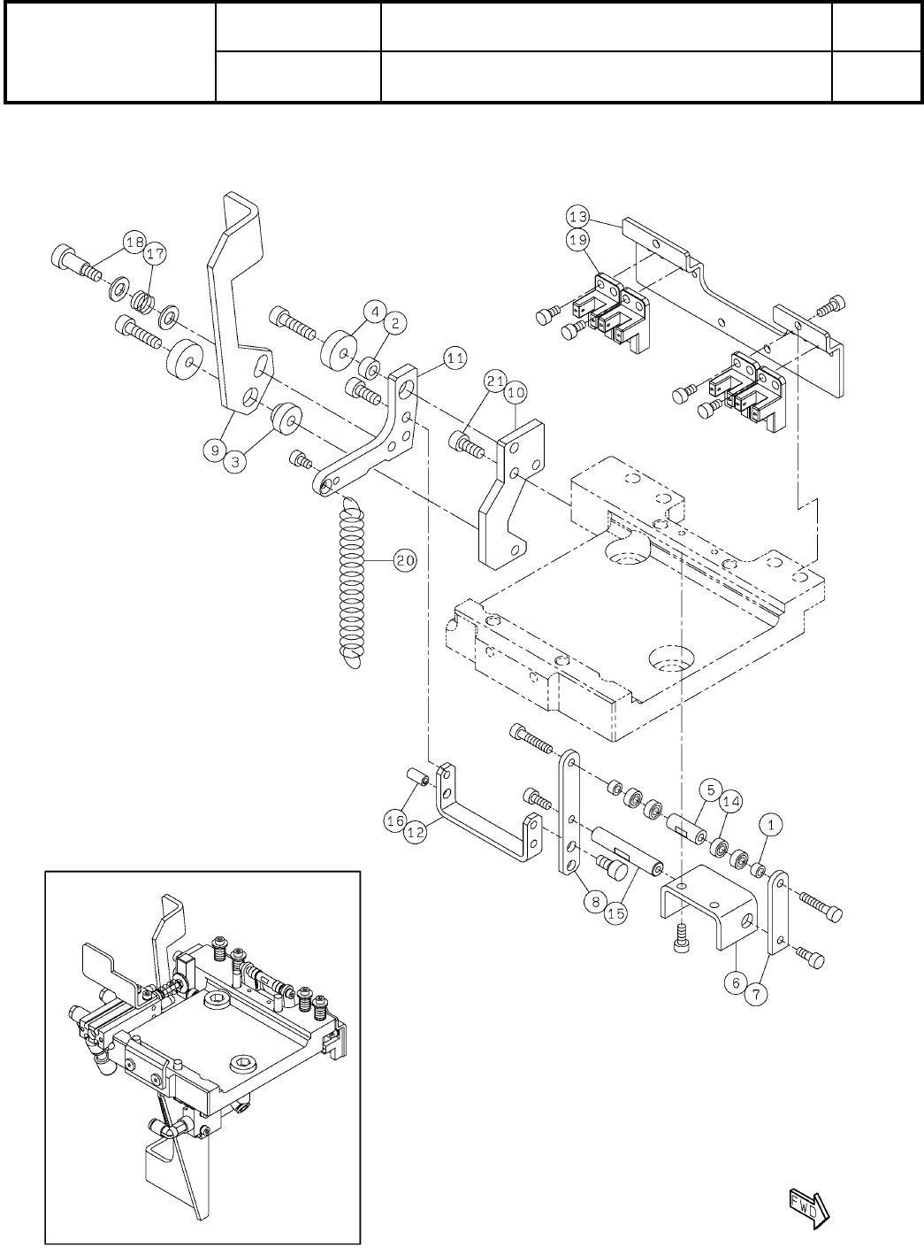
3
WASHER
2
1 N210117349AA
WASHER
1
2 N210113092AA
BUSH
1
3 N210113075AA
WASHER
2
4 N210117341AA
SPACER
1
5 N210146725AA
BRACKET
1
6 N210117370AB
LEVER
1
7 N210117373AB
LEVER
1
8 N210117371AB
LEVER
1
9 N210112914AE
PLATE
1
10 N210142858AB
LEVER
1
11 N210117372AD
BRACKET
1
12 MTPB008238AA
BRACKET
1
13 MTPB007011AA
BEARING
4
14 KXF0C8ZAA00 683ZZ
SHAFT
1
15 N510049666AA SF06034M03B
PIN
1
16 KXF0CXHAA00 1017003-40008
SPRING
1
17 N9865556 5556
BOLT
1
18 N510020785AA MMSB5.5-10
SENSOR
4
19 MTNS000148AA PM-Y65
SPRING
1
20 N510033512AA 6688
BOLT
2
21 MTNK000561AA
Hexagon socket head cap screw M4X10-10.9 A2J (Trivalent) (MEC process
S64
--
( KMTKA003681AA-08-2 )

20
ノズルチェンジャーユニット(12ノズルヘッド):NPM
Nozzle Changer Unit(12 Nozzle Head):NPM
パーツレイアウト
Kit No.
キット品番
Kit Name
キット名称
N610087794AA
セクションNo.
PARTS LAYOUT
Section No.
--
S65
( KN610087794AA-00A )