N7202A057B.pdf - 第301页
Ref No. Remarks R 1 Q'ty 17-E 4ノズルヘ ッド 4 Nozz le Head イラスト No. Part No. 品 名 品 番 数量 R 2 パーツリスト Kit No. キット品番 Kit Name キット名称 N610167833AA Part Nam e 備 考 セク ショ ンNo . PARTS LIST Section No. R 3 PLATE 2 1 MTPA009819AA PL…

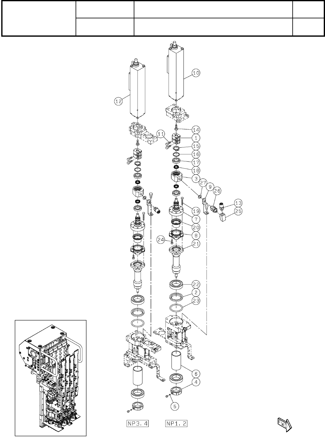
17-E
4ノズルヘッド
4 Nozzle Head
パーツレイアウト
Kit No.
キット品番
Kit Name
キット名称
N610167833AA
セクションNo.
PARTS LAYOUT
Section No.
--
O73
( KN610167833AA-09-5 )

Ref
No.
Remarks R
1
Q'ty
17-E
4ノズルヘッド
4 Nozzle Head
イラスト
No.
Part No.
品 名品 番 数量
R
2
パーツリスト
Kit No.
キット品番
Kit Name
キット名称
N610167833AA
Part Name
備 考
セクションNo.
PARTS LIST
Section No.
R
3
PLATE
2
1 MTPA009819AA
PLATE
2
2 N210200229AB
BLOCK
2
3 MTKP003185AB
HOUSING
2
4 MTKP003187AC
PLATE
2
5 N210199417AD
POST
2
6 N210199401AC
PLATE
2
7 N210199592AC
BAR
2
8 MTPA009817AA
BRACKET
2
9 N210200980AG
BRACKET
2
10 N210199446AD
BRACKET
2
11 N210199447AD
DOG
2
12 N210199427AD
NUT-PLATE
2
13 MTPB004923AA
BRACKET
2
14 MTPB001350AC
REFLECTOR
1
15 N610168088AE
REFLECTOR
1
16 N610168090AE
LINEAR-WAY
2
17 MTNB000069AA MXD10C2R182SLE005
BALL-SCREW
2
18 N510069545AC BLK0608S-3.3GT+142LCp5R(B)(33095315K014)
PIN
1
19 KXF0DAHAA00 1624701-30060
PIN
4
20 N510020589AA MMS3-8
PIN
4
21 N510020597AA MMS4-8
SPACER
10
22 MTNK001899AA CB-302.5-5E
SPRING-PIN
4
23 N510029370AA 1017003-20010
BOLT
16
24 N510017251AA
Hexagon socket head cap screw M2.6X6-10.9 A2J (Trivalent)
WASHER
16
25 N510018476AA
Small round-plain washer 2.6 10H A2J (Trivalent)
SCREW
2
26 N510018251AA
Cross recessed Truss head machine screw M3X5-4.8 A2J (Trivalent)
BOLT
12
27 N510067884AA Ultra Low Head Cap Screw M3X5-8.8 SOB
SCREW
6
28 N510018160AA
Cross recessed Countersunk head machine screw M3X6-4.8 A2S (Trivalent
SPACER
2
29 MTNK000617AA CL-319E
SPACER
2
30 MTNK000616AA CL-307E
SHEET
2
31 MTPA014681AA
SHEET
2
32 MTPA014682AA
SHEET
2
33 MTPA014683AA
WASHER
6
34 MTNK001897AA UW-0308-03
WASHER
4
35 MTNK001898AA BW-0306-03
O74
--
( KN610167833AA-09-5 )

17-F
4ノズルヘッド
4 Nozzle Head
パーツレイアウト
Kit No.
キット品番
Kit Name
キット名称
N610167833AA
セクションNo.
PARTS LAYOUT
Section No.
--
O75
( KN610167833AA-09-6 )