P-209-001.pdf - 第184页
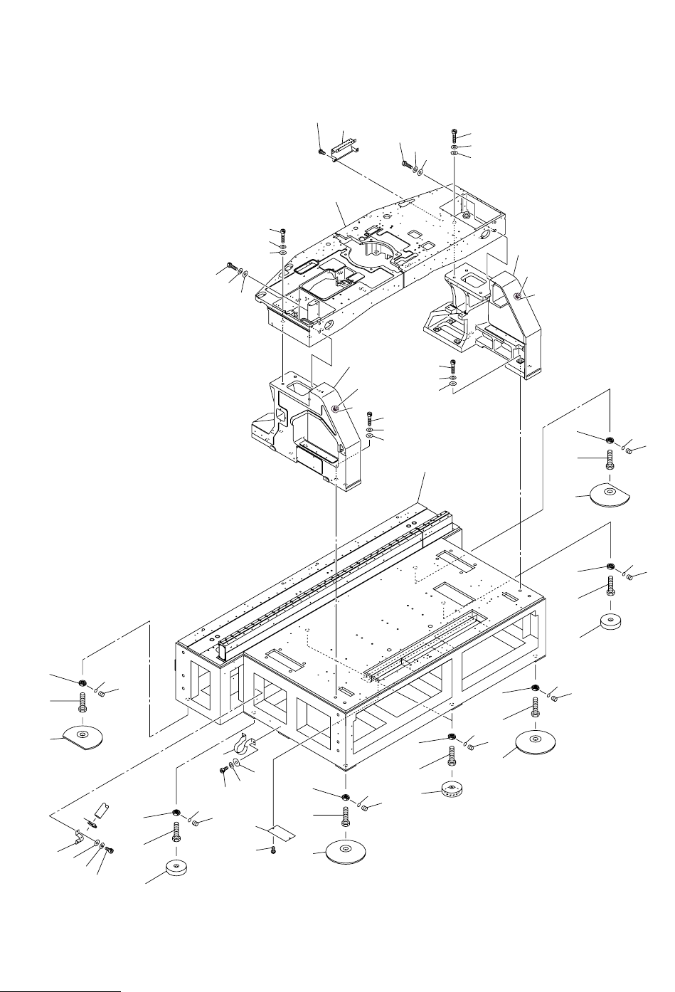
MODEL TCM-X100J 0212-002 182 ᧄㇱ MAIN BODY SECTION Fig. L-1 ᧄࡌࠬ Body Base 11 10 1 5 4 7 6 5 4 7 6 35 9 Fig.L-1 TCM-X100J-002 19 20 18 17 16 13 14 15 13 18 17 16 12 39 40 14 15 25 44 43 42 27 28 29 45 15 14 13 15 14 13 …

MODEL TCM-X100J
0105-001
Key No. PART No. PART NAME Q’ty REMARKS
NOTE
181
KC-5
401 630 103 1941 BASE 2 766KC-010-401
402 630 001 1272 BEARING,RADIAL 4 766KC-010-402
403 630 055 2881 SHAFT 2 766KC-010-403
404 630 086 6285 LEVER 2 766KC-010-404
405 630 100 7205 CYLINDER 1 YSV17 766KC-010-405
406 630 004 0845 PIPE FITTINGS 1 766KC-010-406
407 630 004 1279 TUBE 1 766KC-010-407
408 630 003 7159 PIPE FITTINGS 1 766KC-010-408
409 630 003 7937 PIPE FITTINGS 1 766KC-010-409
410 630 003 8125 PIPE FITTINGS 1 766KC-010-410
411 411 051 1708 SCR TRS 4X6 8 766KC-010-411
412 630 000 8944 SET SCREW 2 766KC-010-412
413 630 000 7770 BOLT,HEX-SCT 8 766KC-010-413
414 411 141 6705 WASHER SPR 5 8 766KC-010-414
415 411 142 3406 WASHER F 5X10X1 8 766KC-010-415
416 630 100 7212 CYLINDER 1 YSV18 766KC-010-416

MODEL TCM-X100J
0212-002
182
ᧄㇱ MAIN BODY SECTION
Fig. L-1 ᧄࡌࠬ Body Base
11
10
1
5
4
7
6
5
4
7
6
35
9
Fig.L-1
TCM-X100J-002
19
20
18
17
16
13
14
15
13
18
17
16
12
39
40
14
15
25
44
43
42
27
28
29
45
15
14
13
15
14
13
5
4
7
6
5
4
7
3
6
5
4
7
3
6
35
41
52
51
52
51
5
4
7
6
36
5
4
7
6
36

MODEL TCM-X100J
0212-002
Key No. PART No. PART NAME Q’ty REMARKS
NOTE
183
L-1
1 630 048 9910 BLOCK,LOCATE 2 766L--010-001
3 630 048 9927 BLOCK,LOCATE 2 766L--010-003
4 630 042 5697 NUT 8 766L--010-004
5 630 041 6770 COLLAR 8 766L--010-005
6 630 000 8975 SET SCREW 8 766L--010-006
7 630 042 5673 BOLT,HEX 8 766L--010-007
9 630 115 8853 FRAME 1 766L--010-009
10 630 116 8357 FRAME(L) 1 766L--010-010
11 630 116 8364 FRAME(R) 1 766L--010-011
12 630 118 2063 FRAME(HEAD) 1 766L--010-012
13 411 141 5401 WASHER V 20X37X3 20 766L--010-013
14 411 141 6804 WASHER SPR 20 20 766L--010-014
15 630 009 5814 BOLT,HEX-SCT 20 766L--010-015
16 411 141 5203 WASHER V 16X30X3 2 766L--010-016
17 411 141 3407 WASHER SPR 16 2 766L--010-017
18 630 083 4253 BOLT,HEX-SCT 2 766L--010-018
19 630 089 2314 PLATE 1 766L--010-019
20 411 113 9109 SCR TRS 5X10 2 766L--010-020
25 630 118 8348 BRACKET(BAND) 1 766L--010-025
27 411 141 4107 WASHER V 5X10X1 2 766L--010-027
28 411 141 6705 WASHER SPR 5 2 766L--010-028
29 630 000 7756 BOLT,HEX-SCT 2 766L--010-029
35 630 089 2475 BLOCK,LOCATE 2 766L--010-035
36 630 117 9926 BLOCK,LOCATE 2 766L--010-036
39 630 097 5413 COVER 1 766L--010-039
40 411 113 9109 SCR TRS 5X10 4 766L--010-040
41 630 099 9129 SUPPORT 1 766L--010-041
42 630 001 0220 WASHER 2 766L--010-042
43 411 141 6705 WASHER SPR 5 2 766L--010-043
44 630 000 7763 BOLT,HEX-SCT 2 766L--010-044
51 630 093 6445 ASSY,SWITCH,BUTTON 2 SPB5,SPB6 766L--010-051
52 630 064 6320 NAME PLATE,NOTICE 2 766L--010-052