P-0203-001.pdf - 第15页
01 1 1-002 3-3 ⇟ภ ㇱຠ⇟ภ ㇱ ຠ ฬ ᢙ㊂ ⠨ Key No. PART No. PART NAME Q'ty REMARKS CB-4195 CB-4197 CB-4195T CB-4197T 81 630 074 5078 BEARING,RADIAL 1 1 1 1 685DL-01H-031 82 630 081 1971 LEVER 1 1 1 1 685DL-01B-117 83 630 …

0111-002
3-3
⇟ภ ㇱຠ⇟ภ ㇱ ຠ ฬ ᢙ㊂
⠨
Key No. PART No. PART NAME Q'ty REMARKS
CB-4195
CB-4197
CB-4195T
CB-4197T
43 630 075 2656 SPRING,TENSION 1 1 1 1 685DL-01B-139
46 630 074 5757 PIN,LOCATE 1 1 1 1 685DL-01B-119
47 411 141 2806 WASHER SPR 3 1 1 1 1 SW3
48 411 141 0109 NUT 1 1 1 1 M3-3
49 630 075 8153 SET SCREW 1 1 1 1 685DL-01H-034
50 411 140 9202 NUT 1 1 1 1 M2
51 630 075 9617 SPRING,TENSION 1 1 1 1 685DL-01B-141
71 630 076 0224 CHUTE 1 1 685DL-01B-041
71 630 076 0200 CHUTE 1 1 685BL-01B-041
72 411 141 2608 WASHER SPR 2 2 2 2 2 SW2
73 630 000 7466 BOLT,HEX-SCT 2 2 2 2 M2X6
75 630 075 8795 HOLDER 1 1 1 1 685DL-01B-128
75 -1 630 105 9198 COLLAR 1 1 1 1 685DL-01H-145
76 630 075 8900 LEVER 1 1 685DL-01B-061
76 630 075 8818 LEVER 1 1 685BL-01B-061
77 630 090 0996 SPRING,TENSION 1 1 1 1 685DL-01B-075
78 630 090 0996
MECH PARTS(MAGNET 1005C)
1 1 685DL-01H-015
78
630 071 4845 MECH PARTS(MAGNET) 1 1 685BL-01H-015
79
630 075 8870 COLLAR 1 1 1 1 685DL-01B-132
80
630 032 2514 BEARING,RADIAL 1 1 1 1 685DL-01H-032
ᵈᗧ
NOTE

0111-002
3-3
⇟ภ ㇱຠ⇟ภ ㇱ ຠ ฬ ᢙ㊂
⠨
Key No. PART No. PART NAME Q'ty REMARKS
CB-4195
CB-4197
CB-4195T
CB-4197T
81
630 074 5078 BEARING,RADIAL 1 1 1 1 685DL-01H-031
82 630 081 1971 LEVER 1 1 1 1 685DL-01B-117
83 630 105 8597 PIN,HINGE 1 1 1 1 685DL-01B-125
84 411 000 9304 RING E 2 1 1 1 1 685DL-01H-013
84 -1 630 081 0691 COLLAR(B) 1 1 1 1
T0.1
685UD-14R-003
84 -1 630 081 0707 COLLAR(C) 1 1 1 1
T0.2
685UD-15R-003
85 630 108 1489 SET SCREW 1 1 1 1 685DL-01H-024
91 630 074 5931 SLIDE 1 1 1 1 685DL-01B-133
92 411 141 2509 WASHER SPR 2 1 1 1 1 SW2 F
93 411 162 1000 SCR PAN 2X3 2 2 2 2 685DL-01H-033
ᵈᗧ
NOTE

0111-002
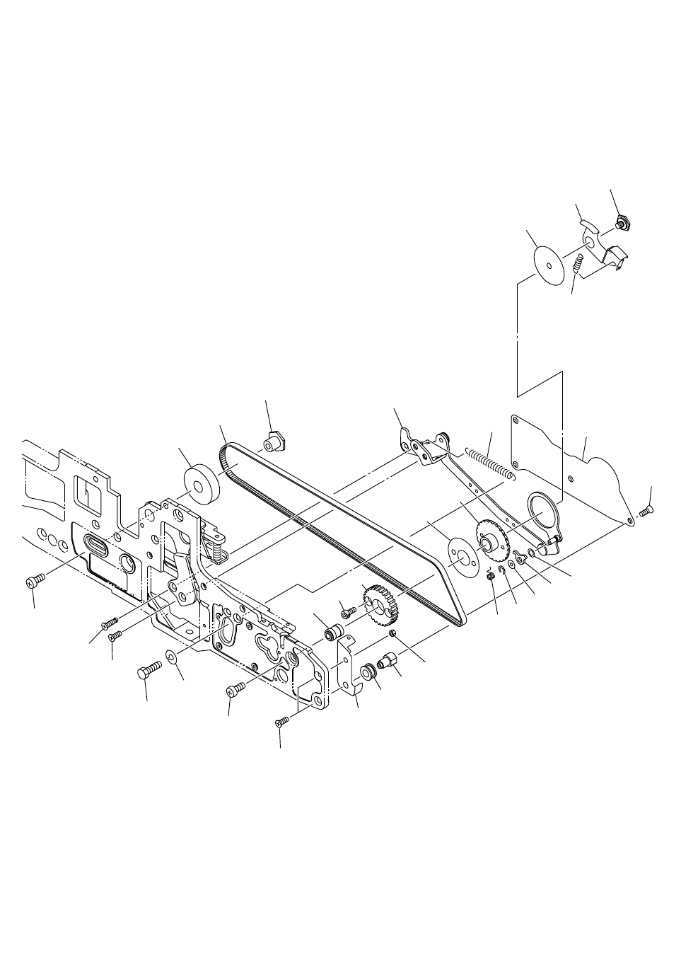
ࡃ࡞ࠢࡈࠖ࠳ BULK FEEDER
Fig. 3-4 ៝ㅍࡌ࡞࠻ㇱ Transfer Belt Section
39
38
37
40
52
51
1
25
7
6
7-1
8
9
13
14
26
36
27
15
17
34
31
32
30
33
18
23
24
22
22-1
28
Fig.3-4
CB-4195(P-143-001)
CB-4195(P-142-001)
11