yv100xtg电路图.pdf
Appendix Contr ol Wiring Diagram YV100XTg

Appendix
Control Wiring Diagram
YV100XTg
Table of contents
YV100XTg
Over view
Control box
Connection board
I/O head front
I/O head rear
I/O conveyor A
I/O conveyor B
Camera unit
Operation panel selection
Power circuit
Emergency circuit
Power transformer terminal
Air circuit (FNS)
Air circuit (SF)
Harness parts list

PAGE 2
YV100XTg (KGC)
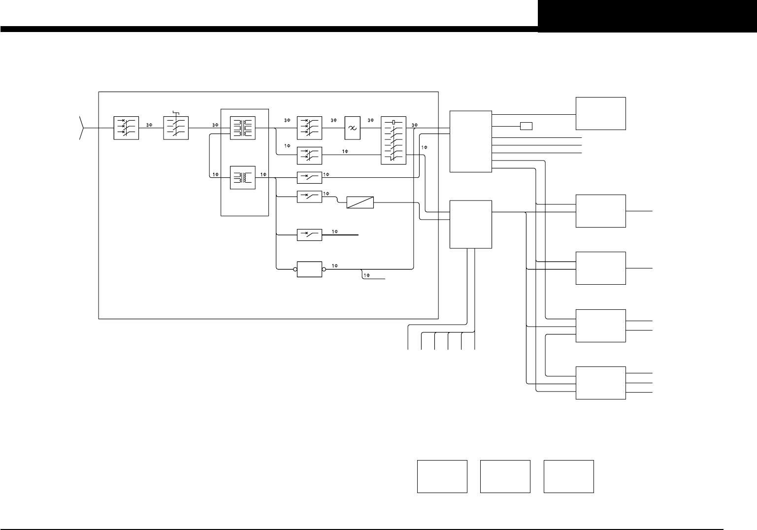
Over view (1/20)
Filter
SIGNAL TOWER
COVER S/W
FRONT PANEL
AREA SENSOR
EMG S/W
P40
Contactor
Power Supply
Noise
Terminal
Protector
Circuit
Transformer
Transformer
Main Switch
Set 13A
NF11
XT21
(OPTION)
QF24 2A
QF22 5A
QF21 5A
QF31 10A
TM11 2.48KVA
QS11QF11
380/400/416V
200/208/220/240
INPUT:
AC50/60Hz 4.0A(MAX)
CONTROL:1PH 100V
MOTOR:3PH 220V
OUTPUT:
3PH 200V 0-150Hz
DRIVER
Main Breaker
CRT2
AC220V AC220V AC220V
AC200V
AC100V
AC100V
AC100V
AC100V
AC100V
AC100V
AC100V
AC100V
AC100V
AC200V
AC200V
AC220V
25W
CONVEYOR MOTOR
FDD
P21
COMU
DC24V
KM10/KM10A
CRT1
TC11 0.75KVA
EMERGENCY CIRCUIT
3-50/60Hz
POWER TRANSFORMER
TERMIANL
CONTROL BOX
CONNECTION BOARD
FRONT PANEL
Each Cameras
Each Motors
QF32 2A
OPERATION PANEL SEL.
DC24V
Rating 4.9KVA MAX.
I/O CONVEYOR A
COMU
DC24V
COMU
I/O CONVEYOR B
COMU
DC24V
COMU
DC24V
A1
COMU
I/O HEAD FRONT
I/O HEAD REAR
P22
P23
P24
HEAD SENSOR,VALVE
HEAD SENSOR,VALVE
FRONT OPERETION PANEL
CONVEYOR SENSOR
REAR OPERETION PANEL
CONVEYOR VALVE
CONVEYOR SENSOR
GS21 DC24V 14A
See Page 10/20
See page 12/20
See Page 2/20
See Page 3/20
See Page 9/20
See Page 4/20
See Page 5/20
See Page 6/20
See Page 7/20
See Page 11/20
FEEDER STRUCTURE FES20 SAFETY CIRCUIT
See Page 13,14/20 See Page 15-20/20
AC50/60Hz 14A(MAX)
1A:3.48KW(TOTAL)
1B:2.30KW(TOTAL)