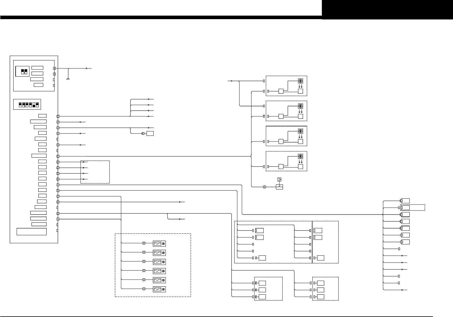
yv100xtg电路图.pdf - 第10页
PAGE 9 YV100XTg (KGC) Camera unit (8/20) VALVE DCAM1 D_CAM1 DIGITAL MULTI J507 J509 J508 J503 CAMERA 1 CONTROL BOX(L.CTL1) CONTROL BOX(D_CAM1) L.CTL1 L.CTL1 LDC1 UP LDC1 UPPER LDC1 LOWER LDC1 UP LDC1 UPPER LDC1 LOWER DCA…

PAGE 8
YV100XTg (KGC)
I/O conveyor B (7/20)
KM5-M4580-xxx
12V,24V OPEN
GATE IN 5V SHORT
GATE IN
DO SPARE
DI SPARE
CN25
CN24
CN23
CN22
SPARE
CN21
DI36
CN19
DI4
CN18
DO6
DO5
CN16
CN15
DO4
DO3
DO2
DO1
CN14
CN13
CN12
CN11
EMG/INT
CN8
DI3
CN1
DI1
CN7
EMG
CN6
POWER
CN5
DI2
CN4
CN3
ORG/OT
DC24V IN
CN2
COMU2
COMU1
CNX2
CNX1
TEST
CNX5
RS232C
CNX4
I/O BOARD CORE ASSY
J221
CN2_B
CN3_B
CN4_B
CN23_B
CN22_B
CN19_B
CN16_B
CN15_B
CN14_B
CN13_B
CN12_B
CN11_B
CN8_B
J215
J216
J217
J218
J205
J102CNX1_B
ON
OFF
12
DIP SW(S1)
4
ON
OFF
12
DIP SW(S1)
653
SB41
SB42
SB43
SB44
SB45
SB46
J257
J255
J206
J162
UP
DOWN
T1944
T1945
T1946
T1947
T1954
R1 NONSTOP
R1 NONSTOP
T1950
T1951
T1952
T1953
T1955
SW-LAMP
SB23
R1 NONSTOP
UP
DOWN
R2 NONSTOP
R2 NONSTOP
SW-LAMP
SB24
R2 NONSTOP
SWITCH
UP
FORWARD
R2 NONSTOP
R2 NONSTOP
R2 NONSTOP
N1160
N1161
N1162
SWITCH
UP
FORWARD
R1 NONSTOP
R1 NONSTOP
R1 NONSTOP
N1164
N1165
N1166
I/O CONVEYOR A(CNX2)
R FEEDER
(OPTION)
DUMP STATION(OPTION)
DUMP STATION(OPTION)
R.ACTIVE(WHITE)
R.START(GREEN)
R.READY(WHITE)
R.RESET(WHITE)
REAR OPERATION PANEL
R1 FEEDER CARRIAGE(OPTION)
R2 FEEDER CARRIAGE(OPTION)
R1 FEEDER CARRIAGE(OPTION)
R2 FEEDER CARRIAGE(OPTION)
I/O CONVEYOR UNIT ASSY B P24
CN1_B
J42
CONNECTION BOARD(CNF18)
LDC1 UPPER
N1132
LDC1 LOWER
N1133
LDC2 UPPER
N1136
LDC2 LOWER
N1137
LIGHT D-CAM1 UPPER
LIGHT D-CAM1 LOWER
LIGHT D-CAM2 UPPER
LIGHT D-CAM2 LOWER
ORG
N1101
W3-AXIS
J181
CN18_B J184
J184
J184
N1150/T1960
N1151/T1961
N1152/T1962
N1153/T1963
N1154/T1964
N1155/T1965
J212
J214
J215
J216
J217
R.STOP(RED)
R.ERROR CLEAR
(YELLOW)
N1126
N1167
DUMP2
DUMP4
T1920
T1921
T1922
T1923
T1924
MAIN STOPPER
BOARD CLAMP
BOARD CLAMP
(OPTION)
LOCATE PIN
EDGE CLAMP
PUSH IN
STOPPER OF ENTRANCE
T1925
T1926
STOPPER OF EXIT
T1927
T1932
T1933
MULTI CAMERA LIGHT(LDC1)
MULTI CAMERA LIGHT(LDC2)
See Page 6/20
J199
See Page 8/20
See Page 8/20
See Page 8/20
See Page 8/20
See Page 3/20
YTORG/OT
See Page 6/20
SQ104
N1120-N1125(J201,J222)
See Page 3/20
CN6_B J179
CONNECTION BOARD(CNF39)
See Page 3/20
R.FDR2
N1106
R.FDR1
N1105
J30
N1005
N1110
N1107
SENSOR
PRESSURE
AIR
P
N1111
SP11
N1111
N1006
N1107
N1110
CONNECTION BOARD(CNF22)
See Page 3/20
FIX20 R1.FEEDER FLOAT SENSOR(OPTION)
FIX20 R2.FEEDER FLOAT SENSOR(OPTION)
FES20 R2.FEEDER FLOAT SENSOR(OPTION)
FES20 R2.FEEDER FLOAT SENSOR(OPTION)
SQ164A
SQ164BSQ164C
SQ165A
SQ165BSQ165C
SQ166A
SQ166BSQ166C
SQ167A
SQ167BSQ167C
See Page 13,14/20
See Page 13,14/20
See Page 13,14/20
J213
YV501
YV502
YV503
YV504
SB23 SB24
SQ191
SQ192
SQ193
SQ194
YV301
YV302
YV303
YV304
YV305
YV306
YV307
See Page 8/20
See Page 8/20
AMF1
AMF2
T1935
T1936
T1937
SWITCHER BOARD(CN8)
See Page 9/20
T1934
CONNECTION BOARD(CNF59)
See Page 3/20

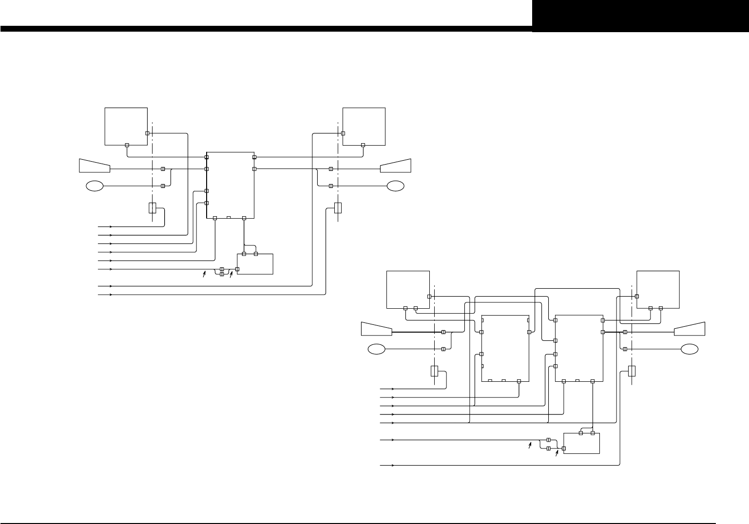
PAGE 9
YV100XTg (KGC)
Camera unit (8/20)
VALVE
DCAM1
D_CAM1
DIGITAL MULTI
J507
J509
J508
J503
CAMERA 1
CONTROL BOX(L.CTL1)
CONTROL BOX(D_CAM1)
L.CTL1
L.CTL1
LDC1 UP
LDC1 UPPER
LDC1 LOWER
LDC1 UP
LDC1 UPPER
LDC1 LOWER
DCAM1
+24V
CN1
CN6
1
2
3
O
N
YV700
SIDE LIGHT
UP/DOWN
SQ700
SQ701
LDC1
UPPER
LOWER
LDC1
VALVE
DIGITAL MULTI
J514
J516
J504
J515
DCAM2
D_CAM2
CAMERA 2
CONTROL BOX(L.CTL2)
CONTROL BOX(D_CAM2)
+24V
L.CTL2L.CTL2
LDC2 UPLDC2 UP
LDC2 UPPERLDC2 UPPER
LDC2 LOWERLDC2 LOWER
DCAM2
1
2
3
O
N
CN6
CN1
SIDE LIGHT
UP/DOWN
UPPER
LDC2
LOWER
SQ702
SQ703
LDC2
P81
P80
RS485IN RS485OUT
24VIN
RS485IN RS485OUT
24VIN
KV1 LED_DRIVER BOARD ASSY
KV1 LED_DRIVER BOARD ASSY
J505
YV701
J506
J40
D_CAM1 ASSY
D_CAM2 ASSY
J511
CN7
CN7
LDC1
+24V
FAN
+24V
FAN
I/O CONVEYOR B(CN15)
I/O CONVEYOR B(CN15)
J205
J205
I/O CONVEYOR B(CN1)
I/O CONVEYOR B(CN1)
J199
J199
LDC2
See Page 2/20
See Page 7/20
See Page 7/20
See Page 2/20
CONNECTION BOARD(CNF31)
See Page 3/20
See Page 2/20
See Page 7/20
See Page 7/20
See Page 2/20
J512

PAGE 10
YV100XTg (KGC)
Operation panel selection (9/20)
CRT1
MOUSE
KEYBOARD
A12
A10
FRONT OPERATION SWITCHES
MOUSE
KEYBOARD
CRT2
A11
A13
FRONT SIDE
REAR SIDE
J50
J28
J112
J49
J261
SWITCHER BOARD A
CONSOLE EMULATOR BOX
J262
J260
REAR OPERATION SWITCHES
VGA-IN2
CN2
SERIAL-OUT
CN7
VGA-IN1
CN1
P31
POWER-IN
CN10
SERIAL-IN1
VGA-OUT1
CN5
CN3
INPUT
CN8
SERIAL-IN2
VGA-OUT2
CN6
CN4
CONTROL BOX(VGA)
CONTROL BOX(KEY/MS)
NOTE1
NOTE2
MOUSEKEY
PC
A15
CONTROL BOX(EXT.PWR)
XT21(U14,V10)
FRONT & REAR CRT(STANDARD)
REAR SIDE
DC12V IN
SERIALVGA
LCD2
CONTROL BOX(SERIAL1)
J112
CONTROL BOX(VGA)
J28
CONTROL BOX(KEY/MS)
LCD2
REAR OPERATION SWITCHES
CONTROL BOX(EXT.PWR)
J184
I/O CONVEYOR B(CN18,CN23)
QF24,XT21(U15,V10)
I/O CONVEYOR B(CN15)
J205
I/O CONVEYOR A(CN16,CN18)
J183
J220
J184
I/O CONVEYOR B(CN18,CN23)
J120
J205
I/O CONVEYOR A(CN15)
I/O CONVEYOR A(CN16,CN18)
J183
NOTE1:The Harness is attachment for System board.
NOTE2:The Harness is attachment for Console Emulator Box.
J119 J118
See Page 7/20
See Page 10/20
See Page 7/20
See Page 2/20
See Page 2/20
See Page 2/20
See Page 10/20
See Page 6/20
MOUSE
KEYBOARD
A11
A13
SWITCHER BOARD B
P32
VGA-IN2
CN2
SERIAL-OUT
CN7
VGA-IN1
CN1
POWER-IN
CN10
SERIAL-IN1
VGA-OUT1
CN5
CN3
INPUT
CN8
SERIAL-IN2
VGA-OUT2
CN6
CN4
J262
MOUSE
KEYBOARD
A12
A10
FRONT OPERATION SWITCHES
FRONT SIDE
LCD1
DC12V IN
SERIALVGA
FRONT & REAR LCD TOUCH PANEL(OPTION)
CN8
INPUT
CN10
POWER-IN
CN1
VGA-IN1
CN7
SERIAL-OUT
CN2
VGA-IN2
SWITCHER BOARD A
J261
PC
KEY MOUSE
J260
NOTE2
NOTE1
A15
CONSOLE EMULATOR BOX
P31
SERIAL-IN2
CN6
SERIAL-IN1
VGA-OUT1
CN5
CN3
VGA-OUT2
CN4
J218
LCD1
J119
J118
See Page 7/20
See Page 2/20
See Page 7/20
See Page 2/20
See Page 2/20
See Page 2/20
See Page 6/20