yv100xtg电路图.pdf - 第17页
PAGE 16 Harness parts list KGC - 0110 N o Part No. Part Name Q'ty Remarks N o Part No. Part Name Q'ty Remarks 1 KGC-M6600-000 HARNESS SECTION 39 KV1-M662R-000 HNS 2-11(Y-FLEX OT) 1 J171 2 KG2-M536A-220 HNS,PE 1…

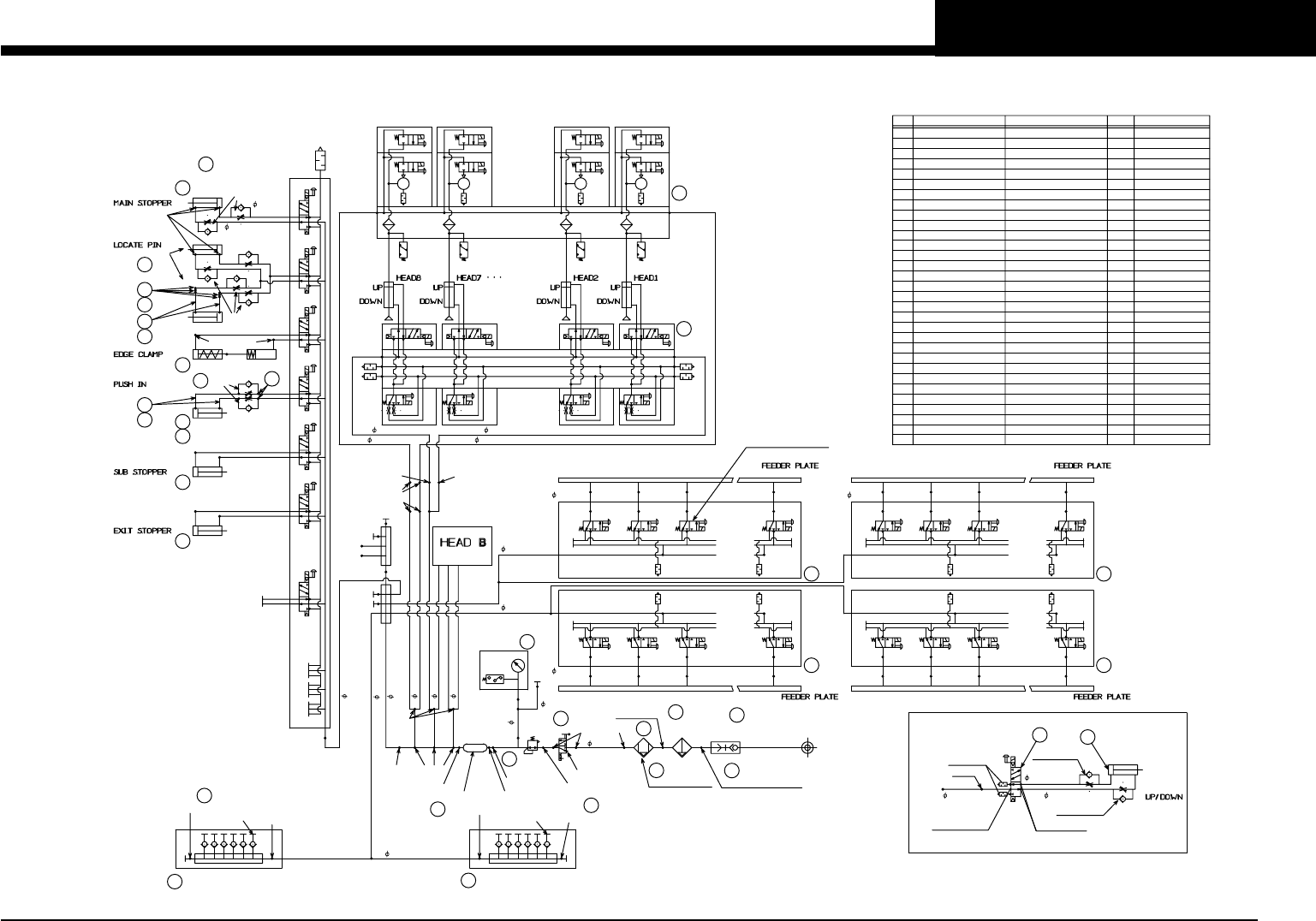
PAGE 15
YV100XTg (KGC)
Air circuit (SF)
600V-04
KM23
8(ORANGE)
8(ORANGE)
8(ORANGE)8(ORANGE)
8(ORANGE)
KM-11
040M12AJ 1 to 7 A040
-4E1-PLL 8 to 12 BP
F600-04
-BG-A
R600-03
SL12-04
GS1-50
-DL-41W
TL4-02
TSH4-M5
UEDW10-8
NDA 6X30
SSU-4
SC4-M5A
SC4-M5A
NDA6X30-CS11TA1
PBSA 10X5
PBDA 10X30 or
YMDA 16X35
SL4-M5
SL4-M5
MANUHOLD
KM0-M1141-000
MANUHOLD
KM0-M1141-000
TSS4-01 TSH8-01
PLUG
K40-M8598-000
BF4
BF4
TL8-01TT8-01
stn.20stn.1 stn.2 stn.3
KM-06KM-06
20123
TSS4-01
TSH8-01
PLUG
K40-M8598-000
BF4
BF4
TL8-01TT8-01
stn.120
stn.101
stn.102 stn.103
KM-06KM-06
120101 102 103
8(ORANGE)
4(ORANGE)
4
(BLACK)
UY8
8(ORANGE)
SL8-01
UP8
USD8-6
UC4
USD10-8
UY4
UP8
HI-CAPPLER
PLUG 30PM
AIR SOURCE
12
(ORANGE)
4
(ORANGE)
10(ORANGE)
4(BLACK)
4(BLACK)
SL4-M5
M-5ALU-4
SL4-M5
4(ORANGE)
10 2(ORANGE)
10 2(ORANGE)
USD10-8
NDA 10-30
YMDA 16X35
M-5ALU-4
US10
UED8-4
UP8
UP4
10 2(ORANGE)
UYD10-8
UY12
KM5-M8531-000
UYD
12-10
SL12-03
TS12-04
TS12-04
SL12-03
USD12-10
SCO
VALVE ASSY 20-L
KGA-M3410-400
VALVE ASSY 20-L
KGA-M3410-400
VALVE ASSY 20-R
KGA-M3410-200
VALVE ASSY 20-R
KGA-M3410-200
4(BLACK)
103102121 140
KM-06 KM-06
stn.123stn.122
stn.121
stn.140
TT8-01 TL8-01
BF4
BF4
232221 40
KM-06 KM-06
stn.23stn.22stn.21 stn.40
TT8-01 TL8-01
BF4
BF4
UY8
UY8
6(ORANGE)
SLH8-01
KM-05
SLH6-01
6(ORANGE)
KM-05
SLH6-01
SLH8-01
A010E1-44W
A010E1-37W
USD8-6
LIGHTLIGHT
LIGHTLIGHT
UP8
UP8
LIGHT
YMDAS 10X20-ZE135A2
4(BLACK)
4(ORANGE)
LIGHTLIGHT
4(ORANGE)
LIGHT
No. PART NO. PART NAME Q'TY REMARKS
1
2
4
5
6
1
7
8
9
10
11
12
13
17
15
16
2
21
22
23
24
25
26
27
28
29
30
1
2
1
1
1
1
2
2
2
2
1
1
2
1
1
1
14
3
1
18
1
19
1
20
2
KG2-M8512-000
KG2-M8513-000
KG2-M8501-000
KG2-M8503-000
KG2-M8502-000
KH1-M8501-000
KM5-M8531-000
KG2-M8504-002
KG7-M8596-002
KM0-M8582-000
KM0-M1141-000
K40-M8598-000
KGA-M3410-200
KG2-M8582-400
KH4-M9166-000
KV4-M9167-400
KV7-M9237-000
KV7-M9229-000
KV8-M922E-000
KV7-M9283-000
KV8-M7162-000
KGB-M7163-000
JOINT
JOINT
AIR FILTER
MODULE ADAPTER
MIST FILTER
EXHAUST VALVE
ACCUMLATOR
REGULATOR
PRESURE GAUGE
VALVE
MANUFOLD
PLUG 1 (R 1/8)
VALVE ASSY 20-R
VALVE(SPARE)
CYL.MAIN STOP
CYLINDER ASSY
CYLINDER PBSA10X5
CYLINDER
CYLINDER
CYL.,YMDA16X35
SOLENOID VALVE
MICRO EJECTOR
40PM
1/2" M-F ELBOW
F600-04-BG-A
8-60D4
MF600-04-A
600V-04
R600-03
GS1-50-DL-41W
R300-03
NDA 6X30
NDA 6X30
PBSA 10X5
PBDA 10X30
NDA 10X30
YDA 16x35
TUBE(CKD) KG1-M8501-000
JOINT(CKD) KG1-M8502-000
JOINT
JOINT
4m
UP9102-20-F1
8
PTN2-M5
4
2
SPEED CONT.
2
2
VALVE ASSY 20-L KGA-M3410-400
2
CYLINDER ASSY. KV8-M7522-010
31
VALVE
2
KV8-M7535-010
YMDAS 10X20
29
4
8-60D4
20
12
29
11
10
19
1
M-F ELBOW3/8"
2
3
5
6
8
9
12
11
16
20
18
17
15
VALVE KIT (for spare)
KU0-M3410-410
22
21
23
7
21
22
24
23
28
MF600-04-A
13
13
26
25
30
31
UEF4BU-M3
US4
BF4BU-M3
KM-03
SC4-M5A
SC4-M5A

PAGE 16
Harness parts list
KGC - 0110
No Part No. Part Name Q'ty Remarks No Part No. Part Name Q'ty Remarks
1 KGC-M6600-000 HARNESS SECTION 39 KV1-M662R-000 HNS 2-11(Y-FLEX OT) 1 J171
2 KG2-M536A-220 HNS,PE 150 6 J83-J88 40 KV1-M662T-000 HNS 2-12(X-FLEX OT) 2 J172,J175
3 KG2-M669G-010 HNS,9-4 1 J202 41 KV1-M662Y-000 HNS 2-17(CONN POWER) 1 J48
4 KG2-M669R-110 HNS 9-11 (BUZZER) 1 J104 42 KV1-M663L-000 HNS 3-8(CONV.VR) 6 J61-J66
5 KH5-M536E-110 HNS 302 (FG 500 FLEX 3 J74-J76 43 KV1-M663M-000 HNS 3-9(CONN-CON.MT) 3 J58,J59,J60
6 KK1-M664J-010 HNS,PE 1000 5 J77-J80,J89 44 KV1-M663N-000 HNS 3-10(CAPACITOR) 3 J52,J53,J54
7 KM0-M536A-010 HNS,PE 70 2 J90,J91 45 KV1-M663R-000 HNS 3-11(YT-FLEX MTR 1 J57
8 KM5-M661E-003 HNS,1-2 (QF11-TM11) 1 J3 46 KV1-M663T-000 HNS 3-12(CNF43-VR) 1 J67
9 KM6-M661G-001 HNS,1-4 (TM11-TC11) 1 J4 47 KV1-M664G-000 HNS 4-4(X-FLEX I/O) 2 J114,J116
10 KM6-M661J-000 HNS 1-6 (TM11-QF31) 1 J14 48 KV1-M664H-000 HNS 4-5(CMN I/O B) 1 J103
11 KM6-M661K-000 HNS 1-7 (QF31-NF11) 1 J15 49 KV1-M664J-000 HNS 4-6(Y-FLEX I/O) 1 J108
12 KM6-M661L-000 HNS 1-8 (NF11-KM11) 1 J18 50 KV1-M665E-010 HNS 5-2(PI2A) 1 J122
13 90K30-245170 HNS,EARTH 1 J81 51 KV1-M665G-010 HNS 5-4(PI2B) 1 J124
14 KM6-M66M1-101 HNS,TAP CHANGE 10 J601-J608,J610,J611 52 KV1-M665K-000 HNS 5-7(X-BEAM XPI) 1 J129
15 KM6-M66M1-201 HNS,TAP CHANGE 1 J609 53 KV1-M665L-000 HNS 5-8(Z,R PI) 1 J401
16 KM6-M66M4-001 HNS 18-4 (JUMPER) 2 J612,J613 54 KV1-M665M-000 HNS 5-9(W1 PI) 1 J131
17 KV8-M536E-100 HNS 302 3 J71,J73,J96 55 KV1-M665N-000 HNS 5-10(YT-FLEX PU) 1 J132
18 KV8-M661J-000 HNS 1-6(TM11-QF32) 1 J16 56 KV1-M665X-000 HNS 5-16(PI YT) 1 J139
19 KV8-M661N-001 HNS,1-10(QF40-KM10A) 1 J19 57 KV1-M665Y-000 HNS 5-17(YT-FLEX W2) 1 J130
20 KV8-M661W-000 HNS 1-15 2 J44,J55 58 KV1-M666A-020 HNS 6-1(MO1A) 1 J141
21 KGA-M662U-000 HNS,CNF9 13 EMG 1 J24 59 KV1-M666E-011 HNS,MO Z1 R1 W1 1 J142
22 KV8-M663A-002 HNS,3-1 (PWR,MTR) 1 J51 60 KV1-M666F-020 HNS 6-3(MO1B) 1 J143
23 KV8-M664F-000 HNS 4-3(CMN,I/O AB) 1 J102 61 KV1-M666G-010 HNS 6-4(MO2B) 1 J144
24 KV8-M665L-000 HNS 5-8 2 J127,J128 62 KV1-M666H-000 HNS 6-5(Y-FLEX XM) 1 J145
25 KGA-M667L-000 HNS,CONNE.-FAN 1 J22 63 KV1-M666J-000 HNS 6-6(Y-FLEX Z,RM) 2 J146,J147
26 KV8-M668F-002 HNS,8-3(DI,DUMP 1/2) 2 J251,J255 64 KV1-M666L-000 HNS 6-8(X-FLEX Z,RM) 2 J148,J149
27 KV8-M668G-XXX HNS,DI DUMP SEL. 2 J253,J257 65 KV1-M666N-000 HNS 6-10(YT-FLEX PU) 1 J150
28 KV8-M668G-201 HNS,DI DUMP 3/4 2 J253 Feeder plate 3 66 KV1-M666X-000 HNS 6-16(X-BEAM XM) 1 J154
29 KV8-M668G-201 HNS,DI DUMP 3/4 1 J253 Feeder plate 3 67 KV1-M666Y-000 HNS 6-17(YT-FLEX W2) 1 J151
30 KV8-M668L-100 HNS,8-8(DI 2A) 1 J254 68 KV1-M667A-000 HNS 7-1(CNF25-C/R) 1 J169
31 KV8-M66L1-000 HNS 17-1(700) 1 J72 69 KV1-M667H-000 HNS 7-5(YT-FLEX ORG) 1 J192
32 KV8-M66A2-000 HNS 10-2(EXT,HEAD) 2 J301,J351 70 KV1-M669E-000 HNS 9-2(SIGNAL TOWER 1 J219
33 KV8-M66A7-000 HNS 10-7(LED1) 2 J310,J320 71 KW3-M668H-001 HNS,FDD 1 J110
34 KV1-M536E-000 HNS 302 (FG 700) 1 J97 72 KW3-M66GW-001 HNS,NEXT INTERFACE 1 J201
35 KV1-M661T-000 HNS 1-12(CONV POWER) 1 J42 73 KW3-M66GX-001 HNS,PRE.INTERFACE 1 J222
36 KV1-M661U-000 HNS 1-13(HEAD POWER) 1 J41 74 KW7-M668N-001 HNS,INTERFACE IN 1 J221
37 KV1-M661V-000 HNS 1-14(Y-FLEX +24) 1 J43 75 KGA-M662A-010 HNS,C/R POWER 1 J21
38 KV1-M662N-000 HNS 2-10(CONN CNF10) 1 J170 76 KGA-M662E-010 HNS,TC11-QF,XT21 1 J11

PAGE 17
Harness parts list
KGC - 0110
No Part No. Part Name Q'ty Remarks No Part No. Part Name Q'ty Remarks
77 KGA-M662H-020 HNS,EXT.POWER 1 J28 115 KGC-M668J-010 HNS,CN1B DI 1 J199
78 KGA-M662J-020 HNS,CNF15 MSP 1 J176 116 KGC-M668K-000 HNS,CN7A DI 1 J186
79 KGA-M662L-000 HNS,U11-U14 1 J17 117 KGC-M668L-000 HNS,FRONT PANEL 1 J185
80 KGA-M662R-010 HNS,SENSOR PWR 1 J30 118 KGC-M668T-001 HNS,CN3A DI 1 J182
81 KGA-M662X-000 HNS,QF22-GS21 1 J47 119 KGC-M668X-000 HNS,W PU-BRAKE 2 J187
82 KGA-M664A-001 HNS,I/O1 CMN 1 J101 120 KGC-M668Y-001 HNS,YT-FLEX W PU-BK 1 J188
83 KGA-M667A-002 HNS,COVER LIMIT 2 J163,J164 121 KGC-M669J-010 HNS,CN15B DO 1 J205
84 KGA-M667G-001 HNS,CN8A INTERLOCK 1 J161 122 KGC-M669M-000 HNS,DO CONNECTI0N 1 J203
85 KGA-M667H-001 HNS,CN8B INTERLOCK 1 J162 123 KGC-M66W0-000 HNS,BASE W2P PUP 1 J231
86 KGA-M667J-001 HNS,EMG SW 2 J165,J166 124 KGC-M66W1-000 HNS,BASE W3P 1 J232
87 KGA-M669E-010 HNS,MSP IN 1 J271 125 KGC-M66W2-000 HNS,BASE Y1P 1 J233
88 KGA-M669F-010 HNS,USB1 1 J270 126 KGC-M66W3-000 HNS,BASE Y2P 1 J234
89 KGA-M669H-110 MSP SHORT ASSY 1 J272 127 KGA-M66F0-000 C.CABLE ASSY 1 J503,504
90 KGA-M669H-010 HNS,MSP SHORT 1 128 KGA-M66N1-000 HNS,LIGHT1 1 J506,J505
91 KGA-M13E1-001 MSP CHAIN 1 129 KV7-M66N2-001 HNS,LIGHT2 1 J507,J514,J518,J520
92 KH1-M13E2-000 BALL CHAIN 1 130 KV7-M66N3-000 HNS,LIGHT3 1 J508,J510,J515,J524
93 KH1-M13E3-000 TERMINAL 2 131 KGA-M66N4-000 HNS,LIGHT4 1 J509,J516
94 KH1-M13E4-000 STAINLESS W RING 1 132 KV7-M66N5-000 HNS,LIGHT5 1 J511,J512
95 KGA-M669V-011 HNS,SWITCH ACTIVE 1 J207 133 KGB-M66E6-010 HNS,11-6(I/O HEAD) 1 J318/J348
96 KGA-M669V-111 HNS,SWITCH READY 1 J208 134 KV1-M66E8-001 HNS,Z-FLEX +24V 1 J45/J46
97 KGA-M669V-221 HNS,SWITCH START 1 J209 135 90K30-044100 HNS,EARTH 1 J94/J95
98 KGA-M669V-302 HNS,SWITCH STOP 1 J210 136 KV8-M66E1-000 HNS 11-1(DO,HEAD) 1 J311/J361
99 KGA-M669V-402 HNS,SWITCH ERROR CLR 1 J211 137 KV1-M666K-001 HNS,Z-FLEX RM 1 J152/J153
100 KGA-M669V-511 HNS,SWITCH RESET 1 J212 138 KV8-M66E3-001 HNS,11-3 1 J313/J363
101 KGC-M662W-001 HNS,CNF31 POWER 1 J40 139 KV8-M66E5-010 HNS,11-5 1 J315/J365
102 KGC-M664E-000 HNS,I/O2 CMN 1 J109 140 KV1-M665T-001 HNS,Z-FLEX RP 1 J136/J137
103 KGC-M665A-000 HNS,PI1A 1 J121 141 KV8-M664K-003 HNS,Z-FLEX CMN 1 J115/J117
104 KGC-M665F-000 HNS,PI1B 1 J123 142 KV8-M66E7-001 HNS,Z-FLEX OT 1 J173/J174
105 KGC-M665J-000 HNS,Y-FLEX XP 1 J125 143 KGB-M66E6-010 HNS,11-6(I/O HEAD) 1 J318/J348
106 KGC-M665H-000 HNS,Y-FLEX ZR PI 2 J126,J140 144 KV1-M66E8-001 HNS,Z-FLEX +24V 1 J45/J46
107 KGC-M665R-000 HNS,BASE XP 1 J133 145 90K30-044100 HNS,EARTH 1 J94/J95
108 KGC-M665U-000 HNS,BASE YTP 1 J134 146 KV8-M66E1-000 HNS 11-1(DO,HEAD) 1 J311/J361
109 KGC-M667F-000 HNS,CNF12 EMG 1 J167 147 KV1-M666K-001 HNS,Z-FLEX RM 1 J152/J153
110 KGC-M667G-000 HNS,OT 2 J168,J179 148 KV8-M66E3-001 HNS,11-3 1 J313/J363
111 KGC-M668A-000 HNS,CN3B DI 1 J181 149 KV8-M66E5-010 HNS,11-5 1 J315/J365
112 KGC-M668E-000 HNS,CN1A DI 1 J252 150 KV1-M665T-001 HNS,Z-FLEX RP 1 J136/J137
113 KGC-M668F-000 HNS,YT-FLEX SENSOR 1 J191 151 KV8-M664K-003 HNS,Z-FLEX CMN 1 J115/J117
114 KGC-M668H-020 HNS,CN16A 18A DI 1 J183 152 KV8-M66E7-001 HNS,Z-FLEX OT 1 J173/J174