yv100xtg电路图.pdf - 第4页
PAGE 3 YV100XTg (KGC) Control box (2/20) J142 J141 J144 J143 MO2A MO1A MO2B MO1B J501 J122 J121 PI2A PI1A J124 J123 PI2B PI1B PE AC IN MO2A MO1A MO2B MO1B PI2A PI1A PI2B PI1B I/O2 I/O1 EMG KEY/MS VGA SERIAL1 USB2 USB1 FD…

PAGE 2
YV100XTg (KGC)
Over view (1/20)
Filter
SIGNAL TOWER
COVER S/W
FRONT PANEL
AREA SENSOR
EMG S/W
P40
Contactor
Power Supply
Noise
Terminal
Protector
Circuit
Transformer
Transformer
Main Switch
Set 13A
NF11
XT21
(OPTION)
QF24 2A
QF22 5A
QF21 5A
QF31 10A
TM11 2.48KVA
QS11QF11
380/400/416V
200/208/220/240
INPUT:
AC50/60Hz 4.0A(MAX)
CONTROL:1PH 100V
MOTOR:3PH 220V
OUTPUT:
3PH 200V 0-150Hz
DRIVER
Main Breaker
CRT2
AC220V AC220V AC220V
AC200V
AC100V
AC100V
AC100V
AC100V
AC100V
AC100V
AC100V
AC100V
AC100V
AC200V
AC200V
AC220V
25W
CONVEYOR MOTOR
FDD
P21
COMU
DC24V
KM10/KM10A
CRT1
TC11 0.75KVA
EMERGENCY CIRCUIT
3-50/60Hz
POWER TRANSFORMER
TERMIANL
CONTROL BOX
CONNECTION BOARD
FRONT PANEL
Each Cameras
Each Motors
QF32 2A
OPERATION PANEL SEL.
DC24V
Rating 4.9KVA MAX.
I/O CONVEYOR A
COMU
DC24V
COMU
I/O CONVEYOR B
COMU
DC24V
COMU
DC24V
A1
COMU
I/O HEAD FRONT
I/O HEAD REAR
P22
P23
P24
HEAD SENSOR,VALVE
HEAD SENSOR,VALVE
FRONT OPERETION PANEL
CONVEYOR SENSOR
REAR OPERETION PANEL
CONVEYOR VALVE
CONVEYOR SENSOR
GS21 DC24V 14A
See Page 10/20
See page 12/20
See Page 2/20
See Page 3/20
See Page 9/20
See Page 4/20
See Page 5/20
See Page 6/20
See Page 7/20
See Page 11/20
FEEDER STRUCTURE FES20 SAFETY CIRCUIT
See Page 13,14/20 See Page 15-20/20
AC50/60Hz 14A(MAX)
1A:3.48KW(TOTAL)
1B:2.30KW(TOTAL)

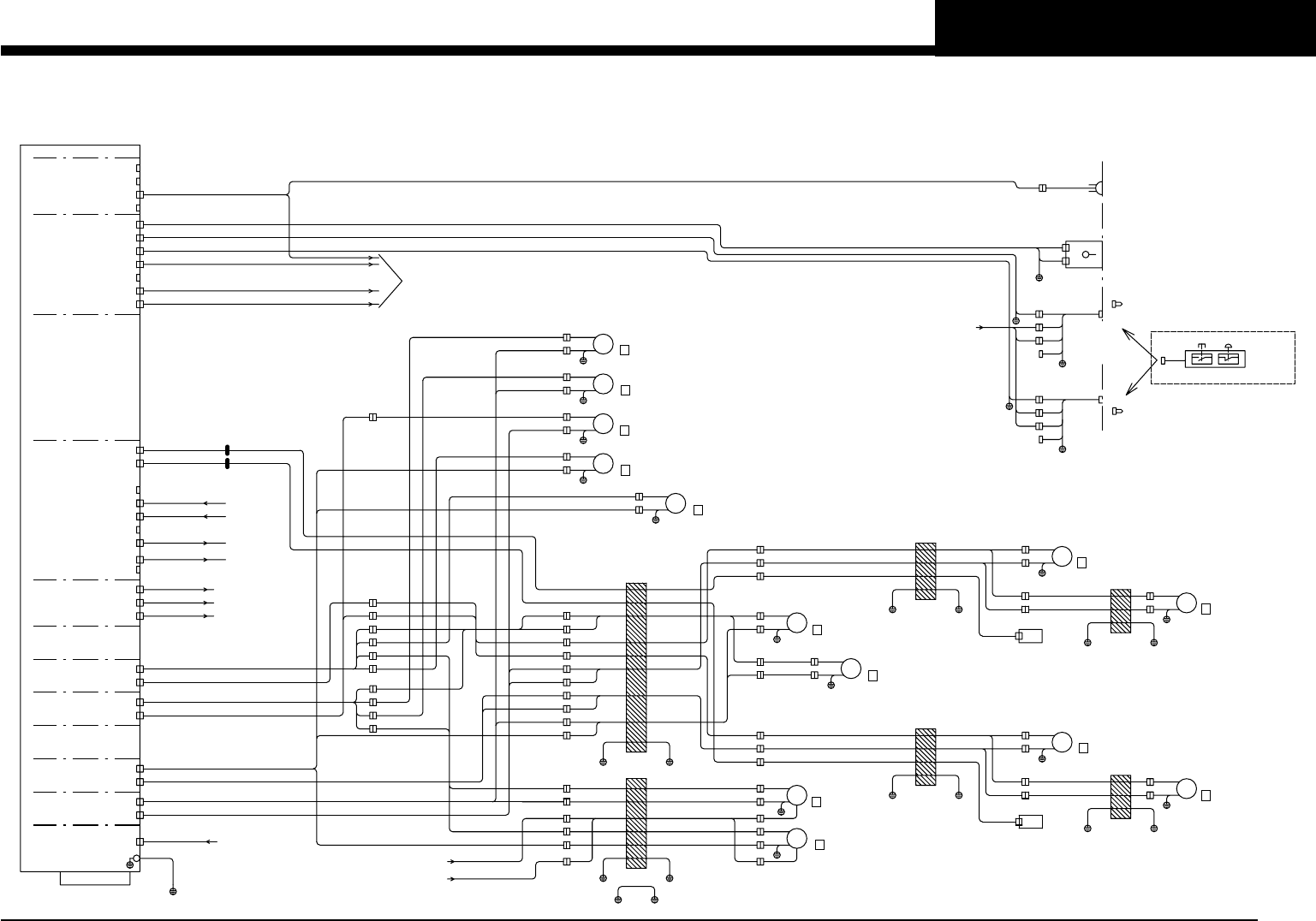
PAGE 3
YV100XTg (KGC)
Control box (2/20)
J142
J141
J144
J143
MO2A
MO1A
MO2B
MO1B
J501
J122
J121
PI2A
PI1A
J124
J123
PI2B
PI1B
PE
AC IN
MO2A
MO1A
MO2B
MO1B
PI2A
PI1A
PI2B
PI1B
I/O2
I/O1
EMG
KEY/MS
VGA
SERIAL1
USB2
USB1
FDD
UPS
EXT.PWR
SERIAL2
PARALLEL
J109
J101
I/O2
I/O1
FRONT PANEL
KEY/MS
VGA
SERIAL1
J273
J270
USB2
USB1
BUZZER
AC IN J21
J28
J110FDD
EXT.PWR
FDD
1.44MB
CD-ROM
VISION
J72
SERVO 1A
SERVO 1B
APPL
DRIVER 1B
DRIVER 1A
SYSTEM
CONTROL BOX A1
LAN
A CAM1
A_CAM1
A_CAM2
A_CAM3
D_CAM1
D_CAM2
D_CAM3
L.CLT2
V.OUT
L.CLT1
BUZZER
HA1
D.MAN
+24V
Pendant
Support
Maintenance
A8
J272
MSP
USB1
MSP F
J271
USB
MSP
REAR
D.MAN
+24V
MSP
J275
USB2
MSP R
J274
USB
MSP
CONNECTION BOARD(CNF15)
J176
(OPTION)
C/R EMG
OPERATION PANEL SEL.
A14
J120
NOTE1
J104
J169
CONNECTION BOARD(CNF25)
I/O CONVEYOR A(CNX1)
A CAM2 J502
NOTE1:The Harness is attachment for System board.
LDC1
VE1
ZR2
ZR1
X2
YT
W2
W3
X1
Y1
Y2
PU
J133
J133
J134
J231
J231
J232
J233
J234
J401
J401
PU
PU
PUBK
W2
W2
J132
J150
J188
J130
J151
W2BK
FLEXIBLE
ZR2
J125
FLEXIBLE
DUCT Y
X1
X2
ZR1
R1
Z1
R2
Z2
X1
X2
J126
J140
J146
J147
J145
X1
X1
J129
J154
ZR1
ZR1
A CAM1
ZR2
ZR2
A CAM2
VE2
J233
J141
J141
J234
J142
J232
J143
J134
J143
J401
J401
J133
J133
J142
J142
J144
J144
J141
J143
CONNECTION BOARD(CNF48)
See Page 3/12
CONNECTION BOARD(CNF58)
See Page 3/12
J187
J189
DUCT YT
J71
FLEXIBLE
J127
J148
J510
DUCT X1
FLEXIBLE
DUCT Z1
J152
J135
FLEXIBLE
FLEXIBLE
J136
J511
J128
J149
DUCT X2
J153
DUCT Z2
J97
CONV.2 FG
J73
J96
A_CAM1
A_CAM2
J94
J95
AC100/220V
LDC2
J503
J504
D_CAM1
D_CAM2
J112
See Page 9/20
See Page 3/20
J131
W1
J506
J505
See Page 8/20
See Page 8/20
See Page 8/20
See Page 8/20
See Page 3/20
I/O HEAD,I/O CONVEYOR(J103)
See Page 4,5,7/20
See Page 6/20
KGA-M4100-600
See Page 10/20
J75
R1 R
R1 R
R
R
R2
R2
Y1-AXIS 1KW
86 MAX 4500rpm
Y1
Y1
YP
YM
M7
86 MAX 4500rpm
YP
YM
Y2
Y2
M8
Y2-AXIS 1KW
W1
W1
WP
WM
M10
W1-AXIS 60W
42 MAX 750rpm
WP
WM
42 MAX 750rpm
W3
W3
W3-AXIS 60W
M12
YT
YT
YTP
YTM
M9
YT-AXIS 1KW
86 MAX 4500rpm
86 MAX 4500rpm
X2
X2
XP
XM
M2
X2-AXIS 750W
86 MAX 4500rpm
XP
XM
X1
X1
M1
X1-AXIS 750W
42 MAX 750rpm
W2-AXIS 60W
W2
W2
WP
WM
M11
W2BK WBK
42 MAX 750rpm
PU
PU
PUP
PUM
PUBK PUBK
M16
PU-AXIS 100W
Z1
Z1
ZP
ZM
Z1-AXIS 60W
42 MAX 4500rpm
M3
42 MAX 4500rpm
R
R
RP
RM
R1-AXIS 60W
M5
ZP
ZM
42 MAX 4500rpm
Z2
Z2
M4
Z2-AXIS 60W
42 MAX 4500rpm
R
R
RP
RM
M6
R2-AXIS 60W

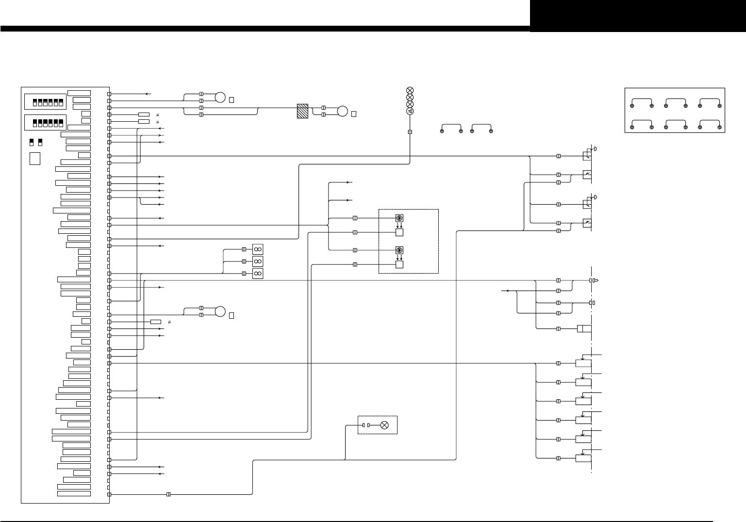
PAGE 4
YV100XTg (KGC)
Connection board (3/20)
KM10A(AC200V)
CNF1
DV120202
A1
CONNECTION BOARD ASSY P40
D
C
B
A
S1 S2
3 5 6
ON
OFF
12
DIP SW(S3:EMG)
4
3 5 6
ON
OFF
12
DIP SW(S4:TF)
4
CV ACIN
CNF1
CNF16
YPU/HHK
CNF15
CNF14
CONTACTOR1
CNF13
CNF12
I/O H2OT
CNF11
I/O H1OT
CNF10
CONTACTOR2
CNF9
CNF8
C2
CNF7
C1
CNF6
CMTR2
CNF5
CMTR1
CNF4
I/O CVA
EMG
SERVICE KEY1
HEAD I/O PWR
CNF19
CNF18
CNF17
SERVO ON
CV I/O PWR
FEEDER PWR
+24V IN
CNF21
CNF20
OP FEEDER PWR
CNF49
CNF48
CNF47
CNF46
CNF45
CNF44
CNF43
CNF42
CNF41
CNF40
CNF39
CNF38
CNF37
EPW3
CNF34
EPW2
CNF33
CNF32
CNF31
FRONT PANEL
CNF30
FAN1
CNF29
TF3
CNF28
TF2
CNF27
TF1
CNF26
CNF25
CNF24
CNF22
SENSOR PWR
CNF23
OPTION +24V
PATLITE
C/R GOOD
LED DRIVER
ROLL MOTOR
CNF36
CMTR3
C3
CONV B
CONV A
OT
LR OUT
CV MOTOR
CV VR
PWR TF1
PWR TF2
EMG SPARE
PU BRAKE IN
PU BRAKE OUT
FAN2
CNF60
CNF59
CNF58
CNF57
F AREA DI
R AREA SENSOR
CNF56
CNF55
CNF54
CNF50
CNF51
SERVICE KEY2
CONTACTOR3
CNF52
EMG PRN
CNF53
F AREA SENSOR
R AREA DI
W BRAKE IN
W BRAKE OUT
READY
WAFFLE TF
CNF61
OPTION +24V
CNF62
COVER LIGHT
CNF4
CNF5
TG TG2
J57
CNF6
2.4 FC1
2.4 F
CNF7
C2
CNF42
J51
J48
J58
J59
J52
J53
CNF8
J203
CNF57
CNF47
J203
J203
J203
CNF13
CNF9
J24
CNF10
COVER EARTH
FRONT RIGHT
REAR LEFTREAR RIGHT REAR CENTER
FRONT LEFT
J87
FRONT CENTER
J86 J84
J88 J83 J85
EMG SWITCH
SB11
STOP F
J165
EMG
COVER F
COVER
J163
LAMP F LAMP
FRONT SIDE
EMG SWITCH
SB12
EMG
J166
STOP R
COVER
LAMP
J164
COVER R
LAMP R
REAR SIDE
COVER LIMIT SW
COVER LIMIT SW
CNF12
J170
J167
KM10/KM10A
I/O HEAD(J171)
F/R MSP
CNF15
J176
CNF16
J41
CNF17
J186
I/O CONVEYOR A(CN15,23)
I/O CONVEYOR A(CN7)
I/O HEAD POWER(J43)
CNF18
J42
GS21
J30
CNF22
CNF21
J219
CNF24
CNF25
J169
CONTROL BOX(EMG)
CNF29
CNF33
J22
J22
FAN
FAN
FAN
FAN1
EV1
FAN2
EV2
FAN3
EV3
T1822
J202
HOUR METER
PT1
J224
J223
J222
J201
BUSY OUT/LR OUT
BA IN/UR IN
COUNT RESET
BA OUT/UR OUT
BUSY IN/LR IN
PREVIOUS INTERFACE
NEXT INTERFACE
h
FRONT PANEL
NEXT B
PREV B
PREV A
NEXT A
I/O CONVEYOR B(CN4)
CNF30
CNF41
J185
J185
CNF31 J40
LED DRIVER POWER
CNF36 J60
2.4 F
CNF37 J54
C3
CNF38 J168
I/O CONVEYOR A(CN6)
CNF39 J179
I/O CONVEYOR B(CN6)
ADJUSTMENT
CONVEYOR SPEED
CONVEYOR1 L
CONVEYOR1 H
J61
J62
CONV1 H
CONV1 L
CONV2 H
CONV2 L
CONV3 H
CONV3 L
CNF43 J67
CONVEYOR2 H
CONVEYOR2 L
CONVEYOR3 H
CONVEYOR3 L
J63
J64
J65
J66
H1
L1
H2
L2
H3
L3
CNF48 J187
PU-AXIS BRAKE(J188)
CNF58 J189
AREA
F AREA EMG
FRONT AREA SENSOR
AREA
(OPTION)
AREA+24
AREA EMG
AREA EMG
AREA+24
SQ153A
SQ153B
SQ163A
SQ163B
REAR AREA SENSOR
R AREA EMG
J177
J178
CNF53
CNF54
CNF59 J205
CNF62 J70
+24V
NOTE1 NOTE1
J68
LAMP
EL1
(OPTION)
LAMP
Maintenance Fluorescent Light
J177
J178
J30
J22
J167
J68
J185
J67
NOTE1: J68,J70 are OPTIONAL.(Maintenance Fluorescent light)
NOTE1
I/O CONVEYOR A POWER
I/O CONVEYOR B POWER
R1,R2 FEEDER FLOAT SENSOR
F1,F2 FEEDER FLOAT SENSOR
KGC-M4550-000
See Page 10/20
CM2C/M2
See Page 6/20
See Page 11/20
See Page 4,5/20
See Page 2/20
See Page 4,5/20
See Page 6/20
See Page 6/20
See Page 7/20
See Page 10/20
See Page 2/20
See Page 8/20
See Page 6/20
See Page 7/20
See Page 2/20
W2-AXIS BRAKE(J188)
I/O CONVEYOR B(CN15)
See Page 2/20
See Page 7/20
See Page 6/20
See Page 7/20
J221
See Page 7/20
SQ201
SQ202
FLEXIBLE
DUCT YT
M14
CM2
TG2
M13
TG TG1
C/M1
CONVEYOR MOTOR 1 15W
70 MAX1400rpm
CONVEYOR MOTOR 2 15W
70 MAX1400rpm
HL11
HL11
T1830
T1822
T1820
T1821B
BUZZER
RUN(GREEN)
ERROR(YELLOW)
ALARM(RED)
J74
CONV1 FG
CONV3 FG
J76
TG TG3
M15
C/M3
CONVEYOR MOTOR 3 15W
70 MAX1400rpm