KE-1070_电路图.pdf
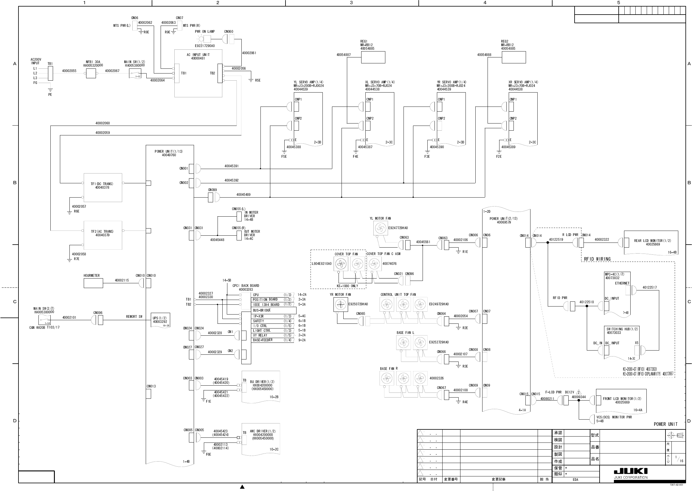
High - Speed Chip Shooter KE- 1070/2070 High - Speed Flexible Mounter KE- 1080/2080/2080R BLOCK DIAG RAM CUSTOMER SUPPORT DEPARTMENT

High-Speed Chip Shooter
KE-1070/2070
High-Speed Flexible Mounter
KE-1080/2080/2080R
BLOCK DIAGRAM
CUSTOMER SUPPORT DEPARTMENT

Important
(1) No part of this document may be copied or reproduced without the prior
permission of JUKI Corporation. (Including software and program)
(2) The contents of this document are subject to change without notice.
(3) This manual is prepared with extreme care. However, if you have any question
or find any error or omission in writing, contact our dealer or JUKI Corporation.
(4) JUKI Corporation shall disclaim all the responsibility for any trouble resulting
from the user's abnormal operation regardless of Item (3).
(5) Microsoft, Windows are registered trademarks or trademarks of Microsoft
Corporation in the United States and /or other countries.
The company names and product names mentioned in this document are
generally registered trademarks or trademarks of the respective companies.

-'
㧖
㧖
5;56'/&+#)4#/):#$
;.
:.
;4
:4
016
40
2%$01
.1%#6+10