KE-1070_电路图.pdf - 第50页
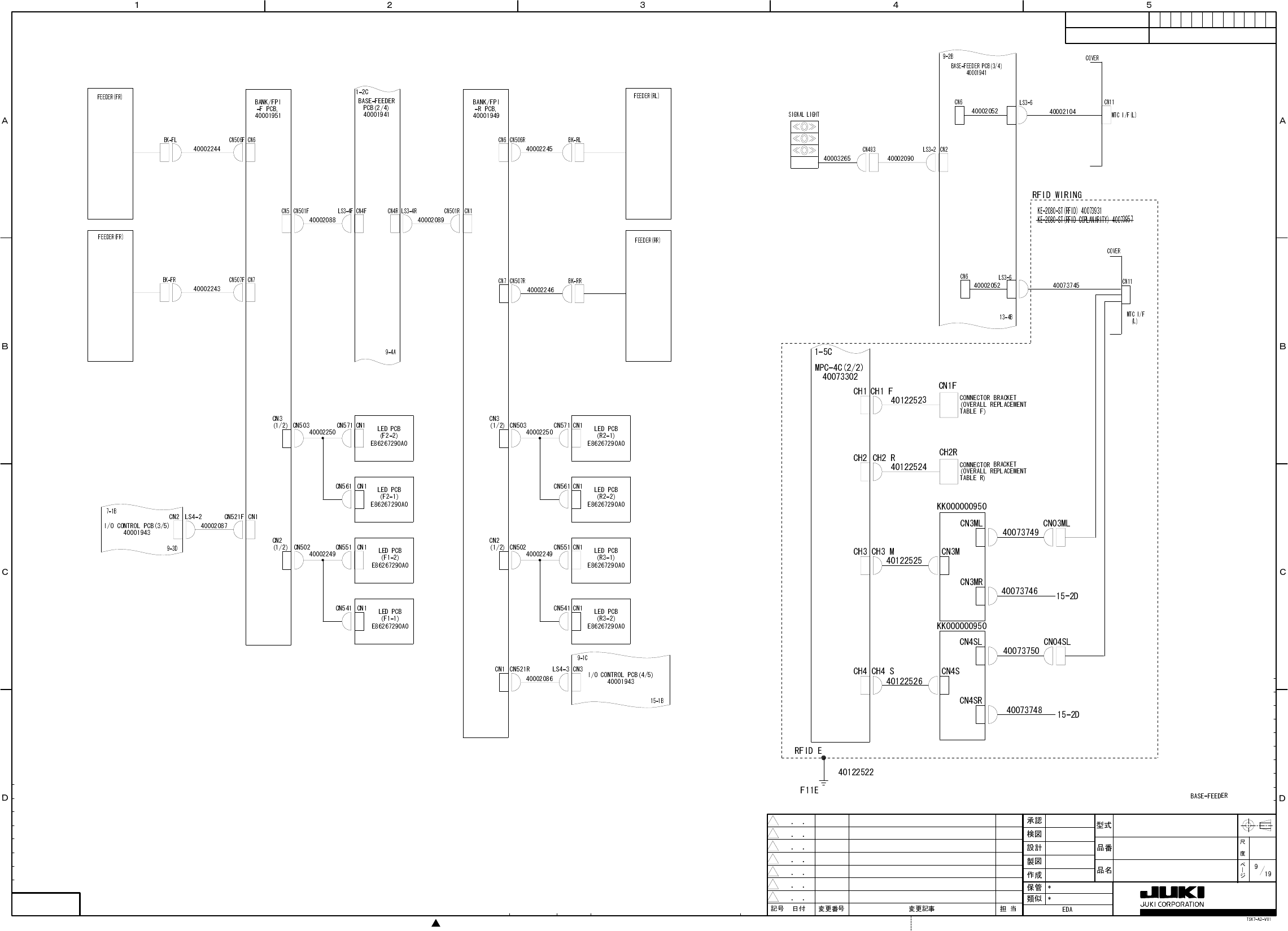
-' 㧖 㧖 5;5 6'/ &+#)4 #/ޓ ): 016 40 2%$01 .1%#6+10

-'
㧖
㧖
5;56'/&+#)4#/ޓ):
016
40
2%$01
.1%#6+10

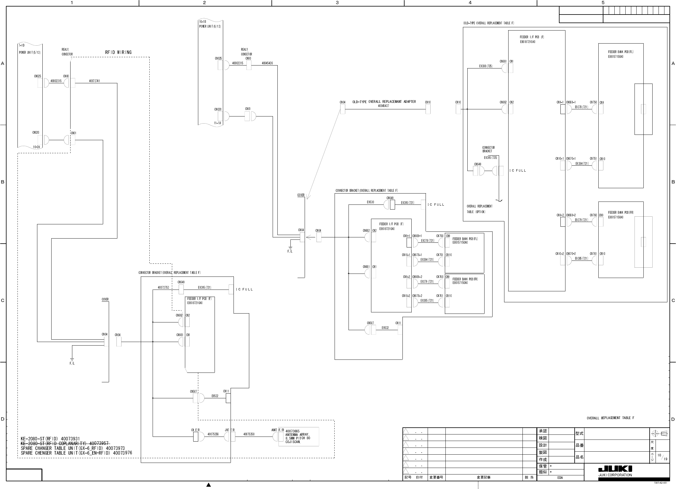
-'
㧖
㧖
5;56'/&+#)4#/ޓ):
016
40
2%$01
.1%#6+10

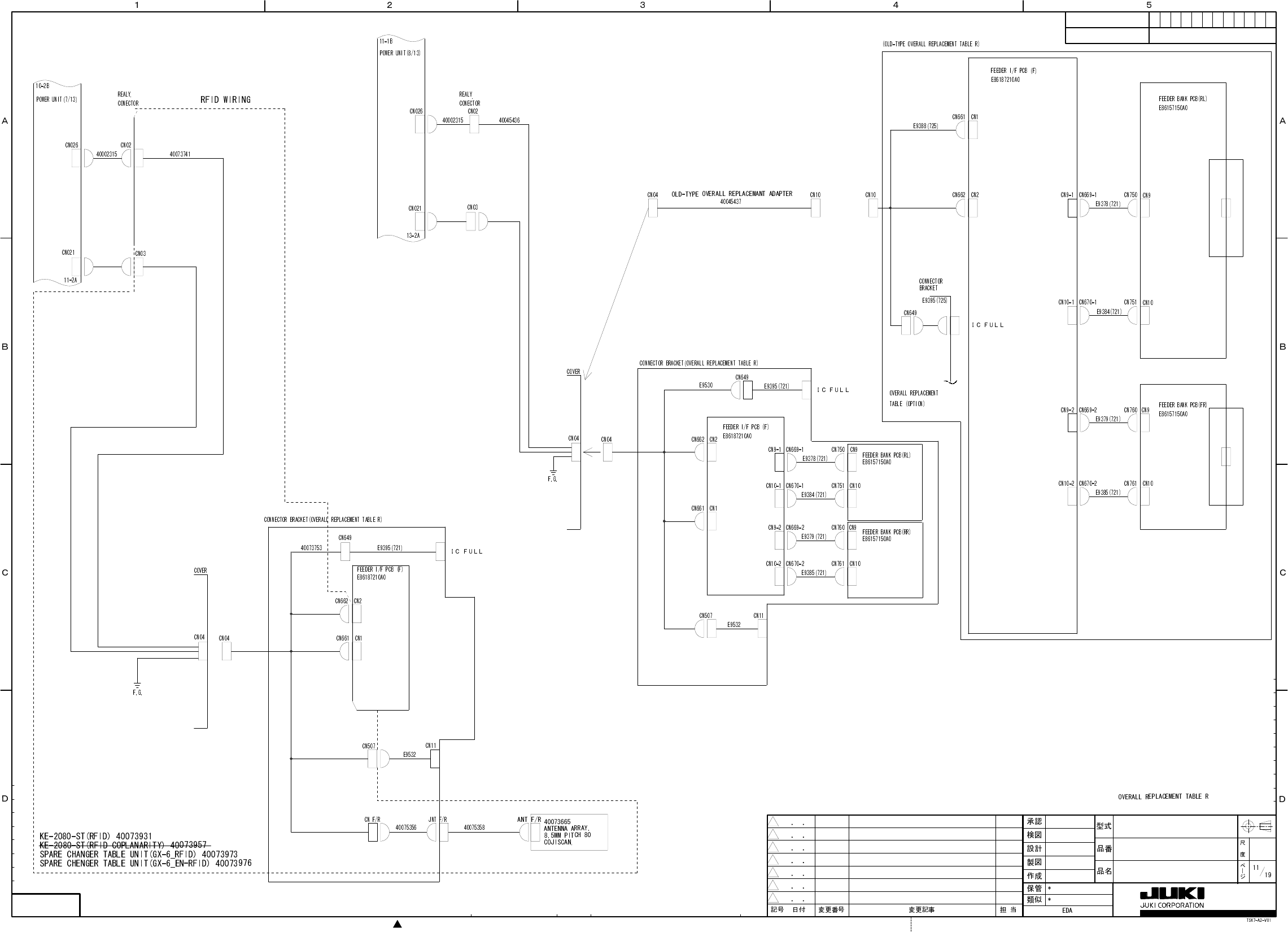
-'
㧖
㧖
5;56'/&+#)4#/ޓ):
016
40
2%$01
.1%#6+10