KE-1070_电路图.pdf - 第108页
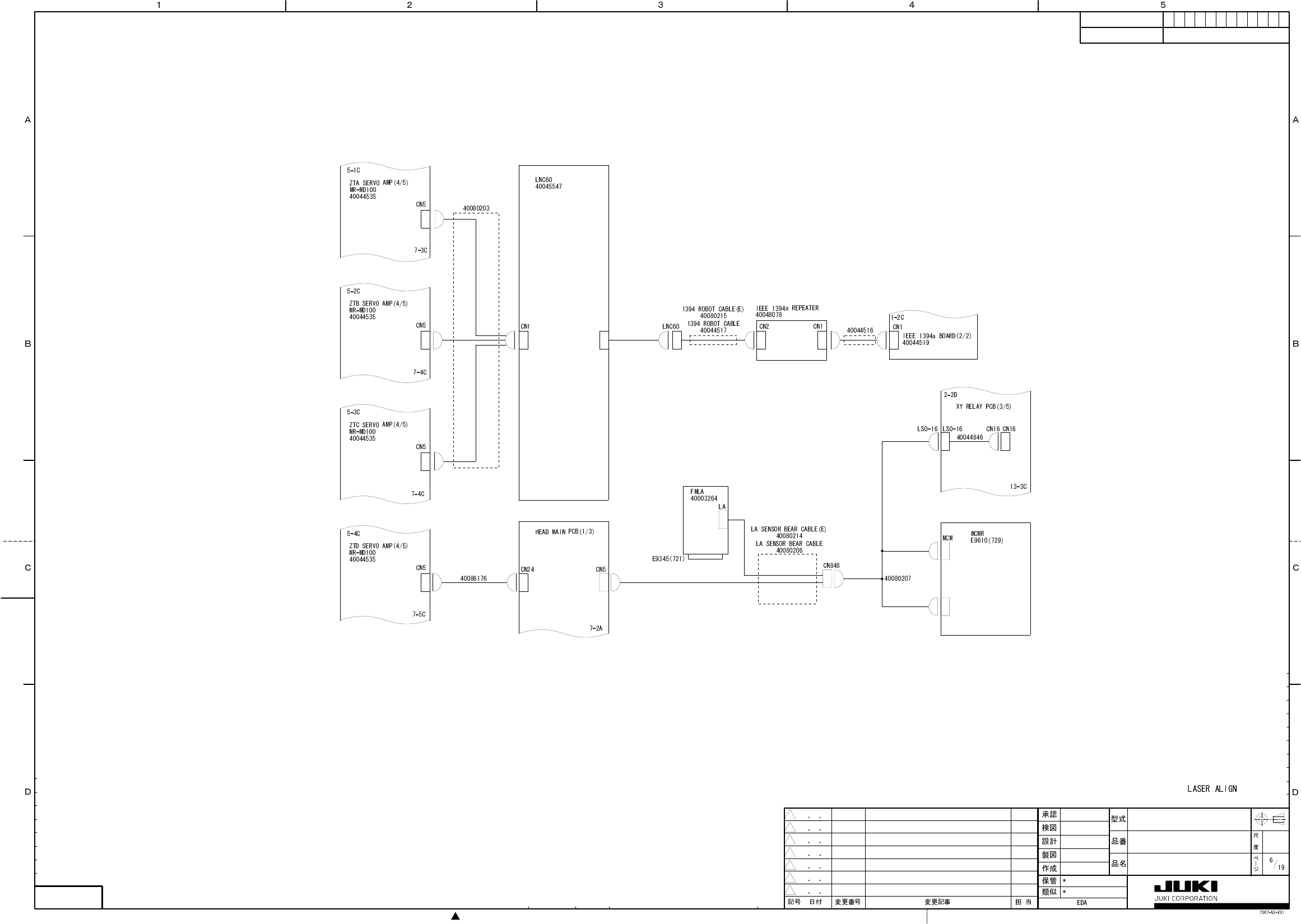
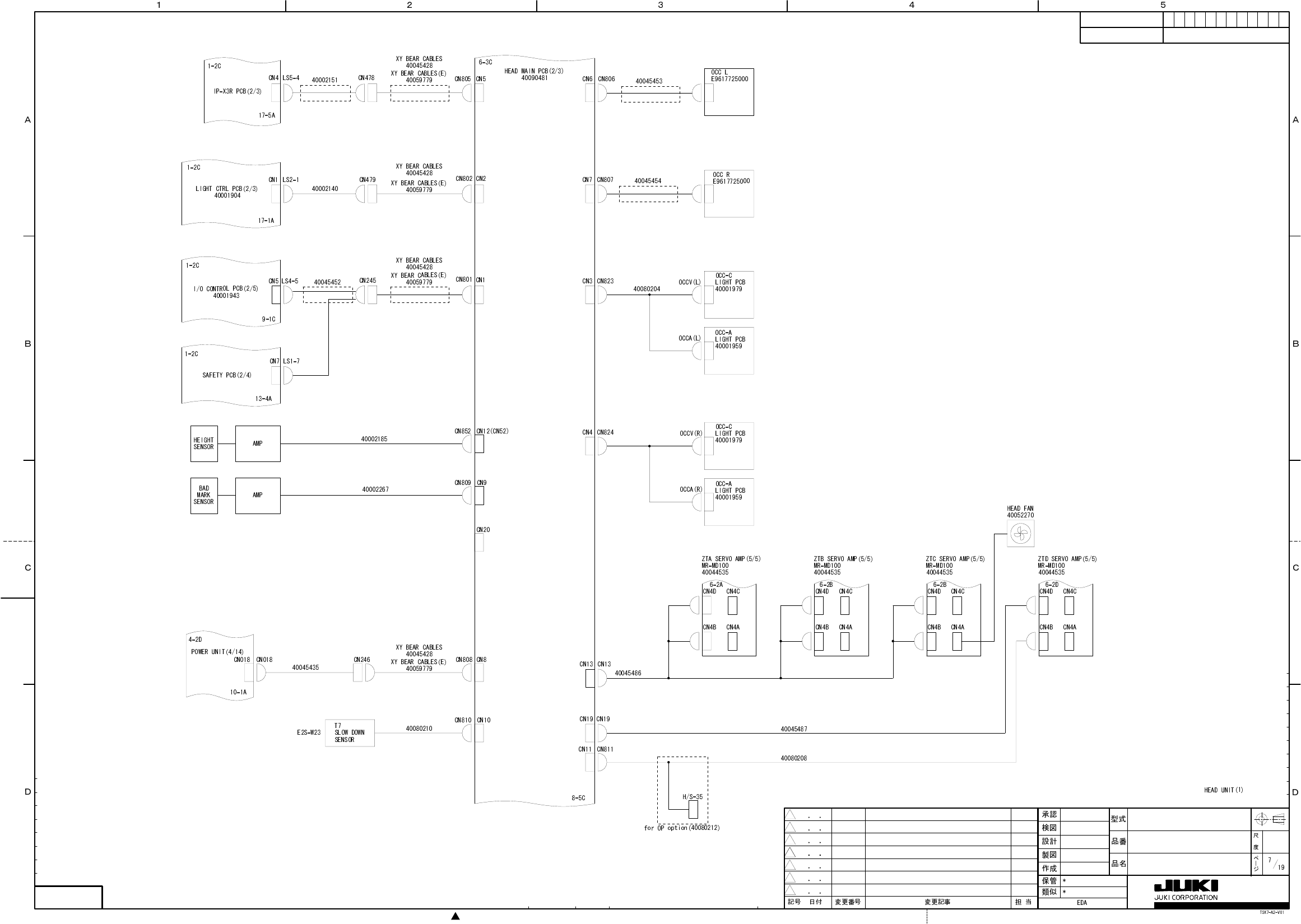
-'4 㧖 㧖 5;5 6'/ &+#)4#/ 4 016 40 2%$01 .1%#6+10

-'4
㧖
㧖
5;56'/&+#)4#/4
016
40
2%$01
.1%#6+10

-'4
㧖
㧖
5;56'/&+#)4#/4
016
40
2%$01
.1%#6+10

-'4
㧖
㧖
5;56'/&+#)4#/4
016
40
2%$01
.1%#6+10