文档中心
/
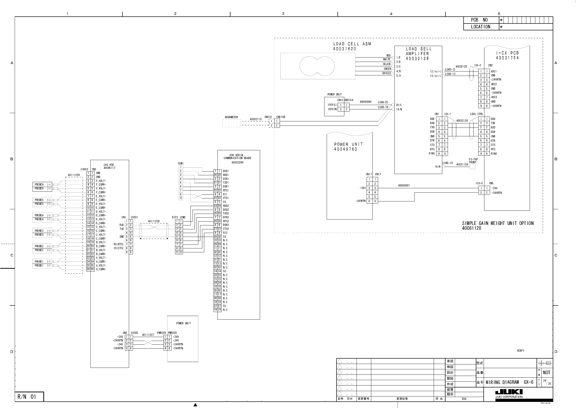
KE-1070_电路图.pdf
KE-1070_电路图.pdf - 第85页
在线预览 KE-1070_电路图.pdf PDF 文档。
目录
100%
显示:宽度
宽度
1 / 156
回到旧版
旧版
?
-'
该页面需要启用 JavaScript 才能进行交互式预览。